SCH SUPPLIES SSS2 Small Salt Spreader Instruction Manual

DESCRIPTION
The Small Salt Spreader SSS2 is a popular broadcaster / spreader that has a generous 60kg hopper size. The pneumatic wheels allow the unit to be easily pushed over the surface. An adjustable feed control makes it very suitable for the spreading of seed, fertiliser and salt. When used with salt the spreader helps to keep work areas safe in adverse weather. A shower proof cover is supplied with this product. Only free flowing bagged salt should be used.
SPECIFICATIONS
| Overall Width | 820mm (32”) |
| Hopper Capacity | 60kg |
| Maximum Spread Width | 3 – 3 ½ m |
| Recommended Push Speed | 3 mph |
SAFETY INSTRUCTIONS
- Never leave your salt spreader where someone could trip or walk into it.
- Never allow people to ride on the spreader.
- Be aware of your surroundings and do not use the spreader in close proximity to other people.
- Do not travel at speeds which would allow the unit to bounce.
- Do not exceed the spreaders maximum capacity load.
- Avoid large holes and ditches when transporting loads.
- Be careful when operation on steep gradients, the spreader may tip over.
- Always keep hands and feet clear from moving parts while operating the spreader.
- Always wear safety gear and eye protection when operating the spreader.
- Do not allow the spreader to sit stationary with material in the hopper and control lever in the ON position.
- When de-icing only use bagged salt.
If in doubt, please call the SCH customer help line at 01473 328272.
MAINTENANCE
- Empty the hopper after each use
- Do not store the spreader with material left in the hopper.
- Clean thoroughly after use.
- Wash between the shut off plate and bottom hopper.
- Dry thoroughly
- Lubricate all moving parts (caution do not pack gear full of grease)
- Apply oil to the slide plate and spinner shaft including areas of shaft which extends through the hopper axle and gearbox.
SETTINGS
Settings are made by pushing down on the Calibration indicator button and setting to the desired number on the control cable assembly
- Pull the control lever forward to open the hopper
- Push control lever back to close
When spreading is complete, to transport the unit to storage remove the ‘D’ clip attached to the inner side of one wheel to stop spinner action.
OPERATION
- Before filling the hopper make sure the flow control lever is in the OFF position and that the flow plate is closed.
- Always push the spreader forward to operate: do not pull backward.
- Start walking forward before pushing the control lever to the ON position. Pull the control lever to OFF position before stopping or turning.
- Do not allow the spreader to sit stationary with material in the hopper and control lever in the ON position.
- Hold the handle at a height that will keep the hopper level.
- Push the spreader at a steady, brisk pace approximately 3 mph.
- To avoid misses or striping, space each pass across the lawn so approximately 20% of the spread width overlaps onto the previous pass. This provides a ‘feathered’ over-lap to even out distribution over the width of the spread.
- Do not overapply spreading material as this may burn the lawn, if material is accidently deposited too heavily in a small area soak the area thoroughly.
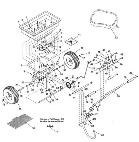
PARTS DRAWING

PARTS LIST
| Ref# | Description | Qty | Ref# | Description | Qty |
| 1 | Hopper 06 | 1 | 30 | Spacer | 1 |
| 2 | Big Flat Washer | 16 | 31 | Fixed Crossover Tube | 1 |
| 3 | Hex Bolt M6x40 | 15 | 32 | Plastic Cap | 3 |
| 4 | R Pin 03 | 1 | 33 | Support Tube | 1 |
| 5 | Bearing | 2 | 34 | Hex Bolt M6x35 | 2 |
| 6 | Fixed Adjustable Plate | 1 | 35 | Handle | 1 |
| 7 | Active Adjustable Plate | 1 | 36 | Handle Cover | 2 |
| 8 | Base for Spring | 1 | 37 | Axle Brushing | 2 |
| 9 | Hex Lock Nut M6 | 22 | 38 | Crossover Tube | 1 |
| 10 | Spring | 1 | 39 | Spring Pin 04×30 | 1 |
| 11 | Hex Lock Nut M8 | 3 | 40 | Bracket | 1 |
| 12 | Flat Washer | 2 | 41 | Hex Bolt M6x20 | 7 |
| 13 | Fixed Plate for Rod | 1 | 42 | Carriage Bolt M6x25 | 1 |
| 14 | Impeller | 1 | 43 | Teeth Lock Washer 08 | 1 |
| 15 | Wheel | 2 | 44 | Connecting Plate | 1 |
| 16 | Cotter Pin 05×35 | 2 | 45 | Spacer | 1 |
| 17 | Flat Washer | 8 | 46 | Wing Nut M6 | 1 |
| 18 | Screen | 1 | 47 | Adjusting Handle | 1 |
| 19 | Axle | 1 | 48 | Handle Cover | 1 |
| 20 | Inner Axle Bushing | 2 | 49 | Spring Washer 06 | 7 |
| 21 | Outer axle bushing | 2 | 50 | Nylon Washer | 1 |
| 22 | Rivet 05×8 | 2 | 51 | Shaft Support Plate | 1 |
| 23 | Frame Tube Assembly | 1 | 52 | Rain Cover | 1 |
| 24 | Pinion Gear | 1 | 53 | Drive Pin | 1 |
| 25 | Swivel Axle | 1 | 54 | Gear (Driver) | 1 |
| 26 | Screw M4x20 | 1 | 55 | Shaft Support Cap | 1 |
| 27 | Screw Pin 03×16 | 1 | 56 | Wheel Bushing | 2 |
| 28 | Solid Linkage | 1 | 57 | Hex Lock Nut M5 | 1 |
| 29 | Hex Bolt M8x75 | 1 | 58 | Hex Bolt M5x40 | 1 |
WARRANTY
Your Small Salt Spreader is guaranteed for 12 months from the date of purchase. This guarantee covers faults which may occur from defective parts or manufacture.
Damage caused by inability to follow instructions will void warranty.

If you are missing your free brochure contact us on 01473 328272, email [email protected], or visit our website www.schsupplies.co.uk



















