GENERALAire DH100 Wi-Fi Dehumidifiers Instruction Manual
- Installation by anyone other than a qualified contractor voids the warranty.
- Modification or alteration of product, parts, installation instructions or local safety codes voids warranty.
- Read our full warranty policy at the end of this document.
- This appliance is not to be used by persons (including children) with reduced physical, sensory, or mental capabilities; or lack of experience and knowledge, unless they have been given supervision or instruction.
- Children should not be allowed to play near unit.
Ideal for Whole-House Crawl Space, Attic, or Basement

WARNING!
This symbol indicates: IMPORTANT INSTRUCTIONS! Failure to heed them can result in serious injury or death.
CAUTION!
This symbol indicates: IMPORTANT INSTRUCTIONS! Failure to heed them can result in serious injury or material property damage.
CAUTION! A dehumidifier creates water during operation. DO NOT mount it above any materials or equipment that could be damaged if a leak occurs. Any unit installed above living or work space requires a drain pan, drainage system, and a leak detection device; otherwise the General Filters warranty will be voided.
Specifications
| DH75 | DH100 | |
| Capacity | Up To 75 Pints Per 24 Hours @ 80°F / 27° C – 60% RH | Up To 100 Pints Per 24 Hours @ 80°F / 27° C – 60% RH |
| Control | Wi-Fi and LCD Touch Screen | |
| Power Supply | 115VAC, 60Hz | 115VAC, 60Hz |
| Current Draw (Amps) | 6.2 | 8.8 |
| Air Flow | 180 CFM | 220 CFM |
| Inlet Air Operating Temperature | 50°F – 90°F / 10°C – 32°C | |
| Filter | MERV 11 Pleated Filter GFI #7143 10″ X 12″ X 1″ | MERV 11 Pleated Filter GFI #7144 12″ X 12″ X 1″ |
| Duct Connections | 8” Diameter (Inlet & Outlet) | 10” Diameter (Inlet & Outlet) |
| Weight | 58 Lbs. | 65 Lbs. |
| Dimensions | 12.75” H x 12.6” W x 21” L | 15.75” H x 12.6” W x 21” L |
CAUTION: A dehumidifier creates water during operation. DO NOT mount it above any materials or equipment that could be damaged if a leak occurs. Any unit installed above living or work space requires a drain pan, drainage system, and a leak detection device; otherwise the General Filters warranty will be voided.
Unit Location
DH75 / DH100 dehumidifiers can be installed in a variety of locations as listed below. In all cases keep the following cautions in mind:
CAUTION: The unit is designed to be installed indoors in a space that is protected from rain, flooding and/or other forms of excess water. The unit is not designed to be exposed to chlorinated pool conditions or spaces where unit will be exposed to corrosive chemicals or conditions.- Install the unit with ample space as to access the filter cover panel for service and maintenance.
- Avoid discharging the air directly at people, or objects / areas where dehydration or evaporation of moisture is not desired.
WARNING: If used near wet areas, be certain there is NO chance the unit could fall into the water or be splashed and that it is wired into a GROUND FAULT INTERRUPTER protected circuit (see local codes for other requirements).
CAUTION: A secondary drain pan MUST be placed under the unit if installed above a living area or above an area where water leakage could cause damage (see local codes for other requirements).- DO NOT locate the DH75 / DH100 directly on structural members where noise or vibration may be objectionable.
- The DH75 / DH100 is equipped with adjustable support feet to raise and level the unit from the mounting surface. Ensure unit is installed level using the included bulls eye level.
- In a whole house system, the DH75 / DH100 should be located near the existing air handling system to minimize the duct work required for connection.
- When the remote control option is used, the control unit (dehumidistat) must be located in the space that is to be conditioned. The control (dehumidistat) may be low voltage (24 volt) and should be connected to the DH75 / DH100 with code approved, low voltage thermostat cable.
- If a remote dehumidistat or float safety switch is utilized, select the setting D1 / D2 Logic, “Remote”, “Float NO” (normally open) or “Float NC” (normally closed).
- When locating the DH75 / DH100 in areas of extreme heat or high humidity (>120°F/90% humidity), additional external insulation may be required to prevent undesired condensation on the exterior of the unit.
Electrical Requirements
WARNING: Disconnect power before installation and / or servicing, as electric shock may occur and cause serious injury or death.
WARNING: The DH75 / DH100 power cord may be plugged directly into a grounded 3 prong, 120 volt, 15 amp household type convenience outlet. If used in a wet area such as an area prone to flooding (basement or crawl space), a ground fault interrupter protected circuit is required. In all cases local codes precede over all installation and wiring recommendations.- Do not remove ground prong. Do not use an adaptor. Do not use an extension cord.
- If a remote wall-mounted dehumidistat is used, install the dehumidistat control in a central area of the structure where it will sense the relative humidity of the structure accurately. Do not install the control where it may not accurately sense the relative humidity: near HVAC supply registers, or near exterior doors. Do not install the control in an area not served by the DH75 / DH100. The installer must supply the wiring between the DH75 / DH100 and the dehumidistat control. Be sure to safely route the control wiring to prevent damage during installation. Be careful not to cross the wires when connecting the DH75 / DH100 and the control, as damage to the transformer may result.
- If you have installed a remote control (dehumidistat) for the unit, you will need to select “Yes” on the unit’s touch-screen control under “Settings, Remote Dehumidistat Installed”.
- Consult the electrical schematic (Page 6 in this manual)
Condensate Removal

- Condensate drains by gravity via the ¾” PVC drain outlet located on the side of the unit. The unit must be installed level, or slightly tilted toward the drain outlet side.
- Use included hard drain trap when possible. Proper sloping of drain line is required – 1/4″ per 12″.
CAUTION: All PVC connections are press fit only. In some situations sealer can be used, but do NOT use glue.- Do not use drain tubes to lift or move unit.
CAUTION: Avoid double trapping. Where flexible tubing is used, possibilities of sags occurring in the drain line exist, or the drain terminates in a sump below the waterline, the drain must be vented to allow proper draining. A condensate drain vent must be installed at the outlet side of the drain trap, between the trap and the balance of the drain line.- An optional condensate pump kit may be installed if a lift is required to dispose of the condensate.
- If an optional pump is used, the condensate trap is still necessary and must be installed between the unit and pump.
- When the condensate drain is located in, or passes through, a non conditioned space, the condensate piping should be insulated to prevent the drain line from sweating.
Ducting
A. Installing Duct
The DH75 / DH100 is equipped with an 8” (DH75) or 10″ (DH100) round duct collar inlet, and an 8” (DH75) or 10″ (DH100) round exhaust/supply collar for connection to the supply distribution system. In all cases, sound duct design practices must be followed such as those provided in ACCA manual “D”, or ASHRAE’s “Fundamentals of Air System Design”.
B. Ducting for Dehumidification
For the ideal installation, draw air from the central part of the home and return it to the isolated areas of the home like the bedrooms, den, utility room, or family room. The duct work of the existing HVAC system can be used to supply air to the home. If the existing supply duct adequately serves all areas of the home, discharge the supply air of the DH75 / DH100 into the return of the existing HVAC system where it can distributed throughout the space. The existing return duct, if adequate, may be used as return for the DH75 / DH100. DO NOT draw air directly from the kitchen, laundry, bathroom, or isolated basement. Air may be drawn from a basement that is open to the home All flexible ducting connected to the DH75 / DH100 should be approved by local codes and in most cases insulated.
- Return air ducts should be designed to allow unimpeded air flow to the return side of the system. For returns less than 10’ in length, an 8” round or equal may be utilized. Multiple returns are acceptable.
- The supply air outlet and the return air inlet are located on each end of the DH75 / DH100. A length of acoustical flex ducting on the outlet of the DH75 / DH100 will reduce air noise. A length of flexible ducting on all DH75 / DH100duct connections is recommended to reduce noise and vibration transmitted to rigid duct work in the structure.
- Ducting the DH75 / DH100 as mentioned in the “Ducting” sections requires consideration of the following points:
- Duct Sizing: For total duct lengths up to 10’, use a minimum 8”diameter (DH75) and 10″ (DH100) round or equivalent rectangular. For longer lengths, up to 25’, use a minimum 10” diameter or equivalent duct size. Grills or diffusers utilized must not excessively restrict airflow.
- Isolated Areas: Effective dehumidification may require that ducting be branched to isolated, stagnant areas. Use 8” or larger diameter branch ducting to each of two or three areas, use 6” or larger to each of four or more areas.
- Connecting to Existing HVAC Systems: For proper operation, connecting to existing air handler and duct systems requires the fans of each system to be interlocked using the low voltage interlock method provided in the DH75 / DH100 low voltage connection diagram. Refer to low voltage connection diagram in this document and on the unit.
C. Installation in Basement or Crawl Space with Existing Forced-Air HVAC System (WH)
If the structure in which the DH75 / DH100 system is to be installed has an existing forced-air HVAC system, and this system serves the areas that are desired to be controlled, use the HVAC system to make the DH75 / DH100 installation easier and provide better whole house type system performance.
Basement or Crawl Space Installation: Install a separate 8” return for the DH75 or 10″ for the DH100 in a central area of the structure, or if the return ducting is adequate, tap into the existing return duct system near the return air grill. Duct the supply of the DH75 / DH100 system to the return ducting of the existing HVAC system. The fan interlock provision must be utilized for proper system performance.
D. Installation in Attic with an Existing Forced-Air HVAC System (WH)
IMPORTANT: A secondary drain pan MUST be installed with a drain or float interrupt for condensation under the DH75 / DH100 in an attic to prevent condensate overflow that may drip down, damaging the ceiling or living space below.
Install a separate 8” return for the DH75 or 10″ for the DH100 in a central area of the structure or if the return ducting is adequate tap into the existing return duct system near the return air grill. Duct the supply of the DH75 / DH100 System to the return ducting of the existing HVAC system. The fan interlock provision must be utilized for proper system performance.
E. Installation in Structure with Two Forced-Air HVAC Systems (WH)
Attach the DH75 / DH100 return to an independent return from the upper level. Attach the DH75 / DH100 supply to the return of the basement HVAC system. This will promote circulation of air through the whole structure from the upper level to the lower level through the DH75 / DH100. If the DH75 / DH100 is not connected to both HVAC systems, it may not control the humidity of the entire structure. The fan interlock provision should be connected to the lower ducted HVAC system and must be utilized for proper system performance.
- WH = Whole House Dehumidification
- SP = Spot Dehumidification
F. Installation in Structure with No Existing Forced-Air HVAC System (WH)
When installing the dehumidifier in a structure that does not have a forced-air HVAC system, a single return for the dehumidifier should be installed in central open area of the structure. DO NOT locate the return in a bathroom or a kitchen. The supply of the dehumidifier should be located in the remote areas of the structure (such as bedrooms, den, etc.). By ducting this way, the air inside the structure will circulate through the dehumidifier to be filtered and dehumidified. 5” diameter duct is recommended for branches to the bedrooms, 6” diameter duct is recommended for branches to larger areas.
G. Installation in Sealed Crawl Space or Sealed Attic (SP)
When installing the dehumidifier in sealed crawl space or sealed attic, a single return for the dehumidifier should be installed in central open area of the structure. If the area is open without partitions return ducting is not necessary. Supply ducting is recommended to enhance the performance of the system. A minimum length of supply duct, 3’ to 6’, will aid in air distribution. If the area(s) being served are divided by walls or partitions, a supply and return duct system is recommended. In all cases sound duct design practices must be followed such as those provided in ACCA manual “D”, or ASHRAE’s “Fundamentals of Air System Design”.
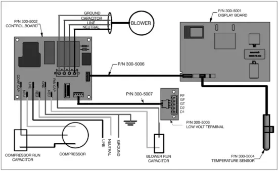
Wiring Unit Schematic

- WH = Whole House Dehumidification
- SP = Spot Dehumidification
- Low-voltage adapter is included with your unit for installation of a remote dehumidistat.
Field Connections, D1 / D2 Logic
If you have installed a remote control (dehumidistat) for the unit, you will need to select “Yes” on the unit’s touch-screen control under “Settings D1 / D2 logic, remote”. If a float switch or other leak detector is installed, you will need to select D1 / D2 Logic Float NO (normally open) or Float NC (normally closed).
Typical Equipment Layout Specification & Duct Connection Diagram

Wi-Fi Operation
The DH75 / DH100 is designed to deliver dehumidified filtered air to a living space. It is equipped with an onboard touch-screen control with Wi-Fi capability, allowing you to check the status of your unit and adjust settings from almost anywhere. See the owner’s manual for instructions on how to download and use the GeneralAire® Wi-Fi APP.
Research shows that a relative humidity level of 40% to 60% is ideal indoors; however, other factors may dictate a relative humidity level different than the recommended (examples: the presence of musical instruments, antiques or artwork; remodeling projects; extensive woodwork; personal preference). Winter minimum humidity levels of 30-35% may not be attainable without supplemental humidification (humidifier), and may not be desired during times of low outdoor temperatures.
System Variations:
The system may be installed as a free standing unit, or incorporated with a home’s heating / cooling / HVAC system.
Unit Humidity Control – Standard
Change the humidity set point on the DH75 / DH100 on the unit’s touch screen or using the mobile APP on your smart device. See the owner’s manual for further instruction.
Typical System Operation Sequence
When the relative humidity exceeds the dehumidistat set point, the dehumidistat will energize the dehumidification and air circulation components of the DH75 / DH100 (note the time delay on some electronic dehumidistats). If the DH75 / DH100 system is connected and interlocked with an existing heating/air conditioning system, the system circulation fan will also be energized. The DH75 / DH100 will continue to operate until the humidity level is reduced to the set point selected on the dehumidistat and then will cycle off. During this cycle, the air circulated through the DH75 / DH100 system will be filtered and dehumidified.
Coil Freeze Protection (Auto Defrost)
The dehumidification coil (evaporator) is equipped with a low temperature freeze thermostat. If the coil temperature is reduced to the point of ice buildup, the thermostat will open the compressor control circuit while allowing the fan to continuing running. Once the coil has returned to normal conditions, the control will close and allow the compressor to re-start. The prevailing conditions of the return air (temperature and humidity) will determine the length of this cycle.
Compressor Protection
The dehumidifier control module is equipped with a delay timer function to prevent compressor short cycling and enhance product performance. The control module delay timer (approximately 5 minutes) allows for adequate off time to ensure the pressures equalize before the next start.
Maintenance
High Efficiency Air Filter – Replace Every 6 Months
The DH75 / DH100 includes a MERV 11 pleated filter that captures as much as 80% of particles 1.0 to 3.0 microns in size. The filter’s function is to keep your dehumidifier running clean and efficient (whether incorporated into your HVAC system or installed as a stand alone unit). The MERV 11 air filter is NOT designed to replace your current whole house air cleaner/filter installed within your HVAC system.
Operating the unit with a dirty filter will reduce dehumidifier capacity and efficiency, may cause the compressor to cycle off and on unnecessarily, and may clog the heat exchange coils. Under normal operating conditions, the filter will last approximately 3 to 6 months. However, in high particulate concentrations more frequent replacements may be required.
It is recommended that the filter be inspected regularly for the first three to four months to determine the loading and correct replacement intervals. The filter should be replaced every 6 months, or as often as required to keep the unit clean and maintain your warranty.
To access the air filter, remove the filter access panel from the front or back side of the unit, marked “Filter Access”. The filter should be readily visible and can be removed by pulling it straight out of the unit. Ensure arrows indicating air flow direction are pointed towards the unit. Replacement filters can be purchased from a local wholesaler or online at www.generalfilters.com.
CAUTION: DO NOT operate the unit without the filter, or with a less effective filter than originally supplied. FAILURE TO MAINTAIN SERVICE AND UTILIZE CLEAN FILTERS WILL VOID WARRANTY.
Replacement Filter for DH75 – GFI #7143
Replacement Filter for DH100 – GFI #7144
Oiling & Lubrication
The fan motor is factory lubricated and sealed, and no further oiling is required. There are no other components requiring the addition of lubricants.
Your New Purchase
Thank you for your purchase of a GeneralAire® DH75 or DH100 dehumidifier. We appreciate your business and are pleased to have you as a GeneralAire® customer. You have taken an important step in improving indoor air quality to ensure you and your family’s comfort and health.
Excess moisture invites the growth of mold and mildew, attracts unwanted pests, and can even affect the structural integrity of your home. Bed sheets and clothing may feel damp. The air may smell musty. By choosing a whole-house dehumidifier, you have protected your entire home from such experiences. In addition, maintenance of a whole-house unit is minimized vs. using a room unit. Moreover, a whole-house unit is less noisy, and does not take up valuable living space.
Established in 1937, General Filters, Inc. manufactures the finest indoor air quality products you can count on to improve the air quality inside your home. Your unit has been tested prior to leaving our facility, to ensure proper performance. Please visit our website for additional company and product information: www.GeneralFilters.com.
IMPORTANT: Your GeneralAire® dehumidifier is warranted for a period of five years from date of installation. To maintain optimal performance throughout the life of your unit, be sure to perform the recommended maintenance.
How Your Dehumidifier Works
Your GeneralAire® dehumidifier controls humidity levels throughout your entire home (when used in wholehouse applications). The unit continually monitors humidity levels in the air and will automatically operate to remove excess moisture when levels are higher than your setting selection. The dehumidifier’s fan draws air into the unit, through the dehumidifier’s filter and across its cooled coils, which captures the air’s moisture. Excess moisture / condensation from the coils falls to the drain pan and out of the unit’s drain port.
Maintenance
IMPORTANT: Turn the power to the unit OFF before performing maintenance. The DH75 and DH100 dehumidifier comes with a MERV 11 pleated filter that protects internal components from particulates and other elements.
IMPORTANT: This filter must be changed at 6-month intervals. If your dehumidifier is installed in a crawlspace, you may need to change the filter more often.
IMPORTANT: DO NOT OPERATE THE DEHUMIDIFIER WITHOUT A FILTER
Connecting Your Dehumidifier to the GeneralAire® Wi-Fi APP
(Optional: not required to run the unit)
- First, turn your smart phone to airplane mode. Then, only turn on Wi-Fi and connect to your Wi-Fi network (you will need your Wi-Fi network name and password). Your selected network must be 2.4 GHz Wi-Fi band. Once your smart phone is connected to the internet, download the “GeneralAire® Wi-Fi APP” found in your smart device’s APP Store or Google Play.
- Next, turn on your dehumidifier. After the unit has finished “sampling the air”, select “Settings”. In Settings, select your Wi-Fi network (the DH75 & DH100 are NOT compatible with 5.0 GHz Wi-Fi band). Enter your Wi-Fi network password.

- On your smart phone, start the GeneralAire® Wi-Fi APP and enter your dehumidifier’s PIN to the login screen. You are now connected and have the ability to control your dehumidifier using your smart phone APP. After entering the 6-digit PIN, you will receive a “connected to (your selected Wi-Fi network)” message.

Note: The “Refresh” button on the unit’s touch screen can be used to generate a new 6-digit pin should you experience Wi-Fi connection issues.
For additional connectivity support, please visit www.generalfilters.com / support / help topics / dehumidifier help topics – Question #22.
Controlling the GeneralAire® Dehumidifier
- Turn your dehumidifier on by simply pressing “ON”. (From either the APP or the unit’s touch screen control.)
- The dehumidifier will take a moment to sample the air for current temperature and humidity measurements. (Shown on both the APP and the unit’s touch screen.)
- After the dehumidifier has finished sampling the air, its screen will display the current status of temperature, humidity and humidity setpoint in the space. (Shown on both the APP and the unit’s touch screen.)

Establishing Initial Settings On Your GeneralAire® Dehumidifier
You are able to customize the dehumidifier settings, to include:
- Desired Humidity Setpoint
- Units (Fahrenheit or Celsius)
- D1 / D2 Logic (On the unit’s touch screen only)
- Humidity Sensor Lockout
- Freezestat Lockout
- Dew Point Lockout Setpoint
- Fan Idle 30 Seconds Every 30 Minutes (Yes/No)
D1D2 Logic – Low Voltage Terminal D1/D2 logic – Remote Dehumidistat Installed, Float Switch NO, Float Switch NC, or None.
If you are using a remote control (dehumidistat) for the unit, you will need to select “Remote” on the unit’s touch-screen control under “Settings > D1 / D2 Logic.” When using a float switch or other leak detector in conjunction with the remote control, you will need to use “Remote” mode with the leak detector contacts wired using the normally closed contacts in series with the remote control signal.
If you are using a float switch or other leak detector, with the unit in standard operation, you will need to select either “Float NO” or “Float NC,” depending on your sensors available connections.
**This is shown only on your dehumidifier’s digital touch screen.
Humidity Sensor Offset
This allows you to change the calibration of the humidity sensor to match another humidity measuring device in the home.
Freezestat Lockout Setpoint
Your control allows you to adjustable the freeze stat temperature cut off (28°-34°F / -2°- +1°C) and turn-on (48°-52°F / 9°-11°C). The adjustability of the freeze stat allows the dehumidifier to run efficiently in low temperature conditions.
Dewpoint Lockout Setpoint – Adjustable from 36-42°F. In addition to the low ambient temperature 50°F (incoming air) on the previous version of firmware, the added low dew point temperature lockout will further ensure the dehumidifier runs more efficiently.
Fan Idle
Fan idle for drain cycle can be turned ON (YES) or OFF (NO).
The drain cycle feature can be turned off to make the dehumidifier run more efficiently at low temperature conditions.
- To change the desired humidity setpoint (Settings, Humidity Setpoint), simply press “Up” (if you prefer air to be less dry) or “Down” (if you prefer the air to be drier). The same screen displays on the unit and on the APP. While 40 to 60% is normally considered ideal and healthy, your comfort is the best indication of how to set your humidity level.

- The control displays the number of hours your filter has been in place. After replacing the filter, press the “Reset Hours” button to set it to Zero (Settings, Filter Hours).
IMPORTANT:- The filter must be replaced every 6 months.
- Do NOT operate the unit without a filter.
- Turn the power OFF before replacing your filter.
- The “Auto” fan mode simply indicates that the fan will run whenever there is a call for dehumidification.
- When “Cycling” is selected, the unit will run the fan at intervals
of 10, 20 and 30 minutes per hour. This keeps air circulating throughout the space when a call for dehumidification is not present.
Humidifier Function Indicators
Remote Indicator
The screen simply indicates that a remote control is connected.
Internet Indicator
“Internet” or “No Internet” is displayed on the upper right corner of the display board to show if the unit is connected to the internet, whether it’s connected to the Wi-Fi network or not.
The internet access status indication will automatically reboot the Wi-Fi module after 30 minutes with no internet connection.
Wi-Fi Connectivity Concerns
- Is there Wi-Fi internet service at the location of the dehumidifier?
- Check the Wi-Fi router firmware
- Is it updated to the latest version?
- Must be 2.4 GHz; NOT 5.0 GHz
- Is there signal strength at the unit (minimum 30%)?
- Is the Display Board operating?
- What version is the display board?
- IOS/Android GeneralAire® Wi-Fi APP
- Version – is it up-to-date?
- Smart Phone
- Age and Operation Version (iOS & Android) – is it up-to-date?
- Misc. User Error / Issues
- Is there something unusual about the installation location?
- Environmental Issues
- Weather, power outage, etc.
- For additional assistance, call General Filters Tech Support Team (248) 476-5100 or visit www.GeneralFilters.com – Support – Help Topics – Dehumidifiers for further assistance.


Your dehumidifier’s Wi-Fi is no different than any other device that utilizes Wi-Fi; dependent on a variety of factors to work properly.
If you find the APP not working, your Wi-Fi/Internet Service may be temporarily down, the Server may be down, the Cell / Wi-Fi Provider’s service may be down, or the Router may need rebooting.
Important: Be sure the 2.4 GHz Wi-Fi service option is selected when connecting the unit to your service.
Limited Warranty
What is Covered
- Five Years: Your GeneralAire® DH75 and DH100 parts are warranted by General Filters, Inc. (“Company”) for a period of five (5) years from the date of the original installation, when installed by a qualified contractor only (“Limited Warranty Period”).
- This Limited Warranty runs to the original purchaser of the Product(s) who owns, and occupies, the property for which it is installed and maintained.
- The Limited Warranty coverage begins upon the date the Product(s) is installed.
- This Limited Warranty is valid only for the original customer purchasing from Company, and is not transferable.
What is Not Covered
- The following components are not covered by this warranty: cabinets, cabinet pieces, air filters, driers, refrigerant, refrigerant line sets, wiring, fuses, and unit accessories.
- Installation by anyone other than a qualified contractor voids the warranty.
- Failure to install the DH75 or DH100, in accordance with these instructions, local codes, or ordinances voids the warranty.
- Modifications, changes or alterations to equipment.
- Failure to perform regular maintenance as described in this document voids the warranty.
- This Limited Warranty is valid only for the original customer purchasing from Company, and is not transferable.
- Damage caused by misuse, neglect, fire, wind, mold, damage in transit, or other casualty, contact with corrosive materials (chlorine, fluorine, salt, urine, fertilizers, recycled waste water, or other damaging substances), damage caused during installation, or any cause beyond General Filters, Inc. control is not covered under this Limited Warranty.
- Labor involved in diagnostic calls or in removing, repairing, servicing or replacing parts is not covered under this Limited Warranty.
- Shipping to our facility for return, repair or diagnostics.
- Use of contaminated or alternate refrigerant.
- Agreements made by third parties that are not listed in this Limited Warranty.
- Liability for special, incidental, direct, indirect, collateral and consequential damages is excluded. Some states do not allow limitation of incidental damages, so the limitations or exclusions may not apply to you. General Filters, Inc. will not pay electricity or fuel costs, or increases in electricity or fuel costs, for any reason whatsoever, including additional or unusual use of supplemental electric heat. This warranty does not cover lodging expenses or labor charges. General Filters, Inc. shall not be liable for any default or delay in performance under this warranty caused by any contingency beyond its control. This warranty gives you specific legal rights, and you may also have other rights which vary from state to state.
Limitations Of Liability
- General Filters, Inc. makes no express warranties other than the warranty specified above.
- The implied warranties of merchantability and fitness for a particular purpose are limited to the duration listed.
- The manufacturer assumes no liability in connection with the installation or use of the product, except as stated in this Limited Warranty.
- The manufacturer will in no event be liable for incidental or consequential damages.
- This limited warranty gives you specific legal rights, and you may also have other rights which vary from state to state. Some states do not allow either limitations on implied warranties, or exclusions from incidental or consequential damages, so the above exclusion and limitation may not apply to you.
Questions
- Any questions pertaining to this limited warranty should be addressed to the manufacturer. (U.S.A.: The manufacturer has elected not to make available the informal dispute settlement mechanism which is specified in the Magnuson-Moss Warranty Act.)
To Make a Warranty Claim / Obtain Service
- Owner must submit a warranty registration within 30 days after installation of Product(s).
- The Owner must complete our online Return Merchandise Authorization (RMA) Form (www.generalfilters.com/returns), to arrange for applicable Limited Warranty service, within the warranty period. Owner must also provide complete:
- Model number
- Serial number
- Proof of required periodic maintenance
- Installation date and location
- Accurate, detailed description of the problem
- Owner shall be solely responsible for properly packaging the Covered Equipment for freight, and for all risk of loss associated with shipment.
- Owner is responsible for obtaining a licensed contractor to perform any repairs, maintenance or other work on unit.
- If during the Limited Warranty Period, Coverage Equipment fails because of a manufacturing defect, Company will provide a free replacement part to the Owner through a licensed service contractor.
Product Support & Warranty Registration
USA: www.GeneralFilters.com
USA: Toll Free (866) 476-5101
Canada: www.CGFProducts.com
Canada: Toll Free (888) 216-9184
Register your new dehumidifier online. If you do not have on-line access, please mail a postcard with your name, phone number, email address, product purchased, model number, date of purchase, serial number, and contractor contact information to:
USA: General Filters, Inc. 43800 Grand River Ave Novi, MI 48375
Canada: Canadian General Filters LLC 400 Midwest Road Toronto, ON, M1P 3A9 Canada
WARNING: Turn off power before performing maintenance.
CAUTION: Maintenance should be performed only by a qualified contractor.
Please Leave This Manual With The Homeowner
Date of Installation:______________
Installed by:___________________
Installer Phone:_________________
Place Serial Number Sticker Here:


























