INSTALLATION AND OPERATING MANUAL
OPERATION & INSTRUCTION MANUAL
Steam Generators(3kW18kW)

INSTALLERS PLEASE NOTE, THESE INSTRUCTIONS ARE TO BE LEFT WITH
THE CUSTOMER Technical Support: 01524 489939
Warranty Claims Or Delivery Damage: www.Vidalux.co.uk
VIDALUX CLEAR & BRIGHT WATER SOFTENER
Guaranteed to get rid of limescale
Live in a hard water area?? Limescale in the kettle and on bathroom fixtures?? Suffering from unknown adverse health effects from this polluted drinking water??
If you have a generater becomes blocked with limescale and stops working THIS IS NOT COVERED BY THE WARRANTY, as in reality it is not the products fault, it’s the poor quality water it has been subjected to
GOOD NEWS – Designed in partnership with one of the UK’s largest and most trusted water softener manufacturers, this sleek, easy fit model is GUARANTEED to work or your money back!! Remove all the limescale in a 1-4 bedroom home and benefit from the following Better tasting drinking water – Easy to install – Guaranteed to work or your money back No plumbing or chemicals Cost as little as £2.00 a year to run and the improved condition of the water pipes will reduce your heating bills – Made in the U.K – Trialled and tested Over 10 years | Used by professionals

IMPORTANT NOTICE
Before you proceed with fitting your Vida lux Generator please read and understand the following:
By commencing testing and installation of the unit you are agreeing to the Terms and Conditions set out by us: copies of which are available by contacting us by by email or by telephone (details on the cover of this manual). You are required to ensure the purchased product is suitable to the dimensions of the steam room and it’s construction Regarding the design and building materials of the room you should seek the advise of a professional builder – Steam must be prevented from escaping into the wall cavity. Failure to do so will cause water damage
- It is important that you ensure that your purchase has been delivered undamaged. You are required to check the contents and report any damage that you feel needs repairing or replacing within 48hrs of receipt of goods. Items reported damaged after this time WILL be chargeable.
- The product you have purchased is designed for professional fi toting. You are required by law and by our Terms and Conditions to get _II cjcarpgaq it qr_jjcb by a qualified Part electrician. Failure to provide evidence of this will void the relating product warranty and could cause a danger towards life
- We are a supply only company. If you report to us any damage we will send replacements or solutions to remedy the problem described. We endeavor to fully understand the problem first by asking a series of questions and then propose the solution. We may even ask for digital images to be sent via email to assist the process. The warranty is parts only and does NOT include fitting/inconvenience or other related costs.
- You are required to ensure that you correctly water test the item and that the fitter fully tests the unit upon completion and attends to any leaks and faults before he leaves.
- All hoses, such as to the valve assembly, steam outputs and hoses are pre-fitted of transport purposes and need to be properly sealed and tightened before use. During transportation some connections can become dislodged and therefore break any watertight seal, you are required tonsure that your fitter specifically tests for these possible occurrences and seal/fix accordingly.
- Do not book fitted until you have inspected the unit. We cannot be held responsible for delays and costs incurred by having to return to fit parts that need supplying.
- We cannot be held liable for inconvenience caused due to lack of bathing facilities caused by any delay in receiving your product or whilst awaiting parts.
- Regarding our sales and technical support: We know our products and their requirements, but we are not qualified plumbers or electricians and accept no liability for claims suggesting the same. You are advised to check the suitability of the product with a professional body. It is the customer responsibility to ensure the product is fit for purpose.
- A ‘Completion Certificate’ is included at the end of the manual where you should record the details of your installers – you will need this to record your warranty on our website. You MUST register the product warranty within 90 days following delivery
You MUST read all the safety advise within this booklet until you are sure to fully understand each point and the full aspect of the steam unit and sauna use.
Prologue
Thank you for choosing the Vida lux range of luxury steam generators. Taking safety first, our range contains a overheat/ dry-burnout protection system and a security valve to prevent overheating and to ensure the functioning of the steam generator at regular air pressure. Convenient installation, healthy and comfortable, our range is a top-grade sauna system for the modern family home, a hotel, spa, or gym. Sauna use is noted for its noticeable effects on pain relief, weight control, skin beautification, and stress reduction due to increased blood circulation. We’re e sure that you’ll love our sauna range and it will treat you well for year to come. The series includes 9 types of generators with various output power s
Users instructions
The steam units are covered by the warranty for a period as advertised with the item, however we cannot be liable for malfunctioning or damage occurring from failure to follow these instructions herein
Before Install:
1. Please ensure the model, the Voltage and KW output is correct for the room, its cubic space and construction. Please refer to our chart within this manual 2. Make sure all accessories and items are present and counted
CAUTION – WARNING
In concordance to law, all wiring MUST be completed by a licensed electrical ” part P ” certified contractor, not doing so will void the warranty and will present a danger to life
There are no serviceable parts within this steam unit series. Opening the unit MUST be avoided at all cost as the damager of electric shock and serious injury is high
Unit must be located as to allow access for service.
ATTENTION – MUST READ!!!!
You MUST Electrically ground your Vida lux Steam Generator All electrical supplies MUST be disconnected when servicing the generator Hard water and calcium build up will cause damage to the steam generator. Water issues must be dealt with before the water reaches the generator. Water condition issues are not covered by the warranty.
All generators are intended for indoor use only. You MUST insolate any pipes to prevent from freezing and user contact. Generator MUST be accessible for future servicing The generator MUST be fitted completely level You MUST avoid traps or bends in the steam outlet pipe where water could ‘pool’ and cause a blockage. Centering the steam pipe is critical in rooms made of plastic, acrylic, resin, fiberglass or similar materials. Allowing the steam pipes to touch materials not rated for 212 degrees Fahrenheit or higher will result in damage to these materials. Do not install the steam outlet near bench(es) or seating, where steam may spray or where condensation will drip on the user as this will present a scald hazard. The steam pipe entry and any other entry into the steam room must be caulked to avoid damage caused by steam leakage into the wall.
IMPORTANT NOTICE
COMMERCIAL INSTALLATION??
PLEASE NOTE: A “POST WARNING” usage notice MUST be displayed clearly on the door for all users to view to comply with health and safety legislation. Vida luz pass all liability for commercial usage onto the purchasing party.
READ ME FIRST!
All information in these instructions is based on the latest product information available at the time of publication. Sussman-Automatic Corporation reserves the right to make changes at any time without notice.
When installing and using this electrical equipment, basic safety precautions should always be followed, including the following:
IMPORTANT SAFETY INSTRUCTIONS
SAVE THESE INSTRUCTIONS
READ AND FOLLOW ALL INSTRUCTIONS
Do not permit children under the age of 16 to use the steam room.
The wet surfaces of steam enclosures may be slippery. Use care when entering or leaving
The steam head is hot. Do not touch the steam head and avoid the steam directly near the head
Prolonged use of the steam system can raise excessively the internal human body temperature and impair the body’s ability to regulate its internal temperature (hyperthermia). Limit your use of steam to 10-15 minutes until you are certain of your body’s reaction.
Excessive temperatures have a high potential for causing fetal damage during the early months of pregnancy. Pregnancy or possibly pregnant women should consult a physician regarding correct exposure.
Persons that might be considered obese or overweight and persons with a history of heart disease, low or high blood pressure, circulatory system problems, or diabetes should consult a doctor before using a steam room.
Persons using medication should consult a physician before using a steam room since some medication may induce drowsiness while other medications may affect heart rate, blood pressure and circulation.
WARNING
REDUCE THE RISK OF OVERHEATING AND SCALDING
- Exit immediately if uncomfortable. dizzy or sleepy. Staying too long in a heated area a capable of causing overneatrig
- Children infer the age of 16 should not use the steam bath.
- Check with a doctor before using a pregnant diabetic. in most health or under medical care.
- Breathing heated air in conjunction with consumption of alcohol drugs or medication a capable of causing unconsciousness.
- Do not contact steam head or swam at tie steam head.
REDUCE THE RISK OF SLIPPING AND FALL INJURY
Use care Shen entering or rooting the steam room Floor may be slippery. Note: For additional safety considerate Ions see owner’s manual.
HYPERTHERMIA occurs when the internal temperature of the body reaches a level several degrees above the normal body temperature of 98.6° F. The symptoms of hyperthermia include dizziness, lethargy, drowsiness, and fainting. The effects of hyperthermia include:
Failure to perceive heat – Failure to recognize the need to exit the steam bath – Unawareness of impending risk Fetal damage in pregnant women – Physical inability to exit the steambath – Unconsciousness.
WARNING
The use of alcohol, drugs, or medication can greatly increase the risk of hyperthermia. You MUST NOT user a steam room if under heavy influence of either
An example warning card can be seen here. This placard is an essential part of providing a safe environment for steam room users. A placard like this MUST be mounted to the wall of the shower or steam enclosure, at a point visible to all users. Failure to mount this placard may result in serious injury or death.
CHOOSING YOUR MODEL
The guidelines for selecting the steam generator is a recommendation only. Because of variables in construction, these sizing instructions and specifications should be considered as a guidelines only. We are not liable of responsible for claims relating to responsibility for the sizing of a model selected.
Materials of construction, room size and special design features such as large glass areas, all affect the steam generator model selection.
- Measure length, width & height in feet of the steam/shower or tub/shower Multiply the Length ____ x Width____ x Height _____ = ROOM VOLUME
- Construction Materials:
For natural stones: natural marble, stone, shale, glass block or concrete Add 110%
For ceramic or porcelain tile on cement board or mortar bed Add 40%
For steam rooms constructed of acrylic or synthetic materials Add 10% - Ceiling Height: For each foot above 8 feet Add 15%
- Add all figures above to obtain the Total Room Volume required M2 TOTAL ADJUSTED ROOM VOLUME
WARNING
When considering purchasing a steam bath system, please note that if users are pregnant, have a coronary condition, are in poor health, are being treated for any other medical condition, or are using medication or drugs, Vida lux recommends that you obtain the approval of their doctor before use. For information about this product and safety issues, please call us at 0871 526 5926 or log onto www.Vidalux.co.uk
IMPORTANT NOTES:
The total adjusted room volume allows for up to 6 meters of insulated steam line from the generator to the steam room. When locating the steam generator consideration of the control and temperature probe must be taken into account. The maximum length for a control panel cable is 2 meters (extension available). The maximum length of the temperature probe cable is 2 meters. Compare your TOTAL ADJUSTED ROOM VOLUME to the Specification Chart below and select the appropriate model.
Technical parameter
| Power Output | 3kW | 4. 5kW | 6kW | 7. 5kW | 9kW | 10. 5kW | 12kW | 15kW | 18kW |
| Potency Error | ±10% | ±10% | ±10% | ±10% | ±10% | ±10% | ±10% | ±10% | ±10% |
| Duration | >1500V | >1500V | >1500V | >1500V | >1500V | >1500V | >1500V | >1500V | >1500V |
| Resistance | >20M Ω | >20M Ω | >20M Ω | >20M Ω | >20M Ω | >20M Ω | >20M Ω | >20M Ω | >20M Ω |
| Steam Pressure | 0. 12MPa | 0. 12141Pa | 0. 14MPa | 0. 14MPa | 0. 14hiPa | 0. 16VIPa | 0. 16‘,Pa | 0. 16MPa | 0. 16MPa |
| Steam Volume ( ml/min ) | 140 | 160 | 180 | 220 | 260 | 300 | 360 | 450 | 500 |
| Steam Production lime ( S ) | 100-150 | 90-120 | 100-160 | 90-140 | 80-130 | 180-240 | 150-160 | 120-150 | 90-150 |
| Water Tank Volume | 2.5L | 2. 5L | 5. 71. | 5. 7L | 5. 7L | 12L | 12L | 12L | 12L |
| Applicable space of the room (m2) | 2-4.5 | 4~7 | 5~8 | 7~9 | 10~12 | 12~14 | 14~16 | 18~20 | 20~24 |
Important:
The parameters listed in the table above and below will vary from different place due to construction and ambient temperature. Please consulate a qualificatory designer and architect for the more detailed specification of your needs.
Room Specification
| Type | Steamroom Area M2 | Electricity | Max.Elect Ric | Specifications of power wire |
| 3kW | 2-4.5 | 220-240V–(1 PH) | 13.7A | 12# or 2.0mm2 |
| 4.5kW | 4-7 | 220-240V-(1 PH) | 20.5A | 12# or 4.0mm2 |
| 6kW | 5-8 | 220-240V-(1PH/2PH: | 27.3A | 10# or 6.0mm2 |
| 208V- (3PH) | 16.7A | 12# or 4.0mm2 | ||
| 12# or 2.0mm2 | ||||
| 7.5kW | 7-9 | 220-240V–(1PH/2PH: | 34A | 8# or 6.0mm2 |
| 208V- (3PH) | 21A | 10# or 4.0mm2 | ||
| 380-415V- ( 3PH ) | 11.4A | 12# or 2.0mm2 | ||
| 9kW | 10~12 | 220-240V–(1PH/2PH: | 41 A | 8# or 8.0mm2 |
| 208V- (3PH) | 25A | 12# or 4.0mm2 | ||
| 12# or 2.0mm2 | ||||
| 10.5kW | 12~14 | 220-240V–(1PH/2PH: | 48A | 8# or 8.0mml2 |
| 208V- (3PH) | 29A | 8# or 6.0mm2 | ||
| 380-415V- ( 3PH ) | 16A | 12# or 4.0mm2 | ||
| 12kW | 14~16 | 220-240V–(1PH/2PH: | 55A | 6# or 10.0mm2 |
| 208V- (3PH) | 33.3A | 8# or 6.0mm2 | ||
| 380-415V– ( 3PH ) | 18.2A | 12# or 4.0mm2 | ||
| 15kW | 18~20 | 208V- ( 3PH) | 42A | 6# or 8.0mm2 |
| 380-415V– (3PH) | 22.8A | 12# or 4.0mm2 | ||
| 18kW | 20~24 | 208V- (3PH) | 50A | 6# or 10.0mm2 |
| 380-415V- ( 3PH) | 27.3A | 10# or 6.0mm2 |
The data provided is are for 220-240V(1P H/2PH) , 208V(3PH) and 380-415V
Note the 15 and 18KW only function on 3 Phase supply
Single Phase 220/240v
3 Phase 380v
Connect 3 x live wires in to (L1) then (L2) and (L3). Connect the 1 neutral Cable in to position (N) & finally 1 x Earth Cable to the earth screw on the plate.
Single Phase 220/240v
Connect 1 x live wire in to (L1) then bridge (L1+L2) and (L2 + L3) as show in the picture above. Connect the 1 neutral Cable in to position (N) & finally 1 x Earth Cable to the earth screw on the plate.
Within eyeshot of the steam room, you should install an independent circuit breaker – You MUST consult aan electrician before fitting or purchasing !
Important: The calculation formula for selecting the size of steam engine is for reference only. Due to the variability of the building, the specifications and size illustrations here are to be used as guidelines only. Vidalux cannot be responsible for claims raised from a failure to pay due diligence and seek professional guideance to the correct size steam system.
Steam Room Design Basics (For Reference Only)
- Steam room must be completely enclosed, with full, complete walls, door, floor and ceiling.
- It is recommended that a gasketed door that is vapor proof and is used for steam containment.
- If tile-type or other smooth surfaced flooring is used provide suitable anti-skid strips or equivalent, to prevent a slipping hazard.
- Check the suitability of any materials with the manufacturer. Walls and ceilings must be constructed of water-resistant, non-corrosive surface, such as tile, marble, molded acrylic, or other non-porous material.
Tip: Ask your local supplier for proper vapor barrier to install before tiling over walls, ceiling and floor. It is recommended to use a single, large sheet that will cover ceiling and walls with 1 piece (less seams is better). - The ceiling should be sloped to prevent dripping of condensate. The ideal ceiling height is 7′ as this will help prevent temperature variations in the room. We recommend going no higher than 8′. If the ceiling has to be higher than 8′ you may not get a good ‘temperature spread’ for a single steam generator or a much higher rated generator would need to be purchased
- Provide a floor drain in the center of the room.
- No heating, venting or air conditioning devices should be installed inside the steam room.
- Windows that are part of the steam room should be double paned and tempered safety glass.
- Do not install the steam outlet near bench(es) or seating, where steam may spray or where condensation will drip on the user as this will present a scald hazard.
- The steam pipe entry and any other entry into the steam room must be caulked to avoid damage caused by steam leakage into the wall.
- Length for control panel cable is 2 meters (extensions available). Length of the temperature probe cable is 1.7 meters.
- You may wish to install an extractor fan inside the steam room to rid any excess(ive) steam
STEAM GENERATOR BASICS:
- You MUST insolate any pipes to provent from freezing and user contact.
- Generator MUST be accessable for future servicing. and MUST NOT be installed inside the steam room itself. Common locations include, a bespoke cabinet outside the room, a nearby closet, basement or attic.
- The generator MUST be fitted completely level
- You MUST avoid traps or bends in the steam outlet pipe where water could ‘pool’ and cause a blockage.
- Centering the steam pipe is critical in rooms made of plastic, acrylic, resin, fiberglass or similar materials.
- Allowing the steam pipes to touch materials not rated for 212 degrees Fahrenheit or higher will result in damage to these materials.
- Steam generator system will need to easily be accessible for occasional maintenance and should not be exposed to freezing temperatures.
- You MUST allow at least 20cm space, minimum on both sides and the top of the steam generator
WARNING Never use damaged equipment, doing so may result in an inoperative or hazardous installation. Discontinue use of the steam generator and control if the steam generator or control are damaged or otherwise not functioning properly. Doing so may result in an inoperative or hazardous installation
ELECTRICAL SHOCK HAZARD.
Vidalux steam generators are connected to 240V line voltage and contain live electrical components. All installation and service to be performed only by qualified and licensed electricians and plumbers. Installation or service by unqualified persons or failure to use Vida lux parts may result in property damage or in a hazardous condition. Do Not alter or modify any Vidalux product. Doing so may result in an inoperable or hazardous installation and will void the warranty
CAUTION
If acrylic, fiberglass or other non-heat resistant materials are used as part of the steam room enclosure. Consult with the material manufacture and see pg. 6, “Installing the Steamhead” for additional details.
The following general information should be used in conjunction with con-siltation’s with an architect, designer and contractor in determining factors necessary in providing a suitable and safe steam room.
In occordance to law, all wiring MUST be com pelted by a licensed electrical ” part P ” certified contractor, not doing so will void the warranty and will present a danger to life. There are no serviceable parts within this steam unit series. Opening the unit MUST be avoided at all cost as the damager of electric shock and serious injury is high
Choosing A Location
IMPORTANT NOTE: The control cables should be run in dedicated 1″ conduit to facilitate installation and service Select a location as near as practical to the steam room. Typical locations include: closet, vanity cabinet, heated attic or basement
- The distance to the steam room needs to be less than 6m. The steam line should slope away from the generator to allow condensation to drain or a drain valve should be fitted. Slope steam line 1⁄4″ per foot towards steam head
- The steam generator should not be installed directly inside the steam room
- Not installed outdoor or in any places that will influence the running of the machine by the environment, for example environments that could be considered cold or hot
- Do not install it the generator near a burnable and caustic object or chemicals.
- The generator MUST be set stable and horizontal. The steam generator has a hanging groove to allow it to be wall mounted. The generator can also sit on a solid base.
- You MUST allow at least 20cm space, minimum on both sides and the top of the steam generator
- The steam pipe, safety valve, drain valve, water pipe, steam outlet and otherwise will be extremely hot for some time after the steam generator has been in use. You must take some measures and precautions against this, for example, using a heat insulation tube on the steam outlet pipe, user warning signs and installing in an ‘out of eyesight’ location
Typical Steam Room Installation

Installation Of The Generator
Vidalux steam generators can be wall hung or sit on a secure, flat base. The best locations will satisfy all or most of the following:
- The steam line should slope away from the generator to allow condensation to drain or a drain valve should be fitted. Slope steam line 1/4″ per foot towards steam head
- The steam line should be less than twenty feet long. Ten feet is preferred. Steam lines should be insulated.
- The mounting location should minimize the number of bends and .elbows in the steam pipe. You should have no ‘U’s that will pocket water
- The generator should be installed in a dry, well ventilated area. Suggested locations are under a vanity, in a closet, attic, crawl space or basement.
- The location should provide clearance for service and drainage
- The generator must be mounted in a minimum 7 cubic foot space.
- The generator should not be mounted in an area subject to freezing.
The mounting location should allow for a drainage connection
Wall Mounting:
- Note the location of the mounting holes on the back of the generator. The screws must set directly into studs or equivalent supports.
- Tighten the screws. Replace the front cover. Secure the front cover with six screws.
Very important!
The steam generator MUST be installed to allow air circulant on all 4 sides with a minim gap of 20cm’s on the two main sides and top.
Floor Mounting:
In general the width of the unit allows it to sit on a shelf, across the ceiling joists or on a floor. The generator must be restrained from moving. Normally the piping will provide adequate support. If not, additional support must be provided.
All floor installed generators must have provision for routine draining of the tank. This pipe to the waste and to the steam output should be all on ‘fall’ to allow the water to run towards the drain
IMPORTANT!
Regular maintenance will help your steamer work properly for a long time. Check for leaks, loose or damaged wires, signs of corrosion and calcium build up in the tank. This is particularly important in areas with high calcium levels and other water quality problems. Calcium build can cause poor steamer performance and damage the heating elements!
WARNING
You MUST Electrically ground your Vidalux Steam Generator All electrical supplies MUST be disconnected when servicing the generator
Hard water and calcium build up will cause damage to the steam generator. Water issues must be dealt with before the water reaches the generator. Water condition issues are not covered by the warranty All generators are intended for indoor use only.
You MUST insolate any pipes to prevent from freezing and user contact
Generator MUST be accessible for future servicing The generator MUST be fitted completely level
You MUST avoid traps or bends in the steam outlet pipe where water could ‘pool’ and cause a blockage.
Centering the steam pipe is critical in rooms made of plastic, acrylic, resin, fiberglass or similar materials.
Allowing the steam pipes to touch materials not rated for 212 degrees Fahrenheit or higher will result in damage to these materials. Do not install the steam outlet near bench(es) or seating, where steam may spray or where condensation will drip on the user as this will present a scald hazard. The steam pipe entry and any other entry into the steam room must be caulked to avoid damage caused by steam leakage into the wall.
Installation Of The Generator
WARNINGI
In occordance to law, all wiring MUST be com pleted by a licensed electrical ” part P ” certified contractor, not doing so will void the warranty and will present a danger to life. All plumbing works should be carried out by a professional and conform with local & national codes.
Plumbing
Use unions on all pipe connections. Use only brass piping or rigid copper tubing as permitted Do not use black, galvanized, PVC, or PEX pipe.
Water Supply (15mm pipe)
- Connect to cold water line.
- Provide a shut off valve in the water supply line upstream of the generator.
IMPORTANT The shut off should ideally be located near the generator, however If location is difficult for a user to access, the shut- off should be located where it can be quickly accessed in an emergency. - Flush inlet water line thoroughly before making connection to unit
IMPORTANT
For best performance water pressure should be 15 to 20 psi. Reduce pressure as required. Maximum MUST NOT exceed 60 psi
Materials Required:
- 15mm copper pipe for the water supply to the generator.
- 15mm water supply shut-off valve.
- 22mm x 3/4 or 1/2″ (depending on model) male connector
- 22mm x 3/4 or 1/2″ (depending on model) female connector
- 15mm or 22mm copper pipe (depending on model) for the feed from the steam generator outlet and the steam room.
- Pipe compound.
- MISC. 90 or 45 degree copper bend(s), couplings. dependents on the exact requirements of the room setup and feeds to and from the generator.
WARNING
HARD WATER AREA??
If you live in a hard water area and are subjected to calcium build up, imagine the damage that is going to do to the steam generator! If the product fails due to calcuim build up, thats not the products fault and is not covered by warranty, GET A WATER SOFTENER
Steam Pipe 3kW/4.5kW pipe size 15mm 6kw & above 22mm
- Do not install any valve in steam line. Flow of steam must be unobstructed.
- At the generator: Install the Male connector directly on to the steam tank.
- Slope steam line 1/4″ per foot towards steam head or steam generator on a constant to avoid water pooling
- Insulate steam line with fiberglass pipe insulation or similar insulation rated 212° F or higher.
IMPORTANT NOTES:
Running the steam line down and then up will create a steam trap blocking the flow of steam.
Safety Valve
The safety valve is a piece of safety equipment in order to prevent too much steam pressure in the interior of the unit. The pressure limit range of the safety valve is 15PSI . Where permitted by local codes, provide an outlet plumbing connection for safety valve in the case it ever discharges.
Steam Outlet 3kW/4.5kW pipe size 15mm 6kw & above 22mm
- Install the steam nozzle in the position which will not easily splash or scald the user.
- Locate steam outlet, 6-12 inches above floor, except for: Tub/shower enclosures, install 6 inches above tub top edge. Consult with supplier of acrylic, fiberglass and other nonheat resistant enclosures for recommended Steamhead location. If the steam room adopts materials like acryl or non-heat-resistant sheet, install additional heat insulator.
- Apply silicone to the finished wall side of the steam head insulator and screw on hand tight until it is flush with the wall with the opening pointing down. If a hand tight fit does not align with the opening pointing down, use PTFE tape on the steam line threads to adjust the fit.
IMPORTANT NOTES:
A 40mm hole in the steam room is required to mount the steam outlet inside the steam room. Centre the copper steam pipe in the 40mm hole. Terminate the steam line with a suitable x 3/4″ female connector.
IMPORTANT NOTES:
Check all of the standard fixtures in the steam room. All fixture penetrations must be sealed with 100% silicon caulk to avoid moisture damage within walls.
STEAM OUTLET:

Drain
Provide a drain line connection from steamboat generator drain valve according to National and local Codes. Check local plumbing code for receptor, trap and vent requirements. Do not connect Drain line and Safety Valve line together. Unit drains by gravity. Do NOT connect the drain valve to the steam line.
IMPORTANT NOTES:
As the unit drains via gravity. The drain pie must decline away from the generator into the waste
Temperature Probe Cable length is 1.7m
It is recommended that the sensor be mounted 3/4 the way up in the middle of the room and no further than the length of cable supplied (1.7 meters), Never cut the cable to increase the length as this will damage the operation of the unit and is not covered under your terms of warranty. Never install it directly over the steam dispersion head. String the sensor cable from the sensor location through 10mm holes in the wall studs or ceiling joists to the generator location. Leave 3- 4″ of slack at the sensor location. Note: Do not staple through.
Control Panel Installation Cable length 2m- Extension available
The low voltage control panel can be mounted directly to a finished wall either inside or outside the steam room. locate your desired position, mark and cut out the area ensuring you have a nice smooth finish to house control panel. Finally run a bead of silicone around the perimeter on the back to secure. Once the silicone is cured apply some to the front of the control housing around where it meets the wall and in any areas behind where the cable housing goes through the cavity wall.
IMPORTANT NOTES:
When you connect the male lead from the control panel to the female lead from the electric box , you MUST ensure you align the arrows on the connectors. Failure to do this will result in bending the connector pins and the unit will be non-operational and a new panel will be required. These are not replaced under warranty.
Water Quality Information
For optimum results, the water supply should be tested prior to installation. If the mineral content exceeds the following recommended limits, various external treatment processes are recommended to correct the problem.
NOTE: An analysis of the on-site water must be made by a recognized and reliable water treatment company to ascertain the existing condition and treatment required. Poor water quality can affect efficiency or result in steam generator damage. Water contains impurities in solution and suspension. These impurities concentrate in the generator. The concentration of these impurities increases as more feedwater is introduced into the generator and steam is produced. If the suspended solids are allowed to concentrate beyond certain limits, a deposit or “scale” will form on the generator internal surfaces. This damage to the generator is not covered by the product warranty
RECOMMENDED FEEDWATER QUALITY
Hardness, ppm 8 85 (~0.5 5 gpg)
P-Alkalinity, ppm 85 410 (~5 24 gpg)
T. Alkalinity, ppm 200 500 (~7 0 gpg)
pH (strength of alkalinity) 8.0 11.4
The System automatically drains the generator following each use. A time delay allows the water to cool down before it drains
Blueprint for the steam engine



Attention:
All connections MUST be carried out by an approved part P electrician and a minor works certificate MUST be issued upon completion. This product is NOT designed for a DIY install and improper installation could be fatal. Safety to your health is paramount – Do not risk it
ELECTRICAL INSTALLATION
Please use correct size and type to meet electrical codes. Connect the generator to a dedicated circuit breaker. Insulated copper wire should be used. All electrics and the generator MUST be grounded ELECTRICAL FINISH
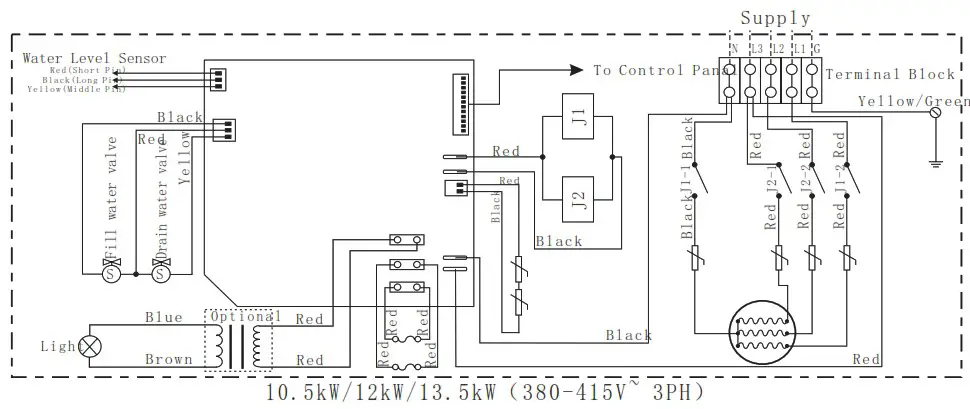
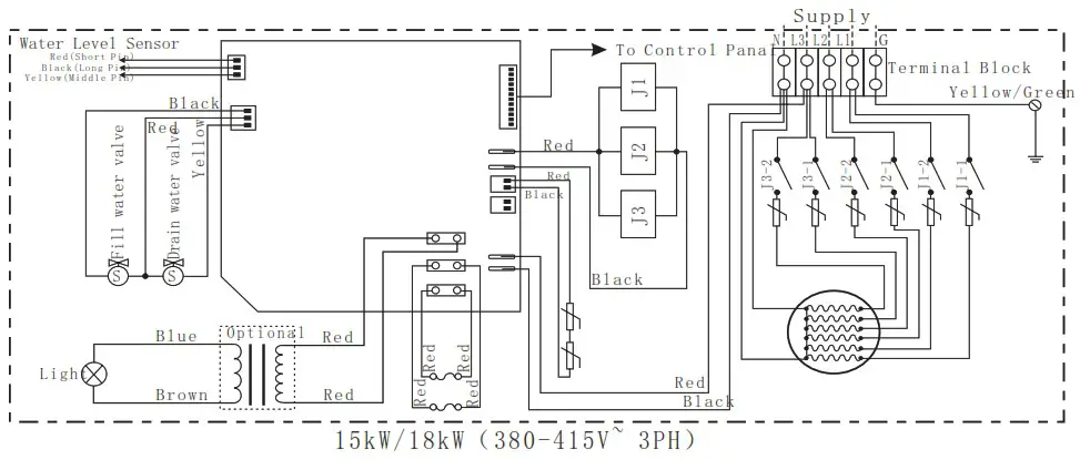
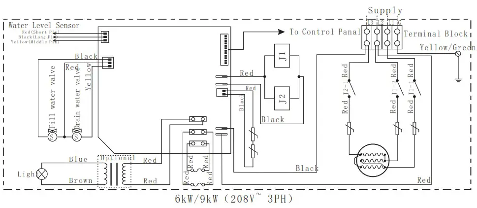
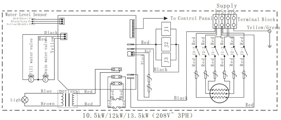
A. Route the supply wire through the hole marked POWER.
B. Connect the supply wires to relevant terminals marked L1, L2 & L3 and N. Please see the following diagrams
C. Connect the ground to the ground screw marked accordingly.
Use minimum 90° C/500V rated insulated copper conductors only, sized in accordance with National Electrical Code and local electrical code for the current in Ampere Chart. If allowed by codes, NM cable may require a larger wire size than as listed on the chart.
WARNING
Provide a power supply disconnect within sight of the steam generator or one that is capable of being locked in the open position as permitted by code.
Assembly graph for power
Warning:
These diagrams are for illustration only – The advise and expertise of a professional electrical contractor will overriding these guidelines on all maters.


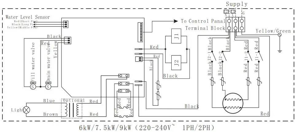
Wiring Diagram
380-415V(3PH)



208V (3PH)



220-240V(1PH/2PH)




Installation of the top light
CAUTION Lighting connection is available in a 12V AC output. Before connection to the light is made, please consult with the manufacturer to know what voltage the light is, so as to avoid generator damage or dangerous installation. If the light output is 12V, the power of the light should not be more than 35W,otherwise, the transformer will be burned out and will cause danger VIDALUX have a range of lighting solutions to pair with the generator range
The light should be installed on the top of the steam room or the places w h e re are no t access to the children.
CAUTION Take the necessary moisture proof measures in the process of the light installation. You need to fully ensure the light area and install will not let any steam/moisture through to the lights electrical components

CAUTION:
The illustration is just for explaination, the practical installation must comply with all relevant governing national and local laws and codes – Please consult a professional
Maintenance of the steam engine
Important:
- Regular checks should be made to ensure the generator and all connections and pipes are fully watertight and are not allowing any unwanted escapes of water or steam
- The unit should be ran at least once a month for 20 mins if not in regular use.
- If the unit is not in use for a long period, you should close off the water valve on the supply pipe to ensure there is no calcium build up during long periods which could cause the inlet valve on the steamer to malfunction.
Initial Start-Up and Checkout
- Ensure power and water supplies are turned on and all pipes and connections are fully tested for leaks
- Turn on control and press the steam button
- Steam will begin to appear in approximately 2-3 minutes at the steam head.
- Once the steam starts let in run for five minutes to ensure it’s working correctly and calling for water.
Now press the steam button to power off the unit. The steam should stop; there shouldn’t be any water flow. - Press the steam button again and almost immediately the unit should power up and produce steam. It should call for water once every two minutes or so depending on its power rating. It’s normal for the flow of steam out the steam head to slow for up to 10 seconds each time the unit calls for water.
- Now allow the steam generator to run for a time. The steam will shut off when desired temperature on the control panel is reached, as censored by the temperature probe. The steam will automatically resume when room temperature drops below set point.
- You should test the timer function. The steam will shut off automatically when control counts down to zero.
THE UNIT IS NOW READY FOR OPERATION.
Important:
If unit does not start and control does not turn ON at any time control display does not light up then turn breaker off for 20 seconds and try again. The unit is designed to shut down automatically after 90 minutes. After this time the steam will stop and there should not be any water flow. The control should also not be lit. This unit is NOT designed to be run for more than 90 minutes without a hours ‘rest’ between use. These units are designed for heavy domestic light commercial use only and the unit not be continually run for long periods of time i.e (8 hours) as the unit MUST have time to cool down.
Common troubles trouble shooting
The machine does not start when powered
Check: 1.The fuse is burned. 2.The wire connection terminal is loose. 3. Not good contact in the controller panel into good contact controller and the steam engine. Solution: 1.Change the fuse (on the shell 0.8A/250V) 2.Plug tight the wire connection terming 3.Make sure the steam engine and the control connection is sound
Electric breaker trips automatically
Check: .The wire connector is not dampened or damaged. Check the correct size breaker is in use for the generator model
When the machine is started, water comes out the outlet with little or no steam
The water inlet selonoid has malfunction and needs replacing
The steam does not come out, the water sounds in the pipe and all sounds normal
Check if there is trapped water in the steam out pipe. Has it pooled? Power off everything and switch off the supply to the unit. Taking all necessary precautions, disconnect the steam pipe at its lowest point and be prepared for water escape
Configuration of steam generator

| 1. Enclosure 2. Insulation bracket 3. Circuit board 4. Steam Outlet 5. Pressure relief valve 6. Water fill valve | 7. Water drain valve 8. Subsidiary water tank 9. Main water tank 10. Heating Element 11. 105ºC Hi-limit 12. Transformer | 13. Terminal block 14. Fuse 15. Earth wire connector 16. Relay 17. Water level sensor 18. 105ºC Hi-limit |
FOR TECHNICAL ASSISTANCE
PLEASE CALL 01524 489939
Completion Form
This form must be filled out by the plumber/installer and electrician (where applicable) in order to validate the warranty. You are required to register the warranty online at www.vidalux.co.uk You MUST register the product warranty within 90 days following delivery
Product Details
PLEASE RETAIN THIS CERTIFICATE FOR FUTURE REFERENCE
Product Details
Model No. ______________________ Date Of Delivery. _____________________
Invoice No. _____________________ Install Date. __________________________
Install Information.
Water Supply Type:
Combo
Pumped
Mega Flow/Pressurized
Gravity Fed
Cold Water Pressure (LPM or BAR) _______________________________________
Hot Water Pressure (LPM or BAR) ________________________________________
PEV or PRV fitted?
PEV
PRV
Details
Details of pressure testing/flow rate equipment used __________________________
Plumbing Installation
Installer Name ______________________ Company _________________________
Address ___________________________ Town/City ________________________
Post Code _________________________ Contact Tel ________________________
Credentials/ Certificates held -Reg number __________________________________
Signature __________________________ Date _____________________________
Electric Installation
Installer Name ______________________ Company _________________________
Address ___________________________ Town/City ________________________
Post Code _________________________ Contact Tel ________________________
Part P Reg No. Signature ______________ Date _____________________________




















