Designers Fountain D263M-3B-MB U Turn 18-Inch 3-Light Matte Black Glam Vanity Light Bar

ASSEMBLY & INSTALLATION INSTRUCTIONS
Please read carefully and save these instructions, as you may need them at a later date.
CAUTION
Turn off the main power at the circuit breaker before installing the fixture, in order to prevent possible shock.
GENERAL
All electrical connections must be in accordance with local and National Electrical Code (N.E.C.) standards. If you are unfamiliar with proper electrical wiring connections obtain the services of a qualified electrician.
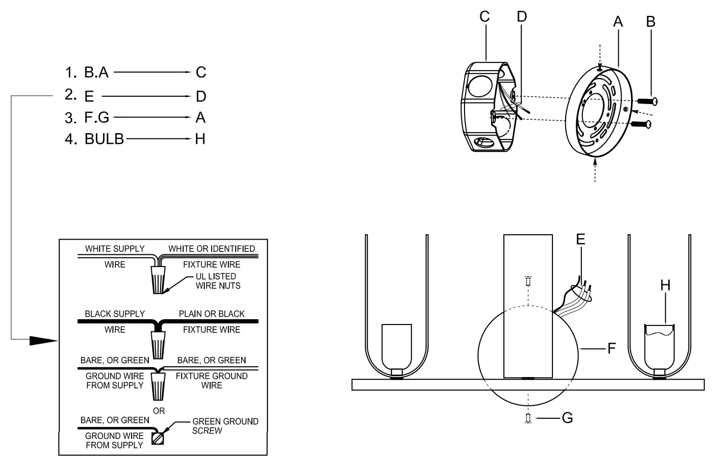
Remove the fixture and the mounting package from the box and make sure that no parts are missing by referencing the illustrations on the installation instructions.
ASSEMBLY STEPS




















