itC SFB240 Power Amplifier User
SAFETY PRECAUTIONS
- Be sure to read the instructions in this section carefully before use.
- Make sure to observe the instructions in this manual as the conventions of safety symbols and messages regarded as very important precautions are included.
- We also recommend you keep this instruction manual handy for future reference.
Safety Symbol and Message Conventions
Safety symbols and messages described below are used in this manual to prevent bodily injury and property damage which could result from mishandling. Before operating your product, read this manual first and understand the safety symbols and messages so you are thoroughly aware of the potential safety
warning:Indicates a potentially hazardous situation which, if mishandled, could result in death or serious personal injury.
caution:Indicates a potentially hazardous situation which, if mishandled, could result in moderate or minor personal injury, and/or property damage.
When Installing the Unit
- Do not expose the unit to rain or an environment where it may be splashed by water or other liquids, as doing so may result in fire or electric shock.
- Use the unit only with the voltage specified on the unit. Using a voltage higher than that which is specified may result in fire or electric shock.
- Do not cut, kink, otherwise damage nor modify the power supply cord. In addition, avoid using the power cord in close proximity to heaters, and never place heavy objects — including the unit itself — on the power cord, as doing so may result in fire or electric shock.
- Be sure to replace the unit’s terminal cover after connection completion. Because high voltage is applied to the speaker terminals, never touch these terminals to avoid electric shock.
- Be sure to ground to the safety ground (earth) terminal to avoid electric shock. Never ground to a gas pipe as a catastrophic disaster may result.
- Avoid installing or mounting the unit in unstable locations, such as on a rickety table or a slanted surface. Doing so may result in the unit falling down, causing personal injury and/or property damage.
When the Unit is in Use
- Should the following irregularity be found during use, immediately switch off the power, disconnect the power supply plug from the AC outlet and contact your nearest ITC dealer. Make no further attempt to operate the unit in this condition as this may cause fire or electric shock.
- If you detect smoke or a strange smell coming from the unit.
- If water or any metallic object gets into the unit If the unit falls, or the unit case breaks
- If the power supply cord is damaged (exposure of the core, disconnection, etc.)
- If it is malfunctioning (no tone sounds.)
- To prevent a fire or electric shock, never open nor remove the unit case as there are high voltage components inside the unit. Refer all servicing to your nearest ITC dealer.
Do not place cups, bowls, or other containers of liquid or metallic objects on top of the unit. If they accidentally spill into the unit, this may cause a fire or electric shock.
Do not insert nor drop metallic objects or flammable materials in the ventilation slots of the unit’s cover, as this may result in fire or electric shock.
When Installing the Unit
- Never plug in nor remove the power supply plug with wet hands, as doing so may cause electric shock.
- When unplugging the power supply cord, be sure to grasp the power supply plug; never pull on the cord itself. Operating the unit with a damaged power supply cord may cause a fire or electric shock.
- When moving the unit, be sure to remove its power supply cord from the wall outlet. Moving the unit with the power cord connected to the outlet may cause damage to the power cord, resulting in fire or electric shock. When removing the power cord, be sure to hold its plug to pull.
- Do not block the ventilation slots in the unit’s cover. Doing so may cause heat to build up inside the unit and result in fire.
- Avoid installing the unit in humid or dusty locations, in locations exposed to the direct sunlight, near the heaters, or in locations generating sooty smoke or steam as doing otherwise may result in fire or electric shock.
When the Unit is in Use
- Do not place heavy objects on the unit as this may cause it to fall or break which may result in personal injury and/or property damage. In addition, the object itself may fall off and cause injury and/or damage.
- Make sure that the volume control is set to minimum position before power is switched on. Loud noise produced at high volume when power is switched on can impair hearing.
- Do not operate the unit for an extended period of time with the sound distorting. This is an indication of a malfunction, which in turn can cause heat to generate and result in a fire.
- Contact your ITC dealer as to the cleaning. If dust is allowed to accumulate in the unit over a long period of time, a fire or damage to the unit may result.
- If dust accumulates on the power supply plug or in the wall AC outlet, a fire may result. Clean it periodically. In addition, insert the plug in the wall outlet securely.
- Switch off the power, and unplug the power supply plug from the AC outlet for safety purposes when cleaning or leaving the unit unused for 10 days or more. Doing otherwise may cause a fire or electric shock.
An all-pole mains switch with a contact separation of at least 3 mm in each pole shall be incorporated in the electrical installation of the building. Due to product upgrades, while some of the features and specification in the user manual does not match the actual functions, sorry for any inconvenience and thanks for your kind understanding!
GENERAL DESCRIPTION
This is a mini desktop constant pressure amplifier, with a beautiful appearance, lightweight, easy to carry, and it can be used for background music and radio in family, leisure cafes, classrooms, and other small indoor venues.
FEATURES
- With desktop design, beautiful appearance, lightweight, and easy to carry.
- It can be used for different sound effects places. This series includes 120W and 240W.
- Super sound quality and high definition, switching options can be connected to 70V or 100V output, and to provide beautiful sound for long-distance broadcasts.
- The output terminal uses standard 6.3 audio microphone jack and line input use RCA jack, to provide users with different audio input interface options.
- 1 channel microphone input with independent volume control.
- 2 channel line inputs with independent volume control. And also with EMC input.
- With function of auto play MP3 and power off memory.
- With priority function, when MIC 1 input, the other audio signal can be disconnected.
- With power indicator, the machine has a signal indicator, overload, protection indicator, and 70V, 100V output switch indicator.
- With function of short circuit, overload and over-temperature protection.
- With function of MP3 module, can read MP3 files in USB flash disk, TF card, and support for Bluetooth of mobile phones and FM radio.
NOMENCLATURE AND FUNCTIONS
FRONT PANEL
- Recording function button
- MP3 loop playback function button
- MIC1 input
- Play/Pause
- Next song/Volume reduce
- USB interface
- BASS adjustment potentiometer
- TREBLE adjustment potentiometer
- Master volume control
- The Power switch
- Power indicator light
- PROT/100V/70V/OL/CLIP/SIG status indicators
- AUX2 volume control knob
- AUX1 volume control knob
- MIC1 volume control knob
- TF card slot
- Previous song/Volume up
- LCD display
- Mode function button
- Infrared receiving window
Remote control
- 1. Power switch
- Mode
- Previous/next
- Volume increase/decrease
- 0~9 number button
- Play/pause
- Sound effect control
- Mute
- Cycle play button
- Pause
Normal usage distance of remote control: Remote control distance: 8 meter, angle: level ±35, vertical±15.
Remote control usage attention:
- 1. When installing the battery, please mind the electrode.
- Please let remote control aim right with a window of host machine.
- When found remote distance get short and insensitive, please change battery.
- Please take out battery when don’t use it for a long time.
- Take it easy in case of falling.
REAR PANEL
- AC power input socket
- Cooling fan
- 100V / 70V speaker output switch
- MUTE mute control
- FM radio antenna interface
- AUX1 input interface, used to connect AUX output interface
- AUX2 input interface
- Line output interface, used to connect the line input interface
- EMC input interface
- 100V/70V output interface
OPERATION ILLUSTRATION
Connect the speakers:
- When the 100V and 70V selector switch to70V position, as shown below:
- When the 100V and 70V selector switch to100V position, as shown below:
Connect external devices:
- Please ensure that the equipment and all equipment will be connected are powered off.
- Using the corresponding cable to connect this equipment and other external equipment.
Connect external devices:
- Please ensure that the equipment and all equipment will be connected are powered off.
- Using the corresponding cable to connect this equipment and other external equipment.
Connect the power line and turn it on:
Microphone using
- Turning the volume knob to the left,Connect the microphone and microphone input interface.
- Turning the volume knob in the right position.
- Facing the microphone and Speak loudly, turn the volume knob to the right, until the output signal no longer distortion.If input is high but output is low voice, and then increase the volume by using the volume knob.If the speaker volume is very high, then reduce the volume by using the volume knob.
Shutdown the system:
- Turning the volume knob to the left until the minimum position.
Turning off the panel power switch of the professional power amplifier, at 0ff.In turn shutoff processor equipment and audio source equipment.
Built-in MP3 player operation method:

USB function
Press the MODE button to select the USB mode, copy the MP3 file in the U disk (below 32G), and it supports MP3 / WAV / WMA / AEC / FLAC format.
TF card function
Insert a TF card (below 32G) to copy the MP3 file, and it supports MP3 / WAV / WMA / AEC / FLAC format.
FM (Radio reception) function
Press the MODE button to select the FM mode, and then long press the PLAY / PAUSE button to automatically receive the radio station. The radio stations received (depending on the sound received) depends on the venue.
Bluetooth function
Press the MODE button to select the Bluetooth mode, turn on the mobile phone Bluetooth for connecting, it can play normally when the mobile phone is 10 meters barrier-free away. Bluetooth default name is “BP10_BT”.
MP3 song loop playback
In USB or TF card mode, play a song at will, press the mode button to switch between REPeat One / REPeat ALL / Random / REpeat Floder.
Functional memory function
You can turn it off by the remote controller or long pressing the MODE button. After it is turned on, it can remember the function mode selected before. If you unplug the power cable and turn it on again, the default is Bluetooth function mode.
Recording function
In the PLAYING mode, press the lower left Recording button to record and store in the USB flash drive. It shows the current specific number of recordings and recording time. If you want to end the recording, you can long press the Recording button to complete recording and play the current recording file. In USB playback mode, long press Recording button to switch between USB songs and recorded files for playback.
Volume +/-
Long press the Previous Song button to increase the volume quickly, and long press the Next Song button to decrease the volume quickly.
TROUBLESHOOTING
| Failure phenomena | Failure cause |
| 1. Power switch is not opened | 1. Power line is cut off 2. The protection function of the equipment is not activated |
|
2. All lines are connected, but there is no sound. | 1. The power switch is not opened or the power plug is bad contacted. 2. The fuse is burnt 3. The volume knob is not opened or turned down to a extra low level 4. There is no audio signal input 5. There is short-circuit in the speaker line. |
| 3. The sound suddenly disappears in normal status. | 1. The equipment is in very high temperature to make it into protection status. 2. The connection wire is bad contact. |
| 4. Low sound | The equipment is set to be low impedance connection, but the speakers connected is with high impedance. |
| 5. Sound is distorted | The input level of Mic or external equipment is too high |
APPLICATIONS
REAR PANEL CONNECTIONS
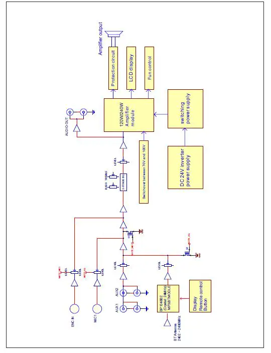
BLOCK DIAGRAM
SPECIFICATIONS
| Model | SFB120 | SFB240 |
| Rated Power Output | 120W | 240W |
| T.H.D | Rated power output, distortion ≤ 1% |
| Priority function | MIC 1 has the priority than other input |
|
Input power | ~110V 50Hz ~110V 60Hz ~120V 50Hz ~120V 60Hz ~220V 50Hz ~220V 60Hz ~230V 50Hz ~230V 60Hz ~240V 50Hz ~240V 60Hz | |
| Power Consumption | 180W | 320W |
| Dimension | 300×88×280mm | |
| Weight | 3.9Kg | 4.1Kg |
PUBLIC ADDRESS SYSTEM
FCC Statement
This equipment has been tested and found to comply with the limits for a Class B digital device, pursuant to part 15 of the FCC Rules. These limits are designed to provide reasonable protection against harmful interference in a residential installation. This equipment generates, uses and can radiate radio frequency energy and, if not installed and used in accordance with the instructions, may cause harmful interference to radio communications. However, there is no guarantee that interference will not occur in a particular installation. If this equipment does cause harmful interference to radio or television reception, which can be determined by turning the equipment off and on, the user is encouraged to try to correct the interference by one or more of the following measures:
- Reorient or relocate the receiving antenna.
- Increase the separation between the equipment and receiver.
- Connect the equipment into an outlet on a circuit different from that to which the receiver is connected.
- Consult the dealer or an experienced radio/TV technician for help. Caution: Any changes or modifications to this device not explicitly approved by the manufacturer could void your authority to operate this equipment.
This device complies with part 15 of the FCC Rules. Operation is subject to the following two conditions: (1) This device may not cause harmful interference, and (2) this device must accept any interference received, including interference that may cause undesired operation.




















