Pathway PWINF DIN NFP Network Fade Processor
OVERVIEW
The Network Fade Processor (PWINF DIN NFP) is a DIN-rail mounted interface that serves as an DMX/Network DMX fade processor.
The Network Fade Processor receives ASCII text based com-mands and process those commands to fade DMX channels over specified times. The NFP accepts plainly readable com-mands made up of 8-Bit ASCII characters over a standard UDP transport.
The NFP calculates and processes fades independently, re-ducing computation load on controllers, or enabling fade initiation by PLC’s or other non-real-time control devices.
Regardless of the number of fades running on the unit, DMX and Network DMX refresh rates are maintained.
CONNECTIONS
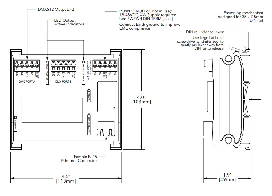
The PWINF DIN NFP features terminal strips that can be removed from the card to facilitate easy wiring installation or replacement. Make the following connections, WITH THE POWER TURNED OFF.
POWER
The PWINF DIN NFP is designed to run on either Power-over-Ether-net (PoE), or on an auxiliary power supply providing between 18 and 48 volts DC. The device is Class 1 PoE and will draw up to 4 Watts.
If an auxiliary supply is used, observe the correct polarity when con-necting V+ and V-. A second set of terminals are provided so power may be daisy-chained to other cards. The earth ground terminal must be connected to the enclosure’s chassis or electrical ground terminal to improve EMC compliance.
DMX512
DMX connections consist of a shield and data pair. Connect DATA+ and DATA- to D1+ and D1-. Observe the same polarity convention throughout the system. Connect the cable shield or common to the SHLD COM terminal.
NETWORK
All network wiring should follow standard Ethernet rules and be in-stalled by a qualified person. As part of the installation, all wiring should be certified under the TIA/EIA-568 standard.
STATUS INDICATORS
- POWER: Blue. Steady glow indicates power supply is OK. Off indicates no power.
- IDENTIFY: Blue. Blinks when identify is active.
- DMX OUTPUT A/B: Green. Steady glow indicates port is transmit-ting DMX. Blinking indicates no DMX output. Off indicates Port is Disabled.
- NETWORK LINK/ACT: Green. Flickering glow means active Ethernet network link. Off indicates no network link.

INSTALLATION
- Disconnect all power before proceeding with installation.
- Securely mount DIN rail (if not already installed in an enclosure). To mount the device, hook the upper slots on the back of the plastic extrusion to the DIN rail and then gently but firmly press on the bottom front corners of the extrusion to snap the module onto the rail. DO NOT press directly on the PCB card itself.
- If the NFP is using an auxiliary power supply, connect the power IN terminal block, after checking that polarity is being observed. The earth ground terminal must be connected to the enclosure’s chassis or electrical ground terminal to ensure EMC compliance. Restore power and the card will boot up.
- Attach the network cable to the RJ45 connector. Because good wiring practice requires building wire to terminate with a female connector, typically a short (12”/30cm) male-to-male jumper is used. If PoE is being used, the card will boot up. Both auxiliary power and PoE may be connected simultaneously without damaging the device.
- The system is now ready for testing.
- To remove the NFP from the DIN rail, use a flathead screwdriver to gently pry the hooked foot on the end caps of the device away from the DIN rail. The corner of the device should life free; repeat at the other side and unhook the device from the rail.
DEFAULT SETTINGS
The PWINF DIN NFP ships as a DMX output gateway with E1.31 sACN selected as the transmit network protocol.
Port A is patched to Universe 1 and Port B is patched to Universe 2.
FURTHER CONFIGURATION
Parameters may be customized for the PWINF DIN NFP, including: output universe, transmit network protocol and DMX speed. Network properties such as IP address and subnet mask are also customiz-able by the user.
Detailed gateway configuration and overall network system man-agement are done using Pathscape software, which is available for download from www.PathwayConnect.com
Please refer to the Pathscape manual for information on configuring these additional properties.
MODE OF OPERATION
- The NFP processes a proprietary command syntax (specified below) and initiates timed fades directly on DMX channels (and in turn Network DMX channels)
- Commands are sent to the NFP in standard UDP datagrams (packets)
- Packets containing commands are sent to the NFP on UDP port 3793
- The NFP will accept a packet containing up to 1400 characters of command data
- Packets can contain multiple commands
- If multiple commands in a single packet specify the same channel or channels, only the last command received for that channel will be executed
- Wait times between commands are not possible
COMMAND SYNTAX
Commands consist of (in order:)
- a Port Letter,
- a Channel Specification,
- a Channel Value,
- an optional Time,
- and a Terminator.
The Port Letter can be “A” or “B” – matching the port designator on the unit.
A Channel Specification can be:
- A comma or “+” separated list of channel numbers from 1 to 512:
- Eg: “1,2,3,4,5” – this denotes channels 1 thru 5 inclusive
- Eg: “1+2+3+4+5” – this also denotes channels 1 thru 5 inclusive
- A range specification using “-” as the “Thru” token:
- Eg: “1-5” – This denotes channels 1 thru 5 inclusive
- Multiple comma-separated lists of channel numbers or range specifications separated with “+” or “,”. Comma and plus sign are interchangeable.
- Eg: “1,2,3,4,5,18-30” – This denotes channels 1 thru 5 AND channels 18 thru 30
A Channel Value is:
- The “*” character (asterisk) followed by a decimal number spec-ifying the raw 8-bit DMX value between 0 and 255
- Eg: “*127” – This denotes a value of 127 (or 50%)
A Time is:
- The forward slash (“/”) character, followed by a decimal num-ber specifying the number of milliseconds between 1 and 4.26 million
- Eg: “/5000” – This specifies a time of 5000 milliseconds or 5 seconds.
- NOTE: When a command is issued without a time spec-ification, the channels will SNAP to the specified level in-stantly. The default is 0ms.
A Terminator is: A newline (hex 0x0A) or carriage return (hex 0x0D) or both.
COMMAND EXAMPLES
To test on Linux or MacOS you can type “bash” at a command line and echo directly out a port. For example: bash-3.2$ echo ‘A1-512*127/1000’ > /dev/udp/10.0.81.158/3793
Or put all the commands into a text file and then: cat commands.txt > /dev/udp/10.0.80.148/3793
NOTE: (“<cr>” denotes the non-printable “carriage return” character which can be replaced with any valid Terminator token):
- Eg: Fade channels 1,2, and 3 on Port A to 127 (50%) over 5 seconds::
- A1,2,3*127/5000<cr>
- A1+2+3*127/5000<cr>
- A1-3*127/5000<cr>
- Eg: Fade all channels on Port B to 0 in 0.5 seconds:
B1-512*0/500<cr> - Eg: Fade a channel list on both ports at once:
A20,21,40,41,50,51*127/15000<cr> B100,101,102,103,201,202,203*0/20000<cr>
PORT RELEASE
If necessary, it is also possible to “release” all control on a port. This will stop all DMX and network communication for that port, and will cleanly turn off that port’s DMX port. It will not fade the DMX to zero automatically before turning the port off.
A Port Release command consists of:
- A Port Letter
- The Port Release character (“.”)
- A Terminator
- Eg: to release Port A:
- A.<cr>
ELECTRICAL INFORMATION
- PoE-powered Class 1 device, 4W max power consumption
- Auxiliary input voltage, 18-48V
- 60V protection on each port
- 10Mb TCP/IP connection
PHYISCAL
- 0.4 lbs (0.18 kg)
- 4.5”W x 4”H x 1.85”D (113mm x 103mm x 47mm)
- Operating conditions: 14°F-113°F (-10°C-45°C), 5-95%relative humidity, non-condensing
COMPLIANCE
- IEEE 802.3af Power-over-Ethernet
- ANSI E1.11 DMX512-A R2013
- ANSI E1.31 sACN – Streaming ACN, Art-Net, Strand ShowNet, Pathway ssACN
- Class 2 Low Voltage
- California Title 1.81.26, Security of Connected Devices
© 2022 Acuity Brands, Inc. • One Lithonia Way, Conyers GA 30012 Pathway Connectivity | #103 – 1439 17th Ave SE Calgary, AB Canada T2G 1J9 Phone: + 1 866 617 3074 www.pathwayconnect.com






















