FISHER PAYKEL EB30PSX1 Coffee Maker

INTRODUCTION
| BRAND | VOLTAGE | MODEL | PRODUCT CODE |
| Fisher & Paykel | 120V 60Hz | EB30PSX1 FP US CA | 81928-A |
MODELS
The models covered by this manual are listed on the front cover.
The information detailed in this manual is subject to change without notice. The latest version is indicated by the reprint date and replaces any earlier editions.
KIT PARTS
Where a part number is shown against the descriptions for these kit components, they are also available as separate items. In addition, some parts may be supplied with these kits that are not available as separate items, and are therefore either not listed, or a part number is not shown against the part description in this manual.
PARTS LIST KEY
| NI | As a part reference, indicates the part is not illustrated on the diagram. |
| NOT USED | As a part number, indicates the diagram part reference is not used in this manual. |
| NS | As a part number, indicates the part is not serviceable. |
US CA
Fisher & Paykel Appliances Inc.
5900 Skylab Road
Huntington Beach
CA 92647
toll free: 1.888.9.FNP.USA (1.888.936.7872)
fax: 949.790.8913
email: [email protected]
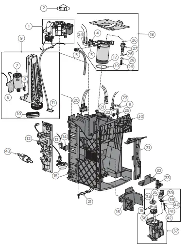
COFFEE MAKER COMPONENTS
| REFERENCE | PART NUMBER | PART DESCRIPTION |
| NI | 792845 | POWER SUPPLY CORD US |
| 1 | 792758 | BOARD LED |
| 2 | 792759 | BOARD BRIDGE |
| 3 | 792760 | GRID |
| 4 | 793505 | FRAME ASSEMBLY US |
| 5 | 792762 | PIPETTE |
| 6 | 793466 | KNOB GRIND REGULATION |
| 7 | 793477 | COVER ASSEMBLY US |
| 8 | 792847 | COVER DUST US |
| 9 | 792768 | COVER |
| 10 | 792769 | VENTILATOR |
| 11 | 792770 | RUNNER RIGHT |
| 12 | 792771 | RUNNER LEFT |
| 13 | 792772 | COVER |
| 14 | 792848 | SWITCH |
| 15 | 792773 | MICROSWITCH |
| 16 | 792787 | PCB ASSY |
| 17 | 792790 | O-RING |
| 18 | 792791 | TUBE LOWER |
| 19 | 793465 | TANK BEANS WITH RUBBER PADS |
| 20 | 570639 | KIT ACCESSORY WINGS PRO COFFEE |
| NI | 793462 | SCRAPER BRUSH WITH BRISTLES |
| NI | 793463 | SUPPORT DOOR BLACK NBI |


| REFERENCE | PART NUMBER | PART DESCRIPTION |
| 1 | 792774 | MEASURING SPOON |
| 2 | 792775 | CARAFE ASSEMBLY |
| 3 | 792776 | CARAFE |
| 4 | 792777 | COVER ASSEMBLY |
| 5 | 793468 | DOOR ASSY |
| 6 | 793506 | PAN ASSY |
| 7 | 792780 | FLOAT |
| 8 | 792781 | GRID RIGHT |
| 9 | 792782 | GRID LEFT |
| 10 | 792783 | CUP PLATE |
| 11 | 792784 | WATER TANK |
| 12 | 793469 | WATER TANK COVER |
| 13 | 792786 | TUBE |
| NI | 82294 | TRIM KIT 30” TK30NDB1 FP US (ACCESSORY ONLY) |
| NI | 592467 | BK UG EB30PSX1 USCA |
| NI | 592410 | BK UG EB30PSX1 FR USCA |
| NI | 592413 | BK INSTALL EB30PSX1 USCA |

| REFERENCE | PART NUMBER | PART DESCRIPTION |
| 1 | 793507 | GRINDER ASSY |
| 2 | 792793 | COVER |
| 3 | 792081 | SPRING COFFEE MAKER |
| 4 | 792080 | SUPPORT COFFEE MAKER |
| 5 | 792794 | TUBE 90° |
| 6 | 792850 | MOTOR BOARD US |
| 7 | 792851 | MOTOR ASSEMBLY US |
| 8 | 792095 | MICROSWITCH COFFEE MAKER |
| 9 | 793478 | TRANSMISSION (CHIAPHUA 120V) |
| 10 | 793470 | TOOTHED BELT |
| 11 | 792096 | BOARD FEELER COFFEE MAKER |
| 12 | 793479 | POWER BOARD (H12 SW 1.2.6 120V) |
| 13 | 792799 | SENSOR REED |
| 14 | 792800 | SUPPORT |
| 15 | 792118 | PRESSURE SWITCH COFFEE MAKER |
| 16 | 792083 | SLIDER COFFEE MAKER |
| 17 | 792092 | FILTER COFFEE MAKER |
| 18 | 792802 | INFUSOR |
| 19 | 793508 | O-RING COFFEE MAKER |
| 20 | 792803 | TERMINAL BOARD |
| 21 | 792117 | MICROSWITCH COFFEE MAKER |
| 22 | 792804 | SPRING |
| 23 | 792805 | SPRING |
| 24 | 792082 | MICROSWITCH |
| 25 | 792806 | CAM |
| 26 | 792087 | O-RING COFFEE MAKER |
| 27 | 792088 | PIN COFFEE MAKER |
| 28 | 792089 | VALVE COFFEE MAKER |
| 29 | 792090 | SPRING COFFEE MAKER |
| 30 | 793509 | FRAME |
| 31 | 792808 | COVER |
| 32 | 792809 | DUCT |

| REFERENCE | PART NUMBER | PART DESCRIPTION |
| 33 | 792142 | HOOK COFFEE MAKER |
| 34 | 792810 | FILTER (TAI-FENG) |
| 35 | 792154 | SCREW COFFEE MAKER |
| 36 | 792158 | PISTON COFFEE MAKER |
| 37 | 792811 | INFUSION KIT |
| 38 | 792153 | LEVER COFFEE MAKER |
| 39 | 792152 | SPRING COFFEE MAKER |
| 40 | 793472 | STOPPER |
| 41 | 792156 | VALVE COFFEE MAKER |
| 42 | 792157 | SPRING COFFEE MAKER |
| 43 | 792801 | FILTER |

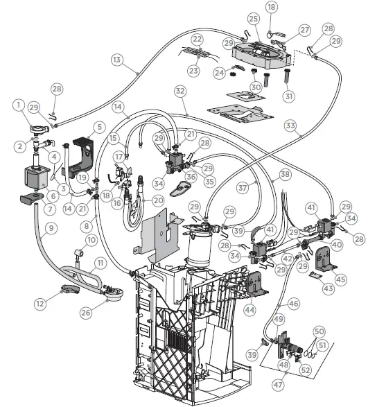
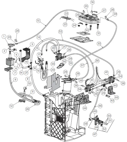
| REFERENCE | PART NUMBER | PART DESCRIPTION |
| 1 | 793473 | FLOW REGULATOR |
| 2 | 792135 | O-RING COFFEE MAKER |
| 3 | 792812 | PROTECTOR |
| 4 | 792102 | VALVE COFFEE MAKER |
| 5 | 792101 | SUPPORT COFFEE MAKER |
| 6 | 792855 | PUMP |
| 7 | 792105 | SUPPORT COFFEE MAKER |
| 8 | 793474 | SILICONE HOSE (DI=5 L-145 |
| 9 | 792814 | TUBE (SIL NAT)DI=4 L=270 |
| 10 | 792815 | CONNECTION |
| 11 | 792816 | TUBE L=350 |
| 12 | 792817 | REINFORCEMENT |
| 13 | 792818 | TUBE PTFE DI2-DE4 L=180 2BUSHES |
| 14 | 792844 | SUPPORT MICROSWITCH |
| 15 | 792419 | HOSE ASSY 135MM |
| 16 | 792115 | THERMAL CUT OUT COFFEE MAKER |
| 17 | 792820 | BRACKET |
| 18 | 792086 | SENSOR NTC COFFEE MAKER |
| 19 | 792821 | CONNECTION |
| 20 | 792856 | HEATING ELEMENT ASSY US |
| 21 | 793510 | CLIP CLAMP COFFEE MAKER |
| 22 | 792857 | WIRING TCO US |
| 23 | 792858 | WIRING TCO US |
| 24 | 792824 | TCO BRACKET |
| 25 | 792859 | GENERATOR US |
| 26 | 792118 | PRESSURE SWITCH COFFEE MAKER |
| 27 | 792826 | BRACKET |
| 28 | 792128 | SPRING COFFEE MAKER |
| 29 | 792100 | O-RING D=3,85 |
| 30 | 792084 | BUSH COFFEE MAKER |
| 31 | 792085 | BUSH COFFEE MAKER |
| 32 | 792132 | TUBE PTFE D12-DE4 L=335 1 BUSH |
| 33 | 792122 | TUBE PTFE DI2-DE4 L=150 2BUSHES |

| REFERENCE | PART NUMBER | PART DESCRIPTION |
| 34 | 792827 | CONNECTION |
| 35 | 792828 | CONNECTION |
| 36 | 792860 | SOLENOID VALVE US |
| 37 | 792830 | TUBE PTFE DI2-DE4 L=270 2BUSHES |
| 38 | 792831 | TUBE PTFE DI2-DE4 L=500 2BUSHES |
| 39 | 792832 | SUPPORT |
| 40 | 792833 | CONNECTION T |
| 41 | 792861 | SOLENOID VALVE US |
| 42 | 792835 | TUBE PTFE DI2-DE4 L=97 2BUSHES |
| 43 | 793475 | HALL SENSOR |
| 44 | 792837 | SUPPORT LEFT |
| 45 | 792861 | SUPPORT RIGHT |
| 46 | 792839 | TUBE PTFE DI2-DE4 L=90 2BUSHES |
| 47 | 792840 | COUPLING CARAFE |
| 48 | 792082 | MICROSWITCH |
| 49 | 792841 | RUBBER PAD |
| 50 | 792842 | O-RING |
| 51 | 792843 | O-RING |
© Fisher & Paykel Appliances Ltd 2022. All rights reserved.
The product specifications in this document apply to the specific products and models described at the date of issue. Under our policy of continuous product improvement, these specifications may change at any time. You should therefore check with your Dealer to ensure this document correctly describes the product currently available.
For current details about model and specification availability in your country, go to our website fisherpaykel.com or contact your local Fisher & Paykel dealer




















