artika 12OUT-DSMB Integrated LED Outdoor Wall Light

INCLUDED HARDWARE
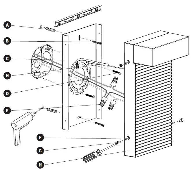
STEP-BY-STEP INSTALLATION
WHAT YOU WILL NEED
CAUTION
If using a dimmer, it must be LED compatible.
IMPORTANT
The installer and/or user must read, understand and follow these instructions before installing the product. This product must be properly installed before it is used. If instructions are not followed, the manufacturer will not be held responsible for any problems or product malfunction. Failure to follow installation and/or operating instructions voids the warranty. We recommend that this product be installed by a certified electrician. In some states or provinces, it is a legal requirement for this type of product to be installed by a certified electrician, according to the electrical and building codes effective in the region where the unit is used.
WARNING:
Risk of electrical shock. Turn off breaker at the panel. Switch off the main electrical supply from the fuse box/circuit breaker before installing the unit or doing any maintenance. indoor/outdoor light.
MOUNTING BRACKET INSTALLATION
CONNECTING THE WIRES AND CANOPY INSTALLATION
FINAL INSTALLATION
TO ALLOW MOISTURE TO DRAIN, DO NOT SEAL THE BOTTOM SIDE OF THE BACKPLATE
WARRANTY
Artika For Living Inc. is proud to offer you a five (5) years limited warranty
on manufacturing defects from the date of purchase for residential use only. The warranty is extended to the original owner in USA, Canada, Mexico, UK, Iceland, France and Spain and is non-transferable. It does not apply to retailers, commercial applications or establishments. The original sales receipt is required for all warranty claims. The remedy under this limited warranty shall be product or part replacement at Artika’s discretion as provided herein and cannot exceed the original purchase price. This warranty is valid only on products installed in accordance with the building code and laws effective in the region where the unit is used as well as in accordance with the provided instruction manual. It does not cover products installed incorrectly or subjected to abnormal use. Product(s) or component part(s) may be required to be returned for inspection and verification. Normal wear and tear, misuse, negligence, vandalism, improper maintenance (surface damage due to chemical interaction or cleaning agents including, but not limited to, scouring pads, use of cleaners containing abrasives, alcohol or other organic solvents) improper handling, accident, abuse, fire, flood, theft, acts of God, neglect, or alteration of the product will not be covered under this limited warranty.
It excludes any accessories that accompany the product including but not limited to bulbs or batteries. The warranty does not cover handling, labor, transportation, or any other cost associated with the installation or replacement of the product. This limited warranty is valid in the country of purchase and by Artika authorized retailers only. Artika for Living Inc. will not be held responsible for any direct or consequential damages or injuries related to the use of this product arising from improper use or installation of this product. Please visit www.artika.com to discover more about Artika for Living Inc.
CANADA (IC)
Operation is subject to the following two conditions:
- this device may not cause interference, and
- this device must accept any interference, including interference that may cause undesired operation of the device.
USA (FCC)
WARNING:
Changes or modifications to this unit not expressly approved by the party responsible for compliance could void the user’s authority to operate the equipment This device complies with Part 15 of the FCC Rules. Operation is subject to the following two conditions:
- This device may not cause harmful interference, and
- this device must accept any interference received,including interference that may cause undesired operation.
NOTE: This equipment has been tested and found to comply with the limits for Class B digital device, pursuant to part 15 of the FCC Rules. These limits are designed to provide reasonable protection against harmful interference in a residential installation. This equipment generates, uses and can radiate radio frequency energy and, if not installed and used in accordance with the instructions, may cause harmful interference to radio or television reception. However, there is no guarantee that interference will not occur in a particular installation. If this equipment causes harmful interference to radio or television reception, which can be determined by turning the equipment off and on, the user is encouraged to try to correct the interference by one or more of the following measures:
- Reorient or relocate the receiving antenna.
- Increase the separation between the equipment and the receiver.
- Connect the equipment into an outlet on a circuit different from that to which the receiver is connected.
- Consult the dealer or an experienced radio/TV technician for help.
Customer Service
Monday to Friday 9 am – 5 pm EST
1-866-661-9606 [email protected] www.artika.com

























