BP7138 Brella Modern Antique Bronze Ceiling Lighting
Instruction Manual
BP7138 Brella Modern Antique Bronze Ceiling Lighting
Please read carefully and save these instructions, as you may need them at a later date.
CAUTION
WARNING: Risk of Fire. Consult a qualified electrician to ensure correct branch circuit conductor. Min 90ºC supply conductors.
Turn off the main power at the circuit breaker before installing the fixture, in order to prevent possible shock.
GENERAL
All electrical connections must be in accordance with local and National Electrical Code (N.E.C.) standards. If you are unfamiliar with proper electrical wiring connections obtain the services of a qualified electrician.
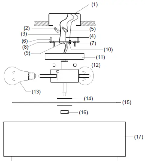
Remove the fixture and the mounting package from the box and make sure that no parts are missing by referencing the illustrations on the installation instructions.
ASSEMBLY AND INSTALLATION
- Secure the mounting bar(9) to the outlet box(1) with box screws(6)
- Pull out the outlet wire and ground wire from the outlet box. Make wire connections with wire connector(2)
–Black wire from light to Black wire (3) from power source.
–White wire from light to White wire(4) from power source.
–Loop the ground wire(5) to mounting bar(9) secured with a ground screw(6). - Attach the canopy(11) against the outlet box(1). Secure with the ball nut(12) and mounting screw(7).
- Insert the bulb(13) into the socket. Place one washer (14) up along the bar to the socket, then the acrylic disc(15), then another washer.
- Place the shade (17) over the socket, securing with the screw nut(16).
DO NOT USE BARE HANDS TO TOUCH THE BULB.
INSTALLATION IS NOW COMPLETE

| 1. OUTLET BOX 2. WIRE CONNECTOR 3. BLACK WIRE 4. WHITE WIRE 5. GROUND WIRE 6. BOX SCREW 7. MOUNTING SCREW 8. HEX NUT 9. MOUNTING BAR | 10. GROUND SCREW 11. CANOPY 12. BALL NUT 13. BULB 14. WASHER 15. ACRYLIC DISC 16. SCREW NUT 17. SHADE |




















