
Inspire the Next
Application Note: SJ series type P1 – PID Control
Please also refer to the
Inverter Instruction Manual
AN190610-1 Rev B
Hitachi America, Ltd.
© 2019 Hitachi America, Ltd.
Hitachi SJ series type P1 PID Function

Overview
The SJ series type P1 inverters are equipped with 4 independent PID functions, and each PID can be set independently. The four PID functions can be used for motor control and they can be interchanged by switching the intelligent input terminals programmed via parameters CA-01 through CA-11 as PIO1(PID output switching 1 – function 56) and PIO2(PID output switching 2 – function 57). PID function not used for motor control can be used for the operation of exterior equipment using PID, not related to the inverter control. The PID control loops can be used as constant flow control for fan and pump applications. Please see the illustration below.

In this example, the PID control loop is used to control the output frequency of the inverter according to the PID calculation, which is the deviation or error between a user-defined Setpoint and Process Variable (Feedback).
This deviation or error is constantly being corrected using 3 main parameters or Gains.
P: Proportional Gain
The proportional gain controls the PID command value so that it is proportional to the deviation between the target value (setpoint) and feedback values. The Proportional Gain can be set with parameter AH-61.
Effects of the P – Controller
A high proportional gain results in a large change in output for a given change in the error Too much P-gain can result in instability or oscillation Too little P-gain will result in sluggish response P-gain alone will always result in a steady-state error, also called offset or droop.
I: Integral Gain
The Integral Gain controls the PID command value so that it is proportional to the time integral value of the deviation between the target value (setpoint) and feedback value. The output change becomes smaller due to the PID target value (setpoint) and feedback values becoming closer. It takes time to reach the target value in P operation and so it is compensated with the I operation. Parameter AH-62 can be used to adjust the I Gain.
Effects of the I – Controller

The integral term is a function of both the size and duration of the error. It sums the instantaneous error over time (integrates) Since it reacts to pass errors, too much I-gain
can result in overshoot or oscillation When added to Pain, it acts to correct the offset error that cannot be corrected by P-gain alone
D: Derivative Control
The Derivative controls an operation amount of PID command value that is proportional to the rate of change of the deviation between the PID target value (setpoint) and the feedback value. Parameter AH-63 is used to change the D-controller. The Derivative operation has an effect to compensate the responsiveness of P operation and I operation. Normally the D- controller is not used in the control process such as flow, pressure, and temperature.
Effects of the D – Controller

The derivative term is related to the rate of change of the error (slope of the curve) over time A rapidly changing error will make a larger D contribution to the overall correction than a slow one The derivative term can amplify noise and thus cause instability It is rarely needed in our type of systems
The optimal gain factors of PID vary from system to system. This means it is necessary to set the PID parameters by considering the individual control features of the application. For good PID control consider the following characteristics:
- Stable Performance
- Quick Response
- Small steady-state deviation
Please see below for the basic PID loop diagram.

Wiring the SJ series type P1 for PID control
The SJ series type P1 inverter has an internal 24Vdc power supply that can be used for transducer excitation.
Terminal P24 is the positive 24Vdc and the analog input can be wired into Ai1, Ai2, or Ai3. Ai1 and Ai2 can be either 0-10Vdc or 0-20mA inputs, configured with the dip switches. Ai3 is -10Vdc to +10Vdc and can be used for frequency command and feedback. Terminal L is common for analog inputs. If using a three-wire transducer; wire into the P24, L, and Ai1, Ai2, or Ai3 terminals. If using a two-wire transducer; wire the P24 and Ai1, or Ai2 terminals. You must also connect/wire/jump the P- terminal
with the L terminal. Please see below for wiring examples.

2 -Wire Transducer powered with P1 internal 24Vdc power supply.

3 -Wire Transducer powered with P1 internal 24Vdc power supply.
Programming the SJ series type P1 inverter for PID control
Please follow the steps below for programming the SJ-P1 for PID control.
- Set parameter AA101 (Main Speed Source) to function 15 (PID calculation)
- Set parameter AH-01 to 01 (enable)
- Set parameter AH-03 to the desired engineering units. Please see the table on page 11.
- Parameter AH-07 (PID 1 SV-1 source) should be set to the desired setpoint source. Example: To enter the PID setpoint via the keypad choose 07 (Keypad)
- Parameter AH-10 (PID 1 SV-1) should be set to the desired PID setpoint in actual engineering units (when parameter AH-07 is set to function 07 – Keypad)
- Parameter AH-51 (PID1 PV-1 Source) should be set to the desired process variable source (feedback). For example: using a 4-20mA transducer on Ai2, AH-51 will be set to option 2 (Term. Ai2)
- Set the PID gains, as mentioned above, to the specific application using parameters AH-61, AH-62, and AH-63
- Set parameter AA111 to the desired run command source. Example: set to option 2 (Run key Keypad).
Options and Features
**There are other parameters that enable different options and feature PID control.**
AH-02 – PID1 deviation negative, when enabled the polarity of the deviation is inversed.
AH-03 – PID Unit Select, allows engineering units to be assigned to PID parameters. Please see the table on page 11. Example: option
**The PID unit select function changes the units and scale of the following param
FA-30 – PID1 target value 1
FA-32 – PID1 target value 2
DB-30 – PID1 feedback monitor 1
DB-32 – PID1 feedback monitor 2
AH-10 – PID1 target value 1 set value
AH12—AH-40 – PID1 multi-layer target value 1 to 15
AH-44 – PID1 target value 2 set value
FA-36 – PID2 target value
db-36 – PID2 feedback monitor
AJ-10 – PID2 target value set value
FA-38 – PID3 target value
db-38 – PID3 feedback monitor
AJ-30 – PID3 target value set value
FA-40 – PID4 target value
db-40 – PID4 feedback monitor
AJ-50 – PID4 target value set value
Engineering Units Selection Table
Please choose the engineering units from the table below.
| Function Code | Unit | Function Code | Unit |
| 0 | non | 29 | ft/h |
| 1 | % | 30 | m |
| 2 | A | 31 | cm |
| 3 | Hz | 32 | °F |
| 4 | V | 33 | l/s |
| 5 | kW | 34 | l/min |
| 6 | W | 35 | l/h |
| 7 | hr | 36 | m3/s |
| 8 | s | 37 | m3/min |
| 9 | kHz | 38 | m3/h |
| 10 | ohm | 39 | kg/s |
| 11 | mA | 40 | kg/min |
| 12 | ms | 41 | kg/h |
| 13 | P | 42 | t/min |
| 14 | kgm2 | 43 | t/h |
| 15 | pls | 44 | gal/s |
| 16 | mH | 45 | gal/min |
| 17 | Vdc | 46 | gal/h |
| 18 | °C | 47 | ft3/s |
| 19 | kWh | 48 | ft3/min |
| 20 | mF | 49 | ft3/h |
| 21 | Vs/ra | 50 | lb/s |
| 22 | Nm | 51 | lb/min |
| 23 | min⁻¹ | 52 | lb/h |
| 24 | m/s | 53 | mbar |
| 25 | m/min | 54 | bar |
| 26 | m/h | 55 | Pa |
| 27 | ft/s | 56 | kPa |
| 28 | ft/min | 57 | PSI |
| 58 | mm |
PID Scaling
AH-04 – PID1 Scale Adjust (0%), allows scaling on the 0%, low end, of the PID control
AH-05 – PID1 Scale Adjust (100%), allows scaling on the 100%, upper end, of the PID control.
AH-06 – PID1 Scale Adjust (Point), allows scaling with the decimal point in the PID control.
**Example of PID1 scaling: if the transducer measuring range is 0-250PSI and is wired into Ai1 (0-10Vdc) set AH-04 to 0, set AH-05 to 250, and set AH-06 to 0. For the better resolution of the feedback (tenths); you may set AH04 to 0, and AH-05 to 2500 and set AH-06 to 1.**

Optional Parameters
**There are also many options with PID1 such as multiple target values (setpoints), multiple feedback data values, PID Feed-Forward, and multiple P, I, and D gains. Please see the optional parameters below.
AH-42 – PID1 SV-2 Source, optional setpoint source for PID1
AH-46 – PID1 SV-3 Source, optional setpoint source for PID1
AH-50 – PID1 SV-1 calculation, operator selection for target values (setpoints)
AH-52 – PID1 PV-2 Source, process variable 2 source
AH-53 – PID1 PV-3 Source, process variable 3 source
AH-54 – PID1 PV Calculation, operator selection for process variables
AH-64 – PID1 P-Gain 2
AH-65 – PID1 I-Gain 2
AH-66 – PID1 D-Gain 2
AH-70 – PID Feed-Forward selection
Monitoring Parameters
**There are several monitoring points in the PID loop calculations*FA-30 – PID target value 1
FA-32 – PID target value 2
FA-34 – PID target value 3
DB-30 – PID1 feedback monitor 1
DB-32 – PID1 feedback monitor 2
DB-34 – PID1 feedback monitor 3
DB-42 – PID1 target value monitor (after calculation)
db-44 – PID1 feedback monitor (after calculation)
db-50 – PID1 output monitor
db-51 – PID1 deviation monitor
db-52 – PID1 deviation 1 monitor
db-53 – PID1 deviation 2 monitor
db-54 – PID1 deviation 3 monitor
db-61 – PID current P gain monitor
db-62 – PID current I gain monitor
db-63 – PID current D gain monitor
db-64 – PID feed-forward monitor
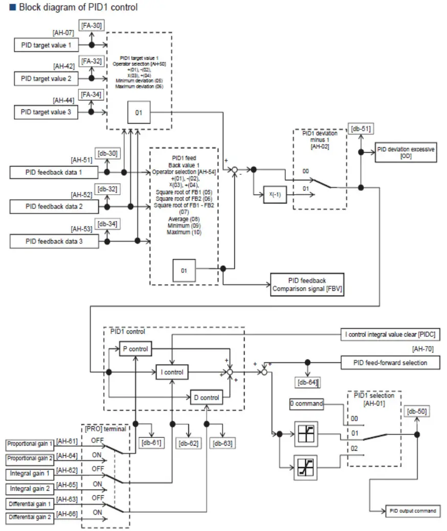
SJ series type P1 PID Block Diagram

Valuable Features of the SJ series type P1 with PID control
PID Soft-Start
Allows acceleration to a set speed, for a user-defined period of time, before changing over to PID mode. For example, this function can be used to reduce water hammers on a pressurized system. Please use the following parameters for PID Soft-Start.
AH-75 – Enables the PID Soft-Start function
AH-76 – PID Soft-Start Target Level
AH-78 – PID Soft-Start Acceleration Time
AH-80 – PID Soft-Start Time 
PID Abnormal Start
Allows the inverter to detect abnormalities in the PID operation. This function can be used to detect the breakage of pipes in water systems. This function can cause the inverter to trip with E120 or give a warning on an output programmed as (SSE, function 93). The abnormality is determined when the PID-FB value is lower than the PID start abnormality judgment level, parameter AH-82; when the PID soft-start time, AH-80 has elapsed.
AH-81 – When enabled to function 01 the inverter will trip with E120 (PID
start abnormality error). When enabled to function 02, the inverter will activate the output terminal programmed as SSE (function 93) when the abnormality is determined.
AH-82 – PID start abnormality judgment level

PID Sleep
The inverter will go to sleep when the PID output is stable for a user-defined amount of time. The PID sleep function is normally used in booster pump applications such as pressurized systems in high-rise buildings or sustained tank level applications.
AH-85 – PID Sleep Condition – Function 01 starts sleep operation when the output is low. Function 02 starts operation at the rising edge of the SLEP terminal (function 58).
AH-86 – PID Sleep Start Level – Level to put the inverter into sleep operation when
AH-85 = 01. AH-87 – PID Sleep Time – Standby time before putting the inverter into sleep operation.
AH-88 – PID Sleep Boost – Function 01 boosts the target value before going into sleep operation.
AH-89 – PID Sleep Boost time prior to PID sleep
AH-90 – PID Sleep Boost amount prior to PID sleep
AH-91 – PID Minimum operation time prior to PID sleep – The inverter will not start sleep operation until AH-91 has elapsed from start.
AH-92 – PID Sleep Hold Time – The inverter retains the sleep operation until
AH-92 – has elapsed, once the sleep operation has started.
AH-93 – PID Wake Condition – Function 01 cancels the sleep operation when a deviation amount increases in a deceleration direction. Function 02 cancels the sleep operation when the feedback value decreases. Function 03 cancels the operation at the rising edge of the WAKE terminal (Function 59). AH-94 – PID Wake Start level – Cancels the operation when feedback value goes below the set value when AH-93 is set to function 02.
AH-95 – PID Wake Operation Time – Stand-by time for operation cancellation when AH-93 is set to function 02.
AH-96 – PID Wake Start Deviation Amount – Cancels the operation when a deviation between the target value and feedback value increases when
AH-93 – is set to function 01.
**Please see the examples on the following page for the PID Sleep Function.**

Please contact Hitachi America Limited for questions or concerns with the
SJ series type P1 inverters or the PID control loops.
Technical Support phone: 980-500-7141
Email: [email protected]
Web: http://www.hitachi-america.us/ice/ac-drives-inverters

















