Master-Module for Decoder for Switchboard Lights from the Digital-Professional-Series !
GBS-Master-s88-F Part-No.: 050122
>> finished module <<
Suitable for the s88-feedback bus
The GBS-Master-Module together with the DisplayModule GBS-Display will build the Decoder for Switchboard Lights GBS-DEC.
Up to 4 DisplayModules can be connected onto each Master-Module.
Each Display-Module GBS-Display can control
⇒ 16 turnout symbols or 32 track-occupancy symbols.
Littfinski DatenTechnik (LDT)
Operating Instruction
Master Module for Decoder for Switchboard Lights
This product is not a toy! Not suitable for children under 14 years of age!
The kit contains small parts, which should be kept away from children under 3!
Improper use will imply danger of injuring due to sharp edges and tips! Please store this instruction carefully.

Introduction/Safety instruction:
You have purchased the Master-Module GBS-Master as a kit or as a finished module for the Decoder for Switchboard Lights GBS-DEC. The Master-Module GBS-Master is a high quality product that is supplied within the Digital-Professional-Series of Littfinski DatenTechnik (LDT).
We are wishing you having a good time using this product.
Our components of the Digital-Professional-Series can be easily and without any problems operated on your digital model railway.
The Master-Modules GBS-Master-s88 is suitable for the s88feedback bus.
The finished module comes with 24 month warranty.
- Please read the following instructions carefully. Warranty will expire due to damages caused by disregarding the operating instructions. LDT will also not be liable for any consequential damages caused by improper use or installation.
- We designed our devices for indoor use only.
Connecting GBS-Modules:
- Attention: Before starting the installation switch off the drive voltage by pushing the stop button or disconnect the main supply.
At first connect the Master-Module GBS-Master to a DisplayModule GBS-Display via the 10-poles pin-plug-bar BU1.
For setting the addresses and operating modes connect the Master-Module GBS-Master additionally to a Service-Module GBS-Service via the 15-poles pin-plug-bar BU2.
Avoid any offset of the pin-plug-bar of the Display- and the Service-Module to the pin socket bar of the Master-Module. For this issue please attend to the operating instructions of the Display- and Service-Module. The picture 1 at the rear side of the operating instruction for the Service-Module shows the correct connection of the Display-, Master- and ServiceModule.
Up to 4 Display-Modules GBS-Display can be connected to each Master-Module GBS-Master.
For this layout has the second Display-Module to be connected to the first Display-Module via the 10-poles pin-plug-bar.
Corresponding has the third module to be connected to the second and the fourth to the third module.
Connecting the GBS-DEC to the digital layout:
The Master-Module GBS-Master-s88 makes it possible to “monitor“ the s88-feedback bus and display the occupancy reports with LED`s or incandescent lamps on the external switchboard panel.
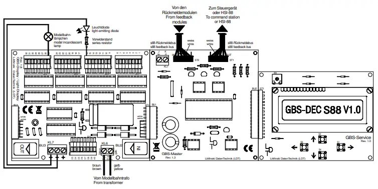
For this purpose the s88-feedback bus has to be splitted and transmitted via the GBS-DEC. Picture 1 at the rear side of this instruction shows how to connect the GBS-Master-s88 module directly to the digital central unit (the example shows Intellibox) with the attached s88-bus cable. The s88-bus cable of the first Feedback-Module has to be connected to the pin bar ST2 of the Master-Module GBS-Master-s88. The pin plug has got the correct position when the white single wire corresponds to the white marking on the pc-board. The clamp KL1 shall be vacant and shall not be connected to the digital circuit.
The Master-Module GBS-Master receives always the power supply from the first Display-Module. More details about this issue can be found within the paragraph Voltage supply to the Display-Modules at the operating instructions of the DisplayModule GBS-Display.
Also details for the connection of the switchboard panel symbols (light emitting diodes and incandescent lamps) to the Decoder for Switchboard Lights GBS-DEC will be available at the operating instruction for the Display-Module.
You can find colored sample connections on our Web-Site www.ldt-infocenter.com at the section “Sample Connections”.
Setting address- and operation modes:
1.1 Putting into operation:
If the Decoder for Switchboard Lights will be connected to the power supply at first all connected light diodes and incandescent lamps will lighten-up for 2 seconds at a brightness of 50% (lamp test). The display of the ServiceModule indicates GBS-DEC s88 Vx.y.
If the information at the display of the Service-Module is not clearly readable during the first start of operation, please turn carefully the trim-pot R1 a half turn to the left and to the right by using a small screwdriver until the information at the display is optimal readable.
1.2 Setting the number of connected Display-Modules:
On top of the Service-Module are 4 keys located which will be identified within the following description as >left<, >right<, >above< and >below<.
At first push the key >right<. The display shows Anzahl DIS: 1 (quantity of Display-Modules).
If the start information remains to be at the display after pushing the key >right< there is probably the digital central unit not switched-on or the s88-feedback bus is incorrect connected to the Master-Module GBS-Master.
Push now the key >above< as many times until the display indicates the amount of connected Display-Modules. It is possible to operate at a maximum 4 Display-Modules on one Master-Module.
1.3 Assigning Feedback-Modules to a Display-Module:
If the display of the Service-Module shows Anzahl DIS: x (with `x` for the quantity of connected Display-Modules) please push the key >right< for getting to the feedback-adjustment of the first Display-Module. The display shows now DIS1 K16-01:RM01.
At this moment the Feedback-Module No. 1 (RM01) with its 16 inputs has been assigned to the first 16 outputs (K16-01) of the first Display-Module (DIS1). The Feedback-Module No. 1 is directly connected to the Master-Module via the pin plug ST2.
Generally the GBS-DEC expects 16-fold Feedback-Modules. If you use our RM-GB-8-N with 8 feedback inputs the GBS-DEC identifies always two RM-GB-8-N as one 16-fold FeedbackModule.
By pushing the keys >above< and >below< you can select now one of 32 Feedback-Modules (RM01 to RM32) for the first 16 outputs of the first Display-Module. For selecting a FeedbackModule for the outputs 17 to 32 please push again the key >right<. If you selected the Feedback-Module No. 1 for the first 16 outputs the display of the Service-Module shows for the second 16 outputs: DIS1 K32-17:RM02.
Now you can select for the output 17 to 32 a Feedback-Module by using the keys >above< and >below<. It is possible to skip Feedback-Modules.
The only importance is that the Feedback-Modules have always to be adjusted in an afferent sequence.
If you have registered a further Display-Modules under 1.2 you can assign the feedback adjustments for the second DisplayModule by pushing again the key >right<. Is there only one Feedback-Module available for the last Display-Module you can select for the second 16 outputs (K32-17) RMNC. NC is an indication for not connected.
If you have selected the Feedback-Modules for all available Display-Modules please push the key >left< several times until the Decoder for Switchboard Lights confirms with a lamp-test.
The display of the Service-Module shows now GBS-DEC s88 Vx.y. It is now ready for the display of occupation reports received from the selected Feedback-Modules.
If there are not all Feedback-Modules selected in an afferent sequence the display will show s88 ADR Fehler (error).
If you want to change adjustments or correct data please start as described under 1.2. If you want to change something at a particular position you can end-up with the adjustment from this particular position by pushing the key >left< several times until the lamp-test starts. During the normal indication-function the Service-Module does not need to be attached to the MasterModule.
Accessories:
For the assembly of the pc-boards of the GBS-DEC inside your switchboard panel we offer assembly material under the order code MON-SET. The set consists of 4 plastic distance spacer and 4 matching wood-screws.
Picture1: The sample shows that the s88-feedback bus will be separated behind the digital central unit and connected to the Master-Module GBS-Master-s88.
Picture 2: Incandescent lamps can be connected directly. For lightemitting diodes is it absolutely necessary to use a serial resistor (about 4.7kOhm related to the input voltage
at KL6).

Picture 3: It is possible to connect 32 track-symbols onto the outputs 1 to 32. Each output can supply several track-symbols foran occupancy report of a track-section. 
Picture 4: Have you created a turnout feedback via the s88feedback bus you can connect a maximum of 16 turnout symbols with each Display-Module.
You can find colored sample connections on our Web-Site www.ldt-infocenter.com at the section “Sample Connections”.
Made in Europe by Littfinski DatenTechnik (LDT) Bühler electronic GmbH Ulmenstraße 43 15370 Fredersdorf / Germany
Phone: +49 (0) 33439 / 867-0 Internet: www.ldt-infocenter.com
Subject to technical changes and errors. © 09/2022 by LDT

















