
2200 Pump Instruction
Manual
2200, 2400
Performance meets quality in an affordable pump.
Economy Plus- 2200, 2400
Operational and Installation
Guidelines & Parts
Installation Recommendations
Mounting
Determine the optimum location for your pump.
Economy PlusT” 2200, 2400 Series pumps are self-priming and can be located up to 4 feet above the water level. Horizontal and vertical prime vary depending on the fluid viscosity and pump configuration. The pump can be at the same level or below the tank.
The pump should be located in an area that is dry and protect the pump from excessive heat by providing proper ventilation. The pump can be at the same level or below the tank.
The pump can be mounted in any position. Since the pump head and motor are splash proof, water should not be a concern no matter how the pump is mounted. However, the switch cover does have an opening at the bottom which could collect water if the pump is mounted with the head down.
Plumbing
Use suction hose on inlet of pump. Use flexible hose of the correct pressure rating that is compatible with the fluid to be pumped.
Pump will prime only if all pressure is relieved from outlet port. It is recommended that pure water be pumped or an in-line sediment filter (50 mesh) be installed at the inlet side to keep foreign debris out of the system. If a check valve is installed in the plumbing, it must have a cracking pressure of no more than 2 psi (0.14 bar)
Avoid any sharp bends which may crimp tubing and restrict flow. Use 90° elbow fittings if necessary.
The pump should always be mounted prior to any components which could introduce particles to the water; thus, preventing them from entering the pump chambers and possibly causing clogging.
Electrical
12 volt pump must be provided with a 5-amp fuse.
Recommended wire size is 18 gauge (1.3 mm) or larger wire as determined by voltage drop. Negative must be connected to a known ground. Ground wire must be the same gauge/mm as the positive
Operation Precautions
Do not operate pump in an explosive environment.
Arcing from the motor brushes, switch or excessive heat from an improperly cycled motor may cause an explosion.
Do not pump gasoline or other flammable liquids.
Do not assume fluid compatibility.
If the fluid is improperly matched to the pumps’ elastomers, a leak may occur.
Intermittent duty is defined as operation and/or frequent starting within a period of time that would cause the motor to reach its maximum thermal limits.
Once the maximum is obtained, the motor must be allowed to return to ambient temperature before resuming operation.
2200 Performance
| PSI | Bar | GPM | LPM | Amps |
| OPEN | 0.2 | 1.00 | 3.7 | 1.5 |
| 10 | 0.7 | 0.85 | 3.1 | 1.9 |
| 20 | 1.4 | 0.71 | 2.6 | 2.4 |
| 30 | 2.1 | 0.61 | 2.3 | 2.4 |
| 40 | 2.8 | 0.42 | 1.6 | 2.6 |
2400 Performance
| PSI | GPM | Amps |
| OPEN | 1.6 | 0.25 |
| 10 | 1.4 | 0.29 |
| 20 | 1.32 | 3.10 |
| 30 | 1.17 | 3.30 |
| 40 | 1.01 | 3.50 |
| 50 | 0.91 | 3.60 |
| 60 | 0.85 | 3.70 |
| 70 | 0.72 | 3.90 |
| 80 | 0.59 | 4.10 |
| 90 | 0.44 | 4.20 |
| 100 | OFF | 0 |
Specifications
Motor (2200, 2400)
Type ………….12 VDC, permanent magnet, splashproof
Leads……………….. 18 AWG, 4.5″ long with 2-pin connector
Duty Cycle………………. Intermittent
Pump
Type (2200, 2400)……………… 2-chamber positive displacement, self priming, capable of being run dry
Liquid Temperature
2200 …………………………………….110°F (43°C) Max.
2400 ………………………………….110°F (43°C) Max.
Priming Capabilities
2200…………………………………………… 40feet (1.2 m) suction lift
2400……………………………………………… up to 6 ft.
Max Pressure
2200………………………………………………. 40 PSI (2.8 bar)
2400…………………………………………….. 100 PSI (6.9bar)
Inlet/Outlet Ports
2200 ………………………………………3/8″ hose barb
2400………………………………… 10mm quick attach 3/8″ hose barb
Weight
2200……………………..1 25 lbs (0.57 kg)
2400……………..2 5 lbs (1.14 kg)
Pressure Demand Switch (2200)
Shut-Off ………………………………40 ±5 PSI (2.8 ±0.3 bar) factory setting
Turn-On…………………………………. 25 ±5 PSI (1.7 ±0.3 bar) factory setting
Materials of Construction
Motor Housing …………………………………2200 Nylon 6/6
……………………………………………………….2400 Steel
Pump Housing ……………………………..Polypropylene
Valves ……………………………………….VIton
Diaphragm………………………….. Santoprene
Fasteners ……………………………….Stainless steel and zinc plated
Parts
Parts List
| Ref# | Description |
| 1 | Pump Head wSwitch Assembly |
| 2 | Motor No connector, lead wires only Connector, 2-pin connector |

Part Number
| 2200 | 2400 |
| PH-2200D | PH-2400D |
| M221-S | M241-S |
| M222-S | M242-S |
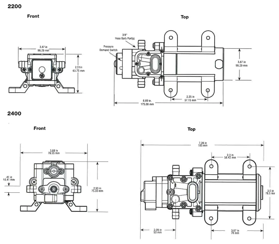
Dimensions 
Standard Warranty
REM CO warrants its products to be free from defects in material and workmanship on all products sold by REMCO for resale or for use in purchasers’ own business or original equipment manufacturer. Under normal use, maintenance and service (rental use excluded) the following terms apply:
For all REMCO products, the warranty will last for a period of one year from date of shipping from a REMCO warehouse.
REMCO’s obligation under this warranty shall be limited to replacing or repairing at REMCO’s discretion, any such product or part which must be returned to REMCO’s factory with a Return Material Authorization Number (RMA), transportation charges approved by REMCO or prepaid, and which upon examination, is found to REMCO’s satisfaction to have been defective under the terms of this warranty. No credit will be allowed against future purchases for items returned as defective under the terms of REMCO’s warranty. This warranty does not extend to any products, which have been altered or modified outside the REMCO factory, to any products that have not been properly maintained, nor does it apply to units that are returned in an unassembled condition. Furthermore, the warranty does not extend to pumps that are non-compliance with REMCO’s Engineering Standards. This includes, but is not limited to, pumps ordered without an integral pressure control mechanism. The warranty guarantees that products will perform to REMCO’s flow and pressure specifications throughout the life of the warranty. The warranty does not cover wear, appearance, misuse, abuse, misapplication or external water damage. If the returned product is found not to be defective under the conditions of this warranty, a charge will be made for repair or replacement.
Brush wear may be limited to 1000 hours or less.
This is a Limited Warranty. It covers the product only and the extent of the coverage is limited to the cost of the product. As the manufacturer has no control over shipping, handling and installation, the warranty cannot cover water damage, or any other damage, caused by a leak or other malfunction.
THIS WARRANTY IS IN LIEU OF ALL WARRANTIES, EXPRESSED OR IMPLIED, INCLUDING IMPLIED WARRANTIES OR WARRANTIES OF MERCHANTABILITY AND/OR FITNESS FOR A PARTICULAR PURPOSE. NO PERSON IS AUTHORIZED TO GIVE ANY OTHER WARRANTY OR ASSUME OBLIGATION OR LIABILITY ON REMCO’S BEHALF REMCO SHALL NOT BE LIABLE FOR ANY INDIRECT, INCIDENTAL, PUNITIVE OR CONSEQUENTIAL DAMAGES OF ANY KIND INCURRED BY THE REASON OF THE USE OR SALE OF ANY DEFECTIVE PRODUCT AND PART. THIS WARRANTY SHALL BE GOVERNED BY THE LAWS OF THE STATE OF MINNESOTA, WITH ANY DISPUTE OR CLAIM VENUED OR HEARD IN THE STATE OF MINNESOTA.
Troubleshooting Guide
Problem/Causes and Remedies
Pump will not Start
Check: Correct voltage (-±10%) and electrical connections
Fuse or breaker Pressure switch operation and correct voltage at switch
Rectifier or motor for open or grounded circuit
Locked drive assembly
Pump will not Prime (No discharge with motor running)
Check:
Debris in strainer
Restriction (kinks) in inlet/outlet tubes
Debris or swelling in inlet/outlet valves
Pump will not Shut Off (Output line closed and no leaks)
Check:
Air trapped in outlet line or pump head
Correct voltage to pump
Debris in pump inlet/outlet valves
Loose drive assembly or pump head screws
Pressure switch operations/adjustments
Leaks from Pump Head or Switch
Check:
Loose screws at switch or pump head
Switch diaphragm ruptured or pinched
Punctured diaphragm if fluid is present
REMCO
Industries 4605 State Hwy 27 E.
Alexandria, MN 56308
Phone: 763-253-4740
Fax: 763-253-4741
www.remcoindustries.com
2014V2



















