NOAM NUTV5 Waterproof Speakers Bluetooth 2.1 Marine Stereo System

Introduction
Thank you for choosing NOAM audio for your ride. Your audio system has been designed and manufactured to exacting standards in order to ensure you will enjoy it for many years to come.
Our main goal here at NOAM is to provide an excellent audio experience at a most affordable price. Therefore, in the process of our product design we put a lot of thought into the installation procedure. Our aim is to allow anyone who feels they are up to it, to install a NOAM system by themselves, and save a few bucks on a professional installation.
However, if you have no experience in UTV/ ATV/ Marine audio installation, we strongly advise to seek professional assistance, in order to ensure optimal performance from your system.
Should you decide to install the system yourself, please take the time to read all manuals thoroughly and to familiarize yourself with its installation requirements and setup procedures. If you have any questions regarding the instructions in any of the manuals or any aspect of your system’s operation, please contact your authorized NOAM dealer for assistance or contact us at [email protected]
Both NUTV5 & NUTV5-S were built as a system. All included components of the unit; Speakers, amplifier & controller were designed and tuned to match one another and function as a full audio system.
HS4 Amplifier:
The HS4 is an IPX6 waterproof, state of the art, True Class D, 4-channel full range amplifier with fully variable high pass and low pass crossovers enabling it to drive a wide variety of either full range speakers or subwoofers.
N5 Speakers:
The pair of N5 speakers features front 5.25” Water-proof Speaker and 20 mm PEI Diaphragm tweeter. On the back, you’ll find a passive radiator for increased bass experience.
NSUB Subwoofer:
The NSUB is the very first roll cage mounted subwoofer. Equipped with 10” Marine Subwoofer Speaker on the front and two 3”x6” passive radiator on the back. * only included in the NUTV5-S models. *
IMPORATNT! READ this BEFORE installing!
Warranty clarifications
- WATER DAMAGES TO YOUR HS4 AMPLIFIER, ARE NOT COVERED BY THE PRODUCT’S WARRANTY:
Our engineering team designed the HS4 amplifier’s chassis to be Marine rated. However, we strongly advise to install it where it’s protected from water/mud at all times. The sealed structure is designed and constructed to protect the amplifier IN CASE it accidently gets wet, but it is your responsibility to limit the amp’s exposure to water:- Install the amplifier in a dry area where water and mud can’t reach it
- Do not clean the amplifier with high pressure or regular water hose. If needed, cover it while washing your vehicle
- BURNT VOICE COILES ARE NOT COVERED BY THE PRODUCT’S WARRANTY
We designed our amplifier to be very powerful. If its gains are set too high (clockwise), it may cause irreversible damage to the speaker’s voice coils. Exactly for that reason we pre tuned each and every amplifier to optimally power the various NUTV5 series audio systems.
Under or overpowering your speakers might cause them thermal (burnt voice coil) and/or mechanical failure (torn surrounds or spiders). And these damages are not covered by your warranty.
Below you will find our recommended factory gains and crossover settings for each NUTV5 series audio systems (wrong font):
NUTV5 (Two N5 tower speakers)/ NUTV5-S (Two N5 tower speakers and a Subwoofer)/ NUTV5-S QUAD – (Four N5 tower speakers and a Subwoofer)

NOTE: Rear’s crossover is set on LPF (low pass) for the NSUB subwoofer Front’s crossover is set on FULL (full range) for tower speakers
NUTV5 QUAD -( Four N5 tower speakers)

Rear and Front’s crossover are set on FULL (full range) for tower speakers
If you have any doubts or questions, please contact us at [email protected]
Installation Applications:
The NUTV5 series was designed to operate on 12 volts, negative-ground electrical systems. Using this product with positive ground and/or voltages other than 12V systems may damage the product and will void the warranty.
Safety Considerations:
- Though this is a Marine IPX6 rated amplifier, mount the amplifier where it will be protected from water/mud at all times. Water damages are not covered by the 1-year warranty.
- Install the amplifier in a dry and well-ventilated location.
- Do not touch the amplifier’s surface while you are riding or immediately after riding. having an amplifier sealed to the elements at IPX6 level means that heat generated from the amp has nowhere to escape. Playing hard with your HS4 might get it hot. That’s fine and normal. But, avoid touching the amplifier’s surface during or right after use.
- Do not mount the amplifier in the engine compartment or in any areas of extreme heat.
- Securely mount the amplifier so that it does not come loose in the event of a collision/sudden jolt or as a result of repeated vibrations during normal operation.
- Check before drilling to make sure that you will not be drilling into an exterior panel/hull, fuel tank, gas/brake line, wiring harness, or other vital system.
- Do not run system wiring outside or underneath the vehicle/vessel. This is an extremely dangerous practice, which can result in severe damage/injury.
- Protect all system wires from sharp edges (metal, fiberglass, etc.) by carefully routing them, tying them down and using grommets and loom where appropriate.
Battery considerations
Amplifiers will put an increased load on the vehicle’s battery and charging system. We recommend checking your alternator/stator and battery condition to ensure that the electrical system has enough capacity to handle the increased load of your stereo system. Stock batteries which are in good condition should be able to handle the extra load of the HS4 amplifier without problems, although the life can be reduced slightly. To maximize the performance of your amplifier, we suggest the use of a heavy-duty battery or a second battery, dedicated to your NUTV5 system.
NUTV5/ NUTV5-S
Two N5 speakers, HS4 amplifier, Bluetooth remote and NSUB subwoofer
Installation Procedure/Connections
If you feel unsure about installing this system yourself, we strongly advise to have it installed by a qualified technician.
Before installation, Disconnect the NEGATIVE battery post connection and secure the disconnected cable to prevent accidental reconnection during installation. This is an essential safety precaution during installation!
Avoid running power wires near low-level input cables, antenna, power leads, sensitive equipment or harnesses. The power wires carry substantial current and could introduce unwanted noise into the audio system.
- Connecting your amplifier to a power source:
- This amplifier requires quite a lot of power. Therefore, it should be connected straight to the battery. Do not be tempted to connect it to your bus bar if you have one.
- Connect the red power cable to the positive (+12V) battery post.
- Connect the black/Ground power cable to the negative (-12V) battery post.
- See wiring diagram on page 17
- Connecting your amplifier to your head unit
- Please refer to the user manual included in your head unit box.
- Connecting your speakers to the amplifier:
- Each speaker has 2 terminals:
- A positive red terminal (+)
- A negative black terminal (-)
- Make sure that you connect a positive speaker terminal (red) to a positive output channel in your amplifier (solid colors)
- Make sure you connect a negative speaker terminal (black) to a negative output channel in your amplifier (mixed color)
- Connect your two N5 speakers to the two front channels as shown in the table and diagram below.
- Your subwoofer will be powered by the 2 bridged rear channels. Connect your subwoofer the following way (or see table below):
- Please connect the NSUB’s red wire (+) to the positive left rear channel output- solid green wire.
- Please connect the NSUB’s Black wire (-) to the negative right rear channel output-Purple and black wire
- Each speaker has 2 terminals:
| HS4 Wire Color | Speaker 1 Terminal | Speaker 2 Terminal | NSUB Terminals |
| Green (Rear left (+)) | Red (+) | ||
| Green & Black (Rear left (-)) | |||
| Purple (Rear Right (+)) | |||
| Purple & Black (Rear Right (-)) | Black (-) | ||
| White (Front Left (+)) | Red (+) | ||
| White & Black (Front Left (-)) | Black (-) | ||
| Grey (Front Right (+)) | Red (+) | ||
| Grey & Black (Front Right (-)) | Black (-) |
Make sure you position your speakers in accordance with the amplifier’s channel they are connected to. If the speaker is connected to the left channel make sure you position it on the left-hand side of your ride. Same goes for the right channel.
NUTV5

NUTV5-S
- Now that everything is hooked up as it should, let’s test your system. Turn your controller on, the amplifier’s power indicator light will first turn RED and If all connections are OK, within 2-5 seconds the light will turn BLUE. In case the light remains red it means that the amplifier is in protection mode, due to a short circuit, or inadequate voltage, either too high or too low. In this case see page 18 for troubleshooting.
- Play some tunes to make sure all is working as it should.
- Now you can go ahead and mount the amplifier in a dry and well-ventilated location where it will remain dry at all times.
NUTV5 / NUTV5-S: Amplifier’s gains and crossover settings
Your HS4 amplifier’s control panel was already preset to optimally power the N5 Full-range speakers you have purchased. Since the HS4 is a very powerful amplifier we suggest keeping these factory settings as is.
Under or overpowering your speakers might cause them thermal (burnt voice coil) and/or mechanical failure (torn surrounds or spiders). And these damages are not covered by your warranty.
Below you will find our recommended factory gains and crossover settings for your NUTV5/NUTV5-S system.

Rear’s crossover is set on LPF (low pass) for the NSUB subwoofer, should you choose to add one in the future
Front’s crossover is set on FULL (full range) for tower speakers
In case you decide that you do need to change any of these settings, please make sure you know what you are doing or have a professional set them for you. The amplifier’s settings and controls are located on the front panel beneath a protective gasket cover. Remove the six screws from the center panel to access the controls and make the adjustments. Make sure you replace the cover back exactly how it was otherwise you might compromise the amplifier’s waterproof ratings. We remind you that water damages are not covered by your warranty.
Installation Procedure/Connections
If you feel unsure about installing this system yourself, we strongly advise to have it installed by a qualified technician.
Before installation, Disconnect the NEGATIVE battery post connection and secure the disconnected cable to prevent accidental reconnection during installation. This is an essential safety precaution during installation!
Avoid running power wires near low-level input cables, antenna, power leads, sensitive equipment or harnesses. The power wires carry substantial current and could introduce unwanted noise into the audio system.
- Connecting your amplifier to a power source:
- This amplifier requires quite a lot of power therefore it should be connected straight to the battery. Do not be tempted to connect it to your bus bar if you have one.
- Connect the RED power cable to the positive (+12V) battery post.
- Connect the Black/Ground power cable to the negative (-12V) battery post.
- See wiring diagram on page 17
- Connecting your amplifier to your head unit
- Please refer to the user manual included in your head unit box.
- Connecting your speakers to the amplifier:
- Each speaker has 2 terminals:
- A positive red terminal (+)
- A negative black terminal (-)
- Make sure that you connect a positive speaker terminal (red) to a positive output channel in your amplifier (solid colors)
- Make sure you connect a negative speaker terminal (black) to a negative output channel in your amplifier (mixed color)
- Connect two of your N5 speakers to the 2 front channels and the remaining two to your 2 rear channels as shown in the table and diagram in the next page.
| HS4 Wire Color | Speaker 1 terminal | Speaker 2 Terminal | Speaker 3 Terminal | Speaker 4 Terminal |
| Green (Rear left (+)) | Red (+) | |||
| Green & Black (Rear left (-)) | Black (-) | |||
| Purple (Rear Right (+)) | Red (+) | |||
| Purple & Black (Rear Right (-) | Black (-) | |||
| White (Front Left (+)) | Red (+) | |||
| White & Black (Front Left (-)) | Black (-) | |||
| Grey (Front Right (+)) | Red (+) | |||
| Grey & Black (Front Right (-)) | Black (-) |
Make sure you position your speakers in accordance with the amplifier’s channel they are connected to. If the speakers are connected to the left channel make sure you position them on the left-hand side of your ride. Same goes for the right channel.

- Now that everything is hooked up as it should, let’s test your system. Turn your controller on, the amplifier’s power indicator light will first turn RED and If all connections are OK, within 2-5 seconds the light will turn BLUE. In case the light remains red it means that the amplifier is in protection mode, due to a short circuit, or inadequate voltage, either too high or too low. In this case see page 18 for troubleshooting.
- Play some tunes to make sure all is working as it should.
- Now you can go ahead and mount the amplifier in a dry and well-ventilated location where it will remain dry at all times.
NUTV5 QUAD: Amplifier’s gains and crossover settings
Your HS4 amplifier’s control panel was already preset to optimally power the N5 Full-range speakers you have purchased. Since the HS4 is a very powerful amplifier we suggest keeping these factory settings as is.
Under or overpowering your speakers might cause them thermal (burnt voice coil) and/or mechanical failure
(torn surrounds or spiders). And these damages are not covered by your warranty.
Below you will find our recommended factory gains and crossover settings for your NUTV5 QUAD system.

Rear and Front’s crossover are set on FULL (full range) for tower speakers
In case you decide that you do need to change any of these settings, please make sure you know what you are doing or have a professional set them for you. The amplifier’s settings and controls are located on the front panel beneath a protective gasket cover. Remove the six screws from the center panel to access the controls and make the adjustments. Make sure you replace the cover back exactly how it was otherwise you might compromise the amplifier’s waterproof ratings. We remind you that water damages are not covered by your warranty.
Installation Procedure/Connections
If you feel unsure about installing this system yourself, we strongly advise to have it installed by a qualified technician.
Before installation, Disconnect the NEGATIVE battery post connection and secure the disconnected cable to prevent accidental reconnection during installation. This is an essential safety precaution during installation!
Avoid running power wires near the low-level input cables, antenna, power leads, sensitive equipment or harnesses. The power wires carry substantial current and could introduce unwanted noise into the audio system.
- Connecting your amplifier to a power source:
- This amplifier requires a quite a lot of power therefore it should be connected straight to the battery. Do not be tempted to connect it to your bus bar if you have one.
- Connect the RED power cable to the positive (+12V) battery post.
- Connect the Black/Ground power cable to the negative (-12V) battery post.
- See wiring diagram on page 17
- Connecting your amplifier to your head unit
- Please refer to the user manual included in your head unit box.
- Connecting your speakers to the amplifier:
- Connecting your four N5 speakers:
Inside your package you will find 4 Y splitters: 2 Black and 2 Red.
All 4 Y splitters will be connected to the 2 Front channel Terminals.
The 2 Black Y splitters will be connected to the 2 Negative Front terminals: Front Left – (white & black)
Front Right – (grey & black)
The 2 Red Y splitters will be connected to the 2 Positive Front terminals: Front Left + (white)
Front Right + (solid grey)
Each pair of RED and Black Y splitters will be connected to a pair of N5 speakers Each speaker has a red wire (Positive +) and a black wire (Negative -)
Connect 2 of your N5 speakers to the Front Right channels the following way:
Connect 2 of your remaining N5 speakers to the Front Left channels the following way:
*Make sure you position your speakers in accordance with the amplifier’s channel they are connected to. If the speakers are connected to the left channel make sure you position them on the left-hand side of your ride. Same goes for the right channel. - Connecting your NSUB subwoofer
In order for the 2 rear channels to power the subwoofer you will now need to bridge them the following way:- Please connect the NSUB’s red wire (+) to the positive left rear channel output- solid green wire.
- Please connect the NSUB’s Black wire (-) to the negative right rear channel output-Purple and black wire

- Connecting your four N5 speakers:
- DO NOT be tempted to bridged the HS4 to power two N5 speakers. It will lead to burnt voice coils and will void the warranty.
- Now that everything is hooked up as it should, let’s test your system. Turn your controller on, the amplifier’s power indicator light will first turn RED and If all connections are OK, within 2-5 seconds the light will turn BLUE. In case the light remains red it means that the amplifier is in protection mode, due to a short circuit, or inadequate voltage, either too high or too low. In this case see page 18 for troubleshooting.
- Play some tunes to make sure all is working as it should.
- Now you can go ahead and mount the amplifier in a dry and well-ventilated location where it will remain dry at all times.
NUTV5-S QUAD: Amplifier’s gains and crossover settings
Your HS4 amplifier’s control panel was already preset to optimally power the N5 Full-range speakers and NSUB subwoofer you have purchased. Since the HS4 is a very powerful amplifier we suggest keeping these factory settings as is.
Under or overpowering your speakers might cause them thermal (burnt voice coil) and/or mechanical failure (torn surrounds or spiders). And these damages are not covered by your warranty.
In the next page you will find our recommended factory gains and crossover settings for your NUTV5-S QUAD system.

In case you decide that you do need to change any of these settings, please make sure you know what you are doing or have a professional set them for you. The amplifier’s settings and controls are located on the front panel beneath a protective gasket cover. Remove the six screws from the center panel to access the controls and make the adjustments. Make sure you replace the cover back exactly how it was otherwise you might compromise the amplifier’s waterproof ratings. We remind you that water damages are not covered by your warranty.
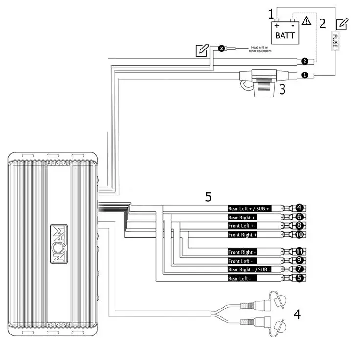
Appendix 1 – Wiring diagram

HS4 wire colors scheme
| Wire # | Wire Color | Function |
| 1 | Red | +12V |
| 2 | Black | Ground |
| 3 | Blue | Remote |
| 4 | Solid Green | Rear left/ Sub (+) |
| 5 | Green & Black | Rear left (-) |
| 6 | Solid Purple | Rear Right (+) |
| 7 | Purple & Black | Rear Right (-) / Sub (-) |
| 8 | Solid White | Front Left (+) |
| 9 | White & Black | Front Left (-) |
| 10 | Solid Grey | Front Right (+) |
| 11 | Grey & Black | Front Right (-) |
Troubleshooting
| Problem | Cause | Solution |
| It just doesn’t sound right | Speaker are connected to the wrong output | Make sure you connected your speakers as explained in the manual |
| Control panel settings are wrong | Open the gasket and make sure your gains as crossover settings are set to factory settings | |
| Amplifier doesn’t turn on | Head unit wasn’t turned ON and didn’t trigger the amplifier or the remote-in Blue wire is not connected properly. | Make sure the amplifier’s REM-IN blue wire is connected to the head unit’s REM wire or to ignition. |
| Faulty fuse | Remove fuse and check with continuity meter. Replace if necessary. | |
| Poor connection integrity | Check “+12V” and “Ground” leads for pinched wires; ensure tight connections. | |
| Balance Reversed | Speaker Wire L & R Reversed | Make sure you positioned your speakers in accordance with the amplifier’s channel they are connected to. If the speakers are connected to the left channel make sure you position them on the left- hand side of your ride. Same goes for the right channel. |
| Output Distorted | Head unit/Audio player Volume Set Too High | Lower head unit/Audio player Volume |
| Amplifier Gain Set Too High | Lower Amplifier Gain (SENS) (counter clock) | |
| Output shuts off after a while | Overheating condition (Thermal Protection) | Make sure amplifier’s mounting area has adequate space for ventilation and heat dissipation. |
| Blowing Fuses | Excessive Output Levels | Lower the Volume |
| Amp is defective | Contact us at | |
| Whining or ticking noise while the engine is ON | The amplifier is picking up alternator or radiated noise | Move the audio cables away from the power wires |
| Turn Down input gain (SENS) | ||
| Check the alternator and/or voltage regulator. Test for weak battery or add water to the battery | ||
| Music cutting in and out | Not enough power to run the system | Make sure the amplifier is connected straight to the battery |
| Make sure your battery is full and is operating in full capacity |
We want to thank you again for choosing NOAM for your ride.
If you have any questions or require any assistance, please do not hesitate to contact us at:
[email protected] – for any technical issue
[email protected] for any non-technical related issue
Furthermore, we encourage you to register for our 1-year warranty here:
https://www.noamaudio.com/pages/warranty-registration

Sincerely,
NOAM Audio team www.noamaudio.com

All 4 Y splitters will be connected to the 2 Front channel Terminals.
Connect 2 of your remaining N5 speakers to the Front Left channels the following way:
*Make sure you position your speakers in accordance with the amplifier’s channel they are connected to. If the speakers are connected to the left channel make sure you position them on the left-hand side of your ride. Same goes for the right channel.



















