Hisense HBE3501CPS 5.8 cu. ft. Freestanding Electric Oven

Before you begin
Read these instructions completely and carefully.
- IMPORTANT – Save these instructions for the local inspector’s use.
- IMPORTANT – Observe all governing codes and ordinances.
- IMPORTANT – Remove all packaging material and literature from the oven before connecting the gas and electrical supply to the range.
- IMPORTANT – To avoid damage to your cabinets, check with your builder or cabinet supplier to make sure that the materials used will not discolor, delaminate or sustain other damage. This oven has been designed in accordance with the requirements of UL and OSA International and complies with temperatures of 194°F (90°C).
- Important to the Installer – Be sure to leave these instructions with the consumer.
- Important to the customer – Keep these instructions for reference.
Propper installation is the responsibillity of the installer.
For your safety
Tip-Over hazard
WARNING!

- A. A child or adult can tip the range and be killed.
- B. Verify the anti-tip device has been properly installed and engaged (See below).
- C. Ensure the anti-tip device is re-engaged when the range is moved (See below).
- D. Do not operate the range without the anti-tip device in place and engaged.
Anti-Tip Bracket
WARNING!

- To reduce the risk of tipping the range, the range must be secured by a properly installed anti-tip bracket.
- See installation instructions shipped with the bracket for complete details before attempting to install.
Tools and materials
Tools you may need

Materials you may need
Power Cord Clamp Squeeze Connector 4′ long with strain relief (For Conduit Installations Only). UL Listed 40 AMP 4-Wire or 3-Wire Cord
Steps for installation
Remove packaging materials
Failure to remove packaging materials could result in damage to the appliance. Remove all packing parts from the oven, racks, heating elements and drawer. Also remove protective film and labels on the door, cooktop and control panel.
Prepare the opening
(for indoor use only)
See ilustrations for all rough-in and spacing dimensions. The appliance may be placed with 0” clearance (flush) at the back walls and side walls of the cabinets.

- A. Recommended acceptable electrical outlet area. Orient the electrical receptacle so the length is parallel to the floor.
Minimum dimensions between cooktop, walls and above the cooktop
- Provide adequate clearances between the range and adjacent combustible surfaces. These dimensions must be met for the safe use of your appliance.
- Make sure the wall covering, countertop, flooring and cabinets around the range can withstand the heat (up to 200°F (90°C)) generated by the range.
- Allow 30’’ minimum clearance between surface units and bottom of an unprotected wood or metal cabinet, or allow a 24’’ minimum when the bottom of wood or metal cabinets is protected by no less than 1/4’’ thick flame retardant millboard covered with not less than No 28MSG sheet metal, (0,015’’) thick stainless steel, 0,024’’ aluminum or 0,020’’ copper.
- This appliance has been approved for 0’’ spacing to adjacent surfaces above the cooktop. However, a 6’’ minimum spacing to surfaces less than 15’’ above the cooktop and adjacent cabinet is recommended to reduce steam, grease platter, and heat exposure.
- Install with zero clearance on sides and back.

Cabinet storage space above the cooktop should be avoided to reduce the risk of burns or fire when reaching over hot surface elements. If cabinet storage space is to be provided above the cooktop, the risk can be reduced by installing an appliance hood that projects at least 5’’ beyond the front of the cabinets. Cabinets installed above the cooktop must be no deeper than 16’’.
NOTE! The cooktop must be at or above the counter.
Rating plate
The rating plate indicating the basic information about the appliance is located on the oven frame and it is visible when the oven door is opened.
Electrical installation
Power cord and conduit installation
On the back side of the appliance remove the metal cover by removing screws using a screwdriver. Do not discard these screws.
INFORMATION!
NOTE! Power cord and conduit with strain relief are not included in the appliance. It must be purchased separately.
| Range rating, watts | Specified rating of power-supply-cord kit, amperes | Diameter (inches) of the range connection opening | ||
| 120/240 volts 3-wire | 120/208 volts 3-wire | 40 or 50 A | Power cord | Conduit |
| 11900 – 14200 | 8900 – 10800 | 1 3/8” | 1 1/8” | |
For power cord installation
Assemble the strain relief in the connection plate hole (1 3/8”). Insert the power cord through the strain relief and tighten the clamp screws.

- Conduit connection plate
- Power cord
- Strain relief
NOTE! The power cord must always be installed with strain relief mounted into the connection plate. NOTE! Terminals on the power cord must be closed-loop or open-end spade lugs.
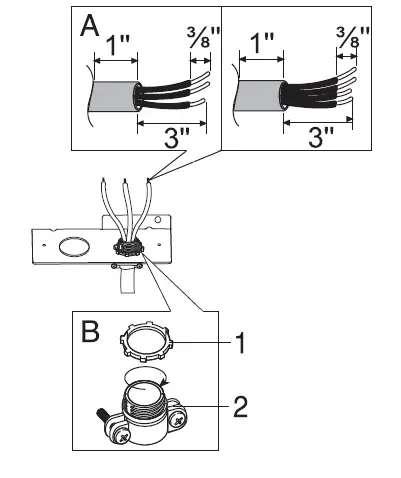
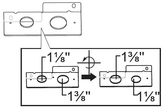
For conduit installation
Remove the conduit connection plate by removing two screws and rotating it, as shown below. The conduit hole (1 1/8”) must be used. Tighten both screws back.
Prepare the conduit cord (insulation stripped) as shown in A.
Install the conduit cord into the connection plate as shown in B.
Insert the strain relief into the conduit hole (1 ¹⁄8”). Then thread the conduit cord through the body (2) of the strain relief and fasten the ring (1). Reinstall the connection plate into possition and screw up.

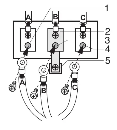
- Live 1
- Ground strap
- Neutral terminal
- Live 2
- Ground plate
- A. Black
- B. White
- C. Red
- Remove the 3 screws lower the terminal on the terminal block. Do not loosen the upper screws.
- Install the three-wire cord kit and strain relief in the hole in the connection plate.
- Connect the center (white/neutral) wire lead to the center terminal.
- Connect the red and black leads to the outside terminals.
- Push the cord upward (to relieve strain), while tightening the strain relief clamp.
- Securely tighten each screw (35 to 50 in-lbs).
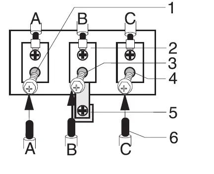
Three-Wire Conduit Connection

- Line 1
- Ground Strap
- Neutral terminal
- Live 2
- Ground plate
- Wire tips
- A. Black
- B. White
- C. Red
- Loosen the 3 lower terminal screws on the terminal block. Strip wire to expose tip about 3/8” long.
- Insert the center (white/neutral) wire tip through the bottom center terminal block opening. On certain models, the wire will need to be inserted through the ground strap opening and then into the bottom center block opening. Insert the two side bare wire tips into the lower left and the lower right terminal block openings.
- Tighten the screws until the wire is firmly secured (35 to 50 inch-lbs.) Do not over-tighten the screws.
Four-Wire Cord Connection
WARNING!
The neutral wire of the supply circuit must be connected to the neutral terminal located in the lower center of the terminal block. The power leads must be connected to the lower left and the lower right terminals of the terminal block. The grounding lead must be connected to the frame of the range with the ground plate and ground screw.
- Live 1
- Ground strap
- Neutral terminal
- Live 2
- Ground plate
- Ground screw
- A. Black
- B. White
- C. Red
- D. Green
- Remove the 3 lower screws from the terminal block. Do not loosen the upper screws.
- Remove the ground screw and ground plate and retain them.
- Cut the ground strap below the terminal block and discard the lower section.
- Insert the ground screw through the power cord ground wire ring through the ground plate and back into the range frame. Tighten securely, but do not over-tighten (15 to 20 in-lbs).
- Insert the 3 terminal screws through each power cord terminal ring and back into the terminal block. Be certain the white wire is in the center.
- Securely tighten each screw (35 to 50 in-lbs).
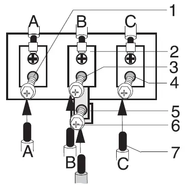
Four-Wire Conduit Connection

- Live 1
- Ground strap
- Neutral terminal
- Live 2
- Ground plate
- Ground screw
- Wire tips
- A. Black
- B. White
- C. Red
- D. Green

- Loosen the 3 lower terminal screws on the terminal block. Strip wire to exposed tip about 3/8” long.
- Remove the ground screw and ground plate and retain them. Cut the ground strap below the ground block and discard the lower section. Insert the ground screw through the ground plate (removed earlier) and put it back into the terminal.
- Insert the ground wire tip into the ground screw and plate. Tighten securely, but do not over-tighten (15 to 20 in-lbs).
- Insert the center (white/neutral) wire tip through the bottom center terminal block opening. On certain models, the wire will need to be inserted through the ground strap opening and then into the bottom center block opening. Insert the two side bare wire tips into the lower left and the lower right terminal block openings.
- Tighten the screws until the wire is firmly secured (35 to 50 inch-lbs). Do not over-tighten the screws.
NOTE!
ALUMINIUM WIRING: Aluminum building wire may be used, but it must be rated for the correct amperage and voltage.
Replace the wire cover
Replace the wire cover on the range back by sliding its left edge under the retaining tabs and replace the screws removed earlier. Make sure that no wires are pinched between the cover and range back.
Anti-tip device installation
Tip Over Hazard
WARNING!
- Child or adult can tip the range and be killed.
- Install the anti-tip bracket to the wall or floor.
- Engage the range to the anti-tip bracket by sliding the range back such that the foot is engaged.
- Re-engage the anti-tip device if the range is moved.
- See installation instructions for details.
- Failure to do so can result in death or serious burns to children or adults.
- Check to make sure that the rear leveling leg is fully inserted into the Anti-Tip bracket.
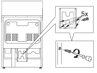
Anti-Tip Bracket
Install Anti-Tip Bracket (Anti-Tip Bracket Kit Included)
- Determine which mounting method to use: floor or wall. If you have a stone or masonry floor, you can use the wall mounting method. If you are installing the range in a mobile home, you must secure the range to the floor.
- This anti-tip bracket and screws can be used with wood or metal studs.

- Determine and mark the centerline of the cutout space (1). The mounting bracket can be installed on either the left-hand or right-hand side of the cutout. Position the mounting bracket against the wall in the cutout so that the center of the cutout of the bracket is 13 3/8″ (34 cm) from the centerline (A).
- Drill two 5/32″ (4 mm) holes that correspond to the bracket holes of the determined mounting method.
- Using the two 3/16 x 2″ (4,8 x 50 mm) Phillips-head screws provided, mount the anti-tip bracket to the wall or floor.
- Move range close enough to opening to allow for final electrical connections.
- Remove shipping base, cardboard or hardboard from under range.
- Move range into its final location, making sure the rear leveling leg slides into the anti-tip bracket (2).
Level the range
WARNING!
Never completely remove the leveling leg as the range will not be secured to the anti-tip device properly.
- Install the oven shelves in the oven and position the range where they will be installed.
- Check for levelness by placing a spirit level on one of the oven shelves. Take two readings, with the level placed diagonally first in one direction and then the other.
- First, remove the drawer.

- Level the range by adjusting the leveling legs with a wrench.
- The front leveling legs can be adjusted from the top or the bottom leg (1).
- The rear legs can be adjusted from the top of the leg (2) through the drawer opening.
Final installation check list
- Check to make sure the circuit breaker is closed or the circuit fuses are replaced.
- Be sure power is in service to the building.
- Check that all packaging materials and tape have been removed. This will include tape on the metal panel under control knobs (if applicable), adhesive tape, wire ties, cardboard and protective plastic. Failure to remove these materials could result in damage to the appliance once the appliance has been turned on and surfaces have heated.
- Check that the door and drawer are parallel to each other and that both operate smoothly. If they do not, see the User Manuals for proper replacement.
- Check to make sure that the rear leveling leg is fully inserted into the Anti-Tip bracket.
Operation checklist
- Make sure the combustion and ventilation airflow to the range is unobstructed.
- Be sure all range controls are in the OFF position before leaving the range.






















