velleman K3400 Dual Electronic Dice

Product Information
The Dual Electronic Dice K3400 is a kit designed and manufactured by Velleman NV. The kit comes with an illustrated assembly manual, H3400IP-1, and features two independent dice. The device can use a single or both dice at the same time, and the display auto shut-off saves battery power. The kit has low power consumption and requires a power supply of 8-12VDC or 6VAC. The idle power consumption of the device is 1mA, while the power consumption with both dice on is 60mA. The PCB dimensions are 76 x 70mm (3.0 x 2.8).
Features:
- Two independent dice.
- Use a single or both dice at the same time.
- Display auto shut-off saves battery power.
- Low power consumption.
Specifications
- Power supply : 8-12VDC or 6VAC.
- Idle power consumption : 1mA.
- Power consumption both dice on : 60mA.
- PCB dimensions: 76 x 70mm (3.0″ x 2.8″)
Assembly hints
- Assembly (Skipping this can lead to troubles ! )
Ok, so we have your attention. These hints will help you to make this project successful. Read them carefully.
Make sure you have the right tools:
- A good quality soldering iron (25-40W) with a small tip.
- Wipe it often on a wet sponge or cloth, to keep it clean; then apply solder to the tip, to give it a wet look. This is called ‘thinning’ and will protect the tip, and enables you to make good connections. When solder rolls off the tip, it needs cleaning.
- Thin raisin-core solder. Do not use any flux or grease.
- A diagonal cutter to trim excess wires. To avoid injury when cutting excess leads, hold the lead so they cannot fly towards the eyes.
- Needle nose pliers, for bending leads, or to hold components in place.
- Small blade and Phillips screwdrivers. A basic range is fine.
For some projects, a basic multi-meter is required, or might be handy
Assembly Hints :
- Make sure the skill level matches your experience, to avoid disappointments.
- Follow the instructions carefully. Read and understand the entire step before you perform each operation.
- Perform the assembly in the correct order as stated in this manual
- Position all parts on the PCB (Printed Circuit Board) as shown on the drawings.
- Values on the circuit diagram are subject to changes.
- Values in this assembly guide are correct*
- Use the check-boxes to mark your progress.
- Please read the included information on safety and customer service
Typographical inaccuracies excluded. Always look for possible last minute manual updates, indicated as ‘NOTE’ on a separate leaflet.
Soldering Hints :
- Mount the component against the PCB surface and carefully solder the leads

- Make sure the solder joints are cone-shaped and shin

- Trim excess leads as close as possible to the solder joint

REMOVE THEM FROM THE TAPE ONE AT A TIME !
AXIAL COMPONENTS ARE TAPED IN THE CORRECT MOUNTING SEQUENCE !
Construction


Connection & test
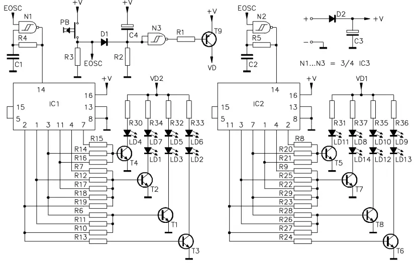
The push button (single pole normally open contact) has to be connected to the points PB.
Display selection is done by connecting VD1 respectively VD2 to VD.
You can make these connections permanent, or use a bipolar three position slide switch as shown in the connections diagram. In this case the slide switch functions as selector and on/off- switch at the same time. The power supply has to be connected to the points + and -. At choice you can use a 9V battery, a 8 to 12V power supply, or a 6V transformer.
For testing you select both displays.
- Push the button. As long as you push, the leds all burn feebly. This is because the dice are ‘rolling’. Cheating is out of the question, thanks to the very high and different speeds of both dice.
- The result appears as soon as you release the button.
- After about half a minute displays are switched off, so that ?current consumption is reduced to less than 1mA.
Connection example

Schematic diagram.

PCB

Modifications and typographical errors reserved © Velleman nv.
H3400IP’1 – 2014 (rev.1)
VELLEMAN NV Legen Heirweg 33 9890 Gavere
Belgium Europe www.velleman.be www.velleman-kit.com






















