
09370175 Electric Kebab Slicer
User Manual
ELECTRIC KEBAB SLICER
Model: 09370175
READ THIS USER MANUAL CAREFULLY BEFORE USING LEES VOOR GEBRUIK DEZE HANDLEIDING AANDACHTIG DOOR
INTRODUCTION
Thank you for purchasing this Maxima product. To ensure optimal and safe use, please read these instructions completely before attempting to install or use this product All Maxima products are manufactured with great care and are CE-certified. As a result, our products meet the legal requirements within the European Union with regard to safety, health, and the environment. In addition, our products are tested and inspected prior to shipment to ensure product quality and safety.
At Maxima, we are very proud of our products and are completely committed to providing you with the best products and services possible. Your satisfaction is our number one priority.
We trust you will enjoy using this product and Thank You for choosing Maxima Kitchen Equipment as your supplier. We hope you will consider Maxima for your future purchases.
SPECIFICATIONS
Product: MAXIMA ELECTRIC KEBAB SLICER
| Model | Dimensions (mm) | Weight (kg) | Power (kW) | Electrical Input | Cutting Thickness (mm) | Ø Knife (mm) |
| 09370175 | H190 x W150 x D110 | 1.4 | 0.08 | 230V / 50Hz 1 Phase | 0.5 – 8.0 | 100 |

FEATURES
A . Thickness Adjustment Dial
B .Protective Plate
C . Outer Ring with Knife Guide
D. Lock Screw
E. Power Switch
F. Handle
G. Power Cord
SAFETY GUIDELINES
This machine may only be used for the purpose for which it was designed and intended. The manufacturer and supplier are not liable for any damage caused by incorrect operation and improper use.
- This is a commercial product and must only be used by a trained professional who has read and fully understands this manual. It must not be used (without supervision) by children or persons with reduced physical, sensory or mental capabilities.
- This device is intended for indoor use only.
Keep the machine and electrical plug away from water and other liquids. If either is exposed to a liquid, immediately disconnect the power supply and have the machine checked by a certified technician. Not following these instructions may cause electric shock or even death. - Do not use the machine after it has fallen or is damaged in any other way. Has it been checked and repaired by a certified technician?
- Never move or carry the machine by the power cord. Do not open the casing or try to repair the machine yourself (unless instructed). This may void the warranty or cause damage and hazardous situations.
Do not insert any objects in the casing or openings of the machine. Do not use any extra devices or accessories that are not supplied along with the machine.- Never put your hands or other body parts near the moving parts of the machine while operational. Always keep an eye on the machine when in use.
- Keep all packaging away from children and dispose of the packaging in accordance with local, state, and national regulations.
- Avoid overloading the machine.
- The electrical installation must satisfy the applicable local, state, and national regulations.
- Switch off the machine before pulling the power plug out of the socket.
- Always disconnect the power supply when the machine is not in use. To pull the plug out of the socket, always pull on the plug and not on the cable.
- Do not touch the power plug with wet or damp hands. Keep the power cable away from the operating range and do not cover the cable. Also, make sure the power cable does not come in contact with sharp or hot objects and keep it away from an open fire.
As long as the power plug is in the electrical socket the machine is connected to the electric grid.
Handle with care, a sharp knife can cause serious injuries.
Always follow the applicable food safety guidelines when preparing or processing food.
FIRST TIME USE
- Unpack and inspect your product immediately after receipt. If there are any latent defects or damage to the machine then immediately contact your supplier. Save all packaging materials in case the machine needs to be returned or inspected by the freight carrier.
- Remove any protective film from all surfaces (if applicable). Read this instruction manual completely before attempting to install and operate this appliance.
- When in doubt, contact your supplier. Before using the appliance for the first time, it is recommended to properly clean it (view chapter “Cleaning and Maintenance”).
INSTALLATION
- Make sure the power plug is accessible at all times where you intend to use the machine.
- Choose a location where the machine is not exposed to direct sunlight, or close to a direct source of heat such as a cooker, oven, or radiator.
- Plug the power plug into a grounded and compatible socket.
OPERATION
- Make sure the protective plate is fitted correctly over the blade. Do not use the machine without this safety protection attached.
- Set the desired cutting thickness using the thickness adjustment dial.
- Active the machine using the power button located at the trigger position.
- Gently cut your product in a downwards motion.
Only cut cooked meat with the machine. - Switch off the machine when not in use.
- Clean the machine after use (see chapter “Cleaning and Maintenance”).
- If the machine will not be used for a longer period, always switch off and disconnect the power supply.
CLEANING AND MAINTENANCE
- Maintenance and repairs should only be done by a certified technician.
- Regularly check and clean the machine, its parts, and accessories.
- Regularly check the power plug and power cable for damage.
- If either is damaged do not use the machine.
- Instead, have it repaired by a certified electrical engineer.
- Sharpen the knife (smooth knife only) when needed (view instructions below).
- Always switch off and disconnect the power supply before cleaning or maintenance.
- Follow applicable food safety guidelines when cleaning machines and tools used in the food industry.
Never use aggressive cleaning agents or abrasives. Do not use solvents or petrol-based cleaning agents. Some cleaning agents may leave harmful residues or cause damage to the machine. Use a proper and food-safe cleaning product instead.
Do not use any scourer and sharp or pointed objects during cleaning, this may cause damage to the machine.
Never hose down the machine or immerse it in water (or any other liquid). Also do not use a steamer to clean the machine.
Never let the power cable or power plug get wet or damp. - Disassemble the cutting assembly for easy cleaning (view instructions below).
- Remove major residues using a brush and wipe down the exterior with a damp cloth.
- Clean parts and accessories using a soft brush or cloth and warm water with a proper (food-safe) detergent.
- Do not clean the parts or accessories in a dishwasher unless specifically mentioned.
- Rinse under the tap to remove soap residue.
- Always dry the machine, parts, and accessories after cleaning using a soft cloth.
DISASSEMBLY

GUARANTEE
Thank you for using our products. Our company applies the terms as set out in our “Algemene Voorwaarden” and will provide service when you can provide a valid purchase invoice.
We provide a 12-month warranty from the date of purchase. During the warranty period, our company is responsible to deliver spare parts in case of; material defects, manufacturing defects, or quality issues. However, only with correct use and use of original parts. The following is not covered by warranty:
- Damage due to transportation or incorrect installation and connection.
- Component damage caused by incorrect electrical or water connection.
- Damage as a result of disassembly and/or modifications to the original machine without prior permission.
- Damage as a result of misuse, poor cleaning, or improper maintenance.
- Damage as a result of fire, collapse, lightning strikes, flooding, power surges, vermin, and other similar events.
- Failure to read or follow the user manual.
- Consumables and wearing parts.
- An altered invoice or no invoice.
For the purpose of product development and improvement, we reserve the right to; change the product, packaging, or documentation without prior notice.
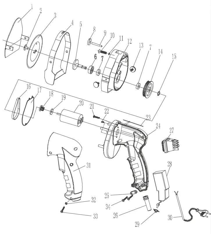
EXPLODED VIEW

SPARE PARTS LIST
| No. | Part Name | No. | Part Name |
| 1 | Knife Protector | 18 | Motor Gear |
| 2 | Fastening Screw | 19 | Ring Washer |
| 3 | Knife / Notched Knife | 20 | Motor |
| 4 | Adjustment Ring | 21 | Screw |
| 5 | Output Axis | 22 | Screw |
| 6 | Oil Seal | 23 | Sealing Strip |
| 7 | Bearing | 24 | Left Housing |
| 8 | Adjustment Screw | 25 | Cable Holder |
| 9 | Bolt | 26 | Cable Protector |
| 10 | Screw | 27 | Switch |
| 11 | Sealed Paper Pad | 28 | Circuit Board |
| 12 | Gear Box | 29 | Reset Cap |
| 13 | Lock Screw | 30 | Power Cord |
| 14 | Pulley | 31 | Right Housing Ring Washer |
| 15 I r | Ring | 32 | Washer |
| 16 | Belt | 33 | Screw |
| 17 | Seal Ring | 34 | Screw |
CIRCUIT DIAGRAM

OFFICE & SHOWROOM:
NIJVERHEIDSWEG 19F
3641 RP MIJDRECHT
THE NETHERLANDS
SPARE PART WAREHOUSE & TECHNICAL SERVICE DEPARTMENT:
NIJVERHEIDSWEG 19F
3641 RP MIJDRECHT
THE NETHERLANDS
WWW.MAXIMAKITCHENEQUIPMENT.COM
[email protected]
+31 (0) 297 253 969




















