FMS 1800mm Ranger Flown Bobby Kmitta Instruction Manual

WARNING
WARNING: Read the ENTIRE instruction manual to become familiar with the features of the product before operating.
Failure to operate the product correctly can result in damage to the product,personal property and cause serious injury.
This is a sophisticated hobby product and NOT a toy. It must be operated with caution and common sense and failure to do so could result in injury or damage to the product or other property. This product is not intended for use by children without direct adult supervision.
This manual contains instructions for safety operation and maintenance. It is essential to read and follow all the instructions and warnings in the manual prior to assembly, setup or use, in order to operate and avoid damage or serious injury.
Safety Precautions and Warnings
As the user of this product, you are solely responsible for operating in a manner that does not endanger yourself and others or result in damage to the product or the property of others. This model is controlled by a radio signal subject to interference from many sources outside your control. This interference can cause momentary loss of control so it is advisable to always keep a safe distance in all directions around your model, as this margin will help avoid collisions or injury. Age Recommendation: Not for children under 14 years. This is not a toy.
- Never operate your model with low transmitter batteries.
- Always operate your model in an open area away from cars, traffic or people.
- Avoid operating your model in the street where injury or damage can occur.
- Never operate the model in populated areas for any reason.
- Carefully follow the directions and warnings for this and any optional support equipment you use (chargers,rechargeable battery packs, etc.)
- Keep all chemicals, small parts and anything electrical out of the reach of children.
- Moisture causes damage to electronics. Avoid water exposure to all equipment not specifically designed and protected for this purpose.
- Never lick or any place of any your model in your mouth as it could cause serious injury or even death.
Safety
Lithium Polymer (Li-Po) Battery Warning
CAUTION: Always follow the manufacturer’s instructions for safe use and disposal of batteries. Fire, property damage, or serious injury can result from the mishandling of Li-Po batteries.
- By handling, charging or using a Li-Po Battery you assume all risks associated with lithium batteries. If at any time the batteries begin to swell or balloon, discontinue use immediately!
- Always store the batteries at room temperature in a dry area to extend the life of the battery. Always transport or temporarily store the battery in a temperature range of 40-120F. Do not store the battery or model in a car or in direct sunlight. If stored in a hot car, the battery can be damaged or even catch fire.
- Never use a Ni-Mh Charger to charge Li-Po Batteries. Failure to charge the battery with a Li-Po compatible charger may cause fire resulting in personal injury and property damage.
- Never discharge Li-Po Cells below 3V. Never leave charging batteries unattended.
- Never charge damaged batteries. Charging the Flight Battery Warning
- Use a battery charger that is designed to safely charge the Li-Po Battery. Read the charger instructions care fully before use. When charging the battery, make certain the battery is on a heat resistant surface. It is also highly recommended to place the Li-Po Battery inside a fire resistant charging bag readily available at hobby shops or online.
Introduction
The FMS 1800mm Ranger official release notes!
The FMS Ranger has quickly become well known amongst R/C pilots- Beginners love it for the simple assembly as well as its stable and predictable handling characteristics while experts love the Ranger as a weekend flyer with mild aerobatic capabilities. So what could be better than the 1200mm Ranger? Well, a 50% larger 1800mm Ranger, of course!
While quite a bit bigger, the 1800mm Ranger is still true to its roots- take off within 10 ft and cruise at 1/3 throttle with the flaps down- STOL is in its DNA. With a patented spring-cushioned nose gear and robust metal main landing gears, the 1800mm Ranger will absorb just about any landing impact. The durable, oversized wheels are designed specifically for rough field operations. With landing lights, nav lights and strobes, the 1800mm Ranger is realistic and could fly well into the dusk. Optional floats add to the all-terrain fun of the Ranger. Build the 1800mm Ranger in as little as 3 minutes (for experienced pilots)- the screw-together assembly is very straight-forward and easy to put together.
Want to supersize your experience?
The 1800mm Ranger is the right way to start!
Features:
- Power: Brushless 3541-750KV outrunner provides ample power, while the high quality 45A ESC has the output to match.
- CNC metal landing gear absorbs even the hardest landings
- Oversized wheels for all-terrain operations
- STOL capable flight characteristics and excellent low speed handling
- Realistic light set- Navigation lights, landing lights and strobes
- Screw-together assembly
- Optional floats
- Functional flaps
Kit Contents
Before assembly, please inspect the contents of the kit. The photo below details the contents of the kit with labels. If any parts are missing or defective, please identify the name or part number (refer to the spare parts list near the end of the manual) then contact your local shop or email us: support.
- A. Fuselage

- B. Vertical Stabilizer

- C. Main Wing

- D. Propeller Assembly

- E. Horizontal Stabilizer

- F. Antenna

- G. Nose landing gear

- H. Screw and pushrod set

- I. Main landing gear

- J. Wing tube

Specifications |
| Wingspan: 1800mm (70.9 in) |
| Overall Length: 1335mm (52.5 in) |
| Flying Weight: ~ 2180g |
| Motor Size: 3541-KV750 |
| Wing Load: 47.8 g/dm² (0.10oz/in²) |
| Wing Area: 45.6 dm² (706.7 sq.in) |
| ESC: 45A |
| Servo: 17g Servo x 6 |
| Recommended Battery: 14.8V 3300mAh-4000mAh 35C |
Model Assembly
Nose landing gear installation
- Install the nose-landing gear into the plastic slot on the aircraft as shown. Use the included screw to secure the control horn.

Main landing gear installation
- With the airframe included, install the landing gear and holder components into the slots on the fuselage as shown.

- Secure the landing gear onto the fuselage with the included screws.

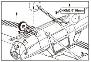
Installation of the horizontal and vertical stabilizers
- Install the horizontal and vertical stabilizers onto the fuselage as shown.

- Secure the tail surfaces to the fuselage with the include screws.

Main wing installation
- Slide the wing halves onto the wing spar and into the wing slots.

- Using the body pins, secure the struts to the fuselage.

- With the fuselage inverted, secure the wing halves onto the airframe by using the included screws.

Antenna Installation
- The antenna is secured into its slot and lock it in place by sliding the component towards the tail of the aircraft.

Pushrod Installation
- With the rudder servo in its neutral position, connect an included pushrod from the rudder servo to the rudder surface.

- With the elevator servo in its neutral position, connect an included pushrod from the elevator servo to the elevator surface.

Propeller Installation
- Install the propeller assembly as shown.

Float Assembly
- As shown in the image, connect both floats with the metal struts and secure the structure with the included screws.

- Connect the floats to the fuselage and secure with the included screws and retainer.

Battery Installation
- Pull back on the release tab and remove the battery hatch.
- Apply hook tape to the cable end of the battery.
- Make sure the battery is secured using hook tape.
Note: batteries from different manufacturers will vary in weight and size, it is therefore important to check the center of gravity of the aircraft before every flight.
Receiver Diagram
The cables from the servo connector board should be connected to your receiver in the order shown. Tuck the wire leads into the recessed cavity towards the rear of the battery hatch.
Get Your Model Ready to Fly
Important ESC and model information
- The ESC included with the model has a safe start. If the motor battery is connected to the ESC and the throttle stick is not in the low throttle or off position, the motor will not start until the throttle stick is moved to the low throttle or off position. Once the throttle stick is moved to the low throttle or off position, the motor will emit a series of beeps. Several beeps with the same tune means the ESC has detected the cells of the battery. The count of the beeps equals the cells of the battery. The motor is now armed and will start when the throttle is moved.
- The motor and ESC come pre-connected and the motor rotation should be correct. If for any reason the motor is rotating in the wrong direction, simply reverse two of the three motor wires to change the direction of rotation.
- The motor has an optional brake setting. The ESC comes with brake switched off and we recommend that the model be flown with the brake off. However, the brake could be accidentally switched on if the motor battery is connected to the ESC while the throttle stick is set at full throttle. To switch the brake off, move the throttle stick to full throttle and plug in the motor battery. The motor will beep one time. Move the throttle stick to low throttle or the off position. The motor is ready to run and the brake will be switched off.
- Battery Selection and Installation. We recommend the 14.8V 3300mAh-4000mAh 35C Li-Po battery. If using another battery, the battery must be at least a 14.8V 3300mAh-4000mAh 35C battery. Your battery should be approximately the same capacity, dimension and weight as the 14.8V 3300mAh-4000mAh 35C Li-Po battery to fit the fuselage without changing the center of gravity significantly.
Transmitter and model setup
Before getting started, bind your receiver with your transmitter. Please refer to your transmitter manual for proper operation. CAUTION: To prevent personal injury, DO NOT install the propeller assembly onto the motor shaft while testing the control surfaces. DO NOT arm the ESC and do not turn on the transmitter until the Transmitter Manual instructs you to do so. Tips: Make sure all control sticks on your radio are in the neutral position (rudder, elevator, ailerons) and the throttle is in the OFF position. Make sure both ailerons move up and down (travel) the same amount. This model tracks well when the left and right ailerons travel the same amount in response to the control stick. Move the controls on the transmitter to make sure the aircraft control surface moves correctly. See diagrams right.
Control throws
The suggested control throw setting for the Ranger are as follows (dual rate setting):
Tips: On the first flight, fly the model in low rate. The first time you use high rates,be sure to fly at low to medium speeds. High rate, as listed, is only for EXTREME maneuvering.
| Item | High Rate | Low Rate |
| Elevator | 16 mm up/down | 10 mm up/down |
| Aileron | 20 mm up/down | 16 mm up/down |
| Rudder | 16 mm left/right | 12 mm left/right |
Clevis Installation
- Pull the tube from the clevis to the linkage.
- Carefully spread the clevis, then insert the clevis pin into the desired hole in the control horn.
- Move the tube to hold the clevis on the control horn.






Control horn and servo arm settings
The table shows the factory settings for the control horns and servo arms. Fly the aircraft at the factory settings before making changes. After flying,you may choose to adjust the linkage positions for the desired control response.

Check the C.G. (Center of gravity)
When balancing your model, adjust the battery as necessary so the model is level or slightly nose down. This is the correct balance point for your model. After the first flight, the CG position can be adjusted for your personal preference. 1. The recommended Center of Gravity (CG) location for your model is(75-85mm) from the leading edge of the main wing (as shown) with the battery pack installed. Mark the location of the CG on top of the wing. 2. When balancing your model, support the plane at the marks made on the bottom of the main wing with your fingers or a commercially available balancing stand. This is the correct balance point for your model. Make sure the model is assembled and ready for flight before balancing.
Before flying the model
Find a suitable flying site
Find a flying site clear of buildings, trees, power lines and other obstructions. Until you know how much area will be required and have mastered flying your plane in confined spaces, choose a site which is at least the size of two to three football fields – a flying field specifically for R/C planes is best. Never fly near people – especially children, who can wander unpredictably.
Flying Course
Take off
While applying power, slowly steer to keep the model straight. The model should accelerate quickly. As the model gains flight speed you will want to climb at a steady and even rate. It will climb out at a nice angle of attack (AOA).
Perform the range check for your plane
As a precaution, an operational ground range test should be performed before the first flight each time you go out. Performing a range test is a good way to detect problems that could cause loss of control such as low batteries, defective or damaged radio components, or radio interference. This usually requires an assistant and should be done at the actual flying site you will be using.
First turn on the transmitter, then install a fully-charged battery into the fuselage. Connect the battery and install the hatch.
Remember, use care not to bump the throttle stick. Otherwise, the propeller/fan will turn and possibly cause damage or injury.
Note: Please refer to your Transmitter Manual that came with your radio control system to perform a ground range check. If the controls are not working correctly or if anything seems wrong, do not fly the model until you correct the problem. Make certain all the servo wires are securely connected to the receiver and the transmitter batteries have a good connection.
Flying
Always choose a wide-open space for flying your plane. It is ideal for you to fly at a sanctioned flying field. If you are not flying at an approved site always avoid flying near houses, trees, wires and buildings. You should also be careful to avoid flying in areas where there are many people, such as busy parks, schoolyards, or soccer fields. Consult laws and ordinances before choosing a location to fly your aircraft. After takeoff, gain some altitude. Climb to a safe height before trying technical manoeuvres, including high speed passes, inverted flight, loops, and point rolls.
Monitor your flight time
Monitor and limit your flight time using a timer (such as on a wristwatch or in your transmitter if available). When the batteries are getting low you will usually notice a performance drop before the ESC cuts off motor power, so when the plane starts flying slower you should land. Often (but not always) power can be briefly restored after the motor cuts off by holding the throttle stick all the way down for a few seconds. To avoid an unexpected dead-stick landing on your first flight, set your timer to a conservative 4 minutes. When your alarm sounds you should land right away.
Landing
Land the model when you hear the motor pulsing (LVC) or if you notice a reduction in power. If using a transmitter with a timer, set the timer so you have enough flight time to make several landing approaches. The model’s three point landing gear allows the model to land on hard surfaces. Align model directly into the wind and fly down to the ground. Fly the airplane down to the ground using 1/4-1/3 throttle to keep enough energy for proper flare. Before the model touches down, always fully decrease the throttle to avoid damaging the propeller or other components. The key to a great landing is to manage the power and elevator all the way to the ground and set down lightly on the main landing gear. After a few flights you will find the model can be set down lightly on the mains and you can hold the nose wheel off balancing the model on the mains until it slows and gently settles the nose.
Maintenance
Repairs to the foam should be made with foam safe adhesives such as hot glue, foam safe CA, and 5min epoxy. When parts are not repairable, see the Spare Parts List for ordering by item number. Always check to make sure all screws on the aircraft are tightened. Pay special attention to make sure the spinner is firmly in place before every flight.
Trouble Shooting
| Problem | Possible Cause | Solution |
| Aircraft will not respond to the throttle but responds to other controls. | -ESC is not armed. -Throttle channel is reversed. | -Lower throttle stick and throttle trim to lowest settings. -Reverse throttle channel on transmitter. |
| Extra propeller noise or extra vibration. | -Damaged spinner, propeller, motor or motor mount. -Loose propeller and spinner parts. -Propellor installed backwards. | -Replace damaged parts. -Tighten parts for propeller adapter, propeller and spinner. -Remove and install propeller correctly. |
| Reduced flight time or aircraft underpowered. | -Flight battery charge is low. -propeller installed backward. -Flight battery damaged. | -Completely recharge flight battery. -Replace flight battery and follow flight battery instructions. |
| Control surface does not move, or is slow to respond to control inputs. | -Control surface, control horn, linkage or servo damage. -Wire damaged or connections loose. | -Replace or repair damaged parts and adjust controls. -Do a check of connections for loose wiring. |
| Controls reversed. | Channels are reversed in the transmitter. | Do the control direction test and adjust controls for aircraft and transmitter. |
| -Motor loses power -Motor power pulses then motor loses power. | -Damage to motor, or battery. -Loss of power to aircraft. -ESC uses default soft Low Voltage Cutoff(LVC). | -Do a check of batteries, transmitter, receiver, ESC, motor and wiring for damage(replace as needed). -Land aircraft immediately and recharge flight battery. |
| LED on receiver flashes slowly. | Power loss to receiver. | -Check connection from ESC to receiver. -Check servos for damage. -Check linkages for binding. |
Spare Parts List Content
| FMSRX101 | Fuselage |
| FMSRX102 | Main wing set |
| FMSRX103 | Horizontal stabilizer |
| FMSRX104 | Vertical stabilizer |
| FMSRX105 | Cowl |
| FMSRX106 | Battery cover |
| FMSRX107 | Wing spar |
| FMSRX108 | Wing struts |
| FMSRX100 | Spinner |
| FMSRX110 | Front landing gear set |
| FMSRX111 | Main landing gear set |
| FMSRX112 | Landing gear dashboard |
| FMSRX113 | Antenna |
| FMSRX114 | Steel set |
| FMSRX115 | Screws set |
| FMSRX116 | R clasp |
| FMSRX117 | Wheel set |
| FMSRX118 | Control horn set |
| FMSRX119 | Sticker |
| FMSRX120 | LED set |
| FMSRX121 | LED controller |
| FMSPROP054 | propeller |
| FMSDJ015 | Motor amout |
| FMSBM041 | Motor board |
| FMSDZ022 | Motor shaft |
| PRKV750E | 3541-KV750 motor |
| PRESC025 | 45A ESC |
Visit our website: www.fmsmodel.com to see photo of this product. Enter the key word “ESC” in the search bar for the stock ESC instruction manual.

















































