PROFESSIONAL POWER TOOL SOLUTIONS
Instruction Manual
DG 25 Set/ DG 700
DG 700 L/ DG 700-90
DG 25 Set Air Die Grinder

| DG 25 Set | DG 700 | DG 700 L | DG 700-90 | ||
| *1) Serial Number | 04116.. | 01554.. | 01555.. | 01592.. | |
| V1 | 1/min | 300 | 600 | 600 | 600 |
| P max. | bar | 6,2 | 6,2 | 6,2 | 6,2 |
| no | ../min | 25000 | 22000 | 22000 | 12000 |
| ds | mm (in) | 3 ; 6 (1/8;1/4) | 6 (1/4) | 6 (1/4) | 6 (1/4) |
| D max | mm (in) | 50 (2) | 50 (2) | 50 (2) | 50 (2) |
| di | mm (in) | 10 (3/8) | 10 (3/8) | 10 (3/8) | 10 (3/8) |
| C | “ | 1/4 | 1/4 | 1/4 | 1/4 |
| A | mm | 160 x 39 x 67 | 200 x58 x 74 | 330 x 58 x 74 | 210 x50 x 84 |
| m | kg (lbs) | 0,5 (1.1) | 0,83 (1.8) | 1,3 (2.9) | 1,2 (2.6) |
| ah/Kh | m/s² | 0,1/1,5 | 3,1/0,8 | 3,1/0,8 | 3,1/0,8 |
| LpA/KpA | dB(A) | 75 / 3 | 89,1 / 3 | 89,1 / 3 | 89,1 / 3 |
| LWA/KWA | dB(A) | 87 / 3 | 100,1 / 3 | 100,1 / 3 | 100,1 / 3 |
*2) 2006/42/EC
*3) EN ISO 12100:2010, EN ISO 11148-9:2011
2022-06-01, Bernd Fleischmann
Direktor Produktentstehung & Qualität (Vice President Product Engineering & Quality)
*4) Metabowerke GmbH – Metabo-Allee 1 – 72622 Nuertingen, Germany
Original instructions
1. Declaration of Conformity
We declare under our sole responsibility: These compressed air bar grinders, identified by type and serial number *1), comply with all relevant requirements of the directives *2) and standards *3).
Technical file at *4) – see page 3.
For UK only:
We as manufacturer and authorized person to compile the technical file, see *4) on page 3, hereby declare under sole responsibility that these compressed air bar grinders, identified by type and serial number *1) on page 3, fulfill all relevant provisions of following UK Regulations S.I. 2008/ 1597 and Designated Standards EN ISO 12100:2010, EN ISO 11148-9:2011
Specified Use
This compressed air tool is designed for…
– … for fine grinding work with abrasive points
– …for working with polishing bobs
– …for working with felt polishing tools
– …for working with lamellar grinding wheels by professionals.
The tool must only ever be operated with a compressed air supply.
The maximum supply pressures pacified on the air tool must never be exceeded.
The air tool must not be operated using explosive, inflammable or hazardous gases. It must not be used as a lever, crushing tool or striking tool.
Any other use does not comply with the intended purpose. Unspecified use, modification of the air tool or use of parts that have not been tested and approved by the manufacturer can cause unforeseeable damage.
The user bears sole responsibility for any damage caused by improper use.
Generally accepted accident prevention regulations and the enclosed safety information must be observed.
General safety instructions
For your own protection and for the protection of your pneumatic tool, pay attention to all parts of the text that are marked with this symbol!
WARNING – Reading the operating instructions will reduce the risk of injury.
WARNING Read all safety warnings and instructions. Failure to follow all safety warnings and instructions may result in electric shock, fire and/or serious injury.
Keep all safety instructions and information for future reference.
Pass on your pneumatic tool only together with these documents.
– The user or the user’s employer must evaluate the specific risks associated with each application of the tool.
– The Safety Instructions must be read and understood before installing, operating, repairing or maintaining the tool, and also before replace any accessory parts or carrying out any work in the vicinity of the pneumatic tool. Failure to read and follow the instructions may lead to serious injury.
– Only qualified, trained operators are authorised to install, adjust or use the pneumatic tool.
– The pneumatic tool must not be modified. Any modifications may reduce the efficiency of the safety measures and increase risks for the operator.
– Never use pneumatic tools that have been damaged. Look after your pneumatic tools carefully. Regularly check that all moving parts are functioning correctly without jamming, ensure that no parts are broken or damaged to an extent that they affect the operation of the pneumatic tool. Check that all signs and labels are legible and intelligible. Have damaged parts repaired or replaced before using the tool. Many accidents are caused by poorly maintained pneumatic tools.
Special Safety Instructions
4.1 Risks associated with ejected parts
– If either the workpiece, accessory parts or the pneumatic tool breaks, parts may be ejected at high speed.
– While operating, maintaining or repairing the pneumatic tool, or replacing accessory parts, you must always wear impact-resistant safety goggles. The degree of protection required for each individual task must be evaluated separately
in each case.
– Ensure that the workpiece is secure. – Regular checks must be carried out to verify that the rotational speed of the pneumatic tool does not exceed the speed specified on the pneumatic tool. These speed checks must be conducted when no accessory is fitted. Metabo’s Service Centre can perform these checks for you. ‘
– Ensure that any sparks or fragments emitted during operation do not pose a risk.
– Disconnect the pneumatic tool from the compressed air supply before replacing the accessory or accessory parts, and also before carrying out maintenance, settings or cleaning.
– Also ensure that no other people are placed at risk.
4.2 Risks associated with items catching/ getting entwined
– Wear suitable clothing. Do not wear loose clothing or jewellery. Keep hair, clothing and gloves at a safe distance from the pneumatic tool and moving parts. Loose clothing, jewellery or long hair could catch in moving parts. There is a risk of injury in this case.
4.3 Risks during operation
– Avoid any contact with the rotating shaft and the accessory to prevent cuts to your hands and other body parts.
– When using the pneumatic tool, the operator’s hands may be exposed to potential risk of cuts, abrasions and heat damage. To protect your hands, wear suitable gloves.
– The operator and maintenance staff must be physically capable of handling the size, weight and power output of the pneumatic tool.
– Make sure you hold the pneumatic tool correctly: Be prepared to counter any standard or unexpected movements, so keep both hands ready.
– Ensure you stand in a safe position and keep your balance at all times.
– Avoid accidental operation. If the air supply is interrupted, switch off the pneumatic tool using the On/Off switch.
– Only use lubricants that have been recommended by the manufacturer.
– Wear personal protective equipment and always wear safety glasses. By wearing personal protective equipment such as gloves, protective clothing, a dust mask, non-skid safety shoes, a safety helmet or ear protectors, to suit the type of machine and its use, you reduce the risk of injury. Wearing this equipment is recommended.
-The rated speed of the accessory must be at least equal to the maximum speed marked on the pneumatic tool.
Accessories running faster than their rated speed can break and fly apart.
– Wear a safety helmet if carrying out work above your head.
– The tool continues running after the pneumatic tool has been switched off.
– Ensure the sparks emitted during use do not poseany risk. Explosive or flammable dust may be generated while you work on workpieces. There is therefore a risk of explosion or fire.
4.4 Risks associated with recurring movements
– When working with the pneumatic tool, you may experience an uncomfortable sensation in your hands, arms, shoulders, neck or in other body parts.
– Make sure you are in a comfortable position to carry out work with the pneumatic tool, check that the tool is held securely, and avoid any awkward positions that make it difficult, for example, to keep your balance. If carrying out work over an extended period, the operator should change position occasionally. This should help to avoid fatigue and any unpleasant sensation.
– If the operator experiences persistent symptoms such as feeling unwell, aches, pains or throbbing, a prickling or burning sensation, loss of hearing, or joint stiffening, these warning signs must not be ignored. The operator should advise the employer of these symptoms and consult a qualified doctor.
4.5 Risks associated with accessory parts
– Disconnect the pneumatic tool from the air supply before the accessory or accessory part is secured or replaced.
– Only use accessories that are designed for this machine and that fulfil the requirements and the specifications listed in these operating instructions.
– Avoid any direct contact with the accessory both during and after use because it may be hot or have sharp edges.
– The rated speed of the accessory must be at least equal to the maximum speed marked on the pneumatic tool. Accessories running faster than their rated speed can break and fly apart.
– Never fit a grinding wheel, cut-off wheel or milling cutter. If a grinding wheel burst, it can cause serious or even fatal injury.
– Do not use wheels that are chipped, ripped or that may have fallen.
– Only the permissible accessories with the appropriate shank diameter must be used.
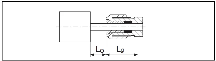
– Observe the manufacturer’s recommendations for small grinding tools. For small grinding tools, the maximum permissible projection allowed by the manufacturer (L0=length of shank between the end of the collet chuck and the small grinding tool) must not be exceeded! If the projection is increased (L0), the permissible speed must be lowered. Insert the accessory with the full length of the shank if possible into the collet chuck. Ensure that the clamping length (Lg) is at least 10mm.
– The accessory’s shank diameter must correspond exactly to the collet bore of the collet chuck!
4.6 Risks in the workplace
– Slipping, tripping and falling are the main reasons for accidents in the workplace. Pay attention to surfaces that may have become slippy as a result of using the pneumatic tool, and also watch that the air hose does not cause someone to trip.
– Proceed carefully when working in unfamiliar environments. Power cables and other supply lines may represent a hidden risk.
– The pneumatic tool is not designed for use in explosive environments and is not insulated against contact with sources of electric power.
– Ensure that the spot where you wish to work is free of power cables, gas lines or water pipes (e.g. using a metal detector).
4.7 Risks associated with dust and vapours
– The dust and vapours generated when the pneumatic tool is used may carry health risks (e.g. cancer, birth defects, asthma and/or dermatitis); it is therefore imperative that a risk assessment is carried out in relation to these risks and that suitable controls are then implemented.
– The risk assessment should take into account both the dust generated while the pneumatic tool is used and any existing dust that may be raised during operation.
– The pneumatic tool must be operated in accordance with the recommendations set forthin these instructions and must be maintained in order to minimize the release of dust and vapours.
– The extracted air must be discharged in such a way that the minimum of dust is raised in a dustfille environment.
– If dust or vapours are generated, the main priority is to control these at the location where they are released.
– All built-in or accessory parts on the pneumatic tool that are designed to collect, extract or prevent air-borne dust or vapours must be used and maintained in accordance with the manufacturer’s instructions.
– To avoid increasing the amount of dust or vapours generated unnecessarily, it must ensured that consumables and the accessory are selected, maintained and replaced in accordance with these instructions.
– Use protective breathing apparatus in accordance with your employer instructions or in accordance with health and safety regulations.
– Working with certain materials causes emissions of dust and vapours that can give rise to potentially explosive conditions.
4.8 Risks associated with noise
– Failure to use adequate ear protectors when the noise level is high can result in lasting damage to hearing, hearing loss and other problems, such as tinnitus (ringing, whistling or buzzing in the ear).
– It is vital to carry out a risk assessment in relation to these risks and to implement appropriate control measures that take the risks into account.
– Appropriate risk control measures may include, for example, the use of sound-insulating materials to prevent the knocking sounds that occur on the workpieces.
– Use ear protection in accordance with your employer instructions or in accordance with health and safety regulations.
– The pneumatic tool must be operated in accordance with the recommendations provided in these instructions and must be maintained in order to avoid unnecessarily raising the noise level.
– To avoid increasing the noise level unnecessarily, consumables and the accessory must be selected, maintained and replaced in accordance with these instructions.
– The integrated sound absorber must not be removed. You must ensure it is in good working order.
4.9 Risks associated with vibration
– The effects of vibrations can damage nerves and impair blood circulation in the hands and arms.
– When working in cold environments, you must wear warm clothing and keep your hands warm and dry.
– If you notice that the skin on your fingers or hands is numb, prickling or turning white, stop working with the pneumatic tool immediately, notify your employer and consult a doctor.
– The pneumatic tool must be operated in accordance with the recommendations provided in these instructions and must be maintained in order to avoid unnecessarily raising the level of vibration.
– To avoid increasing the level of vibration unnecessarily, consumables and the accessory must be selected, maintained and replaced in accordance with these instructions.
– To support the weight of the pneumatic tool, use a stand, a clamp or an equaliser whenever possible.
– Hold the pneumatic tool firmly but not too tightly using the required manual torque reaction: the risk of vibration is increased when the grip force is higher.
– An accessory that is either damaged or incorrectly mounted can cause excessive vibration.
4.10 Additional safety instructions
– Compressed air can cause serious injury.
– When the pneumatic tool is not in use, before replacing accessory parts or when carrying out repairs, you must ensure that air supply is shut off, that the air hose is depressurised and that the pneumatic tool is disconnected from the
compressed air supply.
– Never direct the air jet at yourself or other people.
– Hoses that whip about can cause serious injury.
Therefore always check that the hoses and their fixtures are in good condition and that they have not become loose.
– If universal swivel couplings (claw couplings) are being used, locking pins must also be used. You should also use whip check hose restraints in case there is a problem with the connection between the hose and pneumatic tool or between the hoses themselves.
– Ensure that the maximum pressure specified on the pneumatic tool is not exceeded.
– Never carry pneumatic tools by the hose.
– Secure the pneumatic tool if it is operated in a holder. Loss of control can cause personal injury.
4.11 Additional Safety Instructions
– If applicable, observe any particular health and safety or accident prevention regulations governing the use of compressors and compressed pneumatic tools.
– Ensure that the maximum supply pressure specified in the Technical Specifications is not exceeded.
– Do not overload the tool – use it only within the performance range for which it was designed (see “Technical Specifications”).
– Use non-hazardous lubricants. Ensure the workplace is adequately ventilated. If there is a large amount of discharge: Check the pneumatic tool and have it repaired if necessary.
– Do not operate the tool unless you are completely focused. You must be alert, pay attention to what you are doing and proceed cautiously when working with a pneumatic tool. Never use a tool when you are tired or under the influence of drugs, alcohol or medication. Just one moment’s carelessness when using the tool can cause serious injury.
– Make sure your workplace is clean and well lit. Untidy or poorly lit workplaces can cause accidents.
– Keep pneumatic tools away from children.
– Do not store the tool outdoors or in damp conditions without protection.
– Protect the pneumatic tool, especially the compressed air connection and the control elements from dust and dirt.
Information in these operating instructions is categorised as shown below:
Danger! Risk of personal injury or environmental damage.
Caution. Risk of material damage
4.12 Symbols on the pneumatic tool
Read the Operating Instructions before starting to use the machine.
| Wear safety goggles. | |
| Wear ear protectors. | |
| Direction of rotation |
Overview
See page 2.
- Open-ended spanner
- Collet chuck nut
- Collet chuck
- Collet chuck holder
- Spindle
- Open-ended spanner
- Switch (on/off)
- Switch-on lock
- Adjusting screw for setting the speed *
- Air outlet
- Compressed air connection with filter
- Plug-in nipple 1/4″
* depending on model
Operation
6.1 Before using the tool for the first time
Insert plug-in nipple (12).
6.2 Inserting the collet chuck
The tool’s shank diameter must correspond exactly to the collet bore of the collet chuck (3)!
DG 25 Set: Various collet chucks are available for different shank diameters.
Insert the collet chuck (3) into the collet chuck holder (4) and manually tighten the collet chuck nut (2).
If there is no tool inserted in the collet chuck, you can tighten the collet chuck manually rather than with the open-end spanner.
6.3 Attaching the accessory
For small grinding tools, the maximum permissible projection allowed by the manufacturer (L0) must not be exceeded! Insert the accessory with the full length of the shank if possible into the collet chuck (3). Ensure that the clamping length (Lg) is at least 10mm.
The accessory’s shank diameter must correspond exactly to the collet bore of the collet chuck (3).
– Bring the spindle (5) to a standstill using the openend spanner (6).
– Tighten the collet chuck nut (2) using the openend spanner (1).
– Ensure that the accessory is fitted securely.
6.4 Using the pneumatic tool
To benefit from the pneumatic tool’s full performance, always use compressed air hoses with an inner diameter of at least 10 mm. Tool performance can be significantly impaired if the inner diameter is too small.
Caution. The compressed air line must not contain any water condensation.
Caution. To preserve and extend the service life of this tool, you must ensure that it is regularly maintained with pneumatic oil lubricator. You can do this as follows:
–Use oiled compressed air by fitting an oil-fog lu- bricator.
– Without an oil-fog lubricator: Manually apply oil every day via the compressed air connection.
Use approx. 3-5 drops of pneumatic oil lubricator for each 15 minutes of continuous operation.
If the tool has not been in use for several days, you should manually apply about 5 drops of pneumatic oil lubricator into the compressed air connection.
Caution. Only allow the tool to run at idle speed for a brief period.
- DG 25 Set: Select a suitable collet chuck (3) (see Chapter 6.2).
- Fit an appropriate accessory (see Chapter 6.3).
- DG 25 Set: You can adjust the speed on the adjusting screw (9).
- Adjust the supply pressure (this is measured at the air outlet while the pneumatic tool is switched on). For details of the maximum permissible supply pressure, see the Chapter on “TechnicalSpecifications”.
- Connect the pneumatic tool to the compressed air supply.
- To switch on: Push the switch-on lock (8) in the direction of the arrow (see Fig., Page 2) and press switch (7).
o switch off: Release switch (7)
Care And Maintenance
Danger! Disconnect the compressed air connection before carrying out any work.
Danger! Repair and maintenance work other than described in this section should only be carried out by qualified specialists.
– Carry out regular maintenance to ensure the safety of the pneumatic tool.
– Check that all screw fittings are seated securely, and tighten if necessary.
– Clean the filter in the compressed air connection at least once a week.
– It is recommended that you install a pressure reducer with an air-water separator and lubricator upstream of the pneumatic tool.
– If a large amount of air or oil is escaping, check the pneumatic tool and have it maintained if necessary. (see Section 9.)
– Check the rotational speed regularly and after every use. Also carry out a simple check on vibration emission.
– Avoid contact with dangerous substances that have collected on the tool. Wear suitable personal protective equipment and take appropriate measures to remove any dangerous substances before maintenance.
Accessories
Use only genuine Metabo accessories.
Only use accessories that are designed for this pneumatic tool and that fulfil the requirements and the specifications listed in these operating instructions.
For a complete range of accessories, see www.metabo.com or the catalogue.
Repairs
Danbger! Repairs to pneumatic tools must only be carried out by qualified specialists, using original Metabo spare parts! If you have Metabo pneumatic tools that require repairs, please contact your Metabo service centre.
For addresses see www.metabo.com.
You can download spare parts lists from www.metabo.com.
Environmental Protection
Observe national regulations on environmentally compatible disposal and on the recycling of disused pneumatic tools, packaging and accessories. You must not cause risks to people or the environment.
Technical specifications
Explanatory notes on the specifications on page 3.
Changes due to technological progress reserved.
V1 =Air requirement
pmax. = maximum permissible supply pressure
n0 = Rotational speed
dS = Collet bore of the collet chuck
Dmax = maximum diameter of the small grinding tool
di = Hose diameter (inner)
C = Connecting thread
A = Dimensions: Length x Width x Height
m=Weight
The technical specifications quoted are subject to tolerances (in compliance with the relevant valid standards).
Emission values
Using these values, you can estimate the emissions from this tool and compare these with the values emitted by other tools. The actual values may be higher or lower, depending on the particular application and the condition of the tool or accessory. In estimating the values, you should also include work breaks and periods of low use. Based on the estimated emission values, specify protective measures for the user – for example, any organisational steps that must be put in place.
Vibration (acceleration value, frequency-weighted according to EN 28927):
ah = Vibration emission level
Kh = Measurement uncertainty (vibration)
Sound level (EN ISO 15744):
LpA = Sound pressure level
LWA = Acoustic power level KpA,
KWA= Measurement uncertainty
Wear ear protectors!



















