RANCILIO 019-CLASSE9S3 Document Set Classe 9 Espresso Machine Datasheet

for more information / User manual

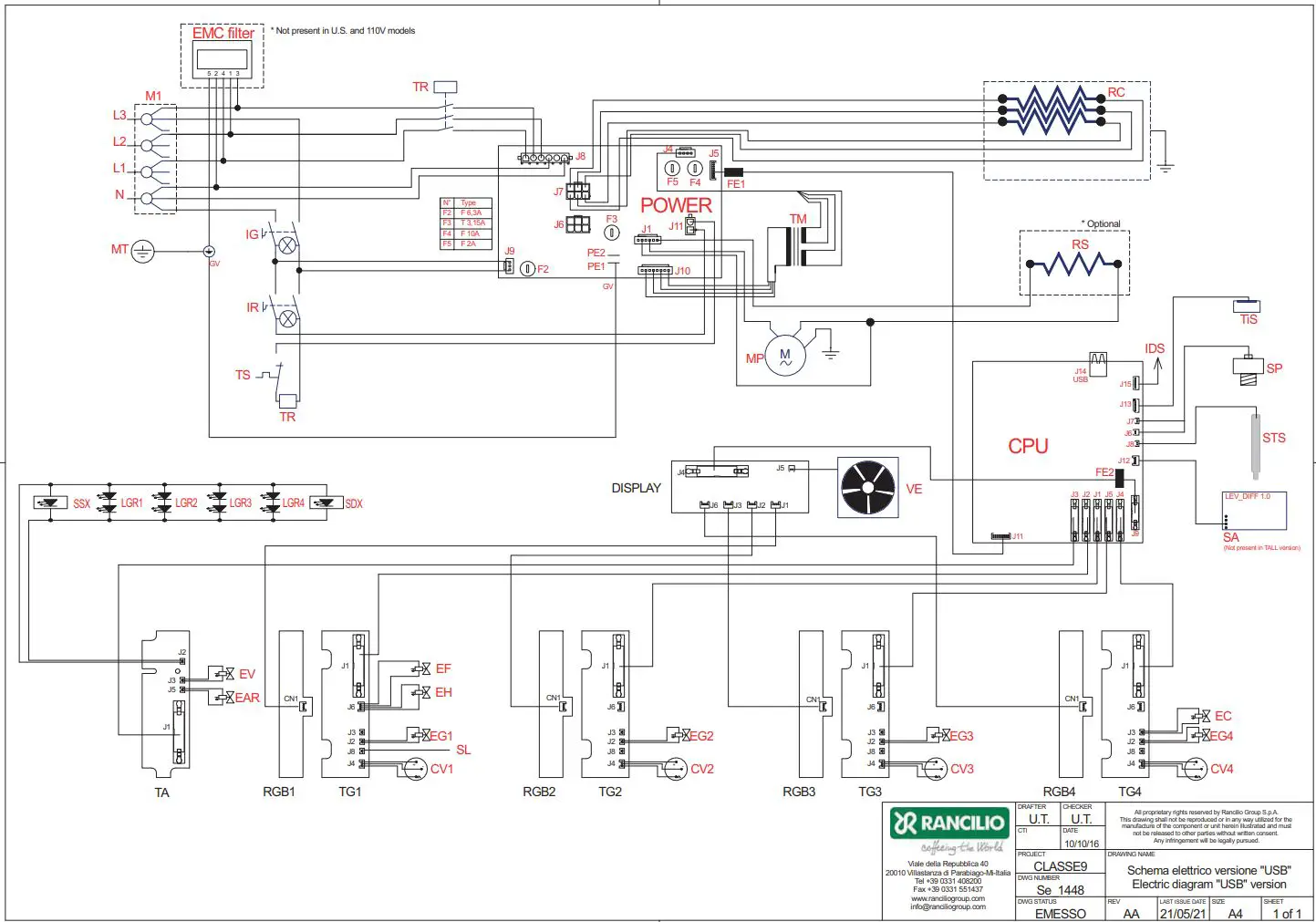
Abbreviations








Mains connections
Ground conductor must be 9 cm longer than other conductors
Three-phase star connection with neutral

Basic configuration
Single-phase connection with neutral

* Jumpers are supplied
Delta connection

- Connect cable as shown in the picture
- Move connector from J7 (3 VN~) to J6 (3 V~)



Treatment of waste from electric/electronic equipment
Dispose of the product in accordance with current local regulations concerning differentiated waste disposal in dedicated waste disposal areas.
Do not treat as simple urban waste.
For any information please contact the manufacturer al the address specified in the user manual.
This product complies with the requirements of the new directives introduced for the environmental safeguard and must be disposed of appropriately at the end of its life cycle.
EU DECLARATION OF CONFORMITY
RANCILIO Group S.p.A. con socio
Declares under his responsibility that the product: Espresso coffee maker.. for professional use
model: RANCILIO
CLASSE 9 XUSB 4/3/2 (CW)
CIASSE 9 USS 4/3/2 (CW)
CLASSE 9 S 4/3/2 (CW)
CIASSE 9 RE 3/2

FOODSTUFF COMPATIBILITY DECLARATION OF COMPLIANCE
RANCILIO Group S.p.A. con socio unico
Declares under our responsibility that the RANCILIO branded products:
CLASSE 11 XCEL 4, CLASSE 11 XCEL 3, CLASSE 11 XCEL 2
CLASSE 11 USB 4, CLASSE 11 USB 3, CLASSE 11 USB 2
CLASSE 9 XUSB 4 (CW), CLASSE 9 XUSB 3 (CW), CLASSE 9 XUSB 2 (CW)
CLASSE 9 USB 4 (CW), CLASSE 9 USB 3 (CW), CLASSE 9 USB 2 (CW)
CLASSE 9 S 4 (CW), CLASSE 9 S 3 (CW), CLASSE 9 S 2 (CW)
CLASSE 9 RE 3, CLASSE 9 RE 2
CLASSE 7 USB 3 (CW), CLASSE 7 USB 2 (CW)
CLASSE 7 S 3 (CW), CLASSE 7 S 2 (CW)
CLASSE 5 USB 3 (CW), CLASSE 5 USB 2 (CW), CLASSE 5 USB 2/C (CW), CLASSE 5 USB 1
CLASSE 5 S 3 (CW), CLASSE 5 S 2 (CW), CLASSE 5 S 2/C (CW), CLASSE 5 S 1, CLASSE 5 ST 1
LEVA 4 (CW), LEVA 3 (CW), LEVA 2 (CW)
CLASSE 20 hSB 2 (CW), CLASSE 20 hSB 3 (CW)
CLASSE 20 ASB 2 (CW), CLASSE 20 ASB 3 (CW)
are manufactured with the following materials:
– Stainless steel
– Copper
– Lead free brass
– Plastic
– Rubber
– Silicon
Materials, mentioned above, comply with the requirements as follows:
General requirements:

(**) Rancilio Group S.p.A. con socio unico
Soggetta a direzione e coordinamento di ALI Group S.r.l.
Viale della Repubblica 40 | 20015 Villastanza di Parabiago | Milano Italy
Ph. +39 0331 408 200 | Fax +39 0331 551 437 | www.ranciliogroup.com
C.S. 1.208.333,00 i.v. | REA MI 1320708 | Registro Imprese Mi C.F. e P.I. 09784580152 | EORI IT09784580152
No-harmonized materials are evaluated in accordance with an internal risk assessment and related overall and specific
migrations.
Substances restricted:

Notes
__________________________________________________________________________________________________________________________________________________________________________________________________________________________________________________________________________________________________________________________________________________________________________________________________________________________________________________________________________________________________________________________________________________________________________________________________________________________________________________________________________________________________________________________________________________________________________________________
Contacts
Headquarters, Production Plant and R&D Centers
Rancilio Group S.p.A.
con socio unico
Viale della Repubblica 40
20015 Villastanza di Parabiago (MI) – Italy
Ph. +39 0331 408200
Fax +39 0331 551437
[email protected]
Egro Suisse AG
Bahnhofstrasse 66
5605 Dottikon – Switzerland
Ph. +41 (0)56 616 95 95
Fax +41 (0)56 616 95 97
[email protected]
Worldwide Branch Locations
Spain
Rancilio Group Espana, SAU
C/Artes gráfi cas 1, 20A
PI Las Arenas
28320 Pinto, Madrid – Spain
Centro de negocios de Barcelona
Gran Vía de Carlos III, 84 3ª – Edifi cio Trade
08028 Barcelona – Spain
Ph. +34 914 682 061
[email protected]
Portugal
Rancilio Group Portugal Lda
Rua José Vicente Gonçalves n°14-Armaz.-2
Parque Industrial do Seixal
2840-048 Aldeia de Paio Pires-Seixal
Lisboa – Portugal
Ph. +351 21 493 52 58
Rancilio Group Portugal Lda
Rua Albino José Domingues n°683
4470-557 Maia
Porto – Portugal
Ph. + 351 22 490 39 77
[email protected]
Germany
Rancilio Group Deutschland GmbH
Isenburg Park
Schleussnerstrasse 90
63263 Neu-Isenburg – Germany
Ph. +49 6102 79 90 30
Fax +49 6102 79 90 320
[email protected]
Switzerland
Egro Suisse AG
Bahnhofstrasse 66
5605 Dottikon – Switzerland
Ph. +41 (0)56 616 95 95
Fax +41 (0)56 616 95 97
[email protected]
USA / Canada
Rancilio Group North America Inc.
11130 Katherine‘s Crossing Suite 800
Woodridge, IL 60517 – U.S.A.
Ph. +1 630 914 7900
Fax +1 630 914 7901
Toll Free: +1 877 726 2454
[email protected]



















