9800 Martel Road
Lenoir City, TN 37772 PMA450B
PS Engineering
PMA450B Audio Selector Panel and Intercom System
Installation and Operator’s Manual
PMA450B Bluetooth Audio Panel
Document P/N 200-450-0600
Revision 5, August 2020
Audio Selector Panel with Marker Beacon Receiver High-fidelity Stereo Intercom, USB Charging Port Bluetooth® Connectivity, flightmate® System Installation and Operation Manual FAA- TSO C139a, C35d, C71
Patented under one or more of the following;
No. 4,941,187; 5,903,227; 6,160,496 and 6,493,450, 7,391,877
In certified aircraft, warranty is not valid unless this product is installed by an Authorized PS Engineering dealer.
PS Engineering, Inc. 2020 ©
Copyright Notice
Any reproduction or retransmittal of this publication, or any portion thereof, without the expressed written permission of PS Engineering, Inc. is strictly prohibited.
For further information, contact the Publications Manager at PS Engineering, Inc., 9800 Martel Road, Lenoir City, TN 37772. Phone (865) 988-9800,
email [email protected].
GENERAL INFORMATION
1.1 INTRODUCTION
The PMA450B represents a revolutionary step in cockpit audio control and intercommunications utility. IntelliAudio®, using the USAF patented technology, provides True Dimensional Sound, which helps pilots to easily discern simultaneous radio receptions. Our patented IntelliVox® design, front panel USB power jack, and pilot programmable configurations, marks this panel as the next level of audio control. The unit is designed for outstanding ergonomics and visually defined mode annunciation and selection. Before installing and/or using this product, please read this manual completely. This will ensure that you will take full advantage of all the advanced features in the PMA450B.
1.2 SCOPE
This manual provides detailed installation and operation instructions for the PS Engineering PMA450Bseries of Audio Selector Panel/Intercom Systems. This includes the following units:
| Model | Part Number | Marker Receiver | flightmate® | BT 2/PS Streamer |
| PMA450B | 050-450-0601 | YES | YES | YES |
| PMA450B | 050-450-0602 | YES | YES | NO |
| PMA450B | 050-450-0701 | NO | YES | YES |
| PMA450B | 050-450-0702 | NO | YES | NO |
1.3 EQUIPMENT DESCRIPTION
The PMA450B is a state-of-the-art audio isolation amplifier and audio selector that contains an automatic voice activated (VOX) intercom system and integral marker beacon receiver. It can switch two transceivers (Com 1, Com 2) and six receivers (Nav 1, Nav 2, MKR, and three additional inputs that can be individually labeled, for use with ADF, DME AUX, etc.).
Warning: Use of non-aviation approved cellular telephone equipment may be prohibited by FCC regulation.
PS Engineering is not responsible for unauthorized airborne use of cellular telephones.
For airborne use, the PMA450B must be interfaced with an approved system.
There are four unswitched inputs, available for traffic or EGPWS, autopilot disconnect, and/or radar altimeter warning.
Pushbuttons select the receiver audio source provided to the headphones. A SPR button allows the user to listen to the receiver(s) selected on the cabin speaker. Except for the unswitched inputs, all speaker audio is muted during transmit. Unswitched inputs 1& 2 are always presented to the aircraft speaker. Unswitched input 3 & 4 will be presented to the speaker when the front panel SPR push button has been selected. Pushbutton switches select one of the communication transceivers for the pilot and copilot position, and allow radio transmission. In “Split Mode”, the PMA450B has the ability to allow the pilot to transmit on Com 1 while the copilot can transmit on Com 2. A fail-safe mode connects the pilot headphone and microphone to COM 1 if power is removed for any reason, or if the power switch is placed in the Off (Fail-safe) position. Unswitched input #1 is also provided to the pilot headphone (left side headset ear cup) in fail-safe A six-station voice activated (VOX) intercom is included in the PMA450B. This system has PS Engineering’s patented IntelliVox® circuitry that eliminates manual adjustments. The intercom system incorporates pilot isolate, all and crew modes, two independent stereo music inputs with “SoftMute™”. Intercom volume control is through two concentric front panel knobs and a pushbutton intercom mode switch.
The small volume knob controls the intercom level for the pilot and copilot, while the large knob controls the passenger intercom volume.
Intercom squelch is automatic.
PMA450B part numbers 050-450-0601 and -0602 contain a 75 MHz Marker Beacon receiver and 3-light indicator. This provides the necessary Marker Beacon lights and audio indications necessary for that portion of an Instrument Landing System (ILS) approach. A pushbutton labeled MKR allows the pilot select audio on as well as test and mute modes. Marker high sensitivity is also controlled by this button. The front panel USB-type connector is available for charging devices, such as iPad or cell phones. Up to 15 Watts and 3.5 Amps are available. This connector does NOT provide any data interface.
In the PMA450B, a Bluetooth® wireless interface is available for wireless telephone and music connection.
Our newest innovation is flightmate®, a tool that can improve flight safety and reduce workload. flightmate allows the user to store four audio messages that can be trigged by cockpit signals when connected for safety alerts.
1.4 APPROVAL BASIS
FAA TSO Approval
The PMA450B-series Audio Selector Panels are FAA approved under TSO C139A (Audio Amplifiers) TSO C35d (Marker Beacon Receivers) and C71 (DC Power Supplies) All systems comply with relevant portions of EUROCAE RTCA MPS WG No. 7/70, DO-143 and (Marker Beacon Receivers), ED-14C/DO-160G (Environmental Conditions and Test Procedures for Airborne Equipment), ED12B/DO-178B, Level D (Software Considerations for Airborne Equipment) and ED- 18/DO-214A (Audio Systems Characteristics and Minimum Operational Performance Standards for Aircraft Audio Systems).
1.4.1 Limitations
This article meets the minimum performance and quality control standards required by a technical standard order (TSO). Installation of this article requires separate approval.
Refer to Advisory Circular 20-41A for information on TSO installation approval.
Operation is subject to the following conditions:
This device may not cause harmful interference.
This device must accept any interference received, including interference that may cause undesired operation.
1.5 SPECIFICATIONS
| TSO COMPLIANCE | |
| Marker Beacon: | FAA TSO C35d, Class A |
| Audio Selector/Intercom: | FAA TSO C139a, Class la |
| DC Charging Jack | FAA TSO C71 |
| APPLICABLE DOCUMENTS: | RTCA/DO-214A RTCA/DO-143 RTCA/DO-160G RTCA/DO-178C, DO-254 |
| ENVIRONMENTAL Qualifications: | AIDICABSMXXXXXXZBABATBXXE2XXX |
| Operating Temperature Range: | -15° C to 55°C |
| Altitude: | Up to 35,000 feet in a non-pressurized area |
| DIMENSIONS: | Height: 1.3 in. (3.3 cm) Width: 6.25 in. (15.9 cm) Depth behind panel 7.15 in. (18.16 cm) |
| WEIGHT PMA450B Unit Rack with connectors | 1.34 lb. (0.61 kg) 0.51 lb. (0.24 kg) |
| POWER REQUIREMENTS (Including Internal Lighting): | |
| Voltage: | 11 to 33 VDC |
| Maximum Current: | 3.5 Amp (Externally protected by a 5A pull-type breaker) |
| Audio Selector Specifications | |
| Audio selector panel input impedance: | 510 a |
| Input Isolation: | -60 dB (min.) |
| Speaker Muting: | -60 dB (min.) |
| Speaker Output (into 4 Li) with no clipping 14 VDC: 28 VDC: | 3 Watts (min.) 10 Watts (min.) |
| Receiver Inputs: | 7 (Corn 1, Corn 2, Nav 1, Nav 2, 2 ea. Additional switched inputs available for ADF, DME, etc.) |
| Unswitched Inputs: | 4 (Two switched inputs can be converted to unswitched, if desired, during installation.) |
| Transmitter Selections: | 3 (Corn 1, Corn 2, Corn112) |
| Speaker Impedance: | 4 Ω |
| Headphone Impedance: | 150 —1000 CI |
| Headphone Output: | 30 mW each headset, no clipping ‹.5% THD typical |
| Microphone Impedance: | 150 – 600 LI |
| Bluetooth® Radio | Class 3, FCC ID QOQWT32AE or QOQWT32 I |
| Intercom Specifications | |
| Intercom Positions: | 6 places (with individual IntelliVox® circuits) |
| Music Inputs: | 2, (Independent, Stereo) |
| Music Muting: | >-30 dB “Soft Mute” when Corn or intercom active. |
| Distortion: | <1% THD @ 30 mW into 15052 |
| Mic Freq. Response, 3 dB: | 300 Hz – 6000 Hz |
| Music Freq. Response, 3 dB: | 10 Hz — 26 kHz |
MARKER BEACON RECEIVER (-0601, -0602 only) | |
| Frequency: | 75 MHz Crystal Controlled |
| Sensitivity: Low: High: | Capable of: (preset at factory for field application) 1000 mVolts (Hard) (360 to 570 mV soft) 200 mVolts (Hard) (130 to 200 mV soft) |
| Selectivity: | -6 dB at ±10 kHz -40 dB at ±120 kHz |
| External Lamp Output: | 7.5 (±4 VDC unloaded, at maximum brightness) VDC posi- tive when active, max. current 125 mA |
| MM Sense: | Active high (4.5 ± 1.0VDC) |
USB Charging Port | |
| Available Current | 3.5A (15W Maximum) output, short circuit and over-current protected |
| Voltage | 5 VDC |
1.6 EQUIPMENT SUPPLIED
One each of the following units:
| Model | Description | Part Number |
| PMA450B | Digital Stereo Audio Selector Panel with Marker Beacon, USB Charg- ing port, PS Streamer function and flightmate® | 050-450-0601 |
| PMA450B | Digital Stereo Audio Selector Panel with Marker Beacon, USB Charg- ing port, and flightmate® (No PS Streamer) | 050-450-0602 |
| PMA450B | Digital Stereo Audio Selector Panel, with USB Charging port, PS Streamer function and flightmate®, without Marker Beacon | 050-450-0701 |
| PMA450B | Digital Stereo Audio Selector Panel, USB Charging port, andflight- mate® (No PS Streamer or Marker Beacon) | 050-450-0702 |
PMA450 Installation Kit: 250-890-0000
| Description | Quantity | Part Number |
| Installation rack assembly | 1 | 430-890-0040 |
| Rack back plate | 1 | 430-890-0050 |
| 44-pin connector kit | 2 | 120-891-2045- |
| Back shell, bottom | 2 | 625-025-1131 |
| Back shell cover | 2 | 625-025-1132 |
| 2-56 X 3/16 screw for connector shell | 4 | 475-256-0516 |
| 4 40 X 7/16 screw w/nylon patch | 4 | 475-440-0007 |
| 4 40 X 3/8 screw w/nylon patch | 4 | 475-440-1038 |
| 4-40 x ¼” screw with lock washer | 2 | 475-440-0001 |
| Solder Lug | 2 | 475-009-0001 |
| Cable Clamp | 1 | 625-001-0002 |
| #6-32 x ½” Flat head Philips screw | 6 | 475-632-0012 |
| #6-32 Clip Nut | 6 | 475-630-0002 |
EQUIPMENT REQUIRED BUT NOT SUPPLIED
a. Circuit Breaker: 1 ea.; 5 amp PULL TYPE REQUIRED for PMA450B
b. Speaker, 4 Ω as desired
c. Headphone Jacks (Stereo, as Required)
d. Microphone Jacks (as Required)
e. Headphones, 150 Ω (Stereo), up to 6 as required
f. Microphones, up to 6 as required
g. Marker Antenna (75 MHz, VSWR <1:1.5, and appropriate for the airspeed) (-0601, -0602 Only)
h. Interconnect Wiring
1.8 LICENSE REQUIREMENTS
None
PMA450B Bluetooth™ Radio approval:
- FCC ID: QOQWT32AE or QOQWT32I
- Industry Canada ID: 5123A-BGTWT32AE, or 5123-BGTWT32I
- CE EMC Directive 89/336/EEC as amended by Directives 92/31/EEC and 93/68/EEC
NOTE
Unauthorized use of unapproved cellular telephone devices in aircraft is subject to FCC enforcement action, which may include a $10,000 fine per incident.
FCC Regulation 47 CFR § 22.925 Prohibition on airborne operation of cellular telephones.
Cellular telephones installed in or carried aboard airplanes, balloons or any other type of aircraft must not be operated while such aircraft are airborne (not touching the ground).
When any aircraft leaves the ground, all cellular telephones on board that aircraft must be turned off. PS Engineering, Inc. does not endorse using unapproved cellular telephone equipment in flight, and takes no responsibility for the user’s action. PS Engineering does not guarantee compatibility with personal cellular telephones.
INSTALLATION
2.1 GENERAL INFORMATION
2.1.1 SCOPE
This section provides detailed installation and interconnection instructions for the PS Engineering PMA450B Audio Selector Panel/Intercom/ with internal Marker Beacon.
Please read this manual carefully before beginning any installation to prevent damage and post-installation problems.
Installation of this equipment requires special tools, test equipment (refer to §2.12.1) and installer knowledge as required by 14 CFR 65.81 (b).
2.1.2 Certification Requirements
NOTE
The PMA450B requires specialized knowledge and tools for an effective installation. An appropriately rated Certified Aircraft Repair Station must install this equipment in accordance with applicable regulations. PS Engineering, Incorporated warranty is not valid unless the equipment is installed by an authorized PS Engineering, Incorporated dealer. Failure to follow any of the installation instructions, or installation by a non-certified individual or agency will void the warranty, and may result in an unairworthy installation.
This article meets the minimum performance and quality control standards required by a technical standard order (TSO). Installation of this article requires separate approval. Refer to AC 20-41A for information regarding Substitute TSO Aircraft Equipment.
2.2 Unpacking and Preliminary Inspection
Use care when unpacking the equipment. Inspect the units and parts supplied for visible signs of shipping damage. Examine the unit for loose or broken buttons, bent knobs, etc. Verify the correct quantity of components supplied with the list in §1.6. If any claim is to be made, save the shipping material and contact the freight carrier. Do NOT return units damaged in shipping to PS Engineering. If the unit or accessories show any sign of external shipping damage, contact PS Engineering to arrange for a replacement. Under no circumstances attempt to install a damaged unit in an aircraft. Equipment returned to PS Engineering for any other reason should be shipped in the original PS Engineering packaging, or other UPS approved packaging.
2.3 Equipment Installation Procedures
2.3.1 Cooling Requirements
Forced air-cooling of the PMA450B is not required. However, the units should be kept away from heat producing sources (i.e. defrost or heater ducts, dropping resistors, heat producing avionics) without adequate cooling air provided.
2.3.2 Mounting Requirements
The PMA450B must be rigidly mounted to the instrument panel of the aircraft structure, within view and reach of the pilot position(s). Installation must comply with FAA Advisory Circular AC 43.13-2B, or other FAA-approved aircraft technical data. The unit may be mounted in any area where adequate clearance for the unit and associated wiring bundle exist. To prevent noise, avoid installing the unit close to high current devices or systems with high-voltage pulse type outputs, such as DME or transponders. Avoid running the interconnecting bundles near any high current wires.
2.3.3 Audio Panel Mounting Rack Installation
Carefully slide the unit free of the tray. Set the unit aside in a safe location until needed. Install the tray using six clip nuts (475-630-0002), and six FHP 6-32 x ½” screws (475-632-0012). The audio selector panel must be supported at front and rear of the mounting tray.
2.3.4 Audio Panel Tray and Connector Assembly
The rack connectors mate with two 44-pin connectors in the PMA450B. The connectors are a sub-miniature crimp-type, and require the use a hand crimp tool, from table below (or equiv.). The connectors are mounted to the tray back plate with #4-40 screws (475-440-1038), from the inside of the tray. The connector back shell is two pieces, (625-025-1131 and cover 625-025-1132) held together by 4 #2-56 screws (475-256-0516). This allows the back shell to be installed after the connector is populated. Ensure that proper strain relief and chafing precautions are made during wiring and installation, using the cable clamp (625-001-0002). Two grounding lugs are provided, which may be attached to the rear mounting plate with 2 ea. #4-40 x ¼” screws with captivated lock washers. These provide a convenient location to connect the shield ground terminations.
| Manufacturer | Crimping Tool | Positioner | Extraction tool |
| AMP | 601966-1 | 601966-6 | 91067-1 |
| Daniels | AFM8 | K42 | M24308-1 |
| ITT-Cannon | 995-0001-584 | 995-0001-739 | 91067-1 |
Table 2-1 Connector Pin crimping tools
2.4 Cable Harness Wiring
Referring to the appropriate Appendix, assemble a wiring harness as required for the installation. All wires must be MIL-SPEC in accordance with current regulations. Two- and three-conductor shielded wire must be used where indicated, and be MIL-C-27500 or equivalent specification. Proper stripping, shielding and soldering technique must be used at all times. It is imperative that correct wire be used. Refer to FAA Advisory Circular 43.13-2B for more information. Failure to use correct techniques may result in improper operation, electrical noise or unit failure. Damage caused by improper installation will void the PS Engineering warranty.
2.4.1 Electrical Noise
Due to the variety and the high power of radio equipment often found in today’s general aviation aircraft, there is a potential for both radiated and conducted noise interference. The PMA450B power supply is specifically designed to reduce conducted electrical noise on the aircraft power bus by at least 50dB. Although this is a large amount of attenuation, it may not eliminate all noise, particularly if the amplitude of noise is very high. There must be at least 13.8 VDC present at the connector, J2 pins 8 & 9, of the PMA450B for the power supply to work in its designed regulation. Otherwise, it cannot adequately attenuate power line noise. Shielding can reduce or prevent radiated noise (i.e., beacon, electric gyros, switching power supplies, etc.) However, installation combinations can occur where interference is possible. The PMA450B was designed in an RFI hardened chassis and has internal Electromagnetic Interference (EMI) filters on all inputs and outputs. Ground loop noise occurs when there are two or more ground paths for the same signal (i.e., airframe and ground return wire). Large cyclic loads such as strobes, inverters, etc., can inject noise signals onto the airframe that are detected by the audio system. Follow the wiring diagram very carefully to help ensure a minimum of ground loop potential. Use only Mil Spec shielded wires (MIL-C-275000, or better). Under no circumstances combine a microphone and headphone wiring into the same shielded bundle. Always use a 2- or 3-conductor, shield wire as shown on the installation-wiring diagram. The shields can be daisy-chained together, and then connected to the ground lugs mounted on the back plate shown in Appendix B.
Radiated signals can be a factor when low-level microphone signals are “bundled” with current carrying power wires. Keep these cables physically separated. It is very important that you use insulated washers to isolate the ground return path from the airframe to all headphone and microphone jacks.
2.4.1.1 Music Inputs and Noise
PMA450B units utilize a wired differential input to help prevent noise from entering the music system. This feature is usually transparent to the installer; however, it is important that the appropriate music signal and ground connections are made directly to the dedicated music signal and ground inputs on the PMA450B. The power for IFE and audio panel should be a common bus. If a music jack instead of a music source is installed for Music 1 or 2, we recommend grounding the jack to airframe ground.
NOISE NOTE
Adding a high-performance audio control system, particularly in conjunction with high-performance active noise canceling headsets, cannot improve on older avionics that were designed for cabin-speaker use. PS Engineering makes no claim that the audio panel will provide a noise-free audio quality under all installation conditions, particularly with older avionics.
2.4.2 Existing GMA340 and PMA8000 Installations
If the installation replaces a GMA340 or any of the PMA8000 series, no changes are necessary as long as the existing installation meets the requirements. All existing functions of the GMA340 as afforded by the PMA450B will become instantly available. However, if the previous installation had three COMs, the PMA450B will not support the third COM; the PMA450B handles only two COM transceivers. The PMA8000C, P/N 050-890-0303 will support three COMs, call your local PS Engineering dealer for more information.
2.4.2.1 Differences with GMA340 connector
| Connector | Pin | GMA340 Function | PMA450B Function |
| J1 | 3 | COM 3 | TEL Audio Hi |
| J1 | 4 | COM 3 | TEL Lo |
| J1 | 5 | COM 3 | TEL Mic Audio Hi |
| J1 | 6 | COM 3 | No Connection |
| J1 | 16 | MASQ Inhibit | No Connection |
| J1 | 23 | COM 3 Speaker Load | AUX Audio Input |
| J1 | 24 | COM 3 Speaker Load | No Connection |
| J1 | 25 | COM Speaker Load | No Connection |
| J1 | 26 | COM Speaker Load | No Connection |
| J1 | 27 | COM Speaker Load | No Connection |
| J1 | 28 | COM Speaker Load | No Connection |
| J1 | 29 | No Connection | Unswitched #3 |
| J2 | 15 | I High Music Gain Select | Unswitched #4 |
| J2 | 17 | 80 Speaker Select | No Connection |
| J2 | 18 | No Connection | Aux Enable Output |
| J2 | 19 | Tone Enable | PA Enable |
| J2 | 29 | Failsafe warn | No Connection |
| J2 | 30 | Com TX Mute | No Connection |
Table 2-2 GMA340–PMA450B connector differences
Installations where the external marker outputs are connected to a Sandel 3308 Navigation Display will require additional loading resistors.
Refer to the Sandel installation data for more information.
2.4.3 Power
The PMA450B is compatible with both 14- and 28-Volt DC systems. A five (5) Amp circuit breaker is required for all installations. Power and ground wires should be #22AWG connect power to J2 Pins 8 and 9.
Connect airframe ground to J2 Pin 10 and 11 only.
2.4.4 Communications Push-to-Talk
An important part of the installation is the PTT (Push-To-Talk) switches that allow the use of your aircraft communications radio for transmissions. There are three typical configurations that can be used. Select the case that best fits the installation. Only the person who presses their PTT switch will be heard over the radio.
If the pilot and copilot both use the PTT, the only pilot position has access to the radio. The pilot position will have PTT control regardless of the mic selector switch or copilot PTT when the PMA450B is in the OFF/EMG mode.
CASE I: PTT is built into both pilot and copilot yokes.
CASE II: PTT is in pilot yoke only. This configuration requires a modified external PTT switch plugged into the copilot’s microphone jack (See Appendix A). When the copilot’s PTT is pressed, the intercom switches the microphone audio from pilot to copilot mic.
CASE III: No built in PTT. This requires two built in PTTs to be installed, or modified external PTT switches to be used. Modify external PTT as required. See Appendix A.
2.4.5 Audio Panel interface
The PMA450B is designed to interface with standard aircraft avionics, and presents a 510 Ω receiver impedance.
For best results, a twisted-shielded cable is recommended from the avionics audio source to the audio panel, with the shield grounded at the audio panel end. Some avionics do not provide a separate audio low, and may introduce additional electrical noise into the system. For best results, connect the audio low from the audio panel to the radio ground, using one conductor of the twisted-shielded cable.
2.4.5.1 Speaker Load
The PMA450B contains a speaker amplifier. The PMA450B does not contain any resistive speaker loads.
Some older aviation radios units with internal speaker amplifiers, require a resistive load if their speaker amplifier is not used. If needed, connect the radio speaker output from the transceiver to a 16 Ω, 3W resistor in the harness.
2.4.5.2 Installation with Monaural Headsets
Not recommended, because the benefit of IntelliAudio is lost. However, if desired, the PMA450B can be installed monaurally by using the LEFT audio connections only (left side contains Fail-Safe audio). Do NOT short left and right together.
NOTE: Mono headsets that short the tip and ring (i.e. older models) may introduce audio distortion when used. Modern, stereo headsets are recommended in all positions.
2.4.6 Transmit Interlock
Some communications transceivers use a transmit-interlock system. To utilize the Split Mode feature, this function must be disabled. Consult the radio manufacturer’s installation manual.
2.4.7 Backlighting
The PMA450B has an automatic dimming of the pushbutton annunciation LEDs and marker lamps controlled by a photocell. Control of the unit nomenclature backlighting is through the aircraft avionics dimmer. For 14V aircraft, connect J2 Pins 6 and 7 to the aircraft dimmer bus, and pin 5 to ground. For 28-volt systems,connect pin 7 to the aircraft dimmer, and pins 5 and 6 to ground.
If an external dimmer control is not used, a constant back light illumination can be established for nighttime viewing. Pin 6 or 7 (depending on system voltage) must be tied to power (J2, pin 8 or 9) for the back lighting system to work. The photocell mounted in the unit face will automatically adjust the intensity of the pushbutton annunciator LEDs.
2.4.8 Unswitched inputs
J1, pins 31 (Unsw 1), 44 (Unsw 2) 29 (Unsw 3) and J2 pin 15 (Unsw 4) are unswitched, unmuted (by transmitter keying), inputs.
These inputs are presented to the pilot and copilot regardless of the audio configuration, and will always mute the crew entertainment inputs. These 510Ω inputs can be used for altimeter DH audio, GPS waypoint audio, autopilot disconnect tones, or any other critical audio signal. Unswitched #1 is always presented to the speaker, plus to the crew headphones, and is available to the pilot in fail-safe (off) mode. Unswitched 1 & 2 are always presented to the speaker, plus to the crew headphones. *Unswitched 3 and 4 inputs are always presented to the crew headphones but presented to the aircraft speaker only when the speaker is selected.
| Unswitched Input | Hear in Fail Safe | Hear in Crew Headset | Hear in SPR | Adjustable at installation |
| 1 | Yes | Yes | Yes | Yes |
| 2 | No | Yes | Yes | Yes |
| 3 | No | Yes | When SPR Se- lected | Yes |
| 4 | No | Yes | When SPR Se- lected | Yes |
Table 2-3 Unswitched inputs
The audio low for unswitched #4 (J2, pin 15) should be connected to a convenient audio low. However, this should NOT be connected to Music Low.
NOTE
Inputs 1 and 2 are fixed (1:1), and any audio level adjustments must be made at the input source. Unswitched #3 and #4 can be adjusted at installation. Refer to Adjustments §2.7.
2.4.8.1 Additional unswitched inputs
If necessary, unused switched inputs (ADF, DME, etc.) can be converted to unswitched inputs. Contact PS Engineering for more information.
2.4.9 “Swap” Mode
When a momentary, normally open, push-button switch is connected between pin 20 on the J2 connector and aircraft ground, the user can switch between Com 1 and 2 by depressing this switch without having to turn the mic selector switch. This yoke-mounted switch eliminates the need to remove your hands from the yoke to change transceivers. The transfer of TX indication from Com 1 to Com 2 shows that the swap has been initiated; there is no dedicated swap indicator.
2.4.9.1 Remote ICS mode control
A long press of the remote SWAP switch (>1 second) will change the intercom mode, in order All/CREW/ISO/All, as shown on the intercom mode indicator on the PMA450B.
2.4.10 Public Address Mode By holding the N1 pushbutton for more than one (1) seconds, the PMA450B will be placed into public address (PA) mode. In this mode, the pilot will be talking over the cockpit speaker when he presses his PTT switch. Copilot will continue on the selected COM radio. The C1 & C2 Transmit indicates will go off in PA. The display will include PA & SPR on the right side, and change to PUBLIC ADDRESS when the pilot’s PTT is pressed.
2.4.10.1 PA Mute (J2, Pin 12)
Pin 12 of J2 is a TTL logic output that is pulled low during PTT operation. This is used to control external public address or external entertainment systems and prevent feedback during radio transmission.
2.4.11 Wired Telephone/Satellite Communication input
The PMA450B can accommodate a wired cell phone interface on J1 Pins 3, 4 and 5. Whenever the wired telephone/satellite is active, the telephone configuration will appear on the OLED screen for dynamic adjustments to volume and sidetone as needed. Both Bluetooth and wired Telephone and be accommodated, however, only ONE can be active at a time. See Appendix C and D for intercom connection configurations. It is critical to the proper operation of this system to have this connector wiring made in accordance with these diagrams. Use 2- and 3-conductor, MILspec cable as shown. Connect the shields at the audio panel end only, and tie to the audio low inputs as shown. 2.4.12 Music Inputs
The PMA450B has four available music inputs. Music input number 1 is J2 pins 23 (left channel) and 24 (right channel), with respect to pin 25, and Music number 2 is connected to 26 (left channel), 27 (right channel), with respect to 28, plus Bluetooth® modules to stream music from a paired device.
NOTE
Use the low-level output of any add itional Music device to connect to the audio panel.
Maximum signal level is 3VACp-p. DO NOT use aspeaker -level output; this will
cause in tern al damage in the audio panel.
CAUTION
Local oscillators and internal signals from Music equipment can cause undesired interference with other aircraft systems. Before takeoff, operate the entertainment devices to determine if there is any adverse effect within the aircraft systems. If any unusual operation is noted in flight, immediately switch off the entertainment devices.
All additional entertainment devices must be switched off for both takeoff and landing.
2.4.12.1 Passenger Mute (J2 Pin 13 & 14)
Connecting J2 pin 13 to pin 14 (or ground) through a SPST switch places the Passenger music source into the Karaoke Mode. In this mode, incoming music and intercom conversation will not mute the music for the passengers’ intercom net. This is useful for passenger-area control of the music muting, and overrides the PMA450B Music Mute menu-controlled setting.
2.4.13 Playback button Installation (J2 Pin 22)
The pilot and copilot can hear the aircraft radio playback.
The Internal Recorder System can be played back from the front panel by pressing the RCV button of the radio selected for transmission.
Alternatively, a remote, momentary, normally open (NO) push button switch may be installed if desired to activate the Recording System playback. This switch can be located anywhere in cockpit convenient to the pilot’s reach. The NO switch should be connected to pin 22 of J2 of the PMA450B, and ground. When installed, this button will act as
in §3.13.
2.4.13.1 Cell phone Sidetone
The PMA450B provides cellular telephone sidetone (the user’s voice fed back to the headset). Some cell phones provide sidetone, and may have poor audio quality if both sources are combined. The cell phone sidetone is adjustable in the Bluetooth® operation screen See §2.6.
2.5 Marker Beacon Installation (050-450-0601, -0602 Only)
2.5.1 Marker Antenna Installation
A marker beacon antenna, appropriate to the type and speed of the aircraft, is required (not included). Refer to aircraft and antenna manufacturer’s installation instructions, as well as AC43.13-2B (or later revision), Chapter 3, for information on proper antenna installation techniques. The marker beacon antenna must be mounted on the bottom of the aircraft.
2.5.2 External Marker Lights
For installations that require external marker beacon lights, there are three outputs that can drive 12-Volt lamps only. The external output lamps are driven high (typically +7.0 VDC +4.0 VDC unloaded, at MAX brightness) when active. Maximum source current per lamp is 125 mA. Voltage varies with photocell dimming.
2.5.3 Middle Marker Sense
A Middle Marker Sense output signal is available from the PMA450B to certain flight control systems. This function will not operate during the test mode. This output will go to +4.5 VDC (+ 1.0 VDC) when a valid Middle Marker signal is received. This output is J1, pin 39.
2.6 flightmate®
The flightmate® is an audio storage system with four audio messages can be triggered by external inputs.
BEFORE USE, FLIGHTMATE MUST BE ENABLED FROM THE INSTALLER SETUP PAGE.
VISIT YOUR AVIONICS SHOP FOR DETAILS OR CONTACT PS ENGINEERING.
2.6.1 Message triggers:
NOTE:
THESE MESSAGES ARE STRICTLY SUPPLEMENTAL AND PILOT OPTION, AND SHALL NOT REPLACE ANY EXISTING ALERTS IN THE AIRCRAFT. IT IS THE INSTALLERS’ RESPONSIBILITY TO DETERMINE IF THIS ALTERATION IS MAJOR OR MINOR AND PROVIDE APPROPRIATE DOCUMENTATION (FORM 337, SUPPLEMENTS, ETC.)
| Function | Connector pin | Logic | Must be acknowledged |
| Message Trigger 1 | J2-17 | Active high (12 to 28 VDC) | No |
| Message Trigger 2 | J2-19 | Active Low (ground) | Yes |
| Message Trigger 3 | J2-30 | Active Low (ground) | Yes |
| Message Trigger 4 | J 1-24 | Active Low (ground) | Yes |
| Message Acknowledge | J1-28 | Active Low (ground) |
Alert #1 is configured to accept an active high, but shall cease to play when the stimulus is removed. This is intended for such a system as a stall warning, which clears autonomously, this will NOT stop with the acknowledgement.
Messages 2, 3, and 4 are stopped with the momentary push of the ACKNOWLEDGE button on the front panel, or an external Acknowledge button. When J1-28 is grounded through a NO Momentary switch as an ACK button, the messages will stop playing. If J1-28 is connected to ground permanently, the message will play once when triggered and then stop.
NOTE: Some GMA340 inputs pins may have been used in previous installations and will have to be repurposed or removed if no longer needed. Since flightmate® has to be configured to be active, the PMA450B will remain plug & play compatible with the GMA340 and no wiring changes are required.
These are:
| Pin | PMA450B | GMA340 |
| J2-17 | Message 1 Trigger | 8L) speaker select (installations where an 80 speaker is used) |
| J2-19 | Message 2 Trigger | Tone Enable (Makes tone for button pushes in GMA340) |
| J2-30 | Message 3 Trigger | TX Mute disables receivers in transmit or split |
| J1-24 | Message 4 Trigger | COM 3 Speaker Load |
| J1-28 | Message Acknowledge | COM 2 Speaker Load |
2.6.2 Storing Messages:
2.6.2.1 Audio Alert Messages
The PMA450B has four discrete messages that can be played when triggered by an external event.
The recording time is limited to 5 seconds per message.
Messages can be changed from the user setup menu.
| Message Location | Factory Stored Message | Connector Input | Logic |
| Message #1 | Chime | J2-I 7 | Active High (5-28 VDC) |
| Message #2 | “Check oil pressure” | J2-19 | Active Low |
| Message #3 | “Master caution” | J2-30 | Active Low |
| Message #4 | “Check fuel” | J 1-24 | Active Low |
| Message Acknowledge | J 1-28 | Active Low | |
These four messages will play back when the trigger associated with the message number is activated.
Message 1 will play as long as the trigger is active, but cease when the stimulus is removed, and is suitable to supplement a Sonalert Piezoelectric buzzer. This cannot be stopped by the front panel or external Acknowledge button.
NOTE: Message 1 is the only message that is suitable to be used in parallel with a Sonalert.
Message 2 – 4 will play when triggered, and stop when the ACK button is pushed, or external Acknowledge button pushed (J1-28, Active Low).
(Serial T45B2103 and up) Alert Messages 2 through 4 can be configured through the dealer setup function to play once and stop, or continuously until the condition is removed or ACK pushed. Contact PS Engineering for more information.
If J1-28 is grounded, then messages 2 – 4 will play once and stop.
Messages are played only in the crew headset. They are not heard over the cockpit speaker.
Note¹: The external triggers are configured from the factory as shown. They can be reconfigured in the field to accept Active High or Active Low, or be off completely. Contact PS Engineering for more information.
2.7 User Setup Adjustments
**DO NOT MAKE ADJUSTMENTS IN FLIGHT**
Cycling power will remove the audio panel from the user setup menus and back to normal audio panel operation.
To access the user setup adjustment menus, turn the PMA450B off and then back on. While the version screen is displayed, push and hold the bottom line-select button (there is an indicator bar in the display indicating that a menu is available).

This places the unit into the “User Configurable Mode – home screen”. This allows adjustment for:
- OLED Screen Adjustment
- Rename Switched Inputs
- Bluetooth menus
- Mute mode recall
Note: in this mode, the audio panel functions will be inoperative

2.7.1 Adjust Screen
The first items are adjustments to the OLED, allowing the installer or user to tailor the backlight intensity to suit the cockpit conditions, and set the time period before the menus revert to the “home” screen.
2.7.1.1 Brightness
Adjusting the Brightness level requires selecting either of the two line select buttonsand then turning the inner knob. Counterclockwise to lower the number (level of-brightness) and clockwise to increase thenumber (level of Brightness).

To change the display:
Press the line select for the desired item.
Turn the small, inner knob to change the brightness as desired.
OLED will change in real time while adjustments are made.
It will stay in this screen until the menu times out and returns to the adjustment home screen.
2.7.1.2 Display Timeout
This is a feature that allows the end user to adjust how quickly the screen menu timeout (revert to main menu), factory setting is 8 seconds.
NOTE: A long press (> 1 second) will also back up one menu level.
This allows adjustment of the timeout screen and can be configured from 1 second to 30 seconds when turning the inner knob.
For a user that is unfamiliar with the product, this will give them enough time to learn the system. After being familiar then the user can speed up the timeout screen as needed.
It will stay in this screen until the menu times out and returns to the adjustment home screen.
To exit the home screen and return to normal operation, turn the PMA450B off, and back on again.
2.7.2 Rename “Switched” Inputs
The system is factory set to default as ADF, & DME as shown.
The three inputs are from top to bottom:
- Switched input #1 J1, Pin 7 wrt Pin 8 (Default ADF)
- Switched input #2 J1, Pin 21 wrt Pin 22 (Default DME)
- NOTE: In PMA450B –0701 (No Marker) Switched #1, or #2 can be renamed to MKR for a remote audio input.
The customer will have access to rename. Maximum 9 letters per line and A thru a and 0 thru 9 will be available.
- Press the line select for desired input.
- Turn the large outer knob to select the letter to change. A cursor appears under the active letter position.
- Turn the small, inner knob to increment or decrement the letter.
- You can select 9 alphanumeric digits.
- To add a blank space:
o Blank spaces can’t be added to the end of a string, but you can add a temporary character and go back and change it to a space:
o ADFA1
o Change extra “A” to space ADF 1
It will stay in this screen until the menu times out and returns to the adjustment home screen.

Cycle PMA450B power to exit the setup screen.
2.7.3 Volume Setup
The volume level of the marker beacon receiver, cockpit speaker, and switched inputs can be adjusted at the setup menu.
From the Setup menu, press More → More→ Marker, or Speaker, → More, Switched Inputs and turn the small knob to adjust the volume of the marker beacon, cockpit speaker, and switched (ADF/DME) volumes. The green volume bar and numerical readout will indicate the receiver volume in this menu.
NOTE: volume cannot be turned completely off. Units without marker receiver will not have a MKR Volume menu.

2.7.4 IntelliAudio Location Setup
This adjustment allows the Spatial Audio inputs to be “relocated” on any of nine (9) defined “Head Related
Transfer Function” (HTRF) locations.
Push More. . . → IntelliAudio → IntelliAudio Config to access. In the IntelliAudio® mode, repeated pressing of the COM 1 or COM 2 line select buttons moves the corresponding half-circle cursor to the locations relative to the listener graphic in sequence. Pressing the “Done” button exits the configuration setting mode. This setting is recalled at system power up.

IntelliAudio – True Dimensional Sound, Spatial Location Display, showing C1 at 30°left and C2 at 90° right of center.
Exit the user setup page by turning the PMA450B off.
2.7.5 Bluetooth® menu
The Bluetooth menu allows the user to:
- Reset (remove) all paired devices
- Set or disable a pairing pass code (factory set for “disable”)
- Change the PMA450B’s device ID name.

2.7.5.1 Un-pair All (Resets Bluetooth)
Pressing the line select next to Un-pair All removes all Bluetooth devices. This is used when the pairing of devices becomes unreliable.
2.7.5.2 PIN Disable
Some phones will not pair if a Personal Identification Number (PIN) is required. To remove the PIN requirement:
- Enter configuration menu, select Bluetooth.
- Select PIN code for editing. Press PIN button one more time.
- “Bluetooth Reset” will appear on screen. When the menu returns, the PIN code will report “Disabled”.
- To re- enable the PIN code for a different device, press the PIN button.
“Bluetooth Reset” will appear on screen. When the menu returns, the last stored PIN code will be shown.
2.7.5.3 ID:
This allows the user to set the name of the audio panel as it will appear on devices searching for the PMA450B. Seven alphanumeric digits are available. Factory default is BT1, but you could set “N1245,” or “Skyhawk,” as an example.

2.7.6 Bluetooth #2(P/N 050-450-0601 & -0701 Only)
Certain PMA450B’s have an additional Bluetooth Module that can be used as an audio input (useful for EFB such as ForeFlight or music & entertainment).
As shipped, the BT2 module is configured as a music input. It can be reconfigured in the User Setup as an audio output. See §3.15.

2.8 Communications Antenna Installation Notes
For best results while in Split Mode, it is recommended that the one VHF communications antenna is located on top of the aircraft while the other communications antenna is installed on the bottom. Any antenna relocation must be accomplished in accordance with AC 43.13-2B, aircraft manufacturers’ recommendations and FAA-approved technical data.
WARNING It is probable that radio interference will occur in the split mode when the frequencies of the two aircraft radios are adjacent, and/or the antennas are physically close together. PS Engineering makes no expressed or implied warranties regarding the suitability of the PMA450B in Split Mode.
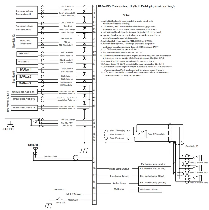
2.9 PMA450B Pin assignments
| J1 | Function | J2 | Function |
| 1 | Marker Antenna | 1 | Pilot Phones Lo |
| 2 | Marker Ant Lo | 2 | Copilot Phones Lo |
| 3 | TEL Audio Hi | 3 | Copilot Phones (L) |
| 4 | TEL Audio Lo | 4 | Copilot Phones (R) |
| 5 | TEL Mic Audio | 5 | Lights lo |
| 6 | No Connect | 6 | 14/28 V Lights |
| 7 | SW#1 (ADF Audio) In | 7 | 14/28 V Lights |
| 8 | SW#1 (ADF Audio) Lo | 8 | Aircraft Power |
| 9 | Com 1 Audio | 9 | Aircraft Power |
| 10 | Com 1 Audio Lo | 10 | Aircraft Ground |
| 11 | Com 1 Mic | 11 | Aircraft Ground |
| 12 | Com 1 Mic Key | 12 | PA Mute |
| 13 | Com 2 Audio | 13 | Mute Inhibit |
| 14 | Com 2 Audio Lo | 14 | Mute Inhibit Lo |
| 15 | Com 2 Mic | 15 | Unswitched #4 |
| 16 | No Connect | 16 | Pilot Phones (L) |
| 17 | Nav 1 Audio | 17 | Alert Trigger #1 |
| 18 | Nav 1 Audio Lo | 18 | RESERVED |
| 19 | Nav 2 Audio | 19 | Alert Trigger #2 |
| 20 | Nav 2 Audio Lo | 20 | Swap/Remote ICS |
| 21 | SW#2 (DME) Audio | 21 | Swap Lo |
| 22 | SW#2 (DME) Audio Lo | 22 | IRS Playback |
| 23 | (Aux) Audio* | 23 | Music 1 (L) |
| 24 | Alert Trigger #4 | 24 | Music 1 (R) |
| 25 | No Connect | 25 | Music 1 Lo |
| 26 | No Connect | 26 | Music 2 (L) |
| 27 | No Connect | 27 | Music 2 (R) |
| 28 | Aural Message Acknowledge | 28 | Music 2 Lo |
| 29 | Unswitched #3 | 29 | No Connect |
| 30 | Com 2 Mic Key | 30 | Alert Trigger#3 |
| 31 | Unswitched Audio 1 | 31 | Pilot Phones (Rt) |
| 32 | Unswitched Lo | 32 | Copilot Mic Audio |
| 33 | Pilot Mic Audio | 33 | Copilot Mic PTT |
| 34 | Pilot Mic PTT | 34 | Copilot Mic Lo |
| 35 | Pilot Mic Lo | 35 | Pass 1 Mic Audio |
| 36 | Ext IM MKR | 36 | Pass 1 Mic Audio Lo |
| 37 | Ext OM MKR | 37 | Pass 2 Mic Audio |
| 38 | Ext MM MKR | 38 | Pass 2 Mic Audio Lo |
| 39 | MM Sense | 39 | Pass 3 Mic Audio |
| 40 | Pass HP (L) | 40 | Pass 3 Mic Audio Lo |
| 41 | Pass HP (R) | 41 | Pass 4 Mic Audio |
| 42 | Pass HP Lo | 42 | Pass 4 Mic Audio Lo |
| 43 | Unswitched 2 Lo | 43 | Speaker Lo |
| 44 | Unswitched 2 Audio | 44 | Speaker Output |
| *AUX will be present when SW2 (21) is on | |||
Table 2-4: PMA450B Pin Assignments. Bold denotes flightmate® functions
2.10 Wiring Checkout
After wiring is complete, verify power is ONLY on pins 8 and 9 of the J2 and airframe ground on connector pins 10 and 11. Failure to do so will cause serious internal damage and void PS Engineering’s warranty.
2.11 Unit Installation
To install the PMA450B, gently slide the unit into the mounting rack until the hold-down screw is engaged.
While applying gentle pressure to the face of the unit, tighten the 3/32″ hex-head in the center of the unit until it is secure. DO NOT OVER TIGHTEN.
CAUTION
Apply steady pressure to the bezel while screwing the unit into the tray to ensure even seating of the unit and connectors. WARNING Do not over-tighten the lock down screw while installing the unit in tray. Internal damage will result.
2.12 Operational Checkout
2.12.1 Required Test Equipment
In order to return an aircraft to service after installation of the PMA450B, the installer must have access to a Marker Beacon signal generator:
a. IFR NAV401L, NAV402AP, IFR4000
b. TIC T-30D, T-36C
Equivalent test equipment is acceptable as long as the testing requirements can be met.
2.12.2 Audio Panel Test
NOTE
The IntelliVox® is designed for ambient noise levels of 80 dB or above. Therefore, some clipping may occur in a quiet cabin, such as without the engine running, in a hangar. This is normal. Use of a Stereo headset is required to obtain full effect of IntelliAudio processing in the crew positions.
- Apply power to the aircraft and avionics.
- Plug stereo headsets into the pilot, copilot, and occupied passenger positions.
- Verify fail-safe operation by receiving and transmitting on com 1 from the pilot position, with the audio panel power off. The Com audio will be present in one ear cup only.
- Switch on the unit by pressing the volume (VOL) knob.
- Check intercom operation.
- Push the C1 Xmt select button (lower row).
- Verify that both of the C1 indicators light. Verify that transmit button LED (Light Emitting Diode) near the mic selector is not blinking. If the LED is blinking, stop testing and troubleshoot the microphone PTT installation.
- Verify proper transmit and receive operation from the copilot position, noting that the copilot PTT switch allows proper transmission on the selected transceiver. Verify that the C1 Xmt button blinks when transmitting.
- Verify that pushing the C2 button causes the button to illuminate, and the Com 2 receiver to be heard. Verify operation on Com 1 from the pilot position.
- Repeat for Com 2
- Press and hold the C1 Xmt button. While holding the C1 button, press the C2 Xmt button. This places the unit in “Split Mode;” Verify that the pilot can transmit and receive on Com 1, while the copilot transmits and receives on Com 2.
- Verify proper operation of all receiver sources by selecting them using the appropriate button or menu.
- Activate the cockpit speaker by holding the lower line select for 1 second SPR should appear on the OLED display. Verify that all selected audio is heard in the cockpit speaker. Verify that the audio mutes when the mic is keyed.
- Verify that the appropriate LED in the lower button row blinks when either push to talk is keyed.
- Verify proper Intercom system operation in the ALL, ISO and CREW modes (see Table 3-1).
- Verify that the audio selector panel system does not adversely affect any other aircraft system by systematically switching the unit on and off, while monitoring the other avionics and electrical equipment on the aircraft.
2.12.3 Marker Checkout (050-450–0601 Only)
- Connect a ramp generator at the antenna end of the marker coax. With the unit under test, verify that a 430∪Volt, modulated 95% with 1300 Hz, signal will illuminate the amber (M) marker light, and that marker audio is present in the headphones when the Marker Audio (MKR) push-button has been depressed. Select SPR for speaker to verify marker audio availability on the cabin speaker. Verify that the white (I) and blue (O) lights will illuminate within 3dB of the amber lamp, with 3000 HZ and 400 Hz applied, respectively.
- Put unit in High Marker sensitivity (See §3.7 ). Repeat with the unit in HIGH sensitivity, 160 V with applied.
- Connect the marker antenna and verify proper operation.
2.12.4 Bluetooth Checkout
Verify that the PMA450B will “pair” with a Bluetooth device, and interface with cellular phone and Music source. See section 3.12 for more information.
2.12.4.1 TEL Checkout
Pair the PMA450B with a Bluetooth telephone device. Verify that the pilot headset is connected to the cellular telephone system (if installed). Verify that by using the pilot side PTT, the pilot can transmit on the other selected radio (Com 1 or Com 2). The telephone function will allow any person heard by the pilot on the intercom, also heard on the telephone.
2.12.5 Internal Recorder Checkout
With headset plugged into pilot’s side jacks, tune COM 1 to local frequency, such as FSS or ATC ground.
Select Com 1 on mic selector switch, and record several incoming radio transmissions.
Press the (top) Com receiver pushbutton (C1 or C2) that corresponds to the selected radio transmitter and hold for approximately one second until you hear audio playing, then release. This action will then automatically play back the last recorded message. Holding down the top C1 or C2 button will stop the playback.
This audio should appear in the pilot and copilot headsets, and only be incoming transmissions from the transceiver selected in the mic select switch. Depress the audio panel or yoke mounted playback switch, if installed (J2 pin 22), and verify that messages play, in the order received. Repeat for the other COMs. The playback will be stopped by audio on the selected com. The message can be replayed from the beginning, and audio received during the playback will not be stored.
2.13 Final Inspection
Verify that the wiring is bundled away from all controls and no part of the installation interferes with aircraft control operation. Move all controls through their full range while examining the installation to see that no mechanical interference exists. Verify that the cables are secured to the aircraft structure in accordance with good practices, with adequate strain relief. Ensure that there are no kinks or sharp bends in the cables and coaxial cables. Verify that the cables are not exposed to any sharp edges or rough surfaces, and that all contact points are protected from abrasion.
Complete documentation that may be required, such as a logbook entry, weight and balance computation and FAA Form 337. Sample text for FAA Form 337, and instructions for continuing airworthiness can be found in Appendix F.
Return completed warranty registration application to PS Engineering, or complete online at www.ps-engineering.com.
OPERATION
3.1 SCOPE
This section provides detailed operating instructions for the PS Engineering PMA450B, Audio Selector Panel/Marker Beacon Receiver/Intercom Systems. Please read it carefully before using the equipment so that you can take full advantage of its capabilities.
This section is divided into sections covering the basic operating areas of the PMA450B systems. They are Communications Transceiver Selection, Audio Selector, Intercom, Marker Beacon Receiver and special functions, including the Bluetooth® functionality in the PMA450B.

- Volume on/off
- Transmit Selection
- Receiver Selection
- Navaid Selection
- Line Select buttons
- OLED Display
- Speaker Selection
- Intercom Mode
- Marker
- USB Power Port
Figure 3-1 PMA450B Operating Controls
3.2 Power and Fail Safe (1) The PMA450B will automatically power up when avionics bus voltage is applied. Unit power can also be turned off and on by pushing the volume knob (1). There is a built-in delay to prevent accidental shut off while adjusting the intercom volume in turbulent conditions. In the OFF or “EMG” position, the pilot headset is connected directly to Com 1 as well as unswitched input #1. This allows communication capability regardless of unit condition. Any time power is removed or turned OFF, the audio selector will revert to fail-safe mode. If fail-safe audio is present in both ears of a stereo headset, or completely absent, verify that a stereo headset is used and is selected for stereo mode. The power switch controls all audio selector panel functions, intercom and marker beacon receiver. All transceiver and receiver selections will be remembered and return to the last state when turned on.
3.3 Display Menu Selection (6) The PMA450B uses an Organic Light Emitting Diode (OLED) Display and three line-select buttons to access advanced functionality in a very logical manner. Press the line select key to select a specific item on each menu. Items are toggled on and off by pressing the line select key as well. A long press (> 1 second) will also back up one menu level.
When navigating the menus, the screen will automatically return to this “home” screen after a period of inactivity. This delay time is configurable from the initialization menu as well, for between 1 and 30 seconds. A vertical bar next to a button indicates the button can perform a function on that menu.
A split bar indicates that a secondary function is available when that button is held for more than one second.
Figure 3-2 Top level Menu
3.4 Communications Transmit (XMT) Selection (2)
The PMA450B has four buttons to select communications transceiver functions, two each C1 and C2. C1 refers to VHF COM 1, and C2, to VHF COM 2. To select a VHF COM for transmit; push the lower button in the XMT (transmit) section. The radio is automatically selected to receive incoming radio calls when the XMT is selected. With a PMA450B, you will never transmit on a radio that you are not receiving.
To select a VHF COM radio to listen only, push the C1 or C2 button in the RCV (Receive) section.
The PMA450B will remember when you have selected a radio for receive only, and then switch to it for transmission and switch back.
3.4.1 Split Mode
In the SPLIT mode, the pilot position transmits and receives on COM 1, and the copilot can transmit and receive on COM 2 independently.
Pressing the C1 and C2 XMT buttons (above the └ SPLIT ┘ legend), puts the PMA450B into SPLIT com mode.
In split mode:
| Position | COM 1 Re- ceive | COM 1 Trans-mit | COM 2 Re-ceive | COM 2 Trans-mit | Switched Audio | Unsw. Au-dio | Copilot Inter- corn | Passen-ger Inter-corn |
| Pilot | Yes | Yes | NO | NO | Yes | Yes | NO | NO |
| Copilot | NO | NO | Yes | Yes | NO | Yes | NO | NO |
| Passen- gers | NO | NO | NO | NO | NO | NO | NO | YES |
- The intercom is deactivated automatically when you enter SPLIT mode.
o Push the ICS button until the green LED lights up CRW to restore intercom between pilot and copilot.
o Intercom between crew and passengers is not possible in split mode - The spatial component of IntelliAudio is defeated in split mode.
- To exit SPLIT mode, select either C1 or C2 XMT button (lower button)
3.5 COM Audio Selector (3)
Communication audio from the other radio, not selected for transmit, can be heard by pressing the associated RCV button. You will always hear the audio from the selected transceiver.
3.5.1 Swap Mode (Switch from Com 1 to Com 2 remotely)
With an optional yoke mounted, normally open momentary switch, the pilot can change from the current Com transceiver to the other by pressing this switch. To cancel “Swap Mode,” either press the yoke mounted switch again, or select a different Com with the XMT buttons.
The panel- or yoke-mounted optional “swap” switch can also act as a remote intercom mode selector. A long (>1 second) press of the swap switch will increment the intercom mode selector from ISO-ALL-CRW-ISO, etc. each time the button is pressed and held.
3.5.2 IntelliAudio® Dimensional Audio
Various audio signals are presented to the DSP and processed to “appear” in a different location to the crew. “Multi-Talker” (US Patent #7,391,877) specifies up to nine locations. This helps the crew to better comprehend speech by locating it in a manner more easily differentiated by the human brain.
Intercom and other audio are not spatially processed, only the pilot and copilot VHF COM audio.
You must use stereo headsets, in stereo mode for this feature.
The spatially processed dimensional sound in the PMA450B can be adjusted to accommodate the user preferences. See § 3.17.4
3.5.2.1 IntelliAudio: Auto mode
When IntelliAudio is in Auto mode, the separation will switch to mono mode after one of the radios has been quiet for more than 5 seconds. Separation will automatically return when both radios are active.

3.5.3 Com Monitor Mode
The PMA450B is equipped with a Monitor function, which allows a secondary com radio audio to be muted by the primary radio (selected for transmit). You will only hear one active radio at a time and you will hear it in both ears. The green indicator LED for the radio being monitored will blink once per second.
To toggle the Monitor mode on and off, Press IntelliAudio → MONITOR

NOTE: Monitor Mode and Spatial Audio Processing (IntelliAudio) are mutually exclusive – entering one mode will cancel the other.
3.5.4 Navaid Selection (4)
VHF Navigation receivers can be selected directly from the front panel with the N1 and N2 (VHF Navigation receiver 1 and 2) buttons. The selected source is indicated by a green LED. Additional navigation aid or other audio sources can be selected using the OLED menus.
Press the bottom line select RADIO →and desired audio source.

When one of the navaid audio sources is selected, the letter “S” appears on the main screen as a reminder (serial number T45B2103 and above).
NOTE: Switched Inputs can be renamed at the configuration set up. See §3.13 for more information.
In SPLIT mode, only the pilot will hear selected navigation audio.
3.6 Speaker Amplifier (7)
To activate the PMA450B cockpit speaker output, press and hold the bottom line-select button (SPR) for one second or until SPR appears in the display.

In “Split Mode” all audio that the pilot hears will also be present in the speaker.
Unswitched audio #1 & #2, (the inputs dedicated to autopilot disconnect, altimeter warning, etc.) will come through the speaker regardless of the speaker button position.
When a cell phone call is active, the selected radio audio is removed from the speaker.
Depending on installation, important audio annunciations such as radar altimeter or autopilot disconnect will come over the speaker even if it is not selected, while other unswitched, but muted inputs, such as GPS alerts, will only be present if the SPR button is selected. Consult your professional avionics installer for these important configuration details.
| Unswitched Input | Hear in Fail Safe (Pilot) | Hear in Crew Headset | Hear in SPR |
| 1 | Yes | Yes | Yes |
| 2 | No | Yes | Yes |
| 3 | No | Yes | When SPR selected |
| 4 | No | Yes | When SPR selected |
3.6.1 Public Address Function
To access PA function, press and hold the N1 button for more than 1 second, until the display changes to PA SPR.

When PA mode is active, all microphones except for the Pilot will be disabled for complete and uninterrupted announcements.
The pilot microphone will be heard on the speaker and headsets when the pilot PTT is used.
The copilot can continue to use the selected com radio while the pilot will be heard over the speaker.
PS Engineering
PMA450B Audio Selector Panel and Intercom System
Installation and Operator’s Manual

To exit PA mode, push and hold the N1 button again until PA is off or cycle power on the audio panel.
3.7 Marker Beacon Operation (9) (part number 050-450-0601, -0701 only)
The Marker Beacon Receiver uses visual and audio indicators to alert you when the aircraft passes over a 75 MHz transmitter.
The audio from the Marker Beacon Receiver can be heard by pushing the “MKR” button. AUD will light up green.

The Blue lamp, labeled “O”, is the Outer Marker lamp and has an associated 400-Hertz ‘dash’ tone. The lamp and tone will be keyed at a rate of two tones/flashes per second when the aircraft is in the range of the Outer Marker Beacon.
The Amber lamp, labeled “M”, is the Middle Marker lamp and is coupled with a 1300 Hertz tone. It is keyed alternately with short ‘dot’ and long ‘dash’ bursts at 95 combinations per minute.
The White lamp, labeled “I”, is the Inner marker and has a 3000 Hertz ‘dot’ tone. The lamp and tone will be keyed at a rate of six times per second.
Holding the MKR button for one second activates marker test lamp, labeled “T/M” and illuminates all three lamps simultaneously to assure the lamps (internal and external) are in working order. TST does not activate MM autopilot sense output. Releasing the button returns to the last sensitivity.
Pressing the marker mode select (“T/M”) for one second, while beacon audio is active, will also cause the marker audio to mute for that beacon. The next beacon received will re-activate the audio.
The marker beacon receiver audio volume can be adjusted from the user setup menu (see §3.16.5).
3.7.1 Marker Beacon Sensitivity
Press and hold the MKR button for about two seconds, until the letter H appears in the OLED display, indicating thatthe Marker beacon sensitivity is in the High Sense Mode.Repeat to switch back to Low Marker Sense (“H” disappears.)
3.8 Intercom Operation (8)
3.8.1 IntelliVox® Intercom VOX-Squelch
No adjustment of the IntelliVox® squelch control is necessary. Through three individual signal processors, the ambient noise appearing in all six microphones is constantly being sampled. Non-voice signals are blocked. When someone speaks, only their microphone circuit opens, placing their voice on the intercom. The system is designed to block continuous tones; therefore, people humming or whistling in monotone may be blocked after a few moments.
For consistent performance, any headset microphone must be placed within ¼-inch of your lips, preferably against them. (ref: RTCA/DO-214, 1.3.1.1 (a)).
NOTE It is also a good idea to keep the microphone out of a direct wind path. Moving your head through a vent air stream may cause the IntelliVox® to open momentarily. This is normal. The IntelliVox® is designed to work with normal aircraft cabin noise levels (70 dB and above). It loves airplane noise!
Therefore, it may not recognize speech and clip syllables in a quiet cabin, such as in the hangar, or without the engine running. This is normal. If your cockpit is unusually loud or windy, PS Engineering recommends installation of a Microphone Muff Kit from Oregon Aero (1-800-888-6910). This will not only optimize VOX performance, but will improve the overall clarity of all your communications.
| Manufacturer | Model | Mic Mufffm Part Number |
| Bose | Dynamic | 90010 |
| Electret | 90015 | |
| M87 Dynamic | 90020 | |
| David Clark | H10-30 | 90010 |
| H10-20, H10-40 | 90015 | |
| H10-13.4 | 90015 | |
| Lightspeed | All | 90015 |
| Peltor | 7003 | 90010 |
| 7004 | 90015 | |
| Pilot | 11-20 & 11-90 | 90015 |
| Semiliciser | 90015 | |
| Telex | Airman 750, Echelon | 90015 |
| AIR3000 | 90010 |
Table 3-1 Mic Muff ™ Part Numbers
3.8.2 Intercom Volume Control (1)
The smaller inner volume control knob adjusts the loudness of the intercom for the pilot and copilot. It has no effect on selected radio levels, music input levels or assengers’ volume level. The green volume bar indicator shows the level of the crew volume by default.
The outer, larger volume control knob controls intercom volume for the passengers. It has no effect on radio or music levels. When the outer knob is moved, the green volume bar indicator will switch to show the level of the passenger’s intercom volume, reverting to the crew after a few seconds. Adjust the radios (at the radio itself) and intercom volume for a comfortable listening level. Most general aviation headsets today have built-in volume controls; therefore, volume also can be further adjusted at the individual headset.
3.8.2.1 Monaural headsets
The pilot and copilot positions work with stereo or mono headsets. However, IntelliAudio will not be presented correctly unless stereo headsets are used, and oriented correctly on the head,left and right.
NOTE: For the full effect of IntelliAudio® Dimensional Sound, stereo headsets must be used, and the left/right orientation observed.
All passenger headsets are connected in parallel. Therefore, if a monaural headset is plugged in to a PMA450B Stereo installation, one channel will be shorted. Although no damage to the unit will occur, all passengers with stereo headsets will not hear one channel, unless they switch to the “MONO” mode on their headset.
NOTE: Mono headsets that short the tip and ring (i.e. older models) will introduce some audio distortion when used. Modern, stereo headsets are recommended in all positions.
3.8.3 Intercom Modes (8)
The “ICS” pushbutton switch on the panel provides the selection of the three intercom modes This button cycles through the intercom modes, from left to right, then right to left as: ISO, ALL CRW and CRW, ALL, ISO. A green indicator shows which mode is currently active.
The description of the intercom mode function is valid only when the unit is not in the “Split” mode. Then,
the pilot and copilot intercom are controlled by the ICS button selecting CRW.
ISO: The pilot is isolated from the intercom and is connected only to the aircraft radio system. He will hear the aircraft radio reception (and sidetone during radio transmissions). Copilot will hear passengers’ intercom and Music, while passengers will hear copilot intercom and Music. Neither will hear aircraft radio receptions or pilot transmissions. The pilot can hear music if desired. See §3.9.3
ALL: All parties will hear the aircraft radio and intercom. Crew and passengers will hear selected Music.
During any radio or intercom communications, the music volume automatically decreases. The music volume increases gradually back to the original level after communications have been completed.
CREW: Pilot and copilot are connected on one intercom channel and have exclusive access to the aircraft radios. They may also listen to Music 1. Passengers can continue to communicate with themselves without interrupting the Crew and may listen to Music as configured.
3.8.3.1 Remote ICS Mode Control
The panel- or yoke-mounted optional “swap” switch can also act as a remote intercom mode selector in units with serial and above. A long (>1 second) press of the swap switch will increment the intercom mode selector from ISO-ALL-CRW-ISO, etc. each time the button is pressed and held. A short press activates the COM 1 to COM 2 to COM 1 swap function.
3.8.3.2 Alternate Intercom Mode
The PMA450B includes an Alternate Intercom Mode. This mode allows intercom communications between crew and passengers, without interrupting the crews radio communications. The passengers do not hear the aircraft radio audio. The passenger microphones are muted, such that the crew cannot hear the passengers’ microphone audio while the radio is active. Passengers can still talk to each other.
To enable the Alternate Intercom Mode, press RADIO-ICS: to switch between Standard, Alternate and Copilot as Passenger modes. This state is remembered during power cycles.

3.8.3.3 Copilot as Passenger (CP PAX) Intercom Modes
This function is useful when the right seat occupant does not wish to interact with the aircraft operation.


3.8.3.4 Copilot as Passenger (CPAX).
In this mode, the copilot position is treated as a passenger. The position will have intercom with the pilot position, except when there is radio traffic, will not hear any selected radio audio and cannot transmit on the radio. The intercom microphone to the pilot position will not be heard while there is radio audio present.
The volume knob for the Copilot/Pax position changes in this mode. With CP Pax mode enabled, the copilot seat is controlled via the passenger knob. Also, pressing the ICS button toggles between ISO and All only. To activate Copilot as passenger, Radio-ICS ➔ Intercom: CPX.
3.9 flightmate®
The flightmate® is an audio storage system with four audio messages can be activated by external triggers, and acknowledged if desired.
flightmate MUST be activated from the installer setup menu.
Contact your PS Engineerng installing dealer for information.
See §2.6 for important information.
When triggered, the recorded audio will play in the pilot’s headset.
Alert #1 has been designed aas a priority alert nd will continue to play until the trigger has cleared.
Alert 2, 3 and 4 can be stopped if the “Acknowledge” button is pushed while the audio is playng.
(Serial T45B2103 and up) Alert Messages 2 through 4 can be configured through the dealer setup function to play once and stop, or continuously until the condition is removed or ACK pushed. Contact PS Engineering for more information.
3.9.1 Storing Messages:
3.9.1.1 Storing Alerts
The PMA450B has four discrete messages that can be played when triggered by an external event. The audio in these alerts can be changed in the user set-up menu by recordimg new messages with the pilot’s microphone.
To access the user Setup – During the unit boot up process, press the lower line select button until the setup screen appears.




Holding the center button allows you to record a message by using the pilot’s microphone Pressing the bottom button will replace the user-stored message with the factory message. In the case of Alert 1, it is a simple chime sound. Modifying Alerts 2, 3 and 4, is similar.
Cycle the PMA450B power to exit setup screen and return to normal operation.
NOTE:
These messages are strictly supplemental and pilot option, and shall not replace any existing alerts in the aircraft.
3.10 Music Control, Distribution and Muting
The bottom menu, bottom line select button toggles the music on or off for the pilot. When pilot music is active, a music icon (♫) appears in the display.
The PMA450B has two independent music inputs at the rear connector. The PMA450B also has the ability to receive streaming music from a Bluetooth-enabled device.
The Bluetooth, Music 1 and Music 2 inputs can be selectively delivered to the pilot, copilot and/or passengers using the music distribution menu.
The Bluetooth (BT1 or BT2) option is only available when connected to a Bluetooth compatible source.

Figure 3-3 Top Music Menu
Press Music → Music Distribution→ and select desired combination.

Figure 3-4 Music distribution menu

When both Bluetooth modules are set as Bluetooth inputs, the user could use BT1 an alert input from a tablet with aviation application, such as Foreflight and BT2 as a music input.

The combination of Music 1 and Bluetooth 2 (must be configured as a Music input), is available for the crew positions.
Figure 3-5 Music distribution menu with multiple Bluetooth modules (Part Number -0601 and -0701 only)
NOTE: BT1 should be used for applications that provide voice announcements or checklists to avoid clipping of words.
In Copilot as Passenger Mode, Passengers are designated Front (was copilot) and “rear” (was passenger).

Figure 3-6 Music distribution menu, Copilot as Passenger
NOTE: All music devices should be turned off for takeoff, landing, or any critical phase of flight. FAA Regulation 14 CFR 91.21 restricts the use of portable electronic devices. §91.21 “(a) Except as provided in paragraph (b) of this section, no person may operate, nor may any operator or pilot in command of an aircraft allow the operation of, any portable electronic device on any of the following U.S.-registered civil aircraft. . . “(b)(5) Any other portable electronic device that the operator of the aircraft has determined will not cause interference with the navigation or communication system of the aircraft on which it is to be used.” You can refer to Advisory Circular 91.21-1A for more information, at http://www.faa.gov
3.10.1 Music Muting
The SoftMute™ circuit will mute the music whenever there is conversation on the radio, the intercom, or both, depending on the “Mute” mode selected. When that conversation stops, the music returns to the previous level comfortably, over a second or so. The mute mode functions are controlled through Music Mute Menu that has three modes for each music input. Mute ALL, Mute Off “Karaoke” & Radio Mute.

The PMA450B always defaults to Mute ALL when turned on, unless “Mute Recall” is selected in setup menu.
In ALL- music will mute with either intercom or radio
Mute OFF, or “Karaoke” mode – music will not mute except during radio transmissions.
Radio – Radio will mute music, but intercom will not mute music.
In addition to the panel mute menu, a remote switch may be installed to allow the passengers local access
to their Karaoke mode. When this switch is grounded, the menu choice is overridden.
3.10.2 Music Volume
The volume of the music inputs can also be adjusted from the menu of the PMA450B:
Press Music → Music Volume → Desired music input. The LED Volume bar and the numeric volume will show the volume level.

Figure 3-7 – Music Volume screen
3.10.3 Music in Pilot ISO mode
When the isolate (ISO) mode is activated, the music for the pilot is automatically disabled. If desired, the pilot can elect to hear music in the ISO mode with a long press or holding the home menu button or the ICS button, while in the ISO mode.

The pilot can select any music source from the Music distribution menu.
3.11 Bluetooth® connection
The PMA450B has a Bluetooth interface. The audio panel is always “discoverable,” so you just need search for the PMA450B from your Bluetooth-equipped phone or music source. The default access code 0000, if needed. Once the PMA450B has been “paired” with your Bluetooth device, the TEL distributiowill act as described in § 3.11.1.

When Bluetooth is active, a Bluetooth icon and the battery status of the device is displayed in the upper right corner of the home display.
3.11.1 Pairing and un-pairing Bluetooth devices
The PMA450B BT1 Module can be paired with up to eight individual devices. When that number is exceeded, the PMA450B will drop a device to allow the new device to be added. If the audio panel is turned on before the Bluetooth device, you will have to connect manually from your Bluetooth device. Otherwise, the audio panel should connect automatically.
When the PMA450B is first powered on, an auto connect sequence attempts to connect the BT to previously paired devices. During this period, connection times may vary from 10 seconds to 1 minute. Although the PMA450B can store up to eight devices, we recommend limiting the number if practical. During start-up, the PMA450B will look for each previously paired device, which may slow connection time.
Hint, if your old phone is not recognized by the PMA450B, you may need to reset from the Bluetooth menu.
3.11.1.1 Paring separate music and telephone devices (BT1)
It is possible to use a different music source (iPad, iPod with Bluetooth adapter, Bluetooth enabled laptop, etc.) and telephone. However, only one music source can be streaming at a time.
NOTE: A previously paired iOS Hands Free device may experience from one to several connect/disconnects sequences when the PMA450B is first powered on. This is normal and will result in the device remaining connected when the auto connect process is completed.
If two iOS devices are paired and connected to the PMA450B, and one of them does not auto connect on the next power cycle (perhaps it isn’t in the airplane, or the Bluetooth is turned off), it will be ignored until it is reconnected manually.
3.11.1.2 Paring music devices (BT2 available in -0601 & -0701 only) The PMA450B incorporates a second Bluetooth Module, Labeled as BT2. This module supports entertainment audio input as well as audio streaming As delivered by the factory BT 2 is set for music input. The Module is labeled PMA450B BT 2, with the last four digits of the serial number. This can be relabeled in the User Setup Menu. To configure the BT2 Module for Audio Streaming out to a device such as a Video Camera, you will need enter the User Setup Mode. See §3.15.
3.12 Bluetooth® Telephone Mode
The PMA450B serves as a full duplex interface for telephone systems such as portable cellular phones with Bluetooth connectivity.
Warning: United States FCC Regulations contained in 47 CFR § 22.925 currently contain prohibition on airborne operation of cellular telephones. “Cellular telephones installed in or carried aboard airplanes, balloons or any other type of aircraft must not be operated while such aircraft are airborne (not touching the ground). When any aircraft leaves the ground, all cellular telephones on board that aircraft must be turned off.” In ALL intercom mode, all crew and passengers will be heard on the phone when they speak. All will hear selected audio. Com audio is automatically heard in the headsets (unless in Alternate Intercom Mode).
In CREW mode, the pilot and copilot are connected to the telephone. The pilot and copilot will have transmit capability on the selected transceiver, Com 1 or 2, simply by using their respective PTT switch
In ISO intercom mode, when the PMA450B is in the TEL mode, the pilot position is in the “Phone Booth.” Only the pilot will hear the telephone, and only he will be heard. He will also have access to Com 1 or 2, and will transmit on that radio using the PTT. All selected audio is provided.
NOTE
PS Engineering does not guarantee compatibility with personal cellular telephones.
3.12.1 Bluetooth Reset
If Bluetooth devices have trouble connecting, it may be necessary to reset the Bluetooth Module. The PMA450B Bluetooth Reset function is accessible from the setup menu.
During the unit boot up process (while the version numbers appear on the screen), press the lower line select button.

This places the unit into the “User Setup Mode- home screen”, and allows resetting the Bluetooth Module

When Unpair All is pushed, the BT 1 is reset and ALL Bluetooth devices are erased, and can then be added back as desired. This is useful in some cases where the unit or operator lose track of the devices paired, and cannot get them to connect.

Cycle the PMA450B power to exit setup screen.
3.12.2 Bluetooth PIN
The PMA450B can be configured to require a Personal Identification Number (PIN) to pair, or this function can be disabled.
As delivered from the factory, the PIN is disabled. To enable the PIN, and set the PIN to be used,
Enter the user setup mode More Bluetooth
PIN (Note when PIN is changed from Disabled to a value, the Bluetooth will reset, and clear all paired devices)
To remove the PIN, press PIN again, while the cursor is on a number.

3.12.3 Bluetooth Cellular telephone sidetone
Some cell phones provide sidetone, and when combined with unit sidetone can cause audio distortion. In the PMA450B telephone sidetone can be enabled or disabled on the Telephone menu when a call is active.

3.13 Wired Satcom/Cell Phone input
The PMA450B can accommodate a wired telephone input as well as a Bluetooth connection. However, only one can be active at a time. The Bluetooth symbol is absent from wired menu.
The wired telephone screen menu is activated when audio is detected from the phone. Sidetone and telephone volume can be controlled from this menu. The telephone audio distribution is the same as Bluetooth, above.
This menu will switch off 25 seconds after the incoming conversation ends, or press End Call.
NOTE: The PMA450B does NOT answer or hang up the wired phone from this menu.

3.14 Internal Recorder and playback
The PMA450B comes equipped with an internal recorder. This digital system stores the last incoming audio from the radio you have selected for transmit. It can store as many of 8 incoming messages, and up to 45 seconds of audio. The pilot and copilot hear the playback.
Recording is automatic. To play back the last recorded message, press and hold the COM Receive pushbutton associated with the selected radio transmitter for about one (1) second. You can either wait for the mes-sage to finish playing before accessing the prior message, or cancel the current playback and step backward. To cancel the playback, press and hold the COM receive playback button for two seconds (2). The next time the button is pressed for one (1) second, the next earlier message will be heard. The playback will stop whenever there is more incoming selected com audio, and the message can be replayed from the beginning by pressing the selected Com Receive button again for 1 second.

Figure 3-8 Playback Controls

Figure 3-9 Playback Display
3.15 PS Streamer Operation (P/N 050-450-0601 & -0701 Only)
The PMA450B may be equipped with a PS Streamer audio module. In addition to a second music
Bluetooth input, this module provides a Bluetooth® output of selected signals from the audio panel.
These can be streamed to devices such as a GoPro 3 or 4, camera equipped with a SEMA GP10 adapter or other compatible devices.
NOTE: The Streamer function must be enabled (BT2 FCTN Streamer) in the user setup menu for it to be appear in the operating menus.

3.15.1 Pairing
To pair the PMA450B PS Streamer with a compatible device, access the streamer menu from Radio-ICS ➔More ➔Streamer➔ Config ➔ Init Pair. This will initiate the paring sequence, and you may have to initiate the pairing on the other device as well.

This may take 30 seconds to complete.
After the module is paired the first time, it will connect to that device each time it is activated.
Depending on the Bluetooth device receiving the audio, pairing may have to be initiated on the device, or the audio panel first.
NOTE: During the time that the Streamer module is in the pairing process, the main Bluetooth connection to the telephone/music is inhibited, so music and telephone will not be available. When paired, a Bluetooth symbol will appear in the display.

3.15.2 Streamer on/off
Select: Radio-ICS ➔More ➔Streamer➔ Source
Press the middle line select button to activate the PS Streamer source when it has been turned off.

The PS Streamer defaults to “off” when the audio panel is turned on each time. You will need to activate the PS Streamer for each flight when desired, but pairing will not be necessary. The module will reconnect when activated.
3.15.3 Source Selection
The output can contain either the audio heard by the pilot (radio, intercom, music, etc.) or only communications radio audio
From the PS Streamer menu, push the middle line select button to toggle between communication radio audio and all audio heard in the pilot headset, including radio, intercom, music and telephone.

Streamer Volume
The volume of the radio output to the PS Streamer module can also be adjusted, press Radio-ICS ➔ more . . . ➔Streamer➔ Volume, and use the small knob to set the level. We recommend starting at 10, the highest level.


3.16 Timer Functions
The PMA450B contains a timer function with count down, or count up functions. This can be used as a convenient reminder for timed instrument approaches, fuel tank switching, flight elapsed time, etc. The Timer is accessed from the main menu, bottom button.

3.16.1 Setting the timer
Press the SET button and use adjust the desired time using the outer knob for minutes, and the inner knob for seconds, up to 99:99. 
3.16.2 Count Down
Press Start to begin counting down.
The display reverts to normal after a few seconds. Then as the countdown progresses, the display will momentarily show remaining time as the interval is divided in half (from 1 minute, then 30 seconds, then 15 seconds, etc.). At one-minute remaining, an audio alert says “One Minute.” The display shows remaining time at 10 seconds, and audio alert says “Time Expired.” The set time is remembered until changes, and can be reset to the last value.
3.16.3 Count up
The count up timer simply shows elapsed time since START, and counts to 99 minutes, 99 seconds. Count up will stay on the screen until manually stopped.
3.17 User Setup menus
The PMA450B has several user adjustable functions accessible from a setup menu.

Figure 3-10 User Configuration Menu
During the unit boot up process, press the lower line select button until the setup screen appears. Cycle the PMA450B power to exit setup screen.
During the unit boot up process, press the lower line select button when the version screen appears. This shall place the unit into the “User Configurable Mode- home screen”. This allows adjustment for:
- Screen Adjustments (OLED)
- Renaming Switched Inputs
- Recall Mute Mode
- Bluetooth Functions
Cycle the PMA450B power to exit setup screen.
3.17.1 Adjust Screen (OLED Adjustment)
The first item is adjustments to the display, allowing the installer or user to tailor the intensity to suit the cockpit conditions.
OLED will vary in real time while adjustments are made. LED bar & numeric indication will vary.
3.17.1.1 Brightness
Adjusting the Brightness level requires selecting the smaller button and then turning the inner knob. The display brightness also automatically tracks the ambient light.
To change the display:
Press the line select for the desired item
Turn the small, inner knob to change the brightness as desired.
Cycle the PMA450B power to exit setup screen.
Figure 3-11 OLED Menu
3.17.1.2 Display Timeout
This is a feature that allows the end user to adjust how quickly the screen menus timeout (revert to main menu).
NOTE: A long press (>1 second) will back up the menu one level.
This allows adjustment of the timeout screen and can be configured from 1 second to 30 seconds by turning the inner knob.
For a user who is unfamiliar with the product, this will give them enough time to learn the system. After becoming more familiar, the user can speed up the menu screen timeout as desired. Cycle the PMA450B power to exit setup screen.
Figure 3-12 Display Timeout Menu
3.17.2 Rename “Switched” Inputs
The system is factory set to default as ADF & DME as shown.
The two inputs are from top to bottom:
- Switched input #1 J1, Pin 7 wrt Pin 8 (Default ADF)
- Switched input #2 J1, Pin 21 wrt Pin 22 (Default DME)
The customer will have access to rename. Maximum 9 letters per line and A thru Z, a through z and 0 thru 9 will be available. Note: If no marker version PMA450B (-020X) an external marker can be connected to these inputs.
- Press the line select for desired input.
- Turn the large outer knob to select the letter to change.
- Turn the small, inner knob to increment or decrement the letter.
- You can select 9 characters, A through Z, 1 through 9.
- You can quickly clear the whole line by turning the outer knob to move the cursor all the way to the right or left until the line clears.
- Blank spaces can’t be added to the end of a string, but you can add a temporary character and go back and change it to a space:
ADFA1 Change extra “A” to space ADF 1 Cycle the PMA450B power to exit setup screen.
Figure 3-13 Rename Input Menu
3.17.3 Options

3.17.3.1 Remembering Music Mute Mode
As shipped by the factory, the PMA450B automatically default to “Mute Off.” This ensures that the music will always be muted until positively changed by the pilot.

Owners who want the PMA450B to remember the last music mute state can set the “Recall Mute” in the user setup menu.
The Copilot as Passenger mode reset on power up unless Recall ICS is selected by the owner.
3.17.4 IntelliAudio Location Setup
This adjustment allows the Spatial Audio inputs to be “relocated” on any of nine (9) defined “Head Related
Transfer Function” (HTRF) locations.
Push More. . . → IntelliAudio → IntelliAudio Config to access. In the IntelliAudio® mode, repeated pressing of the COM 1 or COM 2 line select buttons moves the corresponding half-circle cursor to the locations relative to the listener graphic in sequence. Pressing the “Done” button exits the configuration setting mode. This setting is recalled at system power up.

Figure 3-14 IntelliAudio – True Dimensional Sound, Spatial Location Display, showing C1 at 30°left and C2 at 90° right of center.
Exit the user setup page by turning the PMA450B off.
3.18 Bluetooth Setup
Three Bluetooth functions can be changed in the user setup screen, Unpair All, Paring PIN, and device ID.
3.18.1.1 Unpair All (Bluetooth Reset)
When Unpair All is pushed, the Bluetooth Module is reset and ALL Bluetooth devices are erased from the audio panel, and can then be added back as desired. This is useful in some cases where the unit or operator loses track of the devices paired, and cannot get them to connect.
You will need to “Forget” the PMA450B and add it again after resetting.
3.18.1.2 PIN:
The 4-digit PIN code can be changed to any number desired. This is useful if the owner wants to restrict access to the audio panel Bluetooth functions.
Some phones will not pair if a Personal Identification Number (PIN) is required. To disable the PIN:
- Enter configuration menu, select Bluetooth.
- Select PIN code for editing. Press PIN button one more time.
- “Bluetooth Reset” will appear on screen. When the menu returns, the PIN code will report “Disabled”.
- To re-enable the PIN code for a different device, press the PIN button. “Bluetooth Reset” will appear on screen. When the menu returns, the last stored PIN code will be shown.
ID: The PMA450B can be renamed using this mode to show up on devices with a personalized identifier.
3.18.2 Bluetooth 1 (BT1), Bluetooth 2 (BT2 available in -0601 & -0701 only) and Streamer Setup
ON PMA450B Units with PS Streamer capability, the second Bluetooth module can be configured as Bluetooth out (Streamer) or Bluetooth In (music or audio).

3.18.2.1 BT1 Configuration

When Unpair All is pushed, the Bluetooth Module is reset and ALL Bluetooth devices are erased from the audio panel, and can then be added back as desired. This is useful in some cases where the unit or operator loses track of the devices paired, and cannot get them to connect. You will need to “Forget” the PMA450B and add it again after resetting.
The 4-digit PIN code can be changed to any number desired. This is useful if the owner wants to restrict access to the audio panel Bluetooth functions.
Some phones will not pair if a Personal Identification Number (PIN) is required. To disable the PIN:
- Enter configuration menu, select Bluetooth.
- Select PIN code for editing. Press PIN button one more time.
- Bluetooth Reset” will appear on screen. When the menu returns, the PIN code will report “Disabled”.
- To re-enable the PIN code for a different device, press the PIN button. “Bluetooth Reset” will appear on screen. When the menu returns, the last stored PIN code will be shown.
ID: The PMA450B can be renamed using this mode to show up on devices with a personalized identifier.
3.18.2.2 BT2 Configuration (available in -0601 & -0701 only)
The second Bluetooth module default factory setting is as Music In, the second input can provide additional entertainment, or receive Bluetooth messages from a tablet with Foreflight, etc. This allows crew & passengers to stream two separate Bluetooth inputs (music or alerts) inputs if desired.

When BOTH Bluetooth Modules are configured for audio input, the Bluetooth symbol appears twice.

The Bluetooth 2 module can stream audio out of the cockpit, either just the COM radio audio, or everything the pilot hears, such as intercom, alerts, music, etc.

The ID can be changed to personalize it for your specific devices.

When Bluetooth 2 (BT 2) is configured as a streamer output, the Bluetooth symbol acquires a small arrow.
3.18.3 Volume Setup
Press RADIO → VOLUMES → MARKER, and turn the small knob to adjust the marker beacon volume.
The green volume bar and numerical readout will indicate the receiver volume in this menu.
NOTE: marker Volume cannot be turned completely off.
NOTE: PMA450B, P/N 050-450-0701, without Marker Beacon, will not have a Volume selection.

3.18.4 flightmate Setup
flightmate is a system of audio alerts that are triggered by specific discrete inputs. See §2.5.
Messages are played only in the crew headset. They are not heard over the cockpit speaker.
The Audio Alerts can be recorded by the user from the User Setup Page. Select the desired Alert to change

You can playback the stored message by pressing the top button

Hold the center line-select and speak into the pilot’s microphone. Release and the message is stored.
Note: these alerts messages must be less than five seconds in length.

You can reset the recordings to the factory stored default messages by clicking the lower button. See §2.5 for the default messages.
3.19 USB Charging Port (10)
The PMA450B contains a USB-C charging port that is capable of providing 5 VDC, 3.5 amps of current (at least 15 watts) to power or charge the batteries in smart phones and tablets used as Personal Electronic Devices. This is NOT a data transfer jack.
Warranty and Service
4.1 Warranty
In order for the factory warranty to be valid, the installations in a certified aircraft must be accomplished by an FAA- (or other ICAO agency) certified avionics shop and authorized PS Engineering dealer. If the unit is being installed by a non-certified individual in an experimental aircraft, a factory-made intercom harness must be used for the warranty to be valid. PS Engineering, Inc. warrants this product to be free from defect in material and workmanship for a period of two (2) years from the date of sale. During the first twelve (12) months of the two-year warranty period, PS Engineering, Inc., at its option, will send a replacement unit at our expense if the unit should be determined to be defective after consultation with a factory technician. For the remaining twelve (12) months of the twoyear warranty period, PS Engineering, Inc., at its option, will send a similar replacement unit at the customers’ expense if the unit should be determined to be defective after consultation with an authorized PS Engineering dealer.
All transportation charges for returning the defective units are the responsibility of the purchaser. All domestic transportation charges for returning the exchange or repaired unit to the purchaser will be borne by PS Engineering, Inc. The risk of loss or damage to the product is borne by the party making the shipment, unless the purchaser requests a specific method of shipment. In this case, the purchaser assumes the risk of loss. This warranty is not transferable. Any implied warranties expire at the expiration date of this warranty. PS Engineering SHALL NOT BE LIABLE FOR INCIDENTAL OR CONSEQUENTIAL DAMAGES. This warranty does not cover a defect that has resulted from improper handling, storage or preservation, or unreasonable use or maintenance as determined by us. This warranty is void if there is any attempt to disassemble this product without factory authorization. This warranty gives you specific legal rights, and you may also have other rights, which may vary from state to state. Some states do not allow the exclusion of limitation of incidental or consequential damages, so the above limitation or exclusions may not apply to you. All items repaired or replaced under this warranty are warranted for the remainder of the original warranty period. PS Engineering, Inc. reserves the rights to make modifications or improvements to the product without obligation to perform like modifications or improvements to previously manufactured products.
4.2 Factory Service
The units are covered by a two-year limited warranty. See warranty information. Call PS Engineering, Inc.
at (865) 988-9800 before you return any unit. This will allow the service technician to provide any other suggestions for identifying the problem and recommend possible solutions. After discussing the problem with the technician and you obtain a Return Authorization Number, ship product to:
PS Engineering, Inc.
Attn: Service Department
9800 Martel Rd
Lenoir City, TN 37772
(865) 988-9800 FAX (865) 988-6619
Email: [email protected]
Units that arrive without an RMA number, or telephone number for a responsible contact, will be returned un-repaired. PS Engineering is not responsible for items sent via US Mail.
Appendix A – PMA450B Installation Drawings

Caution : Apply steady pressure to the bezel while screwing the un it into the tray to ensure even seating of the unit and connectors.
Appendix B – J1 Connector Interconnect

Appendix C – J2 Connector Interconnect

Appendix D – Instructions for FAA Form 337 and continuing airworthiness
8.1 Instructions for FAA Form 337, Audio Panels
One method of airworthiness approval is through an FAA Form 337, Major Repair and Alteration (Airframe, Powerplant, Propeller, or Appliance) In the case of the PMA450B, you may use the following text as a guide. Installed audio selector and 6-place intercom, PS Engineering PMA450B, part number 050-450-(XXXX) in ( location ) at station .
Installed per AC43.13-2, Chapter 2, paragraph 23 (Instrument Panel Mounting). Installed per PS Engineering Installation Operators Manual p/n 200-450-(XXXX), revision (), dated ( ).
These units are FAA-Approved under TSO C139A for audio amplifiers, and/or TSO C35d for Marker Beacon Receivers, C71 for DC power supply and meets environmental qualifications outlined in RTCA DO-160G as appropriate or this aircraft. Interface to existing aircraft radios in accordance with installation manual and in compliance with practices listed in AC43.13-2, Chapter 2. All wires are Mil-Spec 22759 or 27500. Connection to aircraft dimmer bus is ______________. Power is supplied to the unit through a 3A circuit breaker (type and part number), and total electrical load does not exceed % of the electrical system capacity with the PMA450B added. Aircraft equipment list, weights and balance amended. Compass compensation checked. A copy of the operation instructions, contained in PS Engineering document 202-450-( ), revision ( ), dated ( ), is placed in the aircraft records. All work accomplished listed on Work Order .
8.2 Instructions for Continuing Airworthiness, Audio System
Sample ICA Checklist for PS Engineering Audio System:
| Section | Item | Information |
| 1 | Introduction | Installation of audio control panel with integrated marker beacon receiver and intercommunications system. |
| 2 | Description | Installation as described in manufacturer’s installation manual referenced on FAA Form 337, including interface with other avionics audio as required. |
| 3 | Controls | See installation and operator’s guide referenced on FAA Form 337. |
| 4 | Servicing | None Required |
| 5 | Maintenance Instructions | On Condition, no special instructions |
| 6 | Troubleshooting | In the event of a unit problem, place the unit into “off,” “fail-safe” and/or “emergency” mode. This allows pilot communications using COM 1. Follow checkout instructions in the installation manual referenced on the FAA Form 337. For a specific unit fault, contact the manufacturer at (865) 988-9800 for special instructions. |
| 7 | Removal and replacement infor- mation | Removal: Using a 3/32” Allen-head wrench, carefully unscrew the locking screw located in the center of the unit. While turning the wrench CCW, gently pull on the EDGES of the bezel until the unit is free from the mounting tray. Installation: Engage the locking screw at the back. Turn the locking screw CW, while applying slight pressure to the edges of the bezel. Do not over tighten! |
| 8 | Diagrams | Not applicable |
| 9 | Special Inspection Requirements | Not Applicable |
| 10 | Protective Treatments | Not Applicable |
| 11 | Structural Data | Not Applicable |
| 12 | Special Tools | None |
| 13 | Not Applicable | Not Applicable |
| 14 | Recommended Overhaul Periods | None |
| 15 | Airworthiness Limitations | Not Applicable |
| 16 | Revision | To be determined by installer |
Appendix E – RTCA DO160G Environmental Qualification Form
Audio Selector Panel/Intercom/Marker Beacon Receiver
Part Number: 050-450-( )
FAA TSO Number: C139a, C35d, C71
Manufacturer: PS Engineering Incorporated 9800 Martel Road
Lenoir City TN 37772
| Conditions | Section | Conducted Tests |
| Temperature and Altitude Low Temperature High Temperature In-flight Loss of Cooling Altitude Decompression Overpressure | 4.0 4.5.1 4.5.2 4.5.4 4.6.1 4.6.2 4.6.3 | Equipment tested to CAT Al & DI -55° C Survival, -15°C Low Operating (Al) +85°C Survival, +70°C High Short Time Operating Not Applicable, no cooling required 50,000′ unpressurized (D1) Not Applicable Not Applicable |
| Temperature variation | 5. | Equipment tested to Category C |
| Humidity | 6.0 | Equipment tested to Category A |
| Shock | 7.0 | Equipment tested to Operational test only |
| Operational | 7. | Equipment tested to Operational test only |
| Crash Safety | 7. | Equipment tested to Operational test only |
| Vibration | 8.0 | Equipment tested to Category M & N |
| Explosion | 9.0 | Category X, not tested |
| Waterproofness | 10.0 | Category X, not tested |
| Fluids Susceptibility | 11.0 | Category X, not tested |
| Sand and Dust | 12.0 | Category X, not tested |
| Fungus | 13.0 | Category X, not tested |
| Salt Spray | 14.0 | Category X, not tested |
| Magnetic Effect | 15.0 | Equipment tested to Category Z |
| Power input | 16.0 | Equipment tested to Category B |
| Voltage Spike | 17.0 | Equipment tested to Category A |
| Audio Frequency Susceptibility | 18.0 | Equipment tested to Category B |
| Induced Frequency Susceptibility | 19.0 | Equipment tested to Category A |
| Radio Frequency Susceptibility | 20.0 | Equipment tested to Category T |
| Radio Frequency Emission | 21.0 | Equipment tested to Category B |
| Lightning Induced Transient Sus- ceptibility | 22.0 | Equipment tested to Category XXE2 |
| Lightning Direct Effects | 23.0 | Category X, not tested |
| Icing | 24.0 | Category X, not tested |
| ESD | 25.0 | Category X, not tested |
200-450-0600 Appendix E
Rev. 5, August 2020
www.ps-engineering.com



















