TSPROF K03 Pro Knife Sharpener User Manual

ATTENTION!
Before using the Device, read this User Manual carefully. Improper use of the Device may cause it to break down. Strict adherence to the rules in this manual will prevent personal injury and damage to the Product.
The Manufacturer is not liable for damages caused by improper use of the Device.
1. PURPOSE
The TSPROF K03 Pro Sharpening Device (hereinafter referred to as the Device) is a universal sharpening tool designed for double-sided sharpening of knives without removing the blade from the clamps for sharpening the back side of the blade.
2. TECHNICAL CHARACTERISTICS
| Characteristics | Value |
| Spine thickness of knives, mm | up to 7 |
| Blade length of the knife, mm | 30 – 400 |
| Blade width of the knife, mm | from 13 |
| Abrasives length, mm | up to 210 |
| Abrasive thickness, mm | 3 to 16 (with blank) |
| Dimensions of the device in operating position, without abrasive holder LxWxH, mm | 500 х 200 х 260 |
| Weight of the device with abrasive holder, g | 2 600 |
| Maximum sharpening angle (per side) | 39° |
| Minimum sharpening angle (per side) | 8° |
3. SAFETY REQUIREMENTS
- Be sure to read this User Manual before using the The device should not be used by persons who are not familiar with this manual.
- This device is not intended for use by persons (including children) with reduced physical, sensory or mental capabilities, or lack of experience and knowledge, unless they are supervised or instructed by a person responsible for their
- Minors must be supervised to ensure that they do not play with the
- Before you start working with the Device, prepare your There should be no foreign objects in the working area of the device. The working area must be illuminated.
- Make sure that the Device is stable on the If using a clamp, make sure that it is well tightened and that the housing is securely clamped to the work surface.
- To prevent cuts, do not touch the cutting edge of the blade with your It is recommended that you wear cut- resistant gloves when handling the machine.
- When sharpening, beware of accidental triggering of the rotating mechanism if the clamping force is weak or the abrasive holder is pressed too hard. Adjust the force correctly (figure on page).
- Do not leave unattended the device prepared for operation, as well as an open, uncovered knife blade in the access area of children and
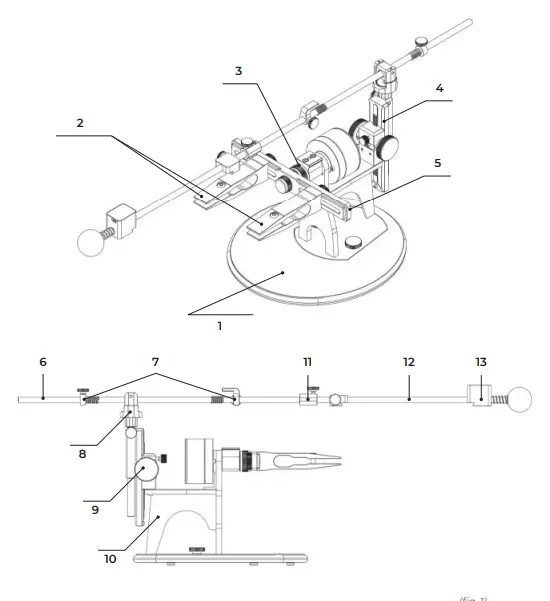
2. CONSTRUCTION
- Stand
- Clamps
- Control ring
- Rack-and-pinion lift
- Rotary mechanism frame
- Rotary mechanism frame
- Abrasive holder stroke limiters
- Hinge unit
- Lifting mechanism knobs
- Body
- Coupling
- Abrasive holder
- Digital integrated angle finder
Your TSPROF K03 Pro device has a number of features:
- The abrasive holder with Axicube-i electronic angle finder allows you to monitor the sharpening angle in real time and trace any changes, for example when changing the Also it is possible to set the sharpening angle with an accuracy of 0.1°. The display is easy to read in any lighting conditions. The angle sensor is resistant to vibrations..
- The abrasive holder guide rod is made of steel and allows the abrasives to be rigidly fixed both with and without ablank. The abrasive holder bar has no angular deflection after assembly, both in free state and under load.
- The hinge unit, due to its advanced design, allows you to sharpen knives in the range of angles from 8°* to 39° which allows you to sharpen at a total angle of up to 78°.
- The rack and pinion lift is made of aircraft-grade It has a sharpening angle scale on it. The sliding part of the lift is connected to the dovetail base. A locking screw prevents accidental movements of the lift. An additional lifting rod is used to increase the sharpening angle. The device allows a two-step adjustment of the sharpening angle: a coarse adjustment with the rack and pinion lift and a fine adjustment with the extended angle axis.
- The rotary unit has a unique mechanism that facilitates rotation and ensures reliable auto-locking of the clamping Thanks to the spring and bearing system, the frame rotates without wear to the mechanism. The auto- rotation system body is made of durable aircraft-grade aluminum, anodized in black.
5. PREPARING FOR WORK
Option 1. Using the device without a stand.
- Glue the spacers from the spare parts package to the contact surfaces of the c-clamp.
- Glue the 5 bumpers from the spare parts package to the back of the body of the
- Clamp the body to the table with the c-clamp.
Option 2. Using the device with a stand.
- Glue 5 bumpers from the spare parts package to the back of the
- Place the body of the device in the recess of the stand and fix it with the *when using fillet clamps
6. ASSEMBLY
6.1 Install the abrasive holder into the bushing-coupling of the guide rod and fix it.
6.2 Turn the control ring to set the desired locking force.
6.3 Place the abrasive holder rod in the hinge unit, position the springs, stroke limiter and parking boot as shown. The location of the parking boot should allow it to be mounted on the disk
of the hinge unit.
6.4 Mount the clamp to the frame and tighten the locking screws. It is possible to use different types of clamps together. Position the clamps at the required distance from each other
depending on the length and geometry of the blade.
6.6 To avoid damaging the surface of coated or polished knives, apply masking tape to the place where the jaws come into contact with the blade.
7. SETTING THE SHARPENING ANGLE
For correct operation of the electronic angle finder it is necessary to calibrate it. To do this, use the calibration prism included in the package.
Calibration order:
- . Place the clamp on the left side of the TSPROF K03 device frame as close as possible to the center of the rotary mechanism frame (fig. 7).

- . Start adjusting the angle finder. Place the calibration prism close to the clamp without any gaps, so that it does not protrude beyond the jaws of the clamp. Secure the clamp
tightly with a key (fig. 8).
- Place the angle finder body on the prism and adjust its position with the stops so that it does not go beyond the prism (fig. 10).

- 6.5 Р7.5 Position the knife in the clamps and fix it with one screw, use a 4mm hex key* for this. Do not over-clamp. The jaws must be parallel. To release the blade, loosen the screws in the clamps

- 6.6 To avoid damaging the surface of coated or polished knives, apply masking tape to the place where the jaws come into contact with the blade.

5. SETTING THE SHARPENING ANGLE
For correct operation of the electronic angle finder it is necessary to calibrate it. To do this, use the calibration prism included in the package.
Calibration order:
8. CALIBRATION OF THE RACK-AND-PINION MECHANISM
If necessary, you can adjust the smoothness of the lift with a hex screwdriver.
9. OPERATING PROCEDURE
9.1 Knife clamping
- To prevent scratches on the knife, it is recommended to cover the knife with the masking tape before
- Position the knife so that the longest straight part of the blade is as parallel to the frame as
- Carefully tighten the clamp screws with a The jaws of the clamps must fit the knife tightly, without gaps.
- Do not overtighten the screws, to avoid deflection of the jaws in the opposite direction!
9.2 Choosing the sharpening angle
Depending on the purpose of the knife, choose the desired sharpening angle. The table below will help you with this:
You can also sharpen at the knife’s existing angle.
To do this:
- use a marker to paint over the secondary bevel;;
- place the abrasive in the holder;
- run the abrasive over the painted part;
- adjust the angle so that one movement of the abrasive erases the marker completely from the painted area.
9.3 Knife sharpening
Each knife, steel and abrasive has its own sharpening characteristics. The general principle of sharpening is described below, which can be changed depending on the characteristics of your particular knife.
◇ sharpening is done by moving away from yourself;
◇ sharpen step by step with abrasives of different grit sizes, from the coarsest (F120) to the finest (F1000 and higher);
◇ sharpening is performed on each side until a burr is formed;
◇ if a burr appears, move the abrasive holder aside and park it;
◇ flip the frame with the knife. Be sure to hold the knife by the handle during all manipulations;
◇ continue sharpening the back side of the knife.
There are many aspects of high-quality knife sharpening. Learn more about them on our Youtube channel:
https://www.youtube.com/tsprofsharpening
10. OPERATING INSTRUCTIONS OF THE TSPROF K03 PRO SHARPENING DEVICE
- The machine has protective marks and the warranty will not apply if they are damaged.
- Use liquid oils (household, industrial) to lubricate the moving mating surfaces of the Device.
- Before using the Вevice, check that it is in good working order. In case of a malfunction, please contact the
Manufacturer for all repairs.
- Movement of the holder with the abrasive bar during sharpening should be consistent, smooth, without sudden movements and excessive pressure on the holder of the abrasive bar.
9. CLEANING AND MAINTENANCE
After completing your work, remove dirt from the Device and thoroughly clean all surfaces. Wipe surfaces prone to corrosion with a cloth lightly dampened with household oil.
10. STORAGE AND TRANSPORTATION
Store the device in its original packaging or in a dust-free place at a temperature between +5° C and +40° C. Store in a dark, dry place at room temperature. In humid climates, put some moisture regulator bags in the box with the Device, and lubricate with technical oil where corrosion may occur.
It is allowed to transport the device by all means of transport at temperatures from -40 °С to +50 °С. If the device is
transported at subzero temperatures, it can be used only after staying for at least 3 hours at room temperature.
11. UTILIZATION
Dispose of the device and packaging in accordance with the procedure established by the standards and regulations in the field of production and consumption waste management. Paper, plastic and metal waste must be sorted according to the standards for separate waste collection approved in your region.
Dispose of the electronic angle finder separately from the sharpening device. Do not dispose of electrical devices together with household waste, contact a hazardous waste collection point. Contact your local municipal recycling authorities or certified recycling companies that specialize in the disposal of such devices in your area.
12.WARRANTY OBLIGATIONS
The current warranty terms and conditions are listed on the Manufacturer’s website. In case of discrepancies, the terms and conditions posted on the Manufacturer’s website have priority: https://tsprof.com/help/warranty
The warranty period for the product is 1 year from the date of sale, but no more than 1.5 years from the date of manufacture.
The warranty period can be extended according to special programs from the Manufacturer. The date of sale is the date of registration of shipping documents and/or the date of completion of the warranty card.
This warranty entitles the Buyer to have the product repaired free of charge in the event of defects related to materials and assembly. All repairs, including warranty and post-warranty repairs, are performed only at the Manufacturer’s production facilities.
Packing materials are not covered under warranty.
Warranty repair of partially or completely disassembled equipment is excluded. Such repairs are available on a chargeable basis.
Warranty repairs are not available in the following cases:
- If the equipment is not used for its intended purpose as specified in the manual;
- In case of external mechanical damage to the equipment;
- in case of defects due to non-compliance with the rules of storage and transportation, force majeure circumstances, as well as adverse atmospheric or other external effects on the equipment, such as rain, snow, high humidity, heating, aggressive environments, etc.;
- when damage has occurred due to failure to observe the operating conditions specified in the manual or to make structural modifications on your own;
- when foreign objects get into the equipment;
- in the event of defects and breakdowns due to delays in scheduled maintenance and preventive maintenance, including cleaning and lubrication of the equipment in accordance with the instructions in the
Setting, adjustment, maintenance and preventive maintenance of equipment (for example: cleaning, washing, lubrication, replacement of technical fluids) is not a warranty service and is provided on a paid basis.
The equipment is removed from the warranty if you do not follow the operating instructions as stated in the manual.
Before sending your product for warranty, non-warranty, or post-warranty service, be sure to contact the Manufacturer by sending an email to [email protected].Address for sending the product: Russia, Udmurt Republic, 426065, Izhevsk, ul. 10 let Oktyabrya, 80, office 405, “Tekhno studia Profil” OOO.
SHOP.TSPROF.COM
+1 (213) 510-09-80
[email protected]
Manufacturer:
OOO «TS PROFIL»
426039: UR, Izhevsk, ul. 10 let Oktyabrya, 80, office 404


































