Hanwha Techwin HRX-1632 Digital Video Recorder

Copyright
©2021 Hanwha Techwin Co., Ltd. All rights reserved.
Trademark
Each of trademarks herein is registered. The name of this product and other trademarks mentioned in this manual are the
registered trademark of their respective company.
Restriction
Copyright of this document is reserved. Under no circumstances, this document shall be reproduced, distributed or changed,
partially or wholly, without formal authorization.
Disclaimer
- Hanwha Techwin makes the best to verify the integrity and correctness of the contents in this document, but no formal
guarantee shall be provided. Use of this document and the subsequent results shall be entirely on the user’s own responsibility. - Hanwha Techwin reserves the right to change the contents of this document without prior notice.
- Design and specifications are subject to change without prior notice.
- You can download the latest version from the Hanwha Techwin web site. (www.hanwha-security.com)
- The initial administrator ID is “admin” and the password should be set when logging in for the first time.
- Please change your password every three months to safely protect personal information and to prevent the damage of the
information theft. - Please, take note that it’s a user’s responsibility for the security and any other problems caused by mismanaging a
password.
Important Safety Instructions
Read these operating instructions carefully before using the unit.
Follow all the safety instructions listed below.
Keep these operating instructions handy for future reference.
- Read these instructions.
- Keep these instructions.
- Heed all warnings.
- Follow all instructions.
- Do not use this apparatus near water.
- Clean the contaminated area on the product surface with a soft, dry cloth or a damp cloth.
(Do not use a detergent or cosmetic products that contain alcohol, solvents or surfactants or oil constituents as they may deform or cause damage to the product.) - Do not block any ventilation openings, Install in accordance with the manufacturer’s instructions.
- Do not install near any heat sources such as radiators, heat registers, stoves, or other apparatus (including amplifiers) that produce heat.
- Do not defeat the safety purpose of the polarized or grounding- type plug. A polarized plug has two blades with one wider than the other. A grounding type plug has two blades and a third grounding prong. The wide blade or the third prong are provided for your safety. if the provided plug does not fit into your outlet, consult an electrician for replacement of the obsolete outlet.
- Protect the power cord from being walked on or pinched particularly at plugs, convenience receptacles, and the point where they exit from the apparatus.
- Only use attachments/accessories specified by the manufacturer.
- Use only with the cart, stand, tripod, bracket, or table specified by the manufacturer, or sold with the apparatus. When a cart is used, use caution when moving the cart/ apparatus combination to avoid injury from tip-over.
- Unplug this apparatus during lightning storms or when unused for long periods of time.
- Refer all servicing to qualified service personnel. Servicing is required when the apparatus has been damaged in any way, such as power-supply cord or plug is damaged, liquid has been spilled or objects have fallen into the apparatus, the apparatus has been exposed to rain or moisture, does not operate normally, or has been dropped.
Standards Approvals
- Any changes or modifications in construction of this device which are not expressly approved by the party responsible for compliance could void the user’s authority to operate the equipment.
- This device complies with part 15 of the FCC Rules. Operation is subject to the following two conditions: (1) This device may not cause harmful interference, and (2) this device must accept any interference received, including interference that may cause undesired
operation. - This equipment has been tested and found to comply with the limits for a Class A digital device, pursuant to part 15 of the
FCC Rules.
- These limits are designed to provide reasonable protection against harmful interference when the equipment is operated in a
commercial environment. - This equipment generates, uses, and can radiate radio frequency energy and, if not installed and used in accordance with the instruction manual, may cause harmful interference to radio communications. Operation of this equipment in a residential area is likely to cause harmful interference in which case the user will be required to correct the interference at his own expense.
- Reorient or relocate the receiving antenna.
- Increase the separation between the equipment and receiver.
- Connect the equipment into an outlet on a circuit different from that to which the receiver is connected.
- Consult the dealer or an experienced radio/TV technician for help.
Before Start
This manual provides operational information necessary for using the product and contains a description about each
component part and its function as well as menu or network settings.
You have to keep in mind the following notices :
- Hanwha Techwin retains the copyright on this manual.
- This manual cannot be copied without Hanwha Techwin’s prior written approval.
- We are not liable for any or all losses to the product incurred by your use of non-standard product or violation of instructions mentioned in this manual.
- Prior to opening the case, please consult a qualified technician first. Whenever this is needed power must be removed from the unit.
- Before adding a hard disk drive or external storage (USB memory, USB HDD, etc), check if it is compliant with this product.
- For the compatibility list, contact the retailer.
- If the HDD supports the Seek Away feature, noise may occur. (Seek Away: A feature for recovering the HDD head from an unstable status)
Battery
It is essential that when changing the battery in the unit, the replacement battery must be of the same type otherwise there may be a possibility of an explosion.
The following are the specifications of the battery you are using now.
- Normal voltage : 3V
- Normal capacity : 210mAh
- Continuous standard load : 0.4mA
- Operating temperature : -20°C ~ +60°C(-4°F ~ +140°F)
Moving fan blades
Keep body parts away from fan blades.
CAU TION
- Connect the power cord into a grounded outlet.
- The Mains plug is used as a disconnect device and shall stay readily operable at any time.
- When the HDD reaches its end of life, the stored video data may be damaged, and not be able to be recovered.
- The HDD status LED on the front of the system continuously blinks to indicate that the system’s connection to the HDD is normal. Check the HDD status LED regularly to see if it blinks continuously. Recording may not be possible when there is an
- HDD failure. Periodically check the recording status and backup important data regularly.
- Batteries shall not be exposed to excessive heat such as sunshine, fire or the like.
- RISK OF EXPLOSION IF BATTERY IS REPLACED BY AN INCORRECT TYPE. DISPOSE OF USED BATTERIES
ACCORDING TO THE INSTRUCTIONS. - Do not ingest battery, Chemical Burn Hazard.
- This product contains a coin / button cell battery. If the coin / button cell battery is swallowed, it can cause severe internal burns in just 2 hours and can lead to death.
- Keep new and used batteries away from children.If the battery compartment does not close securely, stop using the product and keep it away from children. If you think batteries might have been swallowed orplaced inside any part or the body, seek immediate medical attention.
System Shutdown
- Turning off the power while the product is in operation, or undertaking improper actions may cause damage or malfunction to the hard drive or the product.
- Press <OK> on the system shutdown popup window and then remove the power cable to ensure a safe power off.
- You may want to install a UPS system for safe operation in order to prevent damage caused by an unexpected power stoppage. (Any questions concerning UPS, consult your UPS retailer.)
- If powered off abnormally, restarting may take more time for restoring data from hard disk drive for proper operation
Operating Temperature
- The guaranteed operating temperature range of this product is 0°C ~ 40°C (32°F ~ 104°F).
- This product may not work properly if you run right after a long period of storage at a temperature below the guaranteed one.
- Prior to using a device that has been stored for a long period in low temperatures, allow the product to stand at room temperature for a period.
- Especially for the built-in HDD in the product, its guaranteed temperature range is 5°C ~ 55°C (41°F ~ 131°F).
- Likewise, the hard drive may not work at a temperature below the guaranteed one.
Ethernet Port
This equipment is in door use and all the communication wirings are limited to inside of the building.
Security Precautions
- The initial administrator ID is “admin” and the password should be set when logging in for the first time.
- Please change your password every three months to safely protect personal information and to prevent the damage of the information theft.
- Please, take note that it’s a user’s responsibility for the security and any other problems caused by mismanaging a password
Products supporting each feature
| Function | Products |
| Fan | HRX-1632, HRX-835, HRX-435, HRX-434 |
| P2P | HRX-1632, HRX-835, HRX-435, HRX-434 |
| Alarm | HRX-1632, HRX-835, HRX-435, HRX-434 |
| RS-422/485 | HRX-1632, HRX-835, HRX-435 |
| RS-485 | HRX-434 |
| Joystick | HRX-1632, HRX-835, HRX-435, HRX-434 |
| Extended monitor | HRX-1632, HRX-835 |
Features
The product records video and audio from network cameras to a hard disk, and enables playback from the hard disk. It also provides remote monitoring environment for video and audio over the network using a remote computer
- Provides new UI 2.0
- Supports instant viewer
- Bookmark function
- Thumbnail function (Not supported in web viewer)
- View camera event list in real time
- Convenient event rule setup
- Various sequence (layout, page) functions
- Extended search period
- Convenient log search
- Supports thermal imaging camera/PTZ linked camera
- Supports a range of 4K camera resolutions (Supports up to 4M for HRX-1632 analog cameras)
- Outputs a 4K high definition image using HDMI (HRX-835/HRX 435/HRX-434)
- Supports dual monitor output (HRX-1632/HRX-835)
- Record and play video
- Record and play audio
- Supports ONVIF Profile S standard and RTP / RTSP protocols
- Display the HDD operation status by HDD SMART
- HDD overwrite enabled
- Function to export using USB memory and external hard disk
- Simultaneous play of 6, 10 or 16 channels
- View multi-channel time line when playing videos
- Various Search Modes (Time, Event, Smart, Text, Export, ARB)
- ARB support (configuration feature for saving period by channel)
- Various recording modes (Normal, Event, Scheduled Recording)
- Alarm Input / Output
- Remote monitoring function by Windows Network Viewer
- Live monitoring of the network camera
- Installation Wizard Function (Recorder, Web Viewer)
- Supports the smartphone remote monitoring feature by P2P support
- Provides smartphone event alarm (sending real-time event messages)
Package Contents
- The appearance of the components may differ from the image shown.
- Accessory category and quantity may differ depending on sales region.
- For some regions, HDD is not pre-installed. HDD Fixing Screw, SATA Cable quantity vary depending on the model.
HRX-1632/HRX-835


HRX-435

HRX-434

Part Names and Functions (Front)
HRX-1632/HRX-835
HRX-435
HRX-434
| Part Names | Functions | |
|
|
LED Indicator | REC : Lights on when recording is in progress. |
| HDD : Displays the normal access to HDD. LED turns on when accessing the hard disk. (N/A on HRX-434) | ||
| ALARM : Lights on when an event occurs. (N/A on HRX-434) | ||
| NETWORK (LAN) : Displays both network connection and data transfer status. | ||
| BACKUP : The LED will light up when the Export Recorded Video is in operation. (N/A on HRX-434) | ||
| POWER : Shows the power ON/OFF status. | ||
| USB | Connects the USB devices. (USB 2.0 supported) | |
HRX-1632
HRX-835
HRX-435
HRX-434
| Part Names | Functions | |
| VIDEO IN | Video Signal Input Port (BNC type connector). | |
| Ground Connection | Port for connecting a separate ground cable. ■ For safe handling of the device, please add a ground wire. | |
| SPOT | BNC type of output port for the Spot signal. | |
| AUDIO OUT | Audio Signal Output Port. | |
| AUDIO IN | Audio input signal port. | |
| POWER | Terminal to connect power to. | |
|
|
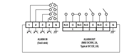
ALARM | ● ALARM IN : Alarm input ports. HRX-1632 : 1~16 CH HRX-835 : 1~8 CH HRX-435/HRX-434 : 1~4 CH ● ALARM OUT : Alarm output ports. HRX-1632/HRX-835 : 1~4 CH HRX-435 : 1~2 CH HRX-434 : 1 CH |
| RS485/422 | Used to establish RS-485 or RS-422 communications. (TX+, TX-, RX+, RX-) | |
| AUDIO IN 5~16 | Audio extension port (Sold separately). | |
| VGA OUT | VGA Video Signal Output Port. | |
| HDMI | HDMI connector port. | |
| NETWORK | Port for connecting the camera and web viewer. | |
| USB | Connects the USB devices. (USB 3.0 supported) | |
Please take note of the followings before using this product.
- Do not use the product outdoor.
- Do not spill water or liquid in the connection part of the product.
- Do not impose the system to excessive shock or force.
- Do not pull out the power plug forcefully.
- Do not disassemble the product on your own.
- Do not exceed the rated input/output range.
- Use a certified power cord only.
- For the product with an input ground, use a grounded power plug.
Checking the Installation Environment
This product is a top-notch security device that is equipped with a high-capacity HDD and other key circuit boards.
Note that an excessive internal temperature of the product may cause a system failure or a shortened product life (see the right figure). Keep in mind the following instructions before installing the product.
When mounting the product on a rack, comply with the following instructions
- Please ensure that the rack inside is not sealed.
- Please ensure the air is circulated through the inlet/outlet as shown in the picture.
- If you pile up the prudcts or other rack-mount devices as shown in figure 2, secure room for ventilation or install a vent.
- For natural air convection, place the inlet at the bottom of the rack and the outlet on top.
- It is strongly recommended that a fan motor is installed at the inlet and the outlet for air circulation. (Please fit a filter at the inlet to screen dust or foreign substances.)
- Please maintain the temperature inside the rack or surrounding areas between 0°C ~ 40°C (32°F ~ 104°F) as shown in the figure
Rack Installation
Install the Bracket-Rack as shown in the figure, and then fasten the screws on both sides.
Fix the screws not to be loosened by vibrations.
Power
Connect the power cable cord to the back of the product. If the power does not turn on, please check the following:
- Check that the power cable is properly connected and meets the power supply specifications.
- When using a multi-tab, make sure that the power switch of the multi-tab is turned on.
If the power is properly connected but the product does not turn on, follow the procedure described below. When the power supply is unstable, this product may enter the power protection mode in order to protect the product. This is a function similar to that of the fuse of a circuit breaker and is not a malfunction of the product.
Proceed with the following:
- Unplug all cable cords from the back of the product.
- If using a multi-tab, turn off its power.
- Wait for about 30 seconds after the removal of the cords.
- The protective circuit will reset as the internally charged current is discharged.
- Reconnect the power cable cord.
- If using a multi-tab, turn on its power.
HDD Addition
Make sure to unplug the power cord from the wall outlet to prevent possible electric shock, injury or product damage.
Please consult your provider for further information on HDD installation since improper installation or settings may damage the product.
- Number of HDDs supported
- HRX-1632/HRX-835 : Max. 4 EA
- HRX-435 : Max. 2 EA
- HRX-434 : 1 EA
- Make sure to unplug the power cord from the wall outlet before proceeding with the installation.
Cautions for data loss (HDD care)
- Please pay attention so that the data inside the HDD is not damaged.
- Before adding a HDD, please check the compatibility with this product.
- HDD is vulnerable to malfunction due to its sensitive nature especially against shock when operating.
- Please ensure that the HDD is free from such shock.
- We are not liable for any damage to the HDD incurred by user’s carelessness or miss use.
Cases might cause damage to HDD or recorded data
- To minimize the risk of data loss from a damaged HDD, please backup data as often as possible.
- If exposed to shock when disassembling or installing, data stored in the hard disk may be damaged.
- A sudden power failure or turning off the product while in HDD operation may damage the hard disk drive.
- HDD or files stored inside may be damaged if the main body is moved or impacted during the HDD operation.
Cautions when installing a HDD
- Do not apply excessive force to the HDD.
- Pay attention so as not to lose the disassembly screws or accessories.
- If the screws or accessories are not put together correctly, the product may breakdown or not operate properly.
- Please check the HDD compatibility before adding a HDD.
- Please contact your nearest dealer to obtain the list of compatible devices.
Installing the HDD
If you are adding a new or previously used HDD to this product in addition to the HDD(s) originally installed, format the new HDDmanually in the set before use.
To learn how to format, see “Device/Format” in the Wisenet Recorder User Manual.
How to install an HDD in HRX-1632/HRX-835
The following figures are based on Model HRX-1632
- Loosen the screws on the left/right sides and back and slide the cover back to remove it.
- Loosen the left/right screws and remove the bracket.
- Install 4 HDDs to the bottom bracket and secure them with screws.
To prevent damage to the HDD(s) due to vibration, it is recommended to install it first to the bottom bracket.
- Fix the bracket with the HDD to the recorder with screws
- Connect the SATA/power cable of the HDD to the connector on the motherboard.
Refer to the figure below for the location/connector number of the HDD.
- After making sure that there is no problem with the connection terminal and wiring inside the product, close the cover and fix it with screws

How to install an HDD in HRX-435
- Loosen the screws on the left/right sides and back and slide the cover back to remove it.
- Connect the SATA/power cable of the HDD to the connector on the motherboard.
- Fix the HDD to the bottom of the recorder with screws.
- Check if there is any problem with the connection terminal and wiring inside the product.
- Close the cover and secure it with screws.

How to install an HDD in HRX-434
- Loosen the screws on the back and slide the cover back to remove it.
- Connect the SATA/power cable of the HDD to the connector on the motherboard.
- Fix the HDD to the bottom of the recorder with screws.
- Check if there is any problem with the connection terminal and wiring inside the product.
- Close the cover and secure it with screws.

Connecting to an Ext ernal Device
The following figures are based on Model HRX-1632.
Unrated or improper power source may cause damage to the system. Ensure that you use only the rated power source before pressing the POWER button.
Connecting the USB
- On the front of the product, there is a USB port.
- You can connect a USB HDD, USB memory or mouse to the USB port.
- If your USB HDD is connected to the system, it can be detected and set up by following the steps in “Menu > Device > Storage Device” of the Wisenet Recorder User Manual.
- The product supports hot plugging function that enables connecting/disconnecting USB devices while in operating the system.
- If you use the USB device for Backup purposes, format it with FAT32 on PC if it is not formatted on the Recorder.
- Some USB devices may fail to function properly due to compatibility issue, please check the device before using.
- Only USB storage devices that comply with the standards (having a metal cover) are guaranteed for data transfer.
- In case if the USB device’s electric contacts have been worn out, data transfer between the devices may not properly function.

Connecting the Alarm Input/Output
The Alarm In/Out port at the back is composed of the following
- ALARM IN : Alarm Input Port
- ALARM OUT : Alarm Output Port

Do not connect the Alarm power (DC-) to the Ground signal (FG) of the Recorder.
Connecting the Netw ork
- For more information about network connection, see “Setting the Network” in the Wisenet Recorder User Manual.
- The following figures are based on Model HRX-1632.
Network connection via Ethernet (10/100/1000BaseT)
Network connection via router
Connecting the network camera Example
Connecting the RS-485 Device
Connect [TX/RX +,-] port on the rear to PTZ camera or system keyboard.
- You can connect and control the PTZ camera which supports the RS-485 communication.
- Check if the RS-485 device is compatible with the product first.
- Pay attention not to change the polarity (+/-) of the RS-485 device when connecting it.
- Depending on camera’s type, connection polarity can be different.
- For further information, refer to the respective PTZ Camera’s documentation
Hanwha Techwin cares for the environment at all product manufacturing stages, and is taking measures to provide
customers with more environmentally friendly products.
The Eco mark represents Hanwha Techwin’s devotion to creating environmentally friendly products, and indicates that the
product satisfies the EU RoHS Directive.
Correct Disposal of This Product (Waste Electrical & Electronic Equipment)
- (Applicable in the European Union and other European countries with separate collection systems)
- This marking on the product, accessories or literature indicates that the product and its electronic accessories (e.g. charger, headset, USB cable) should not be disposed of with other household waste at the end of their working life. To prevent possible harm to the environment or human health from uncontrolled waste disposal, please separate these items from other types of waste and recycle them responsibly to promote the sustainable reuse of material resources.
- Household users should contact either the retailer where they purchased this product, or their local government office, for details of where and how they can take these items for environmentally safe recycling.
- Business users should contact their supplier and check the terms and conditions of the purchase contract. This product and its electronic accessories should not be mixed with other commercial wastes for disposal
Correct disposal of batteries in this product
- (Applicable in the European Union and other European countries with separate battery return systems.)
- This marking on the battery, manual or packaging indicates that the batteries in this product should not be disposed of with other household waste at the end of their working life. Where marked, the chemical symbols Hg, Cd or Pb indicate that the battery contains mercury, cadmium or lead above the reference levels in EC Directive 2006/66. If batteries are not properly disposed of, these substances can cause harm to human health or the environment.
- To protect natural resources and to promote material reuse, please separate batteries from other types of waste and recycle them through your local, free battery return system.


























