Old Hickory VPO-54 54 Inch Visual Pizza Oven

Please copy, cut out and place in a prominent location.
What To Do If You Smell A Gas Odor
Natural gas is lighter than air, and it has a very high ignition temperature. For your protection, The Gas Company adds a distinctive odor to natural gas, so leaks are easily detected. If you smell a Natural gas or a Propane gas odor:
- Don’t panic.
- Don’t light a match, candle or cigarette.
- Don’t turn electrical appliances or lights on or off.
For safety, a shut-off valve was installed on this appliance. If a leak occurs at this appliance, the valve will permit you to turn off the gas at the appliance rather than shutting off all gas service at the meter.
SHUT off the appliance shut-off valve.

From a safe location, call your local Gas Company 24 hours a day, seven days a week; or call 9-1-1.
IMPORTANT INSTRUCTIONS
After the gas supply has been connected to your unit, it is extremely important to check the piping for possible leaks. To do this, use soap and water solutions, or solutions that are expressly made for this purpose. DO NOT USE matches, candles, flames, or other sources of ignition since these methods are extremely dangerous. In a prominent location post instructions to be followed in the event, you smell gas. Obtain these instructions from your local gas supplier.
FOR YOUR SAFETY
Do not store or use gasoline or other flammable vapors and liquids in the vicinity of this or any other appliance.
WARNING
Improper installation, adjustment, alteration, service or maintenance can cause property damage, injury or death. Read the Installation, Operating and Maintenance Instructions thoroughly before installing or servicing this equipment. Initial heating of oven may generate smoke or fumes and must be done in a well-ventilated area. Overexposure to smoke or fumes may cause nausea or dizziness.
NOTE: Only Pizza and Bread Products can have direct contact with the deck. All other food products must be placed in cast iron pans or suitable metal pans avoid direct contact with the deck. Otherwise, the commingling of product and flavors will happen. Metal screens can be used, but marring will occur on the steel deck. This equipment has been engineered to provide you with year round dependable service when used according to the instructions in this manual and standard commercial kitchen practices
CAUTION
As a safety precaution, disconnect the power supply to the appliance before cleaning or servicing this appliance.
Instruction Plate:
Before lighting this piece of equipment, ensure that the ventilation hood is turned on.
- Pull E-stop switch;
- Turn on power switch;
- Press the preheat button on the display panel;
- Lower and upper burners will light. In case of flame failure, reset the alarm(s) and wait five minutes before relighting the appliance.
NOTICE: In order to be able to service this appliance, it must be installed with the casters supplied, a connector complying with ANSI 22 7 .69 CSA 6.7 6 and a quick-disconnect device complying with ANSI 227.47 CSA 6.9. It must also be installed with restraining means to guard against transmission of strain to the connector as specified in the appliance manufacturer’s instructions.
- For Natural Gas: when upper burners (3) are equipped with No. 42 drill size orifice and lower burners (2) are equipped with No. 32 drill size orifice.
- For LP Gas: when upper burners (3) are equipped with No. 50 drill size orifice and lower burners (2) are equipped with No. 41 drill size orifice.
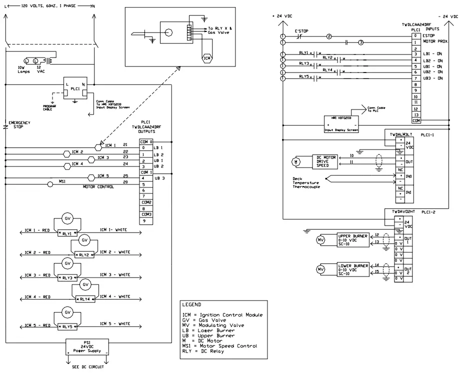
Electrical diagrams for this appliance are located behind the rear electrical box cover as well as in this manual. ENSURE YOU DISCONNECT THE POWER BEFORE OPENING REAR ENCLOSURE!
INSTALLATION GUIDELINES
GAS
Gas installation must conform with local codes, or in the absence of local codes, with the National Fuel Cas Code, ANSI 2223.1 /NFPA 54, or the Natural Gas and Propane Installation Code, CSA B749.1
ELECTRICAL INSTALLATION
This appliance, when installed, must be electrically grounded in accordance with local codes, or in the absence of local codes, with the National Electrical Code, ANSI/NFPA 70, or the Canadian Electrical Code, CSA C22.2, as applicable. For your convenience, this appliance has been wired with a NEMA 5-15 cord and plug and should be plugged in to a corresponding NEMA 5-15 receptacle. The grounding prong SHOULD NOT BE CUT. Cutting the grounding prong will void the manufacturers warranty.
PRESSURE TEST
The appliance and its individual shut off valve must be disconnected from the gas supply piping system during any pressure testing of that system at test pressures in excess of 1 / 2 psi (3.5 kpa). The appliance must be isolated from the gas supply piping system by closing its individual manual shut off valve during any pressure testing of the gas supply piping system at test pressures equal to or less than 1 / 2 psi (3.5 kpa).
Receiving:
Read the notice on the outside carton regarding damage in transit. Damage discovered after opening the crate(s) / carton(s) is “CONCEALED DAMAGE” and the carrier must be notified immediately to send an inspector and also furnish the forms for the consignee’s claim against the carrier. When oven arrives, it should consist of : A crate or carton containing your new oven, a carton, containing 4 legs with mounting hardware (if removable legs were shipped). Your glass posts and glass will be packaged in bubble wrap. Installation must conform with local codes and/or with the latest edition of the ANS Z-233.1 National Fuel Gas Code in USA/ CAN/CGA-B149.1 or 2 Installation Code in Canada. This appliance must be installed by a competent person. Place the oven and parts as close as possible to the area of final installation before un-crating.
Clearances:
Drawing of right side and back of the oven

SETUP
The oven must be installed in a well-ventilated area. Your oven is packed standing on its casters. The skid may be left under the oven for convenience in further handling. Unpack carefully to avoid damage to the oven. If the concealed damage is found, follow the instructions detailed in Section 1.
- Keep the area around the oven free and clear of combustible materials. Do not store any materials on top of or under any oven. Provisions for adequate air supply to your oven for ventilation and proper gas combustion is essential. As a minimum, observe the clearances detailed in Section
- Provide adequate ventilation and make up air in accordance with local codes.
The oven must be installed under a ventilation hood. Gaylord has designed a hood for this oven – we have attached these pages seperatly with the packet that was shipped with this unit. Fire suppression will be required by code. Local inspectors and ventilation specialists should be consulted to make sure that the installation of the hood conforms to the local codes and requirements.
GAS AND ELECTRICAL CONNECTIONS:
Normal factory connections are made for 120 Volts AC, 60 Hz operation in USA and Canada. The appliance, when installed, must be electrically grounded in accordance with local codes and/ or the latest edition of the National Electric Code /NFPA 70 in USA (Canadian Electric Code CSA C22.2 in Canada). The lights, ignition system, all related switches, indicator lights and fuse, are all connected through the 6 ft. (1830 mm) power supply cord. The power supply cord must be plugged into a properly grounded three-prong receptacle. A wiring diagram may be found behind the service panel on the left side of the unit and also in this manual. The oven should not be installed on the same line with space heaters, boilers or other gas equipment with high intermittent demand. This will cause fluctuation in gas pressure and result in bad cooking results. Use a pipe joint compound that is resistant to the action of Natural and liquefied petroleum gases when making gas connections. For Propane gas, use a least ½. pipe or tubing with a 5/8 inside diameter. For Natural gas, use ¾. pipe. The appliance must be isolated from the gas supply piping system by closing its manual shut-off valve during any pressure testing of the gas supply piping system at test pressures equal to or less than ½. psig (3.45 kpa).
The appliance and its shut-off valve must be disconnected from the gas supply piping system during any pressure testing of that system at test pressures in excess of ½. psig (3.45 kpa). The gas pressure regulator is part of the oven and is adjusted at the factory to yield a pressure of 5.5” water column for Natural Gas. If the oven has been ordered for use on Propane Gas, the pressure regulators preset at the factor to yield a pressure of 11” water column. A shut-off valve for the oven and must not be removed. This gas shut-off valve is for pressure checks. After the gas supply has been connected, it is extremely important to check all the piping for leaks. Use a soap and water solution or a product made expressly for this purpose. Do not use matches, candles or a flame etc. to check leaks since these methods are extremely dangerous. The plumber should ensure that there are no leaks and that the gas pressure does not drop below manifold pressures.
Pizza Deck Care:
The pizza deck is constructed of steel. It has been pre-burned with lard at the factory as you would a cast iron skillet or pan. Other oils can be used. Care of placing product on the deck is important. Otherwise, the acids of spilled food or sauces will remove the coating. The deck should be re-coated periodically depending on use.
Burner Lighting:
Your state of the art oven requires no pilot lighting. The pizza oven’s computerized system automatically controls ignition for the deck burners and the topping burners.
Aeration Adjustment:
Flame and air mixer adjustments for the Main Burner and the Booster Burner, and the ByPass Flame adjustment for the Main Burner are all done at the factory. These adjustments are sealed before the oven leaves the factory. Contact an authorized Service Agency if you need help.
Operating Instructions
If gas odor is detected at any time, immediately shut off the top button on the oven and shut off the gas supply valve to the oven. Do not permit any open flames in the area of the oven. Immediately contact an authorized Service Agency or your local Gas Supply Company. Initial heating of the oven must be done in a well-ventilated area as it may generate smoke or fumes. Overexposure to smoke or fumes may cause nausea or dizziness. Whenever lighting the oven, the ventilation system must be on.
Burner Lighting Procedure:
Your state-of-the-art oven requires no pilot lighting. The pizza oven’s computerized system automatically controls ignition for the deck burners and the topping burners. Burner lighting instructions are provided under preheating.
Breaking in:
Since your oven has a steel deck, no breaking period is required. If during installation, the deck may has gotten scratched, you should follow “Deck Maintenance” procedures.
Pre-Heating:
Ensure oven has been connected to gas and plugged in according to the installation instructions. Ensure you are familiar with the front panel.
- Emergency Stop – Turns off power to the entire oven.
- Display Touch Screen – The interface between the operator and the computerized controls. All temperature adjustments, motor speed adjustments, cooking burner intensity adjustments are entered with the display.
- Power Button – Supplies the motor, lights and ignition systems with power.
Home Screen:
This screen is your HOME screen. This allows you to start preheating your oven, check for any alarms and adjust your cooking parameters. Pressing stop on this screen will do nothing.
Pre-Heat:
Pressing the “Pre-Heat” button will allow you to Pre-Heat the oven using your previously entered cooking parameters. You can also adjust your times, temperatures, deck speed and deck temperature before or during your preheat. Once you have begun cooking your products, you will be more familiar with this screen and you will have to use this screen less because all your cooking data will be stored so all you would have to do is hit “Start Pre-Heat” to preheat your oven. Pressing “Stop” while preheating will stop your preheat. Pressing “HOME” will bring you to the “HOME” Screen.
Alarm Screen:
Pressing the “Alarm” button will display any alarms that might have come up. I.e. burner failure, E-stop etc. The alarms must be reset in order for the oven to work. Pressing the “RESET ALARMS” button will clear up the alarm(s).
Adjust Screen:
Pressing the “Adjust” button will guide you to the adjustment screen. This will allow you to set the following: Pre-Heat Temperature, Top Burners intensity settings (Low Medium and High). Temperature offset should remain at 75. Top burner intensities can me modulated. High can be 100% or 85% These intensities will vary on your dough, sauce, cheese and toppings. Low inteyour temperature settings, upper burner intensities The adjust screen will also allow you to enter your recipes. You can view Helpful Hints section for more details. Also from the adjust screen, a trained service technician can go to a maintenance screen for trouble shooting purposes. When you press the Pre-Heat Temperature button, the Top Burners (LOW / MED / HIGH) buttons a screen will pop up like a calculator. This is where you input your settings and hit enter. Pressing “home” will toggle you to the “HOME” screen and you are ready to preheat your oven and then your ready to cook.
Baking/Cooking:
To make pizza pies, preheat your oven by pressing the “Pre-Heat” button on the HOME Screen. The upper burners will automatically turn on high. Choose your intensity. When the oven is ready to cook, the upper burners will shut down which means you have reached temperature. Press “Start Cook” – the “Pre-Heat” button will change to display “Start Cook”. Place your pie on the rotating top and your cooking pizza. When done cooking your pie(s), press the “STOP” button and then your “Pre-Heat” button. This will start your sequence again. Pressing the preheat button will help you save energy and maintain your deck temperature even. Cooking other products, you will follow the same procedure above. You can place cast iron skillets or cast iron pans to cook steaks, fish, sausages etc.
Cleaning & Maintenance
- Stainless Steel Surfaces
All stainless steel surfaces should be cleaned and polished on a daily basis. If spillage occurs, ensure that the spill is cleaned immediately otherwise the spill can bake on the stainless steel surfaces. - Deck Maintenance
The steel deck is 5/16” thick and filled with a proprietary inert gas that evenly distributes the heat on the deck. At the factory we season the deck with lard as you would a cast iron skillet or wok. When daily cooking spills fade the deck, the deck must be re-seasoned. To re-season the deck, preheat the deck to 550F. Once the deck is preheated, with lint free cloth, coat the deck lightly and press “Start Cook” for an hour or until you visually see the smoke clear. Please ensure this is done with the ventilation system ON. - Lights
The oven uses 10 volt DC halogen lamps. They can be purchased directly from Hickory. When replacing the halogen lamps, you must ensure that they are taken from the box with a dry clean cloth. If you handle them with your hands, the oil in your hands will adhere to the lamp. Halogen lamps burn very hot and oil will burn the lamp rapidly. - Igniters
The igniters are set at the factory. If you are experiencing ignition problems contact your local Hickory service agent or Hickory directly. - Glass
Clean the glass daily with a glass cleaning agent. If you use the oven to cook steaks or fatty foods on cast iron skillets, there will be a high grease residue on the glass.
Parts Breakdown


Gas Conversion
WARNING
This conversion shall be performed by a qualified service agency in accordance with the manufacturer’s instructions and all applicable codes and requirements of the authority having jurisdiction. If the information in these instructions is not followed exactly, a fire, an explosion or the production of carbon monoxide may result causing property damage, personal injury or LOSS of life. A qualified service agency is responsible for the proper installation of this kit. The installation is not proper and complete until the operation of the converted appliance is checked as specified in the manufacturer’s instructions supplied with the kit.
- For Natural Gas: when upper burners (3) are equipped with No. 42 drill size orifice and lower burners (2) are equipped with No. 32 drill size orifice.
- For LP Gas: when upper burners (3) are equipped with No. 50 drill size orifice and lower burners (2) are equipped with No. 41 drill size orifice.
- Ensure the electrical power and gas is shut off to the appliance.
- Ensure the correct conversion kit has been ordered. N2LPGCK for Natural gas to LP gas or LP2NGCK for LP gas to Natural gas. Each kit should include three upper burner orifices and two lower burner orifices.
- To replace the upper orifices, remove the upper cover and locate the orifices. Remove and replace with the appropriate orifices. Ensure that the orifice spuds are TIGHT.
- Remove the lower cover and locate the orifice to both lower burners. Remove and replace the appropriate orifices. Ensure that the orifice spuds are TIGHT.
- After the orifices have been changed, the manifold pressure on the regulator has to be set. A manifold pressure of 5.5” water column for Natural Gas and 11” water column for LP gas. The pressure check should be taken downstream of the pressure regulator with gas flowing. There is a gas shut-off valve with a port for measuring gas pressure. Turn the unit on in accordance with the instructions and adjust the regulator pressure. The pressure regulator has a screw cap that must be removed. After the cap has been removed, you can adjust the spring pressure with a Phillips or flat screwdriver.
- After the manifold pressure has been set, the lower burner’s air mixture must be set. Adjust the lower burners (2) for proper combustion. This can be achieved by closing and/or opening the air shutter and observing the burner flame color. If the lower burner flame is yellow, then the burner needs more air. If the burner flame lifts off the burner, then the burner needs less air. Adjust the lower burners accordingly.
- Turn both upper and lower burners and observe them.
- When observing the upper burners, visually verify that the pilot flame is a 1/4” diameter. If the pilot flame is larger, adjust the pilot adjusting screws.
- Once all adjustments have been completed, return the equipment back to operating condition.
Hickory Industries, Inc.
4900 Westside Avenue, North Bergen, NJ 07047
Tel: 201-223-0050 Fax: 201-223-0950
Website: www.hickorybbq.com




















