APWwyott Pass Through Toaster User Manual [FLEXWAV-1422 EZ, -1829 EZ, -1422 EZ SS & -1829 EZ SS]
![APWwyott Pass Through Toaster User Manual [FLEXWAV-1422 EZ, -1829 EZ, -1422 EZ SS & -1829 EZ SS]](https://static-data1.manualsee.com/1/img/35/70745/2021/02/APWwyott-Pass-Through-Toaster-User-Manual-FLEXWAV-1422-EZ-1829-EZ-1422-EZ-SS-1829-EZ-SS.jpg)
PASS THROUGH TOASTER
INTENDED FOR OTHER THAN HOUSEHOLD USE
RETAIN THIS MANUAL FOR FUTURE REFERENCE
UNIT MUST BE KEPT CLEAR OF COMBUSTIBLES AT ALL TIMES

FOR YOUR SAFETY: Do not store or use gasoline or other flammable vapors and liquids in the vicinity of this or any other appliance.

WARNING: Improper installation, adjustment, alteration, service or maintenance can cause property damage, injury or death. Read the Installation, Operating and Maintenance Instructions thoroughly before installing or servicing this equipment.
Improper installation, adjustment, alteration, service or maintenance can cause property damage, injury or death. Read the Installation, Operating and Maintenance Instructions thoroughly before installing or servicing this equipment.
This equipment has been engineered to provide you with year-round dependable service when used according to the instructions in this manual and standard commercial kitchen practices.

P/N 79967150 12/09
Phone: +1 (214) 421-7366
Fax: +1 (214) 565-0976
Toll Free: +1 (800) 527-2100
Website: www.apwwyott.com
E-mail: [email protected]
APWWYOTT
729 Third Avenue
Dallas, TX 75226
IMPORTANT FOR FUTURE REFERENCE
Please complete this information and retain this manual for the life of the equipment. For Warranty Service and/or Parts, this information is required.
![]()


WARNING: In Europe, appliance must be connected by an earthing cable to all other units in the complete installation and thence to an independent earth connection in compliance with EN 60335-1 and/or local codes.


WARNING: An earthing cable must connect the appliance to all other units in the complete installation and from there to an independent earth connection.
OWNER’S INFORMATION
General Information:
- Always clean equipment thoroughly before first use. (See general cleaning instructions).
- Check rating label for your model designation and electrical rating.
- For best results, use stainless steel counter tops.
General Operation Instructions:
- All food-service equipment should be operated by trained personnel.
- Do not allow your customers to come in contact with any surface labeled “CAUTION HOT”.
- Never touch ceramic or steel heaters.
Warranty Information:
Reliability Backed By APW Wyott’s Warranty:
All APW Wyott Pass Through Ovens are backed by a one year parts and labor warranty, including On-Site Service calls within 50 miles of authorized service technicians.
Service Information:
Service Hotline (800) 733-2203
SAFETY INFORMATION
APW Wyott equipment is designed, built and sold for commercial use and should be operated by trained personnel only. Clearly post all CAUTIONS, WARNINGS and OPERATING INSTRUCTIONS near each unit to insure proper operation and to reduce the chance of personal injury and/or equipment damage. This product is used for the cooking, defrosting or re-thermalization of food products only.
Always disconnect power before servicing the unit. Surfaces will remain hot after power has been turned off. Allow unit to cool before cleaning or servicing. Never clean the unit by immersing it in water. The unit is not protected against water jets; DO NOT CLEAN PASS THROUGH OVEN WITH A WATER JET. Always clean equipment properly before first use.
SPECIFICATIONS

Power Cord:
Six (6) foot, 3 wire grounded cord. If the supply cord is damaged, the manufacturer, or an authorized service agent, must replace it in order to avoid a hazard and warranty. Please contact the factory by calling the 800 # located on the unit.
Shipping Weight:

INSTALLATION INSTRUCTIONS
If the carton appears damaged, or damage is discovered once the carton is opened, stop immediately and contact the freight company to file a damage claim.


CAUTION: The Pass Through Oven is shipped assembled. The unit is shipped with urethane supports between the top heaters and the conveyor assembly. Please remove all urethane supports and packaging materials before operating the unit. Failure to remove all packaging materials may lead to a fire and / or damage to the appliance.
- Remove all external packaging that is protecting top portion of unit
- Remove unit from shipping container while in the upright position. The unit can be lifted out of the carton by grasping under the conveyor on each side of the appliance. Please remove the plastic bag.
- Remove all internal packaging to the unit. Important: Remove urethane supports located inside the tunnel oven between the top heaters and the conveyor. Remove tape from conveyor trays. Remove tape from extrusion corners. Remove tape from deflecting curtains located just above entrance and exit of conveyor.
- Visually inspect all external and internal portions of unit for damage. Important: Inspect the top white ceramic elements located inside the oven tunnel after removal of urethane supports. To inspect these white ceramic elements, use a small mirror held under each element to detect cracks.
Important: The Ceramic elements are fragile and will break under stress. Do not twist, pull, push, or otherwise subject the white ceramic elements to stress. - Wipe down the exterior of the unit using a damp cloth with warm water. Do not use abrasive pads or cleaners as they will damage the stainless steel surface and high temperature plastic.
NOTE: DO NOT USE CLEANERS OF ANY KIND ON THE WHITE CERAMIC HEATERS. - Remove four feet from box and install into threaded nuts located at the four corners underside of the left and right housings; Also remove conveyor extension tray(s) . Conveyor extensions should be hung offend of conveyor frame. Model FLEXWAV 1422EZ and FLEXWAV 1829EZ will have two conveyor extensions for loading and exit ends.
- Place unit in operating location.
Note: Ambient Conditions – Make sure that the operating location is in an area where the ambient temperature is held constant (minimum 70°F). Please avoid areas such as near exhaust fans and air conditioning ducts.
Warning: Operating environment
Ensure that operation location is at a reasonable distance from combustible walls and materials otherwise combustion or discoloration could occur. Stand-off/Air-divider located on rear panel is important in maintaining proper division of inlet and exhaust air flow – If removed it could result in Improper functioning of unit and MAY cause personal injury and WILL void your warranty.
Caution: Operating environment
Place unit on a stable, level counter at a convenient height for use. Turn the adjustable feet so that unit is level to counter top. The top of the unit is not intended for use a shelf. Materials placed there are at risk for fire. - Before plugging unit into wall, make sure that the switch is in the off position.
- Warning: Ensure no hands, tools or parts or other unintended items are located on the conveyor as injury will result when unit is turned on.
- Plug unit into grounded electrical outlet with correct voltage, and plug configuration.
Warning: Using any receptacle that is not designed to match the attached cord and plug MAY cause personal injury and WILL void your warranty. Please attach the FLEXWAV1422/Medium Size unit, 208V, 5400W only, to an individual branch circuit.
Oven Stacking:
The stacking kit will consist of 4 corner posts to be inserted between stacked units.
Warning: When stacking, unit must have proper stacking kit installed. This will prevent overheating and damaging of electrical components.
Warning: Do not stack more than three units tall or do not use more than two stacking kits.
Warning: Standoff on rear panel of unit is important to allow proper inlet and exhaust fan airflow. Do not cover inlet or exhaust fan openings as this could damage electrical components.

- Ensure bottom unit is mounted on secure surface, with feet installed.
- Remove respective corner end caps and screws. This will allow each of the stacking spacer retaining fingers to slide into the extrusions.
- Remove the feet from the top unit as shown.
- Secure each stacking spacer to the bottom of the unit as shown by using the bolts and washers provided. You should have four total of each.
- Once the stacking kit spacers are secure, place top unit onto bottom unit. The stacking kit spacers each have tapered guides to allow the unit to lock into position.
- Refer to Cleaning Instructions for cleaning of stacking spacers and cleaning between units.
OPERATION
- The controls that operate the belt conveyor and the heaters are located on the front of the unit.
- The On/Off switch is used to turn the unit on or off. Once the unit is turned on the conveyor will automatically run. Warning: Ensure no hands, tools or parts are located on the conveyor as injury will result when unit is turned on.
- The direction of the belt conveyor travel is controlled by a hidden rocker switch located beneath the left side conveyor extension, behind a removable cover attached to the base housing panel. To change belt direction, remove this cover, flip the rocker switch to the opposite setting, and replace the cover. This operation can be performed while the belt is moving.
- Note: Before moving the On / Off switch to the “On” position, please read the following statements:
- CAUTION: HOT SURFACES! The exterior metal surfaces of the unit will get hot enough to cause burns. Avoid touching these surfaces to prevent injury.
- WARNING: SEVERE BURN HAZARD CERAMIC HEATERS (top heaters). The white ceramic heaters located in the top of the unit operate at very high temperatures. DO NOT TOUCH HEATERS AFTER UNIT IS TURNED ON.
- Two adjustable deflector shields are located at the inlet/outlet of the unit, above the conveyor belt. These shields are designed to keep maximum heat inside the unit. Position the shields as needed for product flow. CAUTION HOT SURFACE!
- This oven has 2 heating zones, 1 on top, and a bottom one.
PROGRAMMING INSTRUCTIONS (FAST.)
Checking standby settings:
Press the key that you want to check setting on 1-8.
- Arrow UP is to check the actual top temperature.
- Arrow DOWN is to check the actual bottom temperature.
- Arrow RIGHT is to check speed and the number 9 when setting speed and temperature.
- Arrow LEFT is to check actual and set temperature of the top and bottom. Will scroll through all the setting automatically. It is also the number 0 when setting speed and temperature.

Programming System settings:
Push and hold the “E” key for 3 seconds.
- CodE will be displayed type in 2222 then the “E” key.
- SYS (system) will be display. This is system programming.
Press the “E” key.
- Unit will be displayed then either F (Fahrenheit) or C (Celsius). To toggle the choices use the LEFT or RIGHT arrow keys.
Press the “E” key.
- oF t (offset top temperature)will be displayed then a number. Enter the offset temperature you want using the number keys. For negative temperature press the DOWN arrow key.
Press the “E” key.
- oF b (offset bottom temperature) will be displayed then a number. Enter the offset temperature you want using the number keys. For negative temperature press the DOWN arrow key.
Press the “E” key.
- SYS will be displayed.
Press the arrow UP key
- Eit (exit) will displayed.
Press the “E” key.
- This will exit from system programming.
Programming Recipe settings:
Push and hold the “E” key for 3 seconds.
- CodE will be displayed.
- Type in 2222 then the “E” key. SYS (system) will be display. This is system programming.
Press the arrow DOWN key.
- rECP (recipe) will be displayed.
Press the “E” key.
- Prod (product) will be displayed.
- Press the key you would like to change. (1 through 8).
Press the “E” key.
- tPFt (temperature programmed F top) will be displayed for 3 seconds then the current temperature. Use the number keys to change the temperature. Change the setting by pressing the left arrow key (“0”) until the current value is all 0’s and then enter the new value.800 o =8, left arrow (“0”), left arrow(“0”).
Press the “E” key.
- tPFb (temperature programmed F bottom) will be displayed for 3 seconds then the current temperature. Use the number keys to change the temperature. Change the setting by pressing the left arrow key (“0”) until the current value is all 0’s and then enter the new value.800 o =8, left arrow (“0”), left arrow(“0”)..
Press the “E” key.
- SPd (speed) will be displayed then the current speed setting in minutes and seconds. Change the setting by pressing the left arrow key (“0”) until the current value is all 0’s and then enter the new value in minutes and seconds. 2 minutes 30 seconds =2, 3, left arrow (“0”).
Press the “E” key.
- rECP (recipe) will be displayed. If another keys needs to be changed press the “E” key and Prod will be displayed.
Follow the above steps to change the next key. If you wish to exit from rECP (recipe) press the DOWN key.
- rECP (recipe) will be displayed. If another keys needs to be changed press the “E” key and Prod will be displayed.
CLEANING
Insure the appliance has been turned off and has had sufficient time for all surfaces to cool down before cleaning. Use only mild soap and water to clean this appliance. Appliance cleaning should be performed daily.
NOTE: DO NOT USE ABRASIVE CLEANING SOLUTIONS ON THIS APPLIANCE.
Daily Cleaning
- Remove the crumb pans and wipe out debris with a damp rag and mild soap solution.
- Remove the deflector panels located at the entrance and exit of the oven tunnel. Wipe down the area under the deflector panels, and the deflector panels, with a damp rag and mild soap. Reinstall the deflector panels by reversing the procedure used to remove them.
- Using a damp rag with mild soap and water, wipe down the exterior surfaces of the appliance.
- Using a damp rag with mild soap solution, wipe down all areas of the conveyor. DO NOT ATTEMPT TO CLEAN THE UPPER WHITE CERAMIC, OR LOWER METAL HEATERS.
- When units are in the stacked configuration, it is still necessary to clean between the units. Using a damp rag with mild soap and water, wipe down the tops and undersides of all units. Ensure there are no foreign objects between the units that could catch fire.
- Using a damp rag with mild soap and water, wipe the surfaces of the stacking spacers on all four corners.


USE CAUTION during disassembly and cleaning. Remove the tunnel guards from each end of the oven opening. Remove the conveyor assembly by pulling outward on the drive pin on the conveyor drive box on the right side end of the oven. Push the conveyor assembly partially through the tunnel and finish by removing the assembly from the other end of the oven. If the conveyor does not push through easily the oven interior is still too hot and allow it to cool further before attempting to push the conveyor assembly through. Attempting to force the assembly through may cause damage. Use a soft brush with mild soap to clean the wire belt and other conveyor surfaces. USE CAUTION during cleaning so that wires of the belt are not bent.
TROUBLESHOOTING
Always ask and check the following:
Not getting power:
- Is the unit connected to a live power source of the proper voltage?
- Check the rating label. Is the unit connected to the correct power source?
- Check the circuit breaker.
- Is power switch “ON” and led displaying information?
- If the above checks out, and you still have problems, call your local service agent.
Conveyor not working:
- Please refer to “Not getting power” section.
- Check belt for obstructions. Belt may be jammed.
- Reverse belt direction to check for belt jam – locate Reversing Switch on left side, beneath conveyor frame, hidden by removable cover. Remove cover, flip switch, and note if belt begins to move backwards. Does belt move backwards?
- If YES, then clear belt jam and reset belt direction via Reversing Switch.
- If NO, then call your local service agent.
- Note: At slower settings the conveyor moves very slow and may appear stalled, which is not the case.
- If the above checks out, and you still have problems, call your local service agent.
Food not cooking properly:
- Please refer to “Not getting power” section.
- Are the controller and speed control adjusted to the desired setting?
- Are the deflector curtains in the proper position?
- If the above checks out, and you still have problems, call your local service agent.
PREVENTATIVE MAINTENANCE SCHEDULE
- Please follow the cleaning section for the daily preventative maintenance schedule.
- DO NOT USE ABRASIVES OR CLEANING SOLUTIONS ON THIS APPLIANCE.
- Routinely check before every operation that adequate distance is allowed between fans and anything that would possibly allow foreign debris or substances to be taken in by inlet fan.
- Clean fan guards on a daily basis to ensure proper inlet cooling to electrical components and efficient hot air exhaust.
- On a daily basis make sure side walls of tunnel oven remain clean to assist in maintaining even cooking around product. Be careful not to bump or hit the upper ceramic heaters when wiping down.
- Ensure belt is properly tensioned as to prevent slippage or binding, which causes strain on motor.
- DO NOT ATTEMPT TO MAINTENANCE, SERVICE OR CLEAN THE UPPER CERAMIC AND LOWER METAL HEATERS.
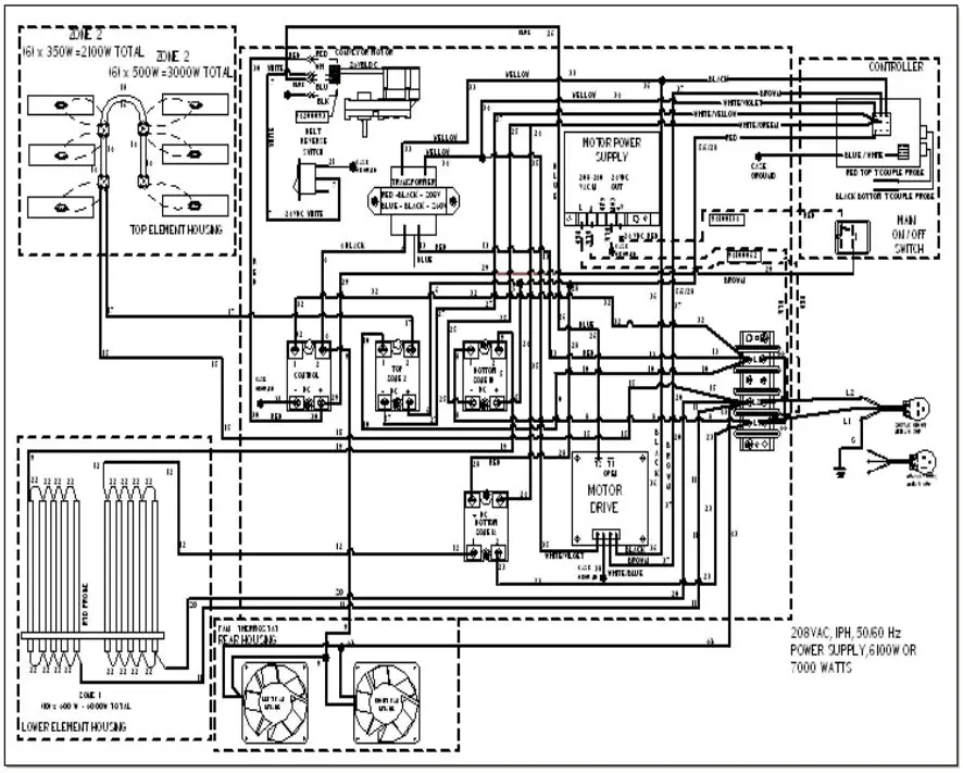
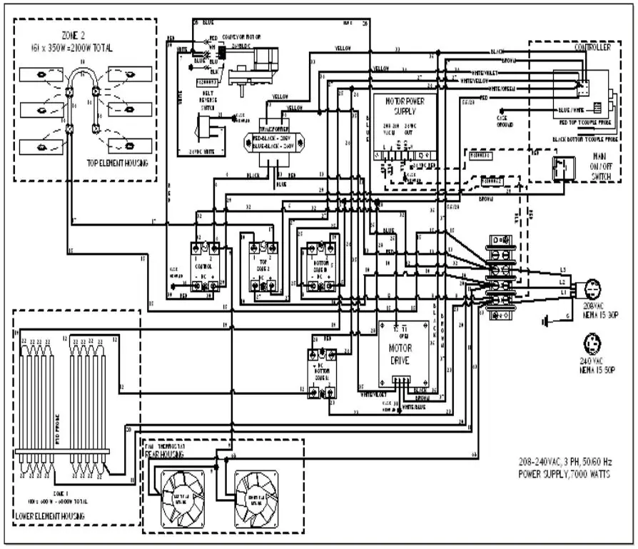
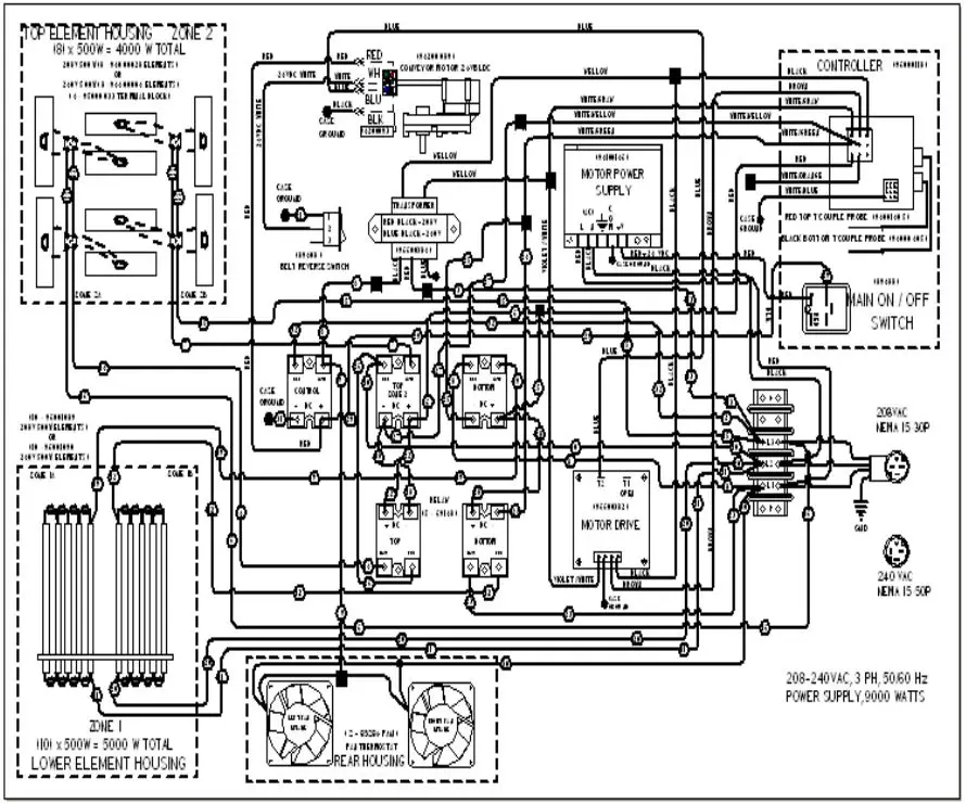
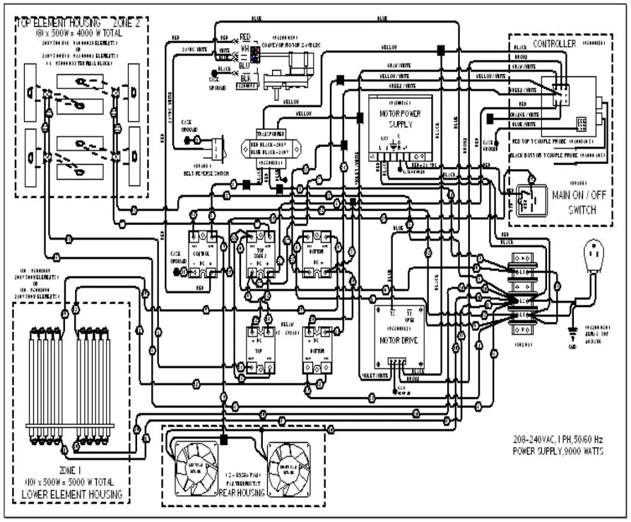
WIRING DIAGRAMS/SCHEMATICS




PARTS LISTS & EXPLODED VIEWS





NOTES:____________________________________________________________________________________________________________________________________________________________________________________________________________________________________________________________________________________________________________
APW WYOTT EQUIPMENT LIMITED WARRANTY
APW Wyott Food service Equipment Company warrants it’s equipment against defects in materials and workmanship, subject to the following conditions:
This warranty applies to the original owner only and is not assignable.
Should any product fail to function in its intended manner under normal use within the limits defined in this warranty, at the option of APW Wyott such product will be repaired or replaced by APW Wyott or its Authorized Service Agency. APW Wyott will only be responsible for charges incurred or service performed by its Authorized Service Agencies. The use of other than APW Wyott Authorized Service Agencies will void this warranty and APW Wyott will not be responsible for such work or any charges associated with same. The closest APW Wyott Authorized Service Agent must be used.
This warranty covers products shipped into the 48 contiguous United States, Hawaii, metropolitan areas of Alaska and Canada. There will be no labor coverage for equipment located on any island not connected by roadway to the mainland.
Warranty coverage on products used outside the 48 contiguous United States, Hawaii, and metropolitan areas of Alaska and Canada may vary. Contact the international APW Wyott distributor, dealer, or service agency for details.
Time Period
One year for parts and one year for labor, effective from the date of purchase by the original owner. The Authorized Service Agency may, at their option, require proof of purchase. Parts replaced under this warranty are warranted for the un-expired portion of the original product warranty only.
Exceptions
- Gas/Electric Cookline: Models HCB, HCRB, HMG, HTG, HHP, HHPS, GCB, GCRB, GF, GGM, GGT, CHP-H, EF, EG, EHP. Three (3) Year Warranty on all component parts, except switches and thermostats. (2 additional years on parts only. No labor on second or third year.)
- Broiler Briquettes, Rock Grates, Cooking Grates, Burner Shields, Fireboxes: 90 Day Material Only. No Labor.
- Heat Strips: Models FD, FDL, FDD, FDDL. Two (2)Year Warranty on element only. No labor second year.
- Glass Windows, Doors, Seals, Rubber Seals, Light Bulbs: 90 Day Material Only. No Labor.
In all cases, parts covered by extended warranty will be shipped FOB the factory after the first year.
Portable Carry In Products
Equipment weighing over 70 pounds or permanently installed will be serviced on-site as per the terms of this warranty. Equipment weighing 70 pounds or under, and which is not permanently installed, i.e. with cord and plug, is considered portable and is subject to the following warranty handling limitations. If portable equipment fails to operate in its intended manner on the first day of connection, or use, at APW Wyott’s option or its Authorized Service Agency, it will be serviced on site or replaced.
From day two through the conclusion of this warranty period, portable units must be taken to or sent prepaid to the APW Wyott Authorized Service Agency for in-warranty repairs. No mileage or travel charges are allowed on portable units after the first day of use. If the customer wants on-site service, they may receive same by paying the travel and mileage charges. Exceptions to this rule: (1) countertop warmers and cookers, which are covered under the Enhanced Warranty Program, and (2) toasters or rollergrills which have in store service.
Exclusions
The following conditions are not covered by warranty:
- Equipment failure relating to improper installation, improper utility connection or supply and problems due to ventilation.
- Equipment that has not been properly maintained, calibration of controls, adjustments, damage from improper cleaning and water damage to controls.
- Equipment that has not been used in an appropriate manner, or has been subject to misuse or misapplication, neglect, abuse, accident, alteration, negligence, damage during transit, delivery or installation, fire, flood, riot or act of god.
- Equipment that has the model number or serial number removed or altered.
If the equipment has been changed, altered, modified or repaired by other than an Authorized Service Agency during or after the warranty period, then the manufacturer shall not be liable for any damages to any person or to any property, which may result from the use of the equipment thereafter.
This warranty does not cover services performed at overtime or premium labor rates. Should service be required at times which normally involve overtime or premium labor rates, the owner shall be charged for the difference between normal service rates and such premium rates. APW Wyott does not assume any liability for extended delays in replacing or repairing any items beyond its control.
In all cases, the use of other than APW Wyott Authorized OEM Replacement Parts will void this warranty. This equipment is intended for commercial use only. Warranty is void if equipment is installed in other than commercial application.
Water Quality Requirements
Water supply intended for a unit that has in excess of 3.0 grains of hardness per gallon (GPG) must be treated or softened before being used. Water containing over 3.0 GPG will decrease the efficiency and reduce the operation life of the unit.
Note: Product failure caused by liming or sediment buildup is not covered under warranty.
“THE FOREGOING WARRANTY IS IN LIEU OF ANY AND ALL OTHER WARRANTIES EXPRESSED OR IMPLIED INCLUDING ANY IMPLIED WARRANTY OF MERCHANTABILITY OR FITNESS FOR PARTICULAR PURPOSES AND CONSTITUTES THE ENTIRE LIABILITY OF APW WYOTT. IN NO EVENT DOES THE LIMITED WARRANTY EXTEND BEYOND THE TERMS STATED HEREIN.”
APWwyott Pass Through Toaster User Manual [FLEXWAV-1422 EZ, -1829 EZ, -1422 EZ SS & -1829 EZ SS]
– Optimized PDF
APWwyott Pass Through Toaster User Manual [FLEXWAV-1422 EZ, -1829 EZ, -1422 EZ SS & -1829 EZ SS]
– Original PDF

















