DAYTONA DS400SG 4 ton Professional Floor Jack with RAPID PUMP

Product Information
- Model Numbers: 56640, 64786, 64201
- Manufacturer: Harbor Freight
- Capacity: Not specified
- Usage: Lifting vehicles
Product Usage Instructions
- Before using the jack for the first time, check the hydraulic oil level and fill it to 1/4 below the Fill Plug hole as needed. Refer to page 6 of the manual for instructions.
- Thoroughly test the jack for proper operation. If it does not work properly, bleed air from its hydraulic system as stated on page 6 of the manual.
- Make sure that the product is intact and undamaged when unpacking. If any parts are missing or broken, contact the manufacturer at 1-888-866-5797 as soon as possible.
- Use only on hard, level surfaces and lift-only areas of the vehicle as specified by the vehicle manufacturer.
- Apply the parking brake and chock tires before lifting the vehicle.
- Wear ANSI-approved safety goggles and heavy-duty work gloves during use.
- Lift the vehicle only at manufacturer-recommended locations and do not exceed its rated capacity.
- Immediately after lifting, support the vehicle with appropriate means and do not move or dolly it while on the jack.
- Lower the load slowly and keep clear of it while lifting and lowering.
- Inspect the jack before every use and do not use it if parts are loose or damaged, or if leaking hydraulic fluid.
- Do not adjust the safety valve or make any alterations to the product.
- Never work on, under or around a load supported only by this device.
- Do not use any objects (such as blocks of wood) in between Saddle Pad or Saddle and the lifting point. Objects placed on the Saddle will reduce the stability of the Jack, and could allow the vehicle to slip off the Saddle and fall.
- The warnings, precautions, and instructions discussed in the manual cannot cover all possible conditions and situations that may occur. The operator must understand that common sense and caution are factors, which cannot be built into this product, but must be supplied by the operator.
- People with pacemakers should consult their physician(s) before use as electromagnetic fields in close proximity to heart pacemaker could cause pacemaker interference or failure.
Save This Manual Keep this manual for the safety warnings and precautions, assembly, operating, inspection, maintenance and cleaning procedures. Write the product’s serial number in the back of the manual (or month and year of purchase if product has no number). Keep this manual and the receipt in a safe and dry place for future reference.
Visit our website at: http://www.harborfreight.com
Email our technical support at: [email protected]
When unpacking, make sure that the product is intact and undamaged. If any parts are missing or broken, please call 1-888-866-5797 as soon as possible.
Copyright© 2022 by Harbor Freight Tools®. All rights reserved. No portion of this manual or any artwork contained herein may be reproduced in any shape or form without the express written consent of Harbor Freight Tools. Diagrams within this manual may not be drawn proportionally. Due to continuing improvements, the actual product may differ slightly from the product described herein. Tools required for assembly and service may not be included.
IMPORTANT SAFETY INFORMATION
- The study, understand, and follow all instructions before operating this device.
- Do not exceed rated capacity.
- Use only on hard, level surfaces.
- Lifting device only. Immediately after lifting, support the vehicle with appropriate means.
- Do not move or dolly the vehicle while on the jack.
- Failure to heed these markings may result in personal injury and/or property damage.
- Lift only areas of the vehicle as specified by the vehicle manufacturer.
- No alterations shall be made to this product.
- Never work on, under or around a load supported only by this device.
- Do not adjust the safety valve.
- Wear ANSI-approved safety goggles and heavy-duty work gloves during use.
- Keep clear of load while lifting and lowering.
- Lower the load slowly.
- 14. Apply the parking brake and chock tires
before lifting the vehicle. - Lift vehicles only at manufacturer-recommended locations.
- Inspect before every use; do not use if parts are loose or damaged, or if leaking hydraulic fluid.
- Do not use for aircraft purposes.
- Do not use any objects (such as blocks of wood) in between Saddle Pad or Saddle and the lifting point. Objects placed on the Saddle will reduce the stability of the Jack and could allow the vehicle to slip off the Saddle and fall.
- The warnings, precautions, and instructions discussed in this manual cannot cover all possible conditions and situations that may occur. The operator must understand that common sense and caution are factors, which cannot be built into this product, but must be supplied by the operator.
- The Handle socket may be held down by a clip under tension. Wear ANSI-approved safety goggles before freeing the Handle socket. Remove clip carefully.
- People with pacemakers should consult their physician(s) before use. Electromagnetic fields in close proximity to the heart pacemaker could cause pacemaker interference or pacemaker failure.
SAVE THESE INSTRUCTIONS.
IMPORTANT! Before first use:
Check hydraulic oil level and fill to 1/4″ below the Fill Plug hole as needed as stated on page 6. Thoroughly test the Jack for proper operation. If it does not work properly, bleed air from its hydraulic system as stated on page 6.
WARNING SYMBOLS AND DEFINITIONS
| WARNING SYMBOLS AND DEFINITIONS | |
| DANGER | This is the safety alert symbol. It is used to alert you to potential personal injury hazards. Obey all safety messages that follow this symbol to avoid possible injury or death. |
| WARNING | Indicates a hazardous situation which, if not avoided, will result in death or serious injury. |
| CAUTION | Indicates a hazardous situation which, if not avoided, could result in death or serious injury. |
| NOTICE | Indicates a hazardous situation which, if not avoided, could result in minor or moderate injury. |
| CAUTION | Addresses practices not related to personal injury. |
Specifications
| Weight Capacity | 4 Tons |
| Weight Capacity (lb.) | 8,000 |
| Maximum Height (in.) | 20.25 |
| Minimum Height (in.) | 4.25 |
| Handle Length (in.) | 49 |
| Hydraulic Oil | non-detergent 22 weight |
| Weight (lb.) | 102 |
| Meets 2014 ANSI/ASME PASE standard. | |
Overview
Set Up
Read the ENTIRE IMPORTANT SAFETY INFORMATION section at the beginning of this manual including all text under subheadings therein before set up or use of this product.
Removing Shipping Block
CAUTION! The Handle socket is held down by a plastic block. Wear ANSI-approved safety goggles before freeing Handle socket. Remove block carefully.
A plastic block holds the Handle Socket in position during shipment. This helps prevent shipping damage. To remove it:
- Insert the Handle into Handle Socket.
- Press down on Handle.
- Remove the plastic block.
- Return Handle to original position.
Attaching the Handle
- Slide the Upper Handle into the Lower Handle.Line the Button on the Lower Handle up with thehole in the Upper Handle until it clicks into place.
- Loosen the Set Screw and insert the grooved endof the assembled Handle into the Handle Socket.
- Tighten the Set Screw
Bleeding Trapped Air
- With the Jack fully lowered, remove both Screwson the end of the Cover Plate that is closer to theSaddle. Swing the Cover Plate open. See Figure A.
- Remove the Fill Plug on top of the Cylinder.Check that the oil level inside the Cylinder isat the top of the Piston. See Figure B.
- Insert the Handle into the Handle Socketto operate the Release Valve.
- Turn the Handle counterclockwise to open the valve.
- Pump the Handle up and down quickly10‑15 times to force air from the system.
- Replace the Fill Plug, close theCover Plate, and reinstall the Screws
Adding Oil
NOTICE: To prevent damage and premature wear, use only 22 viscosity, non‑detergent hydraulic jack oil.
- With the Jack fully lowered, remove both Screwson the end of the Cover Plate that is closer tothe Saddle. Swing the Cover Plate open.
- Remove the Fill Plug on top of the Cylinder.
- Add non‑detergent 22 weight hydraulic jack oilinto the Fill Plug hole slowly until the oil level justreaches the top of the Piston inside the Cylinder.
- Replace the Fill Plug, close theCover Plate, and reinstall the Screws
Operation
Read the ENTIRE IMPORTANT SAFETY INFORMATION section at the beginning of this manual including all text under subheadings therein before set up or use of this product
Lifting
Park vehicle on a flat, level, solid, surface safely away from oncoming traffic. Turn off the vehicle’s engine. Place the vehicle’s transmission in “PARK” (if automatic) or in its lowest gear (if manual). Set the vehicle’s emergency brake. Then, chock the wheels that are not being lifted.
- Turn the Handle counterclockwise to lower the Jack. Once the Jack is fully lowered, turn the Handle firmly clockwise to close it.
- Carefully position the Saddle of the Jack under the vehicle manufacturer’s recommended lifting point.(See vehicle manufacturer’s owner’s manualfor location of frame lifting point.)
- Pump the Handle until the top of the Jack’s Saddle has nearly reached the vehicle lifting point. Position the Saddle directly under the vehicle’s lifting point.
- To lift the vehicle, pump the Handle of the Jack. Use smooth, full strokes.
- Once the vehicle is raised, slide a jack stand of appropriate capacity (not included) under a proper lifting point referred to in the vehicle owner’s manual. Always use two jack stands, position them at the same point on each side of the vehicle.
WARNING! The rated capacity of jack stands is per pair, not the individual capacities combined unless specifically noted on the product by the jack stand manufacturer. Do not exceed rated jack stand capacity. Ensure that the vehicle support points are fully seated in the saddle of both jack stands. Use a matched pair of jack stands per vehicle to support one end only. Failure to do so may result in the load suddenly falling, which may cause personal serious injury and/or property damage. - Center the vehicle’s lifting point(s) on the saddle of the jack stand(s). Set the jack stand(s) to the same height according to the manufacturer’s instructions, making sure that they lock securely into position.
- Slowly turn the Handle counterclockwise to lower the vehicle onto the saddle(s) of the jack stand(s). Then, turn the Handle firmly clockwise to close it.
Lowering
- Carefully remove all tools, parts, etc. from under the vehicle.
- Position the Saddle under the lifting point. Turn the Handle firmly clockwise and raise load high enough to clear the jack stands, then carefully remove jack stands.
- Slowly turn the Handle counterclockwise (never more than 1/2 full turn) to lower the vehicle onto the ground.
- Lower the Jack completely. Then, store in a safe, dry location out of reach of children.
Maintenance and Servicing
Procedures not specifically explained in this manual must be performed only by a qualified technician.
TO PREVENT SERIOUS INJURY FROM TOOL FAILURE: Do not use damaged equipment. If abnormal noise or vibration occurs, have the problem corrected before further use.
- BEFORE EACH USE, inspect the general condition of the tool. Check for:
- leaking hydraulic fluid,
- loose hardware or parts,
- misalignment or binding of moving parts,
- cracked, bent or broken parts, and
- any other condition that may affect its safe operation.
Thoroughly investigate and correct the causes for all issues that are found. Do not use Jack until all issues are understood and properly corrected.
ALSO, BEFORE EACH USE, thoroughly test the Jack for proper operation prior to actual use. If the Jack’s motion seems spongy or the Saddle does not lift completely, follow Bleeding instructions on page 6.
- AFTER USE, wipe dry with a clean cloth. Then, store the Jack in a safe, dry location out of reach of children and other non-authorized people.
NOTICE: Storing the Jack in a humid area or exposing it to corrosive vapor voids the warranty. - Weekly – Jack Lubrication:
- Lubricate according to the below steps using only general purpose lithium grease.
- Inject grease into each of the grease fittings.
- Lubricate the linkages and pivot points lightly.
Note: Improper or inadequate lubrication voids the warranty.
- Change the hydraulic oil at least once every three years:
- With the Jack fully lowered, remove both Screws on the end of the Cover Plate that is closer to the Saddle. Swing the Cover Plate open.
- Remove the Fill Plug on the top of the Cylinder.
- Tip the Jack to allow the old hydraulic oil to drain out of the Housing completely, and dispose of the old hydraulic oil in accordance with local regulations.
- Turn the Jack upright. Add non‑detergent 22 weight hydraulic jack oil into the Fill Plug hole slowly until the oil level just reaches the top of the Piston inside the Cylinder.
- Replace the Fill Plug, close the Cover Plate, and reinstall the Screws.
- Follow instructions for Bleeding Trapped Air on page 6.

Troubleshooting
TO PREVENT SERIOUS INJURY:
- Use caution when troubleshooting a malfunctioning jack. Stay well clear of the supported load.
- Completely resolve all problems before use. If the solutions presented in the Troubleshooting guide do not solve the problem, have a qualified technician inspect and repair the jack before use.
- After the jack is repaired: Test it carefully without a load by raising and lowering it fully, checking for proper operation, BEFORE RETURNING THE JACK TO OPERATION
DO NOT USE A DAMAGED OR MALFUNCTIONING JACK!
| POSSIBLE SYMPTOMS | PROBABLE SOLUTION (Jack must not be supporting a load while attempting a solution.) | |||||||
| Jack will not lift at capacity | Saddle lowers under load | Pump stroke feels spongy or Saddle does not lift all the way | Handle moves up when Jack under load | Fill Plug leaking oil or Jack will not lower without a load | ||||
| X | X | Check that Release Valve is fully closed. Bleed trapped air from the hydraulics. | ||||||
| X | X | X | Valves may be blocked and may not close fully. To flush the valves: 1. Lower the Saddle and securely close the Release Valve. 2. Manually lift the saddle several inches. 3. Open the release valve and force the saddle down as quickly as possible. | |||||
| X | X | Jack may be low on oil. Check the oil level and fill if needed. See step 4 on facing page. | ||||||
| Jack may have air trapped in the hydraulics. Follow instructions for Bleeding Trapped Air on page 6. | ||||||||
|
X | Jack may have too much hydraulic oil inside, check fluid level and adjust if needed.
| |||||||
|
| ||||||||
Visit our website at: http://www.harborfreight.com
Email our technical support at: [email protected]
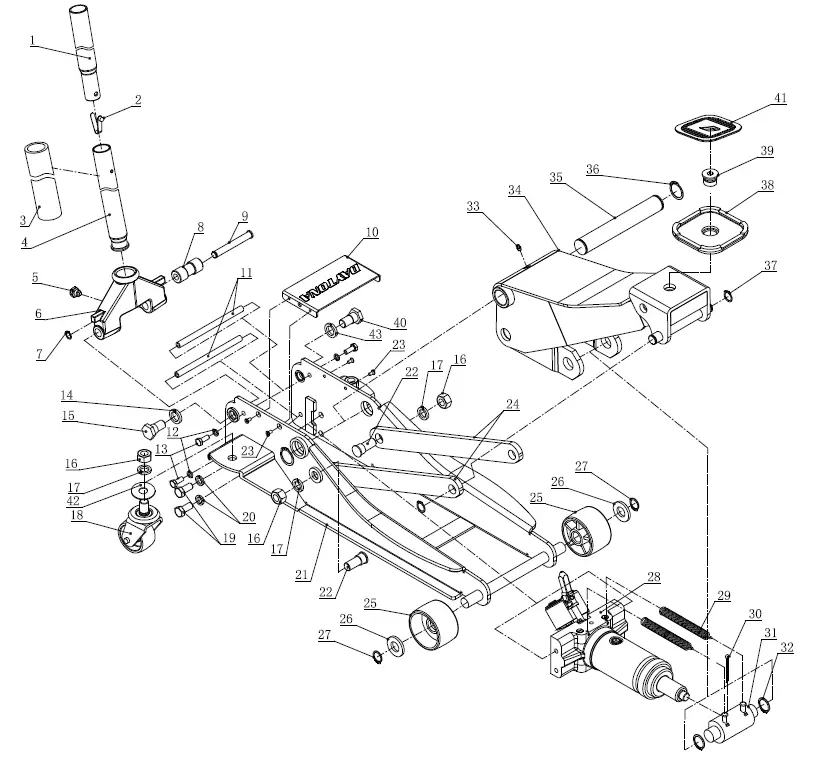
Parts List and Diagram
Parts List
| Part | Description | Qty. | Part | Description | Qty. | |
| 1 | Upper Handle | 1 | 23 | Screw | 4 | |
| 2 | Pin | 1 | 24 | Plate | 2 | |
| 3 | Foam | 1 | 25 | Wheel | 2 | |
| 4 | Lower Handle | 1 | 26 | Washer | 2 | |
| 5 | Screw | 1 | 27 | Retainer Ring | 2 | |
| 6 | Handle socket | 1 | 28 | Pump | 1 | |
| 7 | Retainer Ring | 1 | 29 | Spring | 2 | |
| 8 | Roller Wheel | 1 | 30 | Pin | 1 | |
| 9 | Pin | 1 | 31 | Bar | 1 | |
| 10 | Cover | 1 | 32 | Retainer Ring | 2 | |
| 11 | Limiting Bar | 2 | 33 | Grease Cup | 1 | |
| 12 | Lock Washer | 4 | 34 | Lifting Frame | 1 | |
| 13 | Bolt | 4 | 35 | Axle | 1 | |
| 14 | Lock Washer | 1 | 36 | Retainer Ring | 2 | |
| 15 | Bolt | 1 | 37 | Retainer Ring | 2 | |
| 16 | Nut | 4 | 38 | Saddle | 1 | |
| 17 | Lock Washer | 4 | 39 | Screw | 1 | |
| 18 | Caster | 2 | 40 | Bolt | 1 | |
| 19 | Bolt | 4 | 41 | Rubber Pad | 1 | |
| 20 | Lock Washer | 4 | 42 | Washer | 2 | |
| 21 | Frame | 1 | 43 | Lock Washer | 1 | |
| 22 | Screw | 2 | ||||
PLEASE READ THE FOLLOWING CAREFULLY
THE MANUFACTURER AND/OR DISTRIBUTOR HAS PROVIDED THE PARTS LIST AND ASSEMBLY DIAGRAM IN THIS MANUAL AS A REFERENCE TOOL ONLY. NEITHER THE MANUFACTURER OR DISTRIBUTOR MAKES ANY REPRESENTATION OR WARRANTY OF ANY KIND TO THE BUYER THAT HE OR SHE IS QUALIFIED TO MAKE ANY REPAIRS TO THE PRODUCT, OR THAT HE OR SHE IS QUALIFIED TO REPLACE ANY PARTS OF THE PRODUCT. IN FACT, THE MANUFACTURER AND/OR DISTRIBUTOR EXPRESSLY STATES THAT ALL REPAIRS AND PARTS REPLACEMENTS SHOULD BE UNDERTAKEN BY CERTIFIED AND LICENSED TECHNICIANS, AND NOT BY THE BUYER. THE BUYER ASSUMES ALL RISK AND LIABILITY ARISING OUT OF HIS OR HER REPAIRS TO THE ORIGINAL PRODUCT OR REPLACEMENT PARTS THERETO, OR ARISING OUT OF HIS OR HER INSTALLATION OF REPLACEMENT PARTS THERETO
Assembly Diagram
Record Product’s Serial Number Here:
Note: If product has no serial number, record month and year of purchase instead
Note: Some parts are listed and shown for illustration purposes only, and are not available individually as replacement parts. Parts may not be interchangeable. Specify UPC number when ordering:
- Blue: 193175490643
- Green: 193175490711
- Orange: 193175354693
Warranty
Limited 90 Day Warranty
- Harbor Freight Tools Co. makes every effort to assure that its products meet high quality and durability standards, and warrants to the original purchaser that this product is free from defects in materials and workmanship for the period of 90 days from the date of purchase. This warranty does not apply to damage due directly or indirectly, to misuse, abuse, negligence or accidents, repairs or alterations outside our facilities, criminal activity, improper installation, normal wear and tear, or to lack of maintenance. We shall in no event be liable for death, injuries to persons or property, or for incidental, contingent, special or consequential damages arising from the use of our product. Some states do not allow the exclusion or limitation of incidental or consequential damages, so the above limitation of exclusion may not apply to you. THIS WARRANTY IS EXPRESSLY IN LIEU OF ALL OTHER WARRANTIES, EXPRESS OR IMPLIED, INCLUDING THE WARRANTIES OF MERCHANTABILITY AND FITNESS.
- To take advantage of this warranty, the product or part must be returned to us with transportation charges prepaid. Proof of purchase date and an explanation of the complaint must accompany the merchandise.
- If our inspection verifies the defect, we will either repair or replace the product at our election or we may elect to refund the purchase price if we cannot readily and quickly provide you with a replacement. We will return repaired products at our expense, but if we determine there is no defect, or that the defect resulted from causes not within the scope of our warranty, then you must bear the cost of returning the product.
- This warranty gives you specific legal rights and you may also have other rights which vary from state to state.
26677 Agoura Road
Calabasas, CA 91302
1-888-866-5797























