Wilo-Protect-Modul C
General
About this document
These Installation and Operating Instructions are an integral part of the product. They must be kept readily available at the place where the product is installed. Strict adherence to these instructions is a precondition for the proper use and correct operation of the product.
These installations and Operating Instructions correspond to the relevant version of the product and the underlying safety standards valid at the time of going to print.
These Installation and operating instructions are an addition to the Installation and operating instructions for glandless circulation pump type TOP-S/TOP-SD/TOP-Z.
Safety
These operating instructions contain basic information which must be adhered to during installation and operation. For this reason, these operating instructions must, without fail, be read by the service technician and the responsible operator before installation and commissioning.
It is not only the general safety instructions listed under the main point “safety” that must be adhered to but also the special safety instructions with danger symbols included under the following main points.
Designation of information in the operating instructions
Symbols:
- General danger symbol
- Danger due to electrical voltage
- NOTE: .
Signal words:
DANGER!
Acutely dangerous situation.
Non-observance results in death or the most serious of injuries.
WARNING!
The user can suffer (serious) injuries. ‘Warning’ implies that (serious) injury to persons is probable if this information is disregarded.
CAUTION!
There is a risk of damaging the pump/unit. ‘Caution’ implies that damage to the product is likely if the information is disregarded.
NOTE:
Useful information on using the product. It draws attention to possible problems.
Personnel qualifications
The installation personnel must have the appropriate qualification for this work.
Danger in event of non-observance of the safety instructions
Non-observance of the safety instructions can result in risk of injury to persons and damage to pump/unit. Non-observance of the safety instructions can result in the loss of any claims to damages.
In detail, non-observance can, for example, result in the following risks:
- Failure of important pump/unit functions,
- Failure of required maintenance and repair procedures
- Danger to persons from electrical, mechanical and bacteriological influences,
- Property damage
Safety instructions for the operator
The existing directives for accident prevention must be adhered to.
Danger from electrical current must be eliminated. Local directives or general directives [e.g. IEC, VDE etc.] and local power supply companies must be adhered to.
Safety instructions for inspection and installation work
The operator must ensure that all inspection and installation work is carried out by authorised and qualified personnel, who are sufficiently informed from their own detailed study of the operating instructions.
Work to the pump/unit must only be carried out when at a standstill.
Unauthorised alteration and spare part production
Alterations to the pump/unit are only permissible after consultation with the manufacturer. Original spare parts and accessories authorised by the manufacturer ensure safety. The use of other parts can nullify the liability from the results of their usage.
Unacceptable operating modes
The operating safety of the supplied pump/unit is only guaranteed for conventional use in accordance with Section 4 of the operating instructions. The limit values must on no account fall under or exceed those specified in the catalogue/data sheet.
Transport and interim storage
On receipt of the product, check it for any damage incurred in transit. In the event of damage in transit, the necessary steps must be taken with the carrier before the relevant deadlines.
CAUTION! Danger of damage to the module!
Danger of damage due to improper handling during transport and storage.
- The Protect-Module C must be protected during transport and storage from moisture, frost and mechanical damage.
- It must not be exposed to any temperature outside the range – 10 °C to + 70°C.
Application
The TOP series circulating pumps come equipped with a standard terminal box. A retrofit plug-in module is available for the pump with the Protect-Module C (see title illustration). In addition to the pump functions, the Protect-Module C also enables further signals as well as the performance of control tasks. When the Protect-Module C is deployed, external contactors and supple-mentary switchgear are no longer required, with a corresponding effect on the complexity of the installation.
Product data
Type Key
| Example: Wilo-Protect-Modul C Type 22 EM | |
| Protect-Modul | Series designation |
| C | Comfort |
| Type 22 | Type designation: 22 or 32-52 |
| EM | For mains connection: EM = 1~230 V, 50 Hz (single-phase motor) DM = 3~400 V, 50 Hz (three-phase current motor) |
Technical data
| Technical data | |
| Connection current Type 22 EM Type 32-52 EM Type 22 DM Type 32-52 DM | 1~230 V, ±10 %, 50 Hz 1~230 V, ±10 %, 50 Hz 3~400 V, ±10 %, 50 Hz 3~400 V, ±10 %, 50 Hz |
| Frequency | 50 Hz |
| Terminal cross-section, all terminals | max. 2.5 mm2 |
| Temperature range of flow medium | -20 °C to +110 °C |
| Max. ambient temperature | +40 °C |
| Pump protection class | IP 44 |
| Cable connections | 4x PG9 |
| Electromagnetic compatibility: Emitted interference Immunity to interference | EN 61000-6-3 EN 61000-6-2 |
Scope of supply
- Protect-Module C
- Plug strip control and signal terminals
- Plug strip mains connection terminals and connection terminals WSK/SSM with connection cables
- Fixing screws (4)
- Installation and operating instructions
Description and function
Description of the Protect-Module C
The functions of the pump housed in the terminal box (mains connection, thermal winding contact WSK or potential-free collective fault signal) are transferred to the terminal box when the Protect-Module C is installed. The fault acknowledgement button and the direction of rotation control lamp, if fitted, as well as the manual speed stage switching of the standard terminal box continue to function when the Protect-Module C is installed.
The Protect-Module C is fitted to the standard terminal box of the pump in place of the terminal box cover.
Functions and operation of the Protect-Module C
Light signals
There are three possible light signals on the display field:
- Operation light signal (figure 1, position 1)
- WARNING! Danger of electric shock Even when the operation light signal is off, voltage may be present on the Protect-Module.
- Fault signal light “Stoppage” (figure 1, position 2)
- Fault signal light “Winding Overheat” (figure 1, position 3)
Fault acknowledgement buttons
- Fault acknowledgment button on the pump (figures 3b, 3d, position 4)
- If fitted, this button is used to reset the response of the integrated full motor protection. This fault reset is done before fault reset on the Protect-Module C.
- Fault acknowledgment button on Protect-Module C (figure 1, position 4)
- A fault displayed on the Protect-Module C is reset by briefly pressing this button (< 1s).
- Pressing and holding down the button (≥ 1s) triggers pump cycling in dual pump operation with integrated dual pump management.
Faults, light signals, signal contacts
Single pump
The following table shows the links between possible faults and the reactions of light signals and signal contacts:
| Operating element | Status | Possible causes |
| Operation light signal green | off | • No supply voltage. • Control input “Ext. Off” opened. • Fault is present and has not yet been acknowledged. |
| flashing | • DP communication fault (only with double pump). | |
| Fault signal light “Stoppage” red | off | • No motor stoppage. |
| on | • Motor stoppage recognised. • Mechanical blockage of pump • Winding fault | |
| flashing | • Motor stoppage acknowledged, pump is in control loop 1). | |
| Fault signal light “Winding Overheat” red | off | • No overheat. |
| on | • Overheat recognised. • Pump overload • Winding fault • Unacceptable combination of medium temperature – ambient temperature | |
| flashing | • Overheat acknowledged, pump is in control loop 1). | |
| Operating signal contact | open | • No supply voltage. • Control input “Ext. Off” opened. • Fault is present and has not yet been acknowledged. |
| closed | • Pump functioning, no fault recognised. | |
| Fault signal contact | open | • Fault is present. • Pump is still in control loop 1). |
| closed | • Fault-free operation. | |
| Fault signal light “Stoppage” red | off | • No motor stoppage. |
| on | • Motor stoppage recognised. • Mechanical blockage of pump. • Winding fault. |
1) After acknowledging a fault, the Protect-Module C will be in a special control loop for up to 10 sec, depending on pump type and fault. If the fault is recognized again during this process, the pump returns to fault status. Table 1
- Double pump:
The relationships between possible faults and the reactions of light signals and signal contacts depend on the following factors: - Parametrization of signal contacts in individual operation/individual fault signal or joint operation/collective fault signal (function see Table 2)
- Allocation of “Ext. Off” control inputs to master and slave
Double pump operation
A Protect-Module C must be installed for each of the two pumps. The double pump functions on the Protect-Module C are:
- Main/Reserve operation with automatic switching to the standby reserve pump after 24 hours of real running time, the external control command “Ext. Off” interrupts the running time counter.
- Switching takes place through an overlap, i.e. at the time of switching, both pumps run simultaneously (for approx. 10 sec.). This avoids pressure surges and undersupply in cooling and air-conditioning systems for example.
- The DIP switch 1 (figure 2b, position 1) determines which pump is the master (MA) and which pump is the slave (SL) (function see Table 2).
- The DIP switch 2 (figure 2b, position 1) determines whether the signal contacts “SSM” and “SBM” are individual or collective signals (function see Table 2).
- In the case of a fault in the working pump, the system switches to the standby pump after approx. 3 sec.
| Single pump Double pump Master (MA) Slave (SL) | ||
| DIP Switch1: MA DIP Switch2: I Allocate terminals to Ext. Off | DIP Switch1: MA DIP Switch2: – Allocate terminals to Ext. Off | DIP Switch1: SL DIP Switch2: – Bridge terminals to Ext. Off |
| DIP Switch1: MA | DIP Switch1: MA | DIP Switch1: SL |
| DIP Switch2: I | DIP Switch2: I | DIP Switch2: – |
| SSM: Collective fault signal | SSM: Individual fault signal | SSM: Individual fault signal |
| for pump | for MA | for SL |
| DIP Switch2: I + II | DIP Switch2: – | |
| SSM: Collective fault signal | SSM: Individual fault signal | |
| for MA + SL | for SL | |
| DIP Switch1: MA | DIP Switch1: MA | DIP Switch1: SL |
| DIP Switch2: I | DIP Switch2: I | DIP Switch2: – |
| SBM: Individual operating | SBM: Individual operating | SBM: Individual operating |
| signal for pump | signal for MA | signal for SL |
| DIP Switch2: I + II | DIP Switch2: – | |
| SBM: Collective operating | SBM: Individual operating | |
| signal for MA + SL | signal for SL | |
| – : Setting of DIP switch not relevant | ||
Installation and electrical connection
Installation and electrical connection must be carried out in accordance with local regulations and only by qualified personnel.
WARNING! Danger of personal injury
The applicable regulations on the prevention of accidents must be observed. WARNING! Danger of electric shock
Potential dangers from electrical currents must be eliminated.
Local directives or general regulations [e.g. IEC, VDE etc.] and those issued by the local power supply company must be adhered to.
Installation and electrical connection of mains cable 


- Switch off power supply to pump,
CAUTION! Danger of damage to Protect-Module C
The module may only be plugged in and unplugged when the pump has been completely disconnected. - Loosen the terminal box lid screws on the pump,
- Remove terminal box lid,
- Pinch off power supply cable except the protective lead PE:
- EM version (1~230V): L, N
- DM version (3~400V) L1, L2, L3 (figure 2a)
- Remove plug strip with power supply terminals and connection terminals MP1/MP2 (figure 2b, position 5) with connection cables (figure 2b, position. 2.3) from the Protect-Module C. When removing, do not pull straight out, but begin at one corner of the plug strip,
- Apply the plug strip cables to the corresponding terminals on the pump ter-minal box (figure 2c, figure 3),
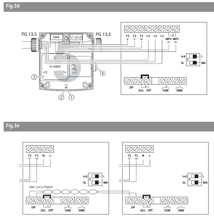
- Fit power supply cable to the plug strip, Table 3 shows the allocation of module types to the terminal diagrams.
Protect-Module C Terminal diagram Type 22 EM 3a Type 32-52 EM 3b Type 22 DM 3c Type 32-52 DM 3d 


- 8. Remove the plug strip with control and signal terminals (figure 2b, position 4) from the Protect-Module C. When removing, do not pull straight out, but begin at one corner of the plug strip,
- Dismantle cable connection (PG 9) of the Protect-Module C,
- Cut diaphragm seal,
- Thread individual parts of the cable connection onto the control cable (figure 2d),
- Pos. 1: Union connection Pos. 2: Seal
- Pos. 3: Strain relief
- Insert control cable through cable connection into Protect-Module C, 8.5 Assemble cable connection, fastening union nuts tightly enough so that the cable can no longer be pulled out of the cable connection by hand.
CAUTION! Danger of damage to Protect-Module C
An incorrectly assembled cable connection may lead to a short-circuit in the module due to water penetration. This is a particular danger in cold water installations in which condensation constantly forms.
- Fix control cable to the plug strip (figure 2 e),
- Plug the plug strip with control cable to the corresponding place in the Protect-Module C,
- Set DIP switch (figure 2b, position 1) in accordance with Table 2,
- Plug the Protect-Module C on to the plug strip with the power connections (figure 2f),
Note: Arrange power cables and leads so that they cannot be crushed when finally tightening the module installation.
In DM versions, it is essential before final tightening of the module installation to check the direction of rotation with the direction of rotation control lamp in the pump terminal box (figures 3c, 3d, position 1). - Arrange the Protect-Module C over the terminal box structure and screw to the domes of the terminal box using the screws provided, tighten screws evenly diagonally (figure 2g).
- Stages 1 to 4 are not required for a new installation. Power connection is made directly on the corresponding plug strip with power connection terminals and connection terminals MP1/MP2.
- For a double pump, as previously described, two Protect-Modules C must be fit-ted. For integrated dual pump management, the DP terminals of the two Pro-tect-Modules C must be connected to each other, see also figure 3e.
Electrical connection of control and signal clamps
For connection to a remote control centre or building automation, the following connections are provided:
- Ext. Off: Control input with “drive priority off” for potential-free normally closed contacts, contact charge 24V, 10 mA.
In dual pump operation, Ext. Off on the master must be assigned to a potential-free normally closed contact, and Ext. Off on the slave must remain bridged. The Ext. Off of the master works on the entire double pump, i.e. master and slave. - SBM: Programmable run signal, potential-free normally opened contact, maxi-mum contact capacity 250 VAC, 1 A.
- SSM: Programmable fault signal, potential-free normally closed contact, maxi-mum contact capacity 250 VAC, 1 A.
A serial interface is provided for integrated dual pump management: - DP: Interface for integrated dual pump management, the connection terminals cannot be twisted. The connection cable (2 x 0/75 mm2) must be provided on site. Wiring for all Protect-Modules is shown in the example in figure 3e.
Commissioning
CAUTION! Danger of damage to Protect-Module C
When commissioning, the Installation and operating instructions of the glandless circulation pump, types TOP-S/TOP-SD/TOP-Z must be observed. NOTE: Rotation control (only for three-phase motors)
In pumps with three-phase connection, before final tightening of the module installation, it is essential to check the direction of rotation with the direction of rotation control lamp in the pump terminal box (figures 3c, 3d, position 1).
When the Protect-Module C is fully installed, switch on power supply.
Maintenance
Maintenance and repair work must only be carried out by professionally qualified personnel.
WARNING! Danger of electric shock
Potential dangers from electrical currents must be eliminated.
During all maintenance and repair work, the pump must be disconnected from the power supply and secured against possible unauthorised reconnection.
Faults, causes and remedies
see paragraph 6.2
If an operating fault of the pump / the Protect-Module C / system cannot be corrected, please consult a professional technician or contact your nearest Wilo Customer Service point or representative.
Spare parts
Spare parts may be ordered through local professional technicians and/or Wilo Customer Service.
To avoid queries and order errors, all data on the rating plate must be given along with every order.
Subject to technical changes!
WILO AG
Nortkirchenstraße 100
44263 Dortmund
Germany
T +49 231 4102-0
F +49 231 4102-7363
www.wilo.com
Wilo-Protect-Modul C






















