Spare Parts List
IP Cleaning Srl – Gansow
Ref: LPTB03284
Model: FLOOR WASHER T581 ID/PH/TH/VN
T581ID FLOOR WASHER
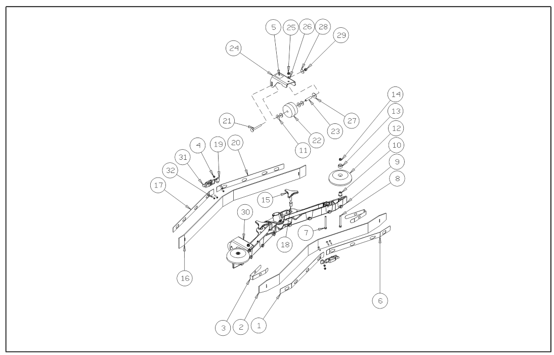
Table: MOTORWHEEL – DBDB10883
Progressive Number: 1

Ref. K | Part N. | Part N. 2 | Description | Quantity | Validity | Price | |
| From | To | ||||||
| 1 | MPVR06463 | 897365 | COVER, BRAKE ASSY | 1,00 | — | ||
| 2 | MEVR01757 | 9017808 | BRAKE ASSY, W/LEVER, COMPLETE | 1,00 | — | ||
| 3 | KTRI02294 | 897366 | RING, BRUSH HOLDER | 1,00 | — | ||
| 4 | RTRT00552 | 9017800 | TIRE, SOLID, PYU | 1,00 | — | ||
| 5 | MPVR06464 | 897367 | COVER, ALM | 1,00 | —- | ||
| 6 | VTVT01552 | N/A | SCREW. | 6,00 | — | ||
| 7 | VTVT01551 | N/A | SCREW. | 3,00 | — | ||
| 8 | MEVR34441 | 9017784 | VR, BRUSH, MOTOR, TRANSAXLE | 4,00 | — | ||
| 9 | MEVR02387 | 897368 | SENSOR, THERMAL | 1,00 | — | ||
| 10 | CUVR00220 | 897369 | BEARING, TRACTION, MOTOR | 1,00 | — | ||
Table: WATER TANK – DBDB11715
Progressive Number: 1

| Ref. K | Part N. | Part N. 2 | Description | Quantity | Validity | Price | |
| From | To | ||||||
| 1 | MPVR11871 | 897454 | TANK, SOLTN [2180SR] | 1,00 | — | ||
| 2 | FTAC00045 | 9017787 | SCREEN, SOLUTION | 1,00 | — | ||
| 3 | RCGR00078 | 9018454 | WATER, VALVE, SOLID | 1,00 | — | ||
| 4 | RCVR00514 | 897455 | CONNECTOR 1/2 M RESCA 15 | 1,00 | — | ||
| 5 | RCVR00594 | 897456 | CONNECTOR 1/2″ M/F | 1,00 | — | ||
| 6 | LAFN09393 | 897457 | BRACKET, WATER, FILE | 1,00 | — | ||
| 7 | VTRS00567 | 897458 | WASHER 1/2 | 2,00 | — | ||
| 8 | VTRS13750 | 897384 | WASHER D. 5X14 IN | 1,00 | — | ||
| 9 | VTVT01300 | 897459 | SCREW, M5X12, TE, INOX | 1,00 | — | ||
| 10 | MPVR10773 | 9017802 | CAP KIT, DRAIN PLUG W/GASKET | 1,00 | — | ||
| 11 | MPVR07131 | 897460 | TRAY, BATTERY, D.490X394X30 | 1,00 | — | ||
| 12 | LAFN09401 | 897461 | ROD, SEPT, TANK | 1,00 | — | ||
| 13 | GUVR00288 | 897462 | SEAL, SOLUTION, TANK | 0,80 | — | ||
| 19 | MPVR11497 | 897463 | CAP, SOLD, TANK | 1,00 | — | ||
| 22 | VTRS13946 | 897120 | WASHER, D.8X24, UNI6593, INOX | 2,00 | — | ||
| 23 | VTVT00410 | 897243 | SCREW TE M8x35 UNI5739 INOX | 2,00 | — | ||
| 25 | MECI00533 | 9017790 | SENSOR, LEVEL, LIQ | 1,00 | — | ||
| 26 | LAFN09408 | 897464 | BRACKET, ROD | 1,00 | — | ||
| 27 | VTVT01300 | 897459 | SCREW, M5X12, TE, INOX | 1,00 | 15/05/2018 | — | |
| 27 | VTVT01317 | 897658 | SCREW, M5X12, TSPEI, UNI5933 | 1,00 | 16/05/2018 | — | |
| 28 | GUGO01054 | 897465 | SEAL, ORG, 15,08D X 2,62 TH | 1,00 | — | ||
| 29 | LAFN11037 | 897466 | SCREEN, FILTER | 1,00 | — | ||
Table: FLOOR WIPER – DBDB12370
Progressive Number: 1

Ref. K | Part N. | Part N. 2 | Description | Quantity | Validity | Price | |
From | To | ||||||
| 1 | LAFN09275 | 897418 | STRAP, SQGE, XS, FRONT, RH | 1,00 | — | ||
| 2 | MPVR06539 | 9017759 | BLADE, SQGE, FRONT, 815L, LINATEX | 1,00 | — | ||
| 3 | MPVR05897 | 897116 | CLOSURE S | 2,00 | — | ||
| 4 | VTDD00210 | 9018496 | NUT M 3 AUTOBL.DIN 985 IX.A2 | 8,00 | — | ||
| 5 | ETET01817 | 897419 | LABEL | 2,00 | — | ||
| 6 | LAFN09276 | 897420 | STRAP, SQGE, XS, FRONT, LH | 1,00 | — | ||
| 7 | VTVT17342 | 897421 | SCREW TE M6X60 UNI5739 INOX | 2,00 | — | ||
| 8 | VTVT00655 | 897422 | SCREW, TE, M.6X55 | 2,00 | — | ||
| 9 | MFVR00143 | 897423 | FRAME, SQGE, XS | 1,00 | — | ||
| 10 | LAFN04100 | 897103 | SPACER, 6.00b 12.00d 16.5l, CPR | 2,00 | — | ||
| 11 | VTRS00274 | 897157 | WASHER NYLON 66 D. 84X17X2 | 4,00 | — | ||
| 12 | MPVR06105 | 897376 | WHEEL, BPMR, 80D X 22W | 2,00 | — | ||
| 13 | MPVR49229 | 897100 | SLEEVE, NYLON, 0,314b 0,72d 0,35l | 2,00 | — | ||
| 14 | VTDD01694 | 897138 | NUT M6 INOX | 2,00 | — | ||
| 15 | MPVR10569 | 9018577 | KNOB, SQGE, 3EAR | 2,00 | — | ||
| 16 | MPVR06540 | 9017760 | BLADE, SQGE, REAR, 815L, LINATEX | 1,00 | — | ||
| 17 | LAFN09277 | 897424 | STRAP, SQGE, XS, REAR, RH | 1,00 | — | ||
| 18 | VTVR00567 | 9018578 | BUSHING, INSERT, SAGE | 2,00 | — | ||
| 19 | LAFN09301 | 9018495 | HOOK, STRAP, SAGE | 2,00 | — | ||
| 20 | LAFN09278 | 897425 | STRAP, SQGE, XS, REAR, LH | 1,00 | — | ||
| 21 | VTVT01206 | 897426 | SCREW, M6X55 | 2,00 | — | ||
| 22 | RTRT00398 | 9018501 | WHEEL, 59,2D 22W 8,4B, GRAY | 2,00 | — | ||
| 23 | LAFN07589 | 897427 | SPACER, RND, 6B 8D 34,5L | 2,00 | — | ||
| 24 | LAFN09217 | 897428 | BRACKET, WHEEL, SQGE, LH | 1,00 | — | ||
| 25 | VTDD01694 | 897138 | NUT M6 INOX | 2,00 | — | ||
| 26 | VTRS00245 | 897106 | WASHER D.6 UNI 6592 INOX | 2,00 | — | ||
| 27 | VTRS16937 | 897305 | WASHER, M6X24, UNI6593, INOX | 2,00 | — | ||
| 28 | VTRS13945 | 897112 | WASHER D. 6X18 INX UNI 6593 | 2,00 | — | ||
| 29 | VTDD15518 | 897125 | NUT, M6, INOX | 2,00 | — | ||
| 30 | LAFN09216 | 897429 | BRACKET, WHEEL, SQGE, RH | 1,00 | — | ||
| 31 | LAFN09302 | 9018492 | LATCH, STRAP, SAGE | 2,00 | — | ||
| 32 | VTVT01070 | 9018497 | BOLT, STRAP, SAGE | 8,00 | — | ||
Table: TANK – DBDB12979
Progressive Number: 1

Ref. K | Part N. | Part N. 2 | Description | Quantity | Validity | Price | |
From | To | ||||||
| 1 | LAFN09275 | 897418 | STRAP, SQGE, XS, FRONT, RH | 1,00 | — | ||
| 2 | MPVR06539 | 9017759 | BLADE, SQGE, FRONT, 815L, LINATEX | 1,00 | — | ||
| 3 | MPVR05897 | 897116 | CLOSURE S | 2,00 | — | ||
| 4 | VTDD00210 | 9018496 | NUT M 3 AUTOBL.DIN 985 IX.A2 | 8,00 | — | ||
| 5 | ETET01817 | 897419 | LABEL | 2,00 | — | ||
| 6 | LAFN09276 | 897420 | STRAP, SQGE, XS, FRONT, LH | 1,00 | — | ||
| 7 | VTVT17342 | 897421 | SCREW TE M6X60 UNI5739 INOX | 2,00 | 03/07/2018 | — | |
| 8 | VTVT00655 | 897422 | SCREW, TE, M.6X55 | 2,00 | 04/07/2018 | — | |
| 9 | MFVR00143 | 897423 | FRAME, SQGE, XS | 1,00 | 03/07/2018 | — | |
| 10 | LAFN04100 | 897103 | SPACER, 6.00b 12.00d 16.5l, CPR | 2,00 | — | ||
| 11 | VTRS00274 | 897157 | WASHER NYLON 66 D. 84X17X2 | 4,00 | — | ||
| 12 | MPVR06105 | 897376 | WHEEL, BPMR, 80D X 22W | 2,00 | — | ||
| 13 | MPVR49229 | 897100 | SLEEVE, NYLON, 0,314b 0,72d 0,35l | 2,00 | — | ||
| 14 | VTDD01694 | 897138 | NUT M6 INOX | 2,00 | — | ||
| 15 | MPVR10569 | 9018577 | KNOB, SQGE, 3EAR | 2,00 | — | ||
| 16 | MPVR06540 | 9017760 | BLADE, SQGE, REAR, 815L, LINATEX | 1,00 | — | ||
| 17 | LAFN09277 | 897424 | STRAP, SQGE, XS, REAR, RH | 1,00 | — | ||
| 18 | VTVR00567 | 9018578 | BUSHING, INSERT, SAGE | 2,00 | — | ||
| 19 | LAFN09301 | 9018495 | HOOK, STRAP, SAGE | 2,00 | — | ||
| 20 | LAFN09278 | 897425 | STRAP, SQGE, XS, REAR, LH | 1,00 | — | ||
| 21 | VTVT01206 | 897426 | SCREW, M6X55 | 2,00 | — | ||
| 22 | RTRT00398 | 9018501 | WHEEL, 59,2D 22W 8,4B, GRAY | 2,00 | — | ||
| 23 | LAFN07589 | 897427 | SPACER, RND, 6B 8D 34,5L | 2,00 | 23/07/2020 | — | |
| 24 | LAFN09217 | 897428 | BRACKET, WHEEL, SQGE, LH | 1,00 | 24/07/2020 | 02/07/2021 | — |
| 25 | VTDD01694 | 897138 | NUT M6 INOX | 2,00 | 03/07/2021 | — | |
| 26 | VTRS00245 | 897106 | WASHER D.6 UNI 6592 INOX | 2,00 | — | ||
| 27 | VTRS16937 | 897305 | WASHER, M6X24, UNI6593, INOX | 2,00 | — | ||
| 28 | VTRS13945 | 897112 | WASHER D. 6X18 INX UNI 6593 | 2,00 | — | ||
| 29 | VTDD15518 | 897125 | NUT, M6, INOX | 2,00 | — | ||
| 30 | LAFN09216 | 897429 | BRACKET, WHEEL, SQGE, RH | 1,00 | — | ||
| 31 | LAFN09302 | 9018492 | LATCH, STRAP, SAGE | 2,00 | 24/07/2020 | — | |
| 32 | VTVT01070 | 9018497 | BOLT, STRAP, SAGE | 8,00 | 24/07/2020 | 02/07/2021 | — |
Table: HEAD – DBDB13071
Progressive Number: 1

Ref. K | Part N. | Part N. 2 | Description | Quantity | Validity | Price | |
From | To | ||||||
| 2 | VTRS13946 | 897120 | WASHER, D.8X24, UNI6593, INOX | 4,00 | — | ||
| 3 | LAFN04151 | 897370 | BUSHING, 8B 12D 14 | 2,00 | — | ||
| 4 | VTRS43258 | 897371 | WASHER, 13B 24D 2,5, NYL | 2,00 | — | ||
| 5 | LAFN09298 | 897372 | PLAT, ARM, SCB HEAD | 4,00 | — | ||
| 6 | LAFN09306 | 897373 | HEAD, SCB, 500MM | 1,00 | — | ||
| 8 | MOCC00344 | 9017686 | VR, BRUSH KIT, MOTOR, BRUSH [4 PC] | 1,00 | — | ||
| 8 | MOCC00431 | 9017765 | MOTOR, BRUSH, 24VDC | 1,00 | 1/9/2020 | — | |
| 8 | MOCC00480 | N/A | MOTOR | 1,00 | 2/9/2020 | 25/11/2020 | — |
| 8 | RDGR00052 | N/A | REDUCTION UNIT | 1,00 | 26/11/2020 | . | — |
| 9 | VTRS15144 | 897129 | WASHER D. 6 INX GRW UNI 1751 | 4,00 | — | ||
| 10 | VTVT13939 | 897287 | SCREW TE 6X20 UNI5739 IN | 4,00 | — | ||
| 11 | VTVR16617 | VTVR16617 | WEDGE 6X 6X30 UNI 6604 | 1,00 | — | ||
| 12 | MFVR00212 | 9017812 | HUB, DRIVE, BRUSH, DISK | 1,00 | — | ||
| 12 | MFVR00242 | N/A | DRIVE DISK CONICAL ALUMINIUM | 1,00 | — | ||
| 12 | MFVR00327 | N/A | DRIVE DISK CONICAL ALUM. | 1,00 | — | ||
| 13 | VTRS16323 | 897375 | WASHER, D. 8 X32, UNI6593, INOX | 1,00 | — | ||
| 14 | VTRS15146 | 897216 | WASHER, D. 8, GRW, UNI1751, INOX | 1,00 | — | ||
| 15 | VTVT13938 | 897316 | SCREW, TE, M8X20, UNI5739, INOX | 1,00 | — | ||
| 16 | MEEV00036 | 9017718 | VALVE, WATER, SOLENOID, 24VDC | 1,00 | — | ||
| 17 | VTRS00515 | 897156 | WASHER D. 4 INX | 2,00 | — | ||
| 18 | VTVT01158 | 897262 | SCREW, M4X16 | 3,00 | — | ||
| 19 | VTRS13947 | 897152 | WASHER, D.8, UNI6592, INOX | 6,00 | — | ||
| 20 | VTDD01695 | 897124 | NUT, M8, INOX | 5,00 | — | ||
| 21 | VTDD15521 | 897229 | NUT, M8, UNI5588, INOX, A2 | 1,00 | — | ||
| 22 | MPVR06105 | 897376 | WHEEL, BPMR, 80D X 22W | 1,00 | — | ||
| 23 | LAFN03915 | 897121 | BUSHING NUOVO RUOTINO STRONG | 1,00 | — | ||
| 24 | VTVT06241 | 897311 | SCREW, M8X40 | 1,00 | — | ||
| 25 | TBFX48011 | 897256 | TUBE FLEX D.12X3 ARMORV.PVC TR | 0,50 | — | ||
| 26 | FSVR00099 | 897137 | CLAMP FERMATUBO | 1,00 | — | ||
| 27 | SPPV01335 | N/A | PAD D.500 | 1,00 | — | ||
| 29 | VTVT13944 | 897377 | SCREW TCEI M8X20 UNI5931 INOX | 2,00 | — | ||
| 31 | VTRS43258 | 897371 | WASHER, 13B 24D 2,5, NYL | 8,00 | — | ||
| 32 | LAFN04151 | 897370 | BUSHING, 8B 12D 14 | 4,00 | — | ||
| 33 | VTRS13946 | 897120 | WASHER, D.8X24, UNI6593, INOX | 4,00 | — | ||
| 34 | VTVT00410 | 897243 | SCREW TE M8x35 UNI5739 INOX | 4,00 | — | ||
| 35 | RCDS35584 | 897378 | BUSHING, 8B 12D 4,3 | 4,00 | — | ||
| 36 | VTVT01209 | 897379 | SCREW, TE, M8X80 | 1,00 | — | ||
| 37 | VTDD01695 | 897124 | NUT, M8, INOX | 4,00 | — | ||
| 38 | MOCC00423 | 9017805 | ACTUATOR, BRUSH HEAD, 24VDC | 1,00 | 30/07/2019 | — | |
| 38 | MOCC00424 | 9017803 | ACTUATOR, SQGE, 24VDC | 1,00 | 29/07/2019 | — | |
| 39 | LAFN09320 | 897380 | PIN, ACTUATOR, 8D X 115L | 1,00 | — | ||
| 40 | LAFN47168 | LAFN47168 | BELT-STRETCHER ALTERNATOR TK1400 | 2,00 | — | ||
| 41 | VTVT07725 | 897145 | SCREW TE 5X16 UNI5739 IN | 3,00 | — | ||
| 42 | LAFN09405 | 897382 | BRACKET | 1,00 | — | ||
Table: HEAD – DBDB13071
Progressive Number: 1

| Ref. K | Part N. | Part N. 2 | Description | Quantity | Validity | Price | |
| From | To | ||||||
| 43 | MPVR06402 | 897383 | FLAP | 1,00 | — | ||
| 44 | VTDD01693 | VTDD01693 | NUT, M5, INOX | 3,00 | — | ||
| 45 | VTRS13750 | 897384 | WASHER D. 5X14 IN | 3,00 | — | ||
| 46 | MPVR10602 | 897385 | DRIVE DISK TESTATA | 2,00 | — | ||
| 47 | VTRS15913 | 897204 | WASHER D. 4 GROVER A2 UNI1751 | 1,00 | — | ||
| 48 | MLML00328 | 897314 | SPRING RETAINING, BRUSH DRIVER | 1,00 | 1/9/2020 | — | |
| 48 | MLML00350 | N/A | SPRING ALUM. CONICAL DRIVER | 1,00 | 2/9/2020 | — | |
| 49 | VTVT21887 | 897313 | SCREW, TCB, TC, M4X10 | 1,00 | — | ||
Table: FRAME – DBDB13118
Progressive Number: 1

| Ref. K | Part N. | Part N. 2 | Description | Quantity | Validity | Price | |
| From | To | ||||||
| 1 | LAFN09292 | 897386 | FRAME [2180SR] | 1,00 | — | ||
| 2 | LAFN11171 | 897387 | SUPPORT, WDLT, STEERING [2180SR] | 1,00 | — | ||
| 3 | CUVR75816 | 897388 | BEARING 51112 | 1,00 | — | ||
| 4 | CUVR00094 | 897389 | BEARING 32004 TIPO SKF | 1,00 | — | ||
| 5 | LAFN09293 | 897390 | PLATE, RND, STEERING, CONTROL | 1,00 | — | ||
| 6 | MOCC00433 | 9017807 | DRIVE ASSY, WHEEL | 1,00 | — | ||
| 7 | RTRT00547 | 9017809 | WHEEL, SCRBR, 250MM X 60MM | 2,00 | — | ||
| 8 | VTAE06193 | 897280 | CIRCLIP, D. 20, UNI7435 | 2,00 | — | ||
| 9 | VTRS15524 | 897391 | WASHER D.10 | 2,00 | — | ||
| 10 | VTRS15909 | 897392 | WASHER D.10 | 2,00 | — | ||
| 11 | VTVT03640 | 897393 | SCREW, TE, M10X25, UNI5740 | 2,00 | — | ||
| 12 | VTVT00790 | 897394 | SCREW, TSPEI, M8X16 | 4,00 | — | ||
| 13 | CUVR00105 | 897283 | SUPPORT | 1,00 | — | ||
| 14 | VTRS13947 | 897152 | WASHER, D.8, UNI6592, INOX | 2,00 | — | ||
| 15 | VTRS15146 | 897216 | WASHER, D. 8, GRW, UNI1751, INOX | 2,00 | — | ||
| 16 | VTVT15916 | 897184 | SCREW, TE, M8X16, UNI5739, A2 | 2,00 | — | ||
| 17 | LAFN09294 | 897395 | SHAFT, STEERING | 1,00 | — | ||
| 18 | LAFN06377 | 897396 | SPROCKET, STEERING | 1,00 | — | ||
| 19 | VTRS16937 | 897305 | WASHER, M6X24, UNI6593, INOX | 1,00 | — | ||
| 20 | VTRS15144 | 897129 | WASHER D. 6 INX GRW UNI 1751 | 1,00 | — | ||
| 21 | VTVT15143 | 897128 | SCREW TE 6X16 UNI5739 | 1,00 | — | ||
| 22 | VTDD01695 | 897124 | NUT, M8, INOX | 4,00 | — | ||
| 23 | VTVT13938 | 897316 | SCREW, TE, M8X20, UNI5739, INOX | 4,00 | — | ||
| 24 | VTVR00057 | 897397 | JOINT, STEERING | 1,00 | — | ||
| 25 | LAFN75841 | 897398 | BUSHING, 15B 24D 17.5 | 2,00 | — | ||
| 26 | ALTR00097 | 897399 | SHAFT, STEERING, WHEEL | 1,00 | — | ||
| 27 | MPVR47027 | 897400 | WHEEL, STEERING 320MM | 1,00 | — | ||
| 28 | VTRS44254 | 897401 | WASHER, M10X40X2,5, UNI6593, ZB | 1,00 | — | ||
| 29 | VTVT00455 | 897402 | SCREW, TE, M10X20, UNI5739 | 1,00 | — | ||
| 30 | VTRS00274 | 897157 | WASHER NYLON 66 D. 84X17X2 | 2,00 | — | ||
| 31 | VTVT01677 | 897403 | SCREW, TE, M8X100 | 1,00 | — | ||
| 32 | VTRS00019 | 897288 | WASHER, UNI6592, FORO 20, INOX | 1,00 | — | ||
| 33 | LAFN08156 | 897404 | CHANNEL, ARM, SAGE | 1,00 | — | ||
| 34 | LAFN09231 | 897251 | BRACKET, M6X11X29 | 1,00 | — | ||
| 35 | VTDD15520 | 897405 | NUT M 6 A2 UNI 5588 IN | 2,00 | — | ||
| 36 | VTRS00245 | 897106 | WASHER D.6 UNI 6592 INOX | 2,00 | — | ||
| 37 | VTDD01694 | 897138 | NUT M6 INOX | 2,00 | — | ||
| 38 | VTVT13939 | 897287 | SCREW TE 6X20 UNI5739 IN | 1,00 | — | ||
| 39 | LAFN06844 | 897406 | SPACER, RND, 6,5B 12D 10 | 5,00 | — | ||
| 40 | VTVT25909 | 897407 | SCREW M6X25 TSPEI UNI5933 | 5,00 | — | ||
| 41 | MPVR51068 | 897408 | BELLOWS, SHAFT, STEERING | 0,50 | — | ||
| 42 | MLML34767 | 897409 | SPRING D.10.2 X20 | 1,00 | — | ||
| 43 | VTDD00524 | 897410 | NUT, HEX, M20 X 1,5 | 2,00 | — | ||
| 44 | LAFN09320 | 897380 | PIN, ACTUATOR, 8D X 115L | 1,00 | — | ||
Table: FRAME – DBDB13118
Progressive Number: 1

| Ref. K | Part N. | Part N. 2 | Description | Quantity | Validity | Price | |
| From | To | ||||||
| 45 | MOCC00424 | 9017803 | ACTUATOR, SQGE, 24VDC | 1,00 | — | ||
| 46 | LAFN09407 | 897411 | SPACER, RND, 8B 10D 5,9 | 1,00 | — | ||
| 47 | LAFN08233 | 897412 | SUPPORT | 1,00 | — | ||
| 48 | VTRS13947 | 897152 | WASHER, D.8, UNI6592, INOX | 1,00 | — | ||
| 49 | VTDD01695 | 897124 | NUT, M8, INOX | 1,00 | — | ||
| 50 | VTVT00307 | 897413 | SCREW, TCEI, M10X30 | 1,00 | — | ||
| 51 | VTDD15519 | 897414 | NUT M10 INOX | 1,00 | — | ||
| 52 | LAFN09409 | 897415 | BRAKE | 1,00 | — | ||
| 53 | MPVR06421 | 897416 | SPACER | 1,00 | — | ||
| 54 | MPVR05951 | 897417 | CAP, WHEEL, PYP | 2,00 | — | ||
| 55 | VTVT00817 | 897453 | SCREW TE M4x12 UNI 5739 INOX | 1,00 | — | ||
| 56 | MPVR02933 | 897334 | DUCT LOCK D.9,5 | 1,00 | — | ||
| 57 | VTVT15141 | 897532 | SCREW TE M 6X 25 UNI 5739 IN | 1,00 | — | ||
| 58 | VTRS00245 | 897106 | WASHER D.6 UNI 6592 INOX | 1,00 | — | ||
| 59 | VTDD01700 | 897105 | NUT M6 INOX+ZIN. | 1,00 | — | ||
| 60 | VTDD00055 | 897276 | NUT M 4 ATB A2 | 1,00 | — | ||
| 61 | VTVT01158 | 897262 | SCREW, M4X16 | 1,00 | — | ||
| 62 | VTRS15913 | 897204 | WASHER D. 4 GROVER A2 UNI1751 | 1,00 | — | ||
| 63 | VTRS00017 | WASHER STEEL INOX 4X12 | 1,00 | — | |||
| 64 | FSVR00099 | 897137 | CLAMP FERMATUBO | 1,00 | — | ||
| 65 | MPVR12940 | N/A | GUIDE. | 1,00 | — | ||
| 66 | FSVR00049 | N/A | CLAMP 4,5×200 black | 1,00 | — | ||
| 67 | MEVR00686 | 897556 | FAIR, LEAD DIAMETER 15.5 | 1,00 | — | ||
| 68 | MEVR02096 | 897363 | FAIR, LEAD | 1,00 | — | ||
| 69 | VTRS15144 | 897129 | WASHER D. 6 INX GRW UNI 1751 | 1,00 | — | ||
| 70 | VTVT15906 | 897130 | SCREW, TE, M6X12, UNI5739, A2 | 1,00 | — | ||
| 71 | VTVT13938 | 897316 | SCREW, TE, M8X20, UNI5739, INOX | 1,00 | — | ||
| 72 | VTRS13947 | 897152 | WASHER, D.8, UNI6592, INOX | 1,00 | — | ||
| 73 | VTVT00717 | 897352 | SCREW, TCEI, M.6X16 | 1,00 | — | ||
| 74 | VTRS15144 | 897129 | WASHER D. 6 INX GRW UNI 1751 | 1,00 | — | ||
| 75 | VTRS16937 | 897305 | WASHER, M6X24, UNI6593, INOX | 1,00 | — | ||
| 76 | MPVR12936 | N/A | CRANKCASE. | 1,00 | — | ||
Table: DRAIN HOSE – DBDB13258
Progressive Number: 1

| Ref. K | Part N. | Part N. 2 | Description | Quantity | Validity | Price | |
| From | To | ||||||
| 1 | LAFN11623 | N/A | SUPPORT. | 1,00 | — | ||
| 2 | MPVR05280 | 897266 | CLIP, M25 | 1,00 | — | ||
| 3 | RCVR00590 | 897271 | CONNECTOR 1/2 M RESCA 15 | 1,00 | — | ||
| 4 | TBBP00743 | 897656 | HOSE, DRAIN, SALT | 1,00 | — | ||
| 5 | GUGO00268 | 897270 | GASKET D.21 SP.3 GOMMA | 1,00 | — | ||
| 6 | RCVR00353 | 897269 | CAP 1/2″G X ELETTROV. ACL | 1,00 | — | ||
| 7 | VTRS00515 | 897156 | WASHER D. 4 INX | 1,00 | — | ||
| 8 | VTVT00877 | N/A | SCREW TSPEI M 4X20 INX UNI5933 | 1,00 | — | ||
| 9 | VTDD15925 | 897160 | NUT, M4, INOX, ZN | 1,00 | — | ||
| 10 | RCVR00795 | 897360 | FITTING, PLASTIC, 3/4 | 1,00 | — | ||
| 11 | MPVR07077 | 897361 | CRANKCASE FRONTALE 705 GRIGIO | 1,00 | — | ||
| 12 | FSVR00428 | 897362 | CLAMP, HOSE, WORMDRIVE, 12- 20D | 2,00 | — | ||
| 13 | MEVR02096 | 897363 | FAIR, LEAD | 1,00 | — | ||
| 14 | FSVR00043 | 897364 | CLAMP, STL, 16D, INSULATED | 1,00 | — | ||
| 15 | VTRS13945 | 897112 | WASHER D. 6X18 INX UNI 6593 | 4,00 | — | ||
| 16 | VTVT13939 | 897287 | SCREW TE 6X20 UNI5739 IN | 1,00 | — | ||
| 17 | VTDD01694 | 897138 | NUT M6 INOX | 1,00 | — | ||
| 18 | VTRS00119 | N/A | WASHER UN.SCREW BLACK | 1,00 | — | ||
Table: ELECTRI.INSTAL. – DBDB13561
Progressive Number: 1

| Ref. K | Part N. | Part N. 2 | Description | Quantity | Validity | Price | |
| From | To | ||||||
| 2 | MPVR11937 | N/A | BASE CT80 ACCELERATOR | 1,00 | — | ||
| 0003 S | MPVR07122 | 897468 | PLATE | 1,00 | — | ||
| 0004 S | MEVR01755 | 9017795 | SENSOR, POSITION, DRIVE | 1,00 | — | ||
| 5 | MPVR11940 | N/A | SUPPORT CT80 ACCELERATOR | 1,00 | — | ||
| 6 | MPVR11938 | N/A | COVER CT80 ACCELERATOR | 1,00 | — | ||
| 7 | MPVR11939 | N/A | PEDAL CT80 ACCELERATOR | 1,00 | — | ||
| 0008 S | MLML00476 | 9017810 | SPRING, PEDAL | 1,00 | — | ||
| 0009 S | MECI00414 | 9017797 | SWITCH, ACCELERATOR | 1,00 | — | ||
| 10 | VTRS00516 | 897166 | WASHER, D. 5, INOX | 4,00 | — | ||
| 11 | VTVT48694 | VTVT48694 | SCREW TCB TC 5 X12 UNI 9707 TZ | 4,00 | — | ||
| 12 | RCVR00163 | 897474 | CAP D.6 | 1,00 | — | ||
| 13 | VTVT01703 | 897475 | GRUB, SCREW, M4X8 | 1,00 | — | ||
| 14 | VTRS00516 | 897166 | WASHER, D. 5, INOX | 1,00 | — | ||
| 15 | VTVT45339 | 897476 | SCREW, M5X16, TBCE, ISO7380, ZB | 1,00 | — | ||
| 16 | LAFN08131 | 897477 | PLATE | 1,00 | — | ||
| 17 | MPVR12902 | N/A | CRANKCASE FRONTAL PT80 BLUE | 1,00 | — | ||
| 18 | MECE00589 | 9017823 | CIRCUIT BOARD, DISPLAY PANEL | 1,00 | — | ||
| 19 | MECI75805 | 1017696 | KEY SET, REPLMT [F/ KEYSWITCH 1011402] | 1,00 | — | ||
| 20 | ETET20277 | 897479 | LABEL, DISPLAY [2180SR] | 1,00 | — | ||
| 21 | VTVR41809 | 897480 | UND.SCREW FLAN. D. 6.5, 22 H4.5 NYL.NERO | 4,00 | — | ||
| 22 | VTVT00869 | N/A | SCREW TSPEI M.6-60 INOX A2 | 2,00 | — | ||
| 23 | GUVR00322 | 897482 | GASKET | 1,00 | — | ||
| 24 | VTVT15937 | 897483 | SCREW, TSPEI, M5X20, UNI5933, INOX | 4,00 | — | ||
| 25 | VTVT01377 | 897484 | SCREW TSP, TC M3X5 UNI7688 INOX | 5,00 | — | ||
| 26 | VTVR00576 | 897485 | SPACER M3 | 5,00 | — | ||
| 27 | VTRS00385 | N/A | WASHER UNI 6592 3,2X7X0,5 INOX | 5,00 | — | ||
| 29 | VTDD00210 | 9018496 | NUT M 3 AUTOBL.DIN 985 IX.A2 | 5,00 | — | ||
| 30 | VTRS15523 | 897432 | WASHER, D. 10X21, UNI6592, INOX | 2,00 | — | ||
| 31 | VTVT26818 | 897486 | SCREW M6X45 TSPEI UNI5933 | 1,00 | — | ||
| 32 | VTVT30247 | 897487 | SCREW, TSPEI, M6X50, UNI5933 | 1,00 | — | ||
| 33 | LAFN09398 | 897488 | BRACKET | 1,00 | — | ||
| 34 | MPVR07165 | 897489 | SPACER | 2,00 | — | ||
| 35 | VTVR00556 | 897490 | RIVET | 2,00 | — | ||
| 36 | LAFN09399 | 897491 | BRACKET | 1,00 | — | ||
| 37 | VTRS00245 | 897106 | WASHER D.6 UNI 6592 INOX | 1,00 | — | ||
| 38 | LAFN09322 | 897659 | BRACKET, MTG, CIRCUIT BOARD | 1,00 | — | ||
| 39 | VTVT00423 | 897492 | SCREW, TE, M5X30, UNI5739 | 2,00 | — | ||
| 40 | MPVR07164 | 897493 | SPACER | 2,00 | — | ||
| 41 | MPVR07141 | 897494 | PLATE | 1,00 | — | ||
| 42 | VTRS00516 | 897166 | WASHER, D. 5, INOX | 2,00 | — | ||
| 43 | VTDD01693 | VTDD01693 | NUT, M5, INOX | 2,00 | — | ||
| 44 | LAFN09321 | 897495 | LEVER | 1,00 | — | ||
| 45 | LAFN09350 | 897496 | PIN | 2,00 | — | ||
| 46 | VTDD07727 | 897497 | NUT, M5, INOX | 2,00 | — | ||
Table: ELECTRI.INSTAL. – DBDB13561
Progressive Number: 1 
| Ref. K | Part N. | Part N. 2 | Description | Quantity | Validity | Price | |
| From | To | ||||||
| 47 | VTRS13750 | 897384 | WASHER D. 5X14 IN | 1,00 | — | ||
| 48 | VTRS13750 | 897384 | WASHER D. 5X14 IN | 2,00 | — | ||
| 49 | MECE00738 | 897498 | BOARD POWER SERVICE | 1,00 | — | ||
| 52 | MECE00590 | 897500 | BOARD | 1,00 | — | ||
| 54 | VTVT16939 | 897502 | SCREW, M4X16, TSPEI, UNI5933 | 2,00 | — | ||
| 55 | VTRS00515 | 897156 | WASHER D. 4 INX | 2,00 | — | ||
| 56 | VTDD00055 | 897276 | NUT M 4 ATB A2 | 2,00 | — | ||
| 57 | LAFN09323 | 897503 | TUBE | 1,00 | — | ||
| 58 | MEVR02096 | 897363 | FAIR, LEAD | 1,00 | — | ||
| 59 | VTVT00414 | 897504 | SCREW TE M6X100 UNI5739 | 1,00 | — | ||
| 60 | VTDD01694 | 897138 | NUT M6 INOX | 1,00 | — | ||
| 61 | VTVT00704 | 897195 | SCREW, TE, M4X16, UNI5739, INOX | 4,00 | — | ||
| 62 | VTDD15925 | 897160 | NUT, M4, INOX, ZN | 4,00 | — | ||
| 63 | CMCV00471 | 897505 | CABLE | 1,00 | — | ||
| 64 | ETET01825 | 897506 | LABEL | 1,00 | — | ||
| 65 | VTDD00053 | 897250 | NUT, M6, UNI5589, INOX | 1,00 | — | ||
| 66 | VTVR41809 | 897480 | UND.SCREW FLAN. D. 6.5, 22 H4.5 NYL.NERO | 2,00 | — | ||
| 67 | VTVT29523 | 897507 | SCREW, TSPEI, M6X35, UNI5933 | 2,00 | — | ||
| 68 | VTRS00060 | 897508 | WASHER, M5,3×14,5×3,2 | 4,00 | — | ||
| 69 | VTVT13940 | 897277 | SCREW, TSPEI, M6X20, UNI5933 | 2,00 | — | ||
| 70 | KTRI02290 | 897509 | CABLE BATTERY, ANDERSON+FUS. | 1,00 | — | ||
| 71 | MEVR32087 | 9017819 | FUSE 100A NST. | 1,00 | — | ||
| 72 | MEVR00644 | MEVR00644 | FUSE, 030A | 1,00 | — | ||
| 73 | MEVR00644 | MEVR00644 | FUSE, 030A | 1,00 | — | ||
| 74 | MEVR00644 | MEVR00644 | FUSE, 030A | 1,00 | — | ||
| 75 | MEVR00565 | 9017817 | FUSE, 005A | 1,00 | — | ||
| 76 | MEVR00565 | 9017817 | FUSE, 005A | 1,00 | — | ||
| 77 | MEVR01621 | 897511 | PLUG | 1,00 | — | ||
| 78 | MEVR31036 | 897512 | FUSE, HOLDER | 1,00 | — | ||
| 79 | MECB02210 | N/A | WIRING. | 1,00 | — | ||
| 80 | MEVR02097 | 897514 | CARD, SD | 1,00 | — | ||
| 81 | MEVR34820 | 897205 | WIRING BATTERY BRIDGE W/TERMINAL | 1,00 | — | ||
| 82 | MECB01908 | 897660 | WIRING, DIODE, FILTER | 1,00 | — | ||
| 83 | VTVT01594 | N/A | SCREW VITE TSPC 3×12 | 4,00 | — | ||
| 84 | MPVR11928 | N/A | GASKET BRAKE PEDAL CT80 | 1,00 | — | ||
| 85 | MPVR11933 | N/A | GASKET CT80 ACCELERATOR | 1,00 | — | ||
| 87 | VTVT07725 | 897145 | SCREW TE 5X16 UNI5739 IN | 2,00 | — | ||
| 88 | VTDD07727 | 897497 | NUT, M5, INOX | 2,00 | — | ||
| 89 | MEVR02666 | N/A | FUSE CARRIER DIN | 1,00 | — | ||
| 90 | VTDD01693 | VTDD01693 | NUT, M5, INOX | 2,00 | — | ||
| 91 | MEVR01132 | N/A | FUSE A LAMA 5 A. | 1,00 | — | ||
| 92 | MEVR01132 | N/A | FUSE A LAMA 5 A. | 1,00 | — | ||
| 93 | MEVR00584 | MEVR00584 | FUSE 3A | 1,00 | — | ||
| 94 | MEVR00584 | MEVR00584 | FUSE 3A | 1,00 | — | ||
Table: ELECTRI.INSTAL. – DBDB13561
Progressive Number: 1

| Ref. Part N. | Part N. 2 | Description | Reference | Price |
| KTRI02313 | TEN033 | CIRCUIT BOARD, MAIN | 49 | — |
| PMVR01531 | TEN033 | PEDAL, ASSY [2180SR] | 0002 0003 0004 0005 0006 0007 0008 0009 | — |
Selected Part: LPTB03284
– N/A – Contact Customer Service
















