JUICE GOOSE SRA 20000 UPS Battery Backup

Thank you for purchasing this power protection product. It has been de-signed and manufactured to provide many years of trouble free service. Please read this manual before installing your SRA Series UPS, (SRA 07500, SRA 10000, SRA 15000, SRA 20000) as it provides important information that should be followed during the installation and the main-tenance of the UPS system allowing you to correctly set up your sys-tem for the maximum safety and performance. Included is information on customer support and factory service, if it is required. If you experi-ence a problem with the UPS system please refer to the Troubleshoot-ing guide in this manual to correct the problem or collect enough infor-mation to assist technical support if that becomes necessary.
CAUTION! The maximum ambient operating temperature for this UPS series is 40°C (“0 ~ 40°C” for Ambient Operation).
IMPORTANT SAFETY INSTRUCTIONS SAVE THESE INSTRUCTIONS
- The external vents and openings on the UPS are provided for ventilation. To ensure reliable operation of the UPS and to protect the UPS from over- heating, these vents and openings must not be blocked or covered. Do not insert any object into any of the vents or openings that may hinder the ventilation.
- Install the UPS system in a well ventilated area, away from excess moisture, heat, dust, flammable gas or explosives.
- Leave adequate space (at least 20cm) at the front and rear of the UPS system for proper ventilation.
- Do not mount the UPS system with its front or rear panel facing down at any angle.
- Before usage, you must allow the UPS system to adjust to roo temperature (20°C~25°C or 68°F~77°F) for at least one hour to avoid moisture condensing inside the UPS.
CAUTION! This UPS series is ONLY intended to be installed in an indoor temperature controlled environment that is free of conductive contaminants. This UPS series is not intended for use in a computer room as defined in the Standard for the Protection of Electronic Computer/ Data Processing Equip- ment ANSI/NFPA 75.
CAUTION! Connect the UPS to a two pole, three wire, grounded, utility power AC wall outlet. The receptacle must be connected to the appropriate branch protection (circuit breaker or fuse). Connection to any other type of receptacle may result in a shock hazard and violate local electrical codes. Do not use extension cords, adapter plugs, or surge strips.
CAUTION! To reduce the risk of fire, connect only to a utility power circuit provided with 20 amperes maximum branch circuit over-current protection in accordance with the National Electric Code, ANSI/NFPA 70.
CAUTION! To reduce the risk of electrical shock with the installation of this UPS equipment and the connected equipment, the user must ensure that the combined sum of the AC leakage current does not exceed 3.5mA.
CAUTION! To reduce the risk of electrical shock in conditions where the load equipment grounding cannot be verified, disconnect the UPS from the AC wall outlet before installing a computer interface cable. Reconnect the power cord only after all signaling connections are made
WARNING: This Uninterruptible Power Supply contains potentially hazardous voltages. Do not attempt to disassemble the UPS beyond the battery replacement procedure. This UPS contains no user serviceable parts. Re- pairs and battery replacement must be performed by QUALIFIED SERVICE PERSONNEL ONLY.
WARNING: Qualified Service Personnel ONLY must perform the installation and servicing of these UPS systems. J u i c e G o o s e accepts no liabilities for personal injury or damages to the UPS or the connected equipment caused by the incorrect installation or servicing of the UPS system
WARNING: Risk of Electrical Shock. Hazardous live parts inside these power supplies are energized from the battery even when the AC input is disconnected.
CAUTION! DO NOT USE THE MOUNTING BRACKETS TO LIFT THE UPS. The mounting brackets are ONLY for securing the UPS to the rack.
NOTE: These UPSs are shipped with the batteries disconnected. The batteries must be connected before putting these UPSs into service. Refer to Section 3 “Installation” for connecting the batteries. To de-energize the outputs of the UPS:
- If the UPS is on, press and release the On/Off/Test button during the audible alarm’s first beep to turn the UPS off.
- Disconnect the UPS from the AC wall outlet.
- To de-energize the UPS completely, disconnect the battery.
ON / OFF / TEST BUTTON:
When the UPS is connected to an AC source and there is an acceptable AC voltage present; Press and then release the On/Off/Test button during the audible alarm’s first beep to turn the UPS on. UPS will provide an output and the load will be powered. Then the UPS will perform a five second self-test. Once the UPS has passed its self-test the UPS will be ready for normal operation. When the UPS is in the AC mode; Press and then release the On/ Off/Test button during the audible alarm’s first beep to turn the UPS off. To perform a ten-second self-test: With the UPS in the AC mode, press and hold the On/Off/Test button until the audible alarm sounds four beeps, and then release. During the test, the UPS will switch to the Battery mode, the On-Battery icon will illuminate and the audible alarm will sound.
NOTICE: The output of this device is not sinusoidal. It has voltage total harmonic distortion and maximum single harmonic distortion as indicated, below.
| Model | SRA 07000 | SRA 10000 | SRA 15000 | SRA 20000 |
| Total Harmonic | 31.3% | 30.3% | 37.2% | 35.6% |
| Single Harmonic | 14.5% | 14.9% | 18.7% | 15.7% |
NOTICE: This equipment has been tested and found to comply with the limits for a Class A and/or B computing device in accordance with the specifications in Subpart J of Part 15 of FCC Rules and the Class A and/or B limits for radio noise emissions from digital apparatus set out in the Radio Interference of the Canadian Department of Communica-tions. These limits are designed to provide reasonable protection against such interference. This equipment generates and uses radio frequency and if not installed and used in strict accordance with the manufacturer’s instructions, this equipment may cause interference to radio and television reception. If this equipment does cause interfer-ence to radio or television reception the user is encouraged to move this equipment away from the device experiencing the interference, plugg this device or the other equipment into different power outlets or use shielded communications cables.
Receiving Inspection
After removing your UPS from its carton, it should be inspected for damage that may have occurred in shipping. Immediately notify the carrier and place of purchase if any damage is found. Claims for dam-age caused by the carrier will not be honored by the manufacturer. The packing materials that your UPS was shipped in are carefully designed to minimize any shipping damage. In the unlikely case that the UPS needs to be returned to the manufacturer, please use the original packing material.
Life Support Policy
Juice Goose products are not designed for use related to life support, direct patient care or any other similar medical or critical application. Such use is not recommended or approved by Juice Goose.
CONTROLS AND INDICATORS


- The AC mode icon illuminates when the UPS is on and operating in the AC mode. The AC mode icon will extinguish when operating in the Battery mode. The AC mode icon will blink when the UPS is operating in the AVR (voltage regulating) mode.
- The On-Battery icon will illuminate when the UPS is operating in the] Battery mode. It will extinguish when utility power resumes and the UPS is in AC mode.
- The Weak/Bad Battery icon illuminates when the UPS detects a weak] battery, a bad battery or a disconnected battery.
- The Site Wiring icon illuminates and the Site Wiring Fault error code will be displayed when the UPS detects a site wiring problem. The SWF icon is extinguished when the UPS is connected to proper site wiring.
- The Fault icon illuminates and the appropriate error code will be displayed when the UPS detects an internal fault.

- The load capacity bar graph displays the amount of load connected to the UPS in Battery or AC mode as 20%, 40%, 60%, 80% or 100%
- When the amount of load attached to the UPS exceeds 110% of its power rating; the Overload and Fault icons will flash Off and On, the Overload] error code will be displayed and the UPS will sound a constant alarm to indicate that there is an Overload condition.
- The battery capacity bar graph displays the amount of battery capacity available as 20%, 40%, 60%, 80% or 100%.
- When the UPS is off, press and then release the On/Off/Test button during the audible alarm’s first beep to turn the UPS on.
- When the UPS is on, press and then release the On/Off/Test button during the audible alarm’s first beep to turn the UPS off.
- When the UPS is in the AC mode, press and hold the On/Off/Test button until the audible alarm sounds four beeps, then release. The UPS will perform a 10-second Self-Test.
- When the unit is operating in Battery mode, pressing the Alarm Silencerbutton will silence the audible alarm. Once the UPS reaches the LBW (Low Battery Warning) threshold the audible alarm will be re-activated.
- The audible alarm cannot be silenced during the LBW alarm. Once the UPS transfers to the AC mode the audible alarm will be reset to default.
- The Scroll button allows the user to scroll through the UPS parameters on the LCD display.
Parameters
- Input Voltage and Frequency
- Output Voltage and Frequency
- Connected load KVA and KW
- Estimated Runtime (minutes) – AC mode and Battery mode
NOTE: The LCD backlight will illuminate for 20-seconds when the UPS switches to the Battery mode and then turn off. When the UPS has an event and/or an error code the LCD backlight will turn on and remain on to alert the user that an event has occurred.
REAR PANEL

- The ten foot input power cord is for connecting the UPS to utility power. Do not use an extension cord with a UPS.
- The input circuit breaker will trip in the event the load exceeds the UPS’s power rating.
- Coax connectors are for transient voltage surge suppression for cable modem, CATV converter, DSS receiver or DVR.
- The fan is for ventilation. NOTE: The fan only operates during the battery mode and the AVR mode.
- The USB Communications Port is for UPS monitoring and control.
- The Battery Backup output receptacles. The output receptacles are electrically wired into two segments to support the “Load Shed ding Function” (Labeled Load 1 & Load 2).
- The Always On Battery Backup output receptacles (Labeled Always On) does not support the “Load Shedding Function”. NOTE: The locking receptacle is only on the SRA 20000 model.
- The option slot is for option cards.
- The rackmount brackets are for mounting the UPS to the rack.
- The RJ11/45 modular connectors are used for transient voltage surge suppression for 10/100/1000 Base-T Network/single line Phone/Fax/Modem.
- The RJ11 EPO (Emergency Power Off) Port is for UPS control. This connection is not for Telecommunication use.
- Model # Input Power Plug Output Power Receptacles SRA 07500 NEMA 5-15P 6 x NEMA 5-15R (Controlled)
- 2 x NEMA 5-15R (Unswitched) SRA 10000 NEMA 5-15P 6 x NEMA 5-15R (Controlled)
- 2 x NEMA 5-15R (Unswitched SRA 15000 NEMA 5-15P 6 x NEMA 5-15R (Controlled)
- 2 x NEMA 5-15R (Unswitched SRA 20000 NEMA 5-20P 6 x NEMA 5-15/20R (Controlled) 1 x NEMA L5-20R (Unswitched
INSTALLATION
This UPS series is ONLY intended to be installed in an indoor temperature controlled environment that is free of conductive contaminants. DO NOT operate the UPS in: extremely dusty and/or unclean areas, locations near heating devices, water or excessive humidity, or where the UPS is exposed to direct sunlight. Select a location, which will provide good air circulation for the UPS at all times. Route power cords so they cannot be walked on or damaged. This UPS series is not intended for use in a computer room as defined in the Standard for the Protection of Electronic Computer/Data Processing Equipment ANSI/NFPA 75. Typical battery life is 3 to 5 years. Environmental factors do affect battery life. High temperatures, poor utility power, and frequent, short duration discharges have a negative impact on battery life. Observe the following maximum environmental conditions:
- Operating Temperature: 32F to 104F
- Operating Elevation (above sea level): 0 to 10,000 ft
- Relative Humidity: 95%, non-condensing
- Storage Temperature: 5F to 113F
Be sure to read all instructions and cautions before installing the UPS. Place the UPS in the final desired location and complete the rest of the installation procedure. These UPSs are shipped with the internal batteries disconnected. The batteries must be connected before putting these UPSs into service. See the “Connecting the Batteries” procedure to connect the batteries and then the “Rackmount Configuration” to install the UPS into the rack. Use CAUTION: The UPS is heavy. Use the appropriate number of personnel when installing the UPS
CAUTION! Do not use the mounting brackets to lift the UPS. The mounting brackets are only for securing the UPS to an equipment rack.
CONNECTING THE BATTERIES
(QUALIFIED SERVICE PERSONNEL ONLY)
Please read all of the WARNINGS and CAUTIONS before attempting to connect the batteries.
CAUTION! DO NOT USE THE MOUNTING BRACKETS TO LIFT THE UPS. The mounting brackets are ONLY for securing the UPS to the rack.
- Use two or more people when installing the extremely heavy UPS.
- Remove the UPS from the shipping box and place on a flat surface.
NOTE: No tools are required for removing or installing the battery door. - Grasp the battery door on the left hand side, pull it outward and then set it aside. (Figure 1) Verify proper polarity. Connect the battery connectors together. (Figure 2)
NOTE: Some sparking may occur this is normal. - Re-install the battery door on the UPS. Connecting the Batteries is complete.

RACKMOUNT CONFIGURATION
Use two or more people when installing the UPS, the UPS is extremely heavy. Do not move the rack after the units have been installed. The rack may become unstable due to the weight distribution. This UPS series comes with mounting brackets for the standard 19″ (46.5cm) rack pre-installed on the UPS. Rail Kits for 4-post racks and cabinets are also available. The screws for mounting the UPS to the rack are included. NOTE: The mounting brackets can be mounted in the middle of the UPS.
CAUTION! DO NOT USE THE MOUNTING BRACKETS TO LIFT THE UPS.
The mounting brackets are ONLY for securing the UPS to the rack. Mount the UPS into the rack and secure with the four retaining screws provided
TOWER CONFIGURATION
Tower brackets are provided with the UPS. Use caution. The UPS is extremely heavy.
NOTE: Be sure to place the UPS in the tower brackets so the YELLOW Battery Disconnected label on the top cover is on your left hand side. If the UPS is not installed in the proper upright position the batteries will be damaged

- Once the location of the UPS has been determined, place the UPS on a flat surface, remove the rack mount brackets from the UPS and then place the tower brackets in the desired location.
- The LCD panel can be rotated to read in the upright position. There is a small slot on each side ofthe LCD panel. Insert a small flat head screwdriver into one of the small slots and gently pry the LCD outward. Position the LCD panel so that it reads in the upright position. Gently press LCD panel back into the front panel.
- Slide the UPS into the tower brackets. Make sure that the UPS is stable and in the correct position.
WALLMOUNT CONFIGURATION
(Available Option)
Use caution when installing the UPS. It is extremely heavy. If the UPS is not installed in the proper upright position the batteries will be damaged. In proper position, when looking at the front panel the YELLOW Battery Disconnected label on the top cover of the UPS MUST be on your left hand side The wall mount kit includes two wall mounting brackets, ten retaining screws, and the wall mount template. The UPS’s side panels have mounting bracket screw holes for attaching the wall mounting brackets

- Once the location of the UPS has been determined, place the UPS on a flat surface and remove the rack mount brackets from the UPS.
- The LCD panel can be rotated to read in the upright position. There is a small slot on each side of the LCD panel. Insert a small flat head screwdriver into one of the small slots and gently pry the LCD outward. Position the LCD panel so that it reads in the upright position. Gently press LCD panel back into the front panel.
- Align the wall mounting brackets with the wall mounting bracket screw holes on the side panels of the UPS and attach with the six retaining screws.
- Use the template to mark the screw hole position on the wall.
- Attach the four retaining screws to the wall making sure they are screwed into stable structural material. Then clean the area of any loose material. Do not tighten the retaining screws all the way, leave approximately 3/8″ of the retaining screws sticking out.
- Position the UPS, so that the mounting bracket keyed holes line up with the fourretaining screws. Slide the UPS down until its resting securely on the four retaining screws.
- Tighten the four retaining screws to secure the UPS to the wall.
CONNECTING YOUR EQUIPMENT
Plug the equipment into the output receptacles on the rear panel of the UPS. Ensure that you do not exceed the maximum output rating of the UPS (refer to the information label or the Electrical Specifications in this manual). DO NOT PLUG EXTENSION CORDS, ADAPTER PLUGS OR SURGE STRIPS INTO THE OUTPUT RECEPTACLES OF THE UPS, there is a risk of damaging the UPS and/or connected equipment.
CAUTION! DO NOT connect a laser printer, copier, vacuum cleaner or any other large electrical device into the output receptacles of the UPS.
CONNECTING THE UPS TO AN AC SOURCE
CAUTION – To reduce the risk of fire, connect only to a utility powered circuit with 20 amperes maximum branch circuit over-current protection in accordance with the National Electric Code, ANSI/NFPA 70. Plug the UPS into a two pole, three wire, grounded receptacle only. The AC wall outlet shall be near the UPS and easily accessible. The plug on the input power cord on this UPS series is intended to serve as a disconnect device. DO NOT PLUG THE UPS INTO EXTENSION CORDS, ADAPTER PLUGS, SURGE STRIPS OR POWER STRIPS. DO NOT CUT THE INPUT PLUG OFF AND ATTEMPT TO HARDWIRE THIS UPS, DOING SO WILL VOID THE WARRANTY.
CHECKING THE SITE WIRING FAULT
After plugging the UPS into the AC wall outlet, check the Site Wiring Fault (SWF) icon on the front panel of the UPS. If the SWF icon is illuminated, the UPS is plugged into an improperly wired AC wall outlet. If the UPS indicates a Site Wiring Fault (SWF), have a Qualified Electrician correct the problem.
CHARGING THE BATTERY
The UPS will charge the internal batteries whenever the UPS is connected to an AC source and there is an acceptable AC voltage present (90-150VAC). Itis recommended that the UPS’s batteries be charged for a minimum of 4 hours before use. The UPS may be used immediately, however, the “On- Battery” runtime may be less than normally expected.
NOTE: If the UPS is going to be out of service or stored for a prolonged period of time, the batteries must be recharged for at least twenty-four hours every ninety days.
USB COMMUNICATIONS PORT CONNECTION (OPTIONAL)
The power monitoring software and interface cable can be used with the UPS. Use only the interface cable that comes with the UPS. The USB communicationsprotocol is HID. The HID USB driver comes standard in the Windows OS. Simply connect the USB cable to the USB communications port on the rear panel of the UPS. Connect the other end of the USB cable to the device that will be monitoring/controlling the UPS and then follow the prompts on the screen.
NOTE: When using the UPS’s USB port with Windows XP, 7, 8 or 10 the Power Options in the Control Panel may need to be configured. Connecting to the Communications Port is optional. The UPS works properly without this connection.
POWER MONITORING SOFTWARE
The SRA Series is compatible with free SentryHD Power Monitoring Software from Para Systems – Minuteman. Please go to www.minutemanups.com/Support/Downloads/Software Download Center. RJ11 EPO (Emergency Power Off) PORT (OPTIONAL) This connection is not for telecommnication use. Connect one end of the RJ11 cable to the EPO port and the other end of the RJ11 cable to the EPO switch. In the AC or the Battery mode short pin4 to pin5 for approximately 0.5-seconds to shutdown the UPS. The UPS must be turned on to resume power output.
NETWORK/PHONE/FAX/MODEM PROTECTION CONNECTION
(OPTIONAL) Connect a 10/100/1000 Base-T network, single line phone, fax or modem line to the RJ11/45 modular connectors on the rear panel of the UPS. This connection will require another length of telephone or network cable. The cable coming from the telephone service or networked system is connected to the port marked “IN”. The equipment to be protected is connected to the port marked “OUT”.
COAX PROTECTION CONNECTION (OPTIONAL)
Connect a cable modem , CATV converter, DSS receiver or DVR to the coax connectors on the rear panel of the UPS. This connection will require another coax cable. The cable coming from the coax service is connected to the port marked “IN”. The equipment to be protected is connected to the port marked “OUT”.
OPTION SLOT
The option slot on the rear panel of the UPS is for option cards. Contact Juice Goose for information about optional components for this UPS series
OPERATION
SYSTEM OVERVIEW
This Line-Interactive UPS protects computers, AV servers, telecom systems, security systems, and a variety of electronic equipment from blackouts, brownouts, over voltages, and surges. The Automatic Voltage Regulation (AVR) continuously corrects the voltages in between the brownout and over voltage transfer points (90 – 150VAC). When the UPS is operating in the AVR mode the audible alarm will remain silent and the AC mode indicator will blink. During normal AC operation, the UPS will quietly and consistently protect connected electronic equipment from power anomalies. The UPS will charge the batteries when it is plugged into the wall outlet and there is an acceptable AC voltage present (90 – 150VAC) – whether the UPS is ON or OFF. When a blackout, brownout, or an over voltage condition occurs the UPS will transfer to the battery mode, the “On Battery” light will illuminate and the audible alarm will sound once every ten seconds indicating that the utility power is lost or unacceptable. When utility power returns or is at an acceptable level the UPS will automatically switch back to the AC mode and start recharging the batteries. During an extended outage when there is approximately two minutes of backup time remaining the audible alarm will sound twice every five seconds. At that time, all open data files should be saved and computers and power electronic equipment should be turned off. When the batteries reach the predetermined level the UPS will automatically shutdown protecting the batteries from over discharging. Once utility power returns and is at an acceptable level the UPS will restart and begin charging the batteries.
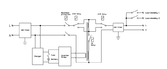
Block Diagram of the Basic Wiring and Internal Circuit Configuration

TURNING THE UNIT ON/OFF
On / Off / Test Button
When the UPS is connected to an AC source and there is an acceptable AC voltage present; press and then release the On/Off/Test button during the audible alarm’s first beep to turn the UPS on. UPS will provide an output and the load will be powered. Then the UPS will perform a five second self-test. Once the UPS has passed its self-test the UPS will be ready for normal operation. When the UPS is in the AC mode; press and then release the On/Off/Test button during the audible alarm’s first beep to turn the UPS off. The UPS will continue to charge the batteries whenever it is plugged into an AC wall outlet and there is acceptable AC voltage present.
USER INVOKED SELF-TEST
The user invoked self-test feature is useful to verify the correct operation of the UPS and the condition of the batteries. With the UPS in the AC mode; Press and hold the On/Off/Test button until the audible alarm sounds four beeps, and then release. The UPS will perform a ten-second battery test to measure the battery’s capability to support the connected load. During the battery test, the UPS will switch to the battery mode and the On-Battery icon will illuminate and the audible alarm will sound. If the UPS fails a battery test, one of the icons will remain illuminated and an error code will be displayed indicating the type of problem. NOTE: The UPS will automatically perform a self test on start-up.
ALARM SILENCER BUTTON
When the unit is operating in Battery mode, pressing the Alarm Silencer Button will silence the audible alarm. Once the UPS reaches the LBW (Low Battery Warning) threshold the audible alarm will be re-activated. The audible alarm cannot be silenced during the LBW alarm or any fault condition. Once the UPS transfers to the AC mode the audible alarm will be reset to default.
SCROLL BUTTON
Press the Scroll Button to scroll through the UPS parameters. The UPS parameters are displayed on the LCD screen.
LCD SCREEN
The LCD screen provides the user with a variety of useful information. The LCD has a real-time meter to display, in numeric fashion, the following data:
- Input Voltage and Frequency
- Output Voltage and Frequency
- Connected Load KVA and KW
- Estimated runtime in the AC and DC mode
- Error Codes
- Connected Load Capacity Bar Graph
- Battery Capacity Bar Graph
The LCD screen will include dedicated icons for the following information:
- AC Mode / AVR Mode (Boost and Buck: The AC mode icon will flash)
- On-Battery
- Weak/Bad Battery
- UPS Fault
- SWF (Site Wiring Fault) Overload
- EPO (Emergency Power Off)
The LCD backlight will turn on when the UPS is turned on. After approximately 20-seconds the backlight will turn off to conserve energy. When an event (alarm) occurs, such as going to the battery mode, the backlight will turn on for approximately 20-seconds to alert the user that an event has occurred and then the backlight will turn off. While the Scroll button is in use the backlight will remain on. Approximately 20-seconds after the Scroll button has stopped being used the backlight will turn off.
LOAD SHEDDING FUNCTION
The output receptacles are electrically wired into two segments to support the “Load Shedding Function” (Labeled Load 1 & Load 2). The user can control the two segments individually or both at the same time. The Load Shedding Function is controllable by the Power Monitoring Software or the SNMP card. NOTE: The output segment labeled ‘Always On’ does not support the “Load Shedding Function”.
EMERGENCY POWER OFF (EPO) FUNCTION
Connect one end of the RJ11 cable to the EPO port and the other end of the RJ11 cable to the EPO switch. In the AC or the Battery mode short pin4 to pin5 for approximately 0.5-seconds to shutdown the UPS. The UPS must be turned on to restart the UPS. The LCD screen will display EPO for this function.
TROUBLESHOOTING / GETTING SERVICE
ALARMS
ON BATTERY
When the UPS is operating on the batteries, the AC mode icon will extinguish, the On-Battery icon will illuminate, the LCD will display the estimated runtime remaining and the audible alarm will sound one beep every 10 seconds. Once the UPS returns to the AC mode, the audible alarm will stop, the On-Battery icon will extinguish and the AC mode icon will illuminate.
LOW BATTERY WARNING
When the batteries reach the predetermined level, the audible alarm will sound two beeps every five seconds, the Battery Bar Graph will display the remaining battery capacity and the LCD will display error code E07. This informationis to inform the user that there is approximately two minutes of runtime remaining before the UPS shuts down. This condition will continue until either AC returns or the UPS’s self protection circuit shuts the UPS down to protect the battery from over discharging.
WEAK/BAD BATTERY
The UPS automatically tests the battery’s condition. If the battery is weak, bad or disconnected, the Weak/Bad Battery icon will illuminate and the Battery Capacity Bar Graph will turn off, the LCD screen will display error code E06 and the audible alarm will sound three beeps every five minutes until the battery iseither reconnected or replaced. This alarm will be repeated until the batteries pass a self-test. It is recommended that the UPS be allowed to charge overnight before performing a battery test to confirm a Weak/Bad Battery condition.
OVERLOAD
When the amount of load attached to the UPS exceeds its power rating, the Overload icon will illuminate, the LCD screen will display error code E02 and the audible alarm will sound continuously (AC and Battery modes). This alarm will remain on until the excess load is removed or the UPS’s self protection circuit shuts the UPS down. To clear the overload alarm when the UPS has shutdown requires that the UPS perform a battery test. First remove part of the load, then turn the UPS on, the Overload icon and the audible alarm will be on. Second either use the TestButton or unplug the input power cord to perform the battery test.
UPS FAULT
When the UPS detects an internal fault, the Fault icon will illuminate and an error code will be displayed on the LCD screen, the audible alarm will soundcontinuously and the output will be turned off. The fault condition, in some instances, may be cleared by turning the UPS off and then on. If the fault condition does not clear the UPS must be sent in for service. See the Troubleshooting section.
IF THE UPS REQUIRES SERVICE
Use the Troubleshooting section to identify and solve simple problems. Verify there are no tripped circuit breakers and that the batteries are good. If you need to contact Juice Goose for service or assistance, do so using the information in this manual or www.juicegoose.com. In order to receive the best, prompt service have the following information available:
- Personal (and Company) contact name and address.
- Reseller and purchase date.
- The model and serial number.
- Description of the issue.
- Photo image of the front panel display can be valuable.
- Description of the powered equipment including wattage ratings.
A technician will help identify and work to resolve the issue. If the unit requires factory service you will be issued a Return Authorization (RA) Number. If the unit is under warranty, the repairs will be done at no charge. Otherwisethere will be a charge for shipping and repair. Pack the unit in its original packaging. If the original packaging is not available, ask a Juice Goose representative about shipping instructions. Itis important to pack the unit properly in order to avoid damage. Never use styrofoam or similar beads for a packing material. Mark the RA Number on the outside of the packaging
| Symptom / Error Code | Cause / Solution |
| UPS will not turn on. | Press the On/Off/Test button. Re- lease after one Beep. Check con- nected circuit breaker and error codes. |
| UPS operates in battery mode only, even with utility AC power. | Check input circuit breaker. Reduce powered load and reset the breaker as needed. |
| AC Mode icon is blinking but there is no audible alarm | The UPS is regulating voltage (buck or boost). |
| UPS does not provide expected bat- tery run time. | Charge the batteries for a minimum of 8 hours and retest. Continued short run time may mean batteries need replacing. |
| AC Mode icon is on but there is no power output. | Disconnect UPS from computer cable and press On button. |
| Fault icon is on and there is a continu- ous alarm sound | The UPS has a fault. See Error Codes in this manual. |
| Error Code: E01. UPS is shut down | Check attached load for a short cir- cuit. |
| Error Code: E02. Overload icon is on and there is constant alarm sound | Remove part of the output load. The UPS must then perform a self-test before clearing the alarm. |
| Error Code: E03. Over Temperature Shutdown. | Internal or external temperatures have exceeded safe operating limits. |
| Error Code: E04. Inverter / Output Failure | The UPS has an internal fault. Con- tact Juice Goose. |
| Error Code: E05. Charger Failure | The battery charger failed. Contact Juice Goose |
| Error Code: E06. Weak or Bad Batter- ies | Check battery connections. Charge batteries for 8 hours or replace them. |
| Error Code: E07. Low Battery Warn- ing | Battery reserve is low. |
| Error Code: E08. Service Wiring Fault icon is on. | Have electrician correct facility wiring fault. |
REPLACING THE BATTERY
(QUALIFIED SERVICE PERSONNEL ONLY)
Please read all of the WARNINGS and CAUTIONS before attempting to service the batteries. Typical battery life is 3 to 5 years. Environmental factors do affect battery life. High temperatures, poor utility power, and frequent, short duration discharges have a negative impact on battery life.
WARNING! This UPS contains potentially hazardous voltages. Do not attempt to disassemble the UPS beyond the battery replacement procedure. This UPS contains no user serviceable parts. Repairs and battery replacement must be performed by QUALIFIED SERVICE PERSONNEL ONLY.
CAUTION: Do not open or mutilate batteries. Released electrolyte is harmful to the skin and eyes and may be toxic.
CAUTION: Do not dispose of batteries in a fire. The batteries may explode. Thebatteries in this UPS are recyclable. Dispose of the batteries properly. The batteries contain lead and pose a hazard to the environment and human health if not disposed of properly. Refer to local codes for proper disposal requirements or return the battery to the supplier.
CAUTION: The battery system can present a risk of electrical shock. These batteries produce sufficient current to burn wire or tools very rapidly, producing molten metal. Observe these precautions when replacing the batteries:
CAUTION: The battery system can present a risk of electrical shock. These batteries produce sufficient current to burn wire or tools very rapidly producing molten metal. Observe these precautions when replacing the batteries:
- Remove watches, rings, or other metal objects.
- Use hand tools with insulated handles.
- Wear protective eye gear (goggles), rubber gloves and boots.
- Do not lay tools or other metal parts on top of batteries.
- Disconnect the charging source prior to connecting or disconnecting the battery terminals.
- Determine if the battery is inadvertently grounded. If the battery is, remove the source of the grounding. Contact with any part of a grounded battery can result in an electrical shock. The likelihood of such shock will be reduced if such grounds are removed during installation and maintenance.
CAUTION: Replace the batteries with the same number and type as originally installed in the UPS. These batteries have pressure operated vents. These UPSs contain sealed non-spillable maintenance-free lead acid batteries.
REPLACEMENT BATTERY PART NUMBERS
| UPS Model # | SRA 07500 | SRA 10000 | SRA 15000 | SRA 20000 |
| Battery Part # | BM0072 | BM0073 | BM0074 | BM0075 |
BATTERY REPLACEMENT PROCEDURE
PLEASE READ THE CAUTIONS AND WARNINGS BEFORE ATTEMPTING TO REPLACE THE BATTERIES
Hot-swappable batteries mean that the batteries can be replaced without pow- ering down the whole UPS system.
NOTE: If there is a power interruption while replacing the hot-swappable bat-teries, with the UPS on, the load will not be backed up. To hot-swap the bat-tery module start with step number 6.
- Turn off the equipment that is plugged into the output of the UPS.
- Press the On/Off/Test Button on the front panel to turn the UPS off.
- Unplug the UPS’s AC power cord from the AC wall outlet.
- Unplug the equipment from the output receptacles of the UPS.
- Unplug the computer interface cable from the rear panel of the UPS.
NOTE: No tools are required for removing or installing the battery door. - Grasp the battery door on the left hand side, pull it outward and then set it aside. (FIG. 1)

- Disconnect the battery connectors. (FIG. 2)
- Remove the four retaining screws for the battery retaining bracket. (FIG. 2)
- Remove the battery retaining bracket and set aside.

- Grasp the battery pull tab and gently pull the battery module out of the UPS and set aside. (FIG. 3)
NOTE: DO NOT use the battery wires to pull the battery module out. Use Caution, the battery module is heavy.
- Slide the new battery module into the UPS.
- Re-install the battery retaining bracket.
- Re-install the four retaining screws for the battery retaining bracket.
- Verify proper polarity. Reconnect the battery connectors together. NOTE: Some sparking might occur, this is normal.
- Re-install the battery door on the UPS.
- Properly dispose of the old batteries at an appropriate recycling facility or return them to the supplier in the packing material for the new batteries.
- The UPS is now ready for the normal operation.
NOTE: If the UPS has a Weak/Bad Battery Alarm after replacing the battery module, the user must initiate a self-test to clear the Weak/Bad Battery Alarm. To initiate a self-test see section 4 “TEST BUTTON”.
GENERAL SPECIFICATIONS
| Model Number | SRA 07500 | SRA 10000 | SRA 15000 | SRA 20000 | |||
| Topology (Design) | Line Interactive, Simulated Sine Wave | ||||||
| Max. Power Capacity | 750 VA 525 W | 1000 VA 700 W | 1500 VA 1050 W | 2000 VA 1400 W | |||
| INPUT | |||||||
| Phases | Single (L-N-G) | ||||||
| Nominal Voltage | 120 VAC | ||||||
| Acceptable Input Voltage | 0 – 150 VAC | ||||||
| Operating Voltage | 90 – 150 VAC | ||||||
| Operating Frequency | 60 Hz, +/- 10% | ||||||
| Low Voltage Transfer | 89 VAC. Return to utility power @ 94 VAC+ | ||||||
| High Voltage Transfer | 151 VAC. Return to utility power @ 146 VAC – | ||||||
| Over Current Protection | Resettable Circuit Breaker | ||||||
| Power Cord (10 ft) | NEMA 5-15P | NEMA 5-20P | |||||
| OUTPUT | |||||||
| Voltage (AC Mode) | 103 – 136 VAC | ||||||
| Voltage (Battery Mode) | 120 VAC +/- 5% | ||||||
| Frequency | 60 Hz +/- 0.8% | ||||||
| Transfer Time | 6 – 10 ms Typical | ||||||
| Overload Capacity | AC Mode: 110% 1 Minute, 150% Immediate Shutdown DC Mode: 110% 20 Seconds, 150% Immediate Shutdown | ||||||
| Receceptacles (NEMA) | 8 x 5-15R | 6 x 5-15/20R 1 x L5-20R | |||||
| Model Number | SRA 07500 | SRA 10000 | SRA 15000 | SRA 20000 | ||
| BATTERY SPECIFICATIONS | ||||||
| Battery Type | Sealed, Non-Spillable, Maintenance Free, Valve Regulated Lead Acid | |||||
| Typical Recharge Time | 8 Hours to 90% from full discharge | |||||
| Typical Battery Service Life | 3 – 5 Years if properly maintained | |||||
| Battery Part # | BM0072 | BM0073 | BM0074 | BM0075 | ||
| Run Time Full / Half Load | 5/15 | 4/14 | 4/14 | 4/14 | ||
| SURGE PROTECTION AND FILTRATION | ||||||
| Surge Energy Rat- ing | 960 Joules | |||||
| Surge Capacity | 6500 Amps Total (One Time) | |||||
| Response Time | 0 ns Normal Mode, < 5 ns Common Mode | |||||
| Surge Voltage Let Through | < 0.30 % Of Applied Standard Surge | |||||
| EMI/RFI Noise Filtration | > 45dB Normal and Common Mode | |||||
| Communication | RJ11 and RJ 45 Phone or Data Network | |||||
| Cable, CATC | Coaxial | |||||
| PHYSICAL | ||||||
| Size – Net Inches L x W x H | 16.1 x 18.9 x 3.4 | 20.1 x 18.9 x 3.4 | ||||
| Size – Shipping Inches L x W x H | 22.4 x 21.7 x 9.4 | 26.4 x 22.4 x 9.4 | ||||
| Weight – Net Lbs | 31.3 | 35.7 | 48.7 | 62.8 | ||
| Weight – Shipping Lbs | 37.5 | 41.9 | 56.4 | 70.5 | ||
| Audible Noise @ 3 ft | < 45 dBA | |||||
WARRANTY
Juice Goose warrants this equipment and related batteries, when properly applied and operated within specified conditions, against faulty materials or workmanship for a period of three years from the date of purchase. For equipment sites within the United States and Canada, this warranty covers depot repair or replacement of defective equipment at the discretion of Juice Goose. Depot repair will be performed at the nearest authorized service center. The customer pays for shipping the product to that location. Juice Goose pays ground freight to ship the product back to the customer within the continental United States and Canada. Replacement parts and warranty labor will be borne by Juice Goose. For equipment located outside of the United States and Canada this warranty only covers faulty parts. Products that are repaired or replaced pursuant to this warranty shall only be warranted for the unexpired portion of the original warranty applying to the product. This warranty applies only to the original purchaser. The warranty shall be void if (a) the equipment is damaged by the customer, is improperly used, is subjected to an adverse operating environment, or is operated outside the limits of its electrical specifications; (b) the equipment is repaired or modified by anyone other than an authorized agent; or (c) has been used in a manner contrary to the product’s User’s Manual or other written instructions. Any technical advice furnished before or after delivery in regard to use or application of this equipment is furnished without charge and represents the manufacturer’s best judgment under the circumstances. Equipment operator assumes sole risk for any actions not covered in the manual.
EXCEPT AS PROVIDED HEREIN, JUICE GOOSE MAKES NO WARRANTIES, EXPRESSED OR IMPLIED, INCLUDING WARRANTIES OF MERCHANTABIL-ITY AND FITNESS FOR A PARTICULAR PURPOSE. Some states do not per-mit limitation of implied warranties; therefore, the aforesaid limitation(s) may not apply to the purchaser.
EXCEPT AS PROVIDED ABOVE, IN NO EVENT WILL JUICE GOOSE BE LIABLE FOR DIRECT, INDIRECT, SPECIAL, INCIDENTAL, OR CONSEQUENTIAL DAMAGES ARISING OUT OF THE USE OF THIS PRODUCT, EVEN IF ADVISED OF THE POSSIBILITY OF SUCH DAMAGE. Specifically, Juice Goose and Para Systems are not liable for any costs, such as; labor for on site installation, on site maintenance or on site service, lost profits or revenue, loss of equipment, loss of use of equipment, loss of software, loss of data, cost of substitutes, claims by third parties, or otherwise. The sole and exclusive remedy for breach of any warranty, expressed or implied, concerning Juice Goose products and the only obligation of Juice Goose shall be depot repair or replacement of defective equipment, components, or parts; or, at Juice Goose’s option, refund of the purchase price or substitution with an equivalent replace-ment product. This warranty describes specific legal rights. Those and other rights may vary from state to state. No employee, salesman, or agent of Juice Goose is authorized to add to or change the terms of this warranty.



















