VRC-6E
Owner’s Manual
VRC-6E Vortex100 Connectionless Steamer
- Self Contained
- Electric Heated
- Capacity:
VRC-3E=3 Steamer Pans Per Cavity
VRC-6E=6 Steamer Pans Per Cavity

THIS MANUAL MUST BE RETAINED FOR FUTURE REFERENCE.
READ, UNDERSTAND AND FOLLOW THE INSTRUCTIONS AND WARNINGS CONTAINED IN THIS MANUAL.
FOR YOUR SAFETY
Do not store or use gasoline or other flammable vapors and liquids in the vicinity of this or any other appliance.
NOTIFY CARRIER OF DAMAGE AT ONCE
It is the responsibility of the consignee to inspect the container upon receipt of the same and to determine the possibility of any damage, including concealed damage. Unified
Brands suggest that if you are suspicious of damage make a notation on the delivery receipt. It will be the responsibility of the consignee to file a claim with the carrier. We recommend that you do so at once.
Manufacture Service/Questions 888-994-7636.
Information contained in this document is known to be current and accurate at the time of printing/creation. Unified Brands recommends referencing our product line websites, unifiedbrands.net, for the most updated product information and specifications.
PART NUMBER 148673, REV. N (06/21)
IMPORTANT – READ FIRST
WARNING: WHEN YOU OPEN THE DOOR, STAY AWAY FROM STEAM COMING OUT OF THE UNIT. STEAM CAN CAUSE BURNS.
WARNING: BEFORE CLEANING THE OUTSIDE OF THE STEAMER, DISCONNECT THE ELECTRIC POWER SUPPLY. KEEP WATER AND CLEANING SOLUTIONS OUT OF CONTROLS AND ELECTRICAL COMPONENTS. NEVER HOSE OR STEAM CLEAN ANY PART OF THE UNIT.
WARNING: ALLOW THE COOKING CHAMBER TO COOL BEFORE CLEANING.
WARNING: DO NOT MOVE THE UNIT WITH WATER IN THE CAVITY OR DRAIN PAN.
WARNING: ALLOW WATER IN THE DRAIN PAN TO COOL BEFORE EMPTYING.
WARNING: DO NOT PUT HANDS OR TOOLS INTO THE COOKING CHAMBER UNTIL THE FAN HAS STOPPED TURNING.
WARNING: DO NOT OPERATE THE UNIT UNLESS THE REMOVABLE RIGHT SIDE PANEL HAS BEEN RETURNED TO ITS PROPER LOCATION.
WARNING: USE OF ANY REPLACEMENT PARTS OTHER THAN THOSE SUPPLIED BY GROEN OR THEIR AUTHORIZED DISTRIBUTOR VOIDS ALL WARRANTIES AND CAN RESULT IN BODILY INJURY TO THE OPERATOR AND DAMAGE TO THE EQUIPMENT. SERVICE BY OTHER THAN
FACTORY-AUTHORIZED PERSONNEL WILL VOID ALL WARRANTIES.
WARNING: HIGH VOLTAGE EXISTS INSIDE CONTROL COMPARTMENTS. DISCONNECT FROM THE BRANCH CIRCUIT BEFORE SERVICING. FAILURE TO DO SO CAN RESULT IN SERIOUS INJURY OR DEATH.
WARNING: DO NOT USE CHEMICALS OTHER THAN MILD DETERGENTS TO CLEAN THE COOKING CHAMBER.
WARNING: CAREFULLY READ THE OPERATION INSTRUCTION LABEL BEFORE THE OPERATION OF THE UNIT.
WARNING: DO NOT USE REVERSE OSMOSIS (RO) OR DISTILLED WATER IN THE STEAMER.
CAUTION: SHIPPING STRAPS ARE UNDER TENSION AND CAN SNAP BACK WHEN CUT.
CAUTION: DO NOT INSTALL UNITS WITHIN 2 INCHES OF A HEAT SOURCE SUCH AS A BRAISING PAN, DEEP FRYER, CHARBROILER, OR KETTLE.
NOTICE: DO NOT USE ANY DE-GREASER THAT CONTAINS POTASSIUM HYDROXIDE OR SODIUM HYDROXIDE OR THAT IS ALKALINE.
References
UNDERWRITERS LABORATORIES. INC.
333 Pfingsten Road
Northbrook, Illinois 60062
NFPA/70 The National Electrical Code
NSF INTERNATIONAL
789 N. Dixboro Rd.
P.O. Box 130140
Ann Arbor. Michigan 48113-0140
NATIONAL FIRE PROTECTION ASSOCIATION
60 Batterymarch Park Quincy, Massachusetts 02269
Website Address: www.groen.com
Equipment Description
Your Groen VRC-3E or VRC-6E Vortex Connectionless Steamer is designed to give years of service. It has a stainless steel cavity (cooking chamber) which is served by an inside water reservoir that is electrically heated. A powerful blower circulates the steam in the cavity to increase heating efficiency.
The cavity holds up to three (VRC-3E) or six (VRC6E) steam table pans (12″ x 20″ x 2½ ” deep). An 18 gauge stainless steel case encloses the cavity and the control compartment that houses electrical components. Door hinges are reversible (the door may be set to open from the left or right). Operating Controls are on the front panel.
VRC-3E and VRC-6E steamers are equipped with fully electronic controls. These units are readily identified by their unique control panels. A rocker switch is used to turn the unit on and off.
WARNING
DISCONNECT ELECTRICAL POWER BEFORE CHANGING FUSES. FAILURE TO DO SO WILL CAUSE ELECTRICAL SHOCK OR DEATH. 
Inspection and Unpacking
The Steamer will be delivered completely assembled in a heavy shipping carton strapped to a skid. On receipt, inspect the carton carefully for exterior damage.
If damage is evident, notify the local carrier immediately and file a damage claim. Groen assumes no liability for damage incurred in transit.
Reconfirm that the voltage at the location is compatible with the steamer you received.
CAUTION
SHIPPING STRAPS ARE UNDER TENSION AND CAN SNAP BACK WHEN CUT.
Carefully cut the straps and detach the sides of the carton from the skid. Pull the carton up off the unit. Be careful to avoid personal injury or equipment damage from staples which might be left in the carton walls.
CAUTION
THE VRC-3E WEIGHS 150 POUNDS (68 KG).
THE VRC-6E WEIGHS 170 POUNDS (77 KG).
YOU SHOULD GET HELP AS NEEDED TO LIFT THIS WEIGHT SAFELY.
Write down the model number, serial number, and installation date. Keep this information for reference.
Space for these entries is provided at the top of the Service Log at the back of this manual.
When starting the installation, check packing materials to make sure loose parts such as the drain pan and drip tray are not discarded with this material.
Installation and Start-Up
CAUTION
DO NOT INSTALL THE UNIT WITHIN 2 INCHES OF A HEAT SOURCE (SUCH AS A BRAISING PAN, DEEP FAT FRYER, CHARBROILER, OR KETTLE).
Electrical Supply Connection – Observe all local, national, or other applicable codes.
Three phase models of the Vortex™ Connectionless Steamers are supplied with a cord set ready to be connected to a power supply. See the chart below for the correct matching receptacle (not supplied with the unit).
Single-phase models are designed to be directly connected (hard wired) to the electrical supply and allow sufficient loops in the flexible conduit to facilitate inspection, servicing, and cleaning.
Branch Circuit Protection
Each Steamer, including individual units of stacked models, should have its own branch circuit protection and ground wire. Current and power demands for each unit are as shown below.
ELECTRICAL SUPPLY CONNECTIONS
FIELD WIRING TABLE – USE COPPER WIRE ONLY – INSULATION RATING (90ºC)
VOLTAGE (60 Hz Only) | KW | RATED CURRENT DEMAND | ||
| VRC-3E | VRC-6E | VRC-3E | VRC-6E | |
| 208 3 PHASE | 6.8 KW | 9 KW | 19 Amps | 25 Amps |
| 240 3 PHASE | 6.8 KW | 9 KW | 17 Amps | 22 Amps |
| 480 3 PHASE | 6.8 KW | 9 KW | 9 Amps | 11 Amps |
PLUG AND RECEPTACLE CHART
VOLTS | PHASE | PLUG | RECEPTACLE | ||
| 9KW | 10KW | 9KW | 10KW | ||
| 208 | 3 | 15-30P | 15-50P | 15-30R | 15-50R |
| 240 | 3 | 15-30P | 15-50P | 15-30R | 15-50R |
| 480 | 3 | L16-30P | L16-30P | L16-30R | L16-30R |
| 208 | 1 | —- | —- | —- | —- |
| 240 | 1 | —- | —- | —- | —- |
WARNING
GROUNDING INSTRUCTIONS: THIS APPLIANCE MUST BE CONNECTED TO A GROUNDED METALLIC, PERMANENT WIRING SYSTEM, OR AN EQUIPMENT GROUNDING CONDUCTOR MUST BE RUN WITH THE CIRCUIT CONDUCTORS AND CONNECTED TO THE EQUIPMENT GROUNDING TERMINAL ON THE STATION.
Water Connection(s) – Units Manual Filled
No water connection is needed. The water will be poured directly into the water cavity reservoir. Avoid the use of any chemically treated water specifically filtered water.
Water Connection(s) – Units with Autofill Make sure that the incoming water connection is made with a 3/4” .H. COLD water hose. A rigid pipe is not required. The water pressure should be between 30 and 60 PSIG. Higher pressures will require the use of a pressure regulator. Make sure that all connections are tight with no leaks – no matter how small.
WARNING
DO NOT USE REVERSE OSMOSIS (RO) OR DISTILLED WATER IN THE STEAMER.
Drain Connection
The Vortex™ Connectionless Steamer should be manually drained to the bottom containment pan supplied by the factory. If the unit is connected to a drain, do not connect more than two units to one drain line or pressure from one unit will affect the second unit.
Drain Line Installation – Units with Autofill or Units with Drain Kit The drain line should not be less than 1 – 1/2” – for single units 2” (6E) – for double-stacked units There must be a 2” air gap to the (nonpressurized) building drain. Make sure that the drain is sloped AWAY and DOWN from the steamer and that there are no obstructions in the line. Failure to observe these requirements may cause a water trap in the drain line and produce enough back pressure to prevent proper cavity draining – resulting in condensate water leaking from the door. The drain line must NOT be made of plastic pipe. It must be able to withstand boiling water.
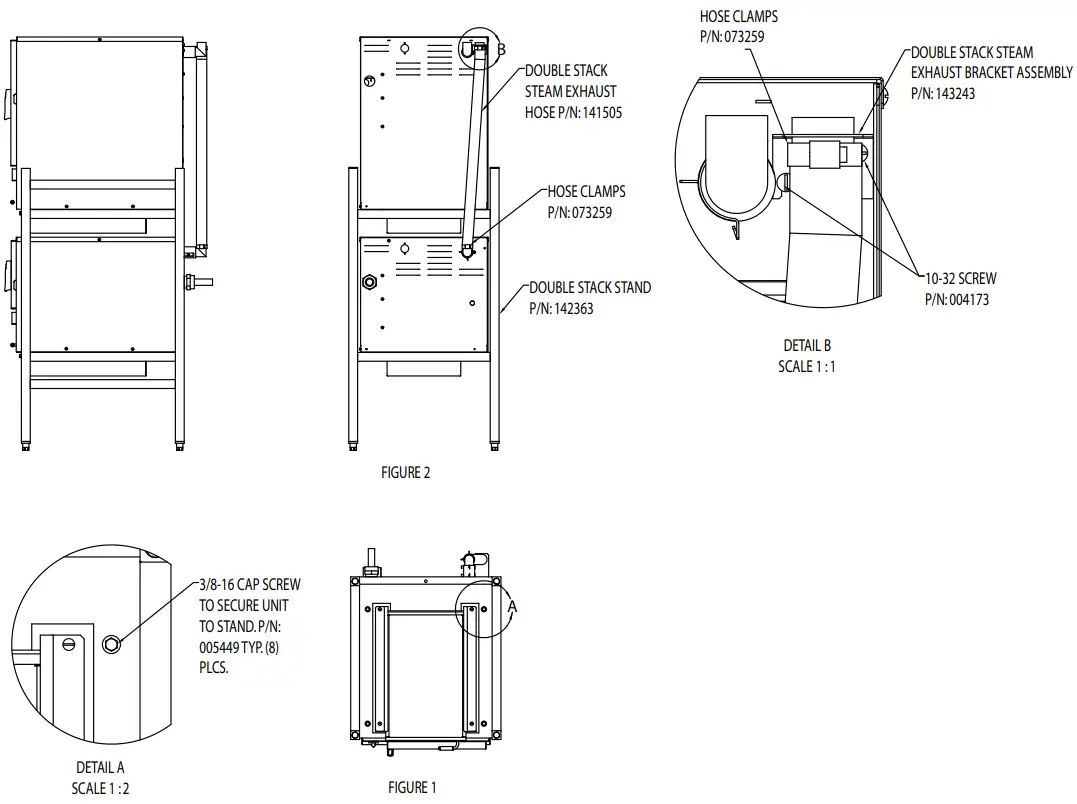
Stacking Units Instructions
Remove the drain containment pan from the bottom of the unit(s). Unscrew to remove adjustable legs from the base of Vortex unit(s). Unfasten nuts and bolts on stand platform(s). Place Vortex unit(s) on the stand platform. Align the (4) leg holes with the holes in the platform. Secure Vortex unit(s) to stand platform(s) using bolts and washers provided in step 2 as shown in detail “A” of figure 1 on page 7. For double stack units only:
By loosening the left screw and removing the right screw provided, mount the steam exhaust bracket assembly to the back panel of the top Vortex unit as shown in detail “B” of Figure 1 on page 7. Attach the steam exhaust hose from the bottom Vortex unit’s steam outlet tube to the top Vortex unit’s steam exhaust bracket assembly using hose clamps
provided as shown in figure 2 on page 7. (Note: Steam exhaust hose may need to be cut to fit.) Steam Vent Assembly Instructions Remove steam diverter assembly from the literature bag which can be found inside of the unit. Slide loose end as shown over the unit steam outlet, tighten worm gear clamp with a flat head screwdriver. Be sure the steam outlet is pointing in the upward position. (Shown below)
Double Stack Assembly Diagram

Operation
WARNING
ANY POTENTIAL USER OF THE EQUIPMENT MUST BE TRAINED IN SAFE AND CORRECT OPERATING PROCEDURES.
A. Controls
Operator controls are on the front right of the unit.
The VRC-3E and VRC-6E control panels have the following touch pads and indicator lights:
! The ON/OFF rocker switch gets the Vortex™ ready for use or shuts it off.
! The HOLD indicator light shows that the cavity is at holding temperature.
! The TIMED indicator light stays on when the timer is operating.
! The ADD WATER indicator light is lit when it’s time to add water.
! The open and closed position of the drain valve allows the unit to be filled with water or drained.
! The ready indicator light indicates the unit has achieved the ready temperature.
! Temperature gauge indicates the internal temperature of the cavity.
! Hour meter records cumulative hours of operation.
! The HI TEMP (error code 6) indicator comes on when the bottom of the water reservoir becomes too hot.
! The FAULT display shows the current fault.
The Push Button Operations:
- In the HOLD position the steam generator stays at a low boil or “holding” temperature. Factory set at 160° F.
- When a cook time is set, the TIMED light will illuminate. The unit steams until the timer counts down to zero and goes into HOLD. At that time, the HOLD light illuminates, and a beeper sounds.
- When the MANUAL button is pushed, the unit steams continuously. The green MANUAL light will stay illuminated.
- CANCEL buttons should be pushed to stop beeping.
B. Operating Procedure
- Make sure the drain handle is in the closed position. With the cooking chamber water reservoir “empty” press the ON/OFF rocker switch to ON. The ADD WATER light will illuminate when manually filling. Pour water into the reservoir up to the hi float/probe until the reservoir is full and 5 through the door. When the water level comes beeps will sound. Then the ADD WATER light goes off. Units with autofill (optional) will start to fill automatically.
- The unit will be ready in about 20 minutes.
- Load food into pans in uniform layers. Pans should be filled to about the same levels, and should not be mounded.
- Open the door and slide the pans onto the supports. If you will only be steaming one pan, put it in the middle position. Some foods will cause foam. When cooking foods that foam, such as shrimp, put an empty solid 2½ “ deep pan in the bottom slot of the pan racks.
- Close the door. Take one of the following steps:
! If you want to steam the food for a certain length of time, push the TIMED button and set the desired time with the timer knob. The timer will automatically run the steamer for the set time and then go into Hold. A beeper will sound. Then push CANCEL to stop beeping.
! If you want to steam continuously, push the MANUAL button. The green light will illuminate. The unit will continue steaming at a temperature of 203º F or higher.
! If you want to maintain food at a holding temperature, push the HOLD button.
WARNING
WHEN YOU OPEN THE DOOR, STAY AWAY FROM THE STEAM COMING OUT OF THE UNIT. THE STEAM CAN CAUSE BURNS. - To remove pans from the cavity, open the door. Remove the pans from the steamer, using hot pads or oven mitts to protect your hands from the hot pans.
- To shut off the unit, press the ON/OFF rocker switch to OFF.
- To drain the remaining water in the water reservoir, move the drain handle to the OPEN position. The drain pan will not hold all of the water in the reservoir. Allow water to cool before draining. Pull the drain pan slowly from the unit to avoid spilling.
WARNING
DO NOT EMPTY UNTIL THE WATER IS COOL. EMPTY DRAIN PAN. PAN WILL NOT HOLD ALL WATER FROM THE RESERVOIR. DO NOT OVERFILL THE DRAIN PAN.
Cleaning
To keep your VRC-3E or VRC-6E Connectionless Steamer in proper working condition, use the following procedure to clean the unit.
A. Suggested Tools
- Mild detergent
- Stainless steel exterior cleaners such as Zepper®
- Cloth or sponge
- Plastic or wood handle brush with soft bristles
- Spray bottle
- Measuring cup
- Nylon pad
- Towels
- Plastic disposable gloves

B. Procedure
1. Exterior Cleaning
a. Prepare a warm solution of the mild detergent as instructed by the supplier. Wet a cloth with this solution and wring it out. Use a moist cloth to clean the outside of the unit. Do not allow free running liquid to touch the controls, the control panel, any electrical part, or on the side or rear panels.
b. To remove material that may be stuck to the unit, use a fiber brush or a plastic or rubber scraper with a detergent solution.
c. Stainless steel surfaces may be polished with a recognized stainless steel cleaner such as Zepper®.
2. Interior Cleaning – Clean the unit daily or as residue builds upon the bottom of the oven cavity.
a. Press the ON/OFF rocker switch to OFF to turn the steamer off. Open the door.
b. Drain the water from the unit into the drain pan and allow the unit to cool before cleaning. (Note: If the cavity is full of water, the drain pan will not hold the entire amount
and must be emptied more than once.)
c. After the unit has cooled, remove pan and pan racks from the cavity.
d. Use a mild detergent to wipe down the steamer cavity, the float/probe on the inside back panel wall, and the pan racks.
e. Rinse the unit to remove detergent.
f.Attach pan racks. Unit is ready for use.
Maintenance
The VRC-3E and VRC-6E Steamers are designed for minimum maintenance, and no user adjustments should be necessary. Certain parts may need replacement after prolonged use. If there is a need for service, only authorized Groen representatives should perform the work. If steam or condensate is seen leaking from around the door, take the following steps:
- Check the door gasket. Replace it if it is cracked or split.
- Inspect the cooking chamber exhaust to be sure it is not blocked.
- Adjust the door latch pin to allow for changes that might occur as the gasket ages.
a. Loosen the lock nut at the base of the latch pin, then turn the latch pin ¼ turn clockwise, and tighten the lock nut.
b. After adjustment, run the unit to test for further steam leakage.
c. If there is still leakage, repeat the adjustment.
d. Continue adjusting the pin clockwise until the door fits tightly enough to prevent leakage.
Troubleshooting
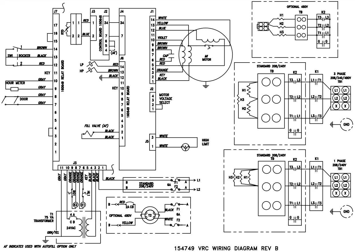
This Groen Steamer is designed to operate smoothly and efficiently if properly maintained. However, the following is a list of checks to make in the event of a problem. Wiring diagrams are furnished inside the service panel.
SYMPTOM | WHO | WHAT TO CHECK |
| 1. No power | User | a. Check the wall circuit breaker. b.Call for a service technician. |
| 2. Any unusual operation | User | a. Press the ON/OFF rocker switch to turn the steamer off. Press again to turn the steamer on. b. Call for a service technician. |
| 3. No steam | User | a. Check and add water as required. (For auto-fill units turn the unit off and on) b.Ensure the door is closed. c. Call for a service technician. |
| 4. Door pops open | User | a. Ensure drain and vent are not plugged. No more than two units should be attached to a single drain line. b.Check door pin adjustment per above. c. Call for a service technician. |
| 5. HI TEMP Indicator (error code 6) is displayed | User | a. Wait 30 minutes for the unit to cool down, the fault display should go off. Turn the unit on. b.Call for Service Technician. |
| 6. Dial gage will not read 212 | User | a. This may be normal, altitude and water purity may affect the temperature reading on the gage. |
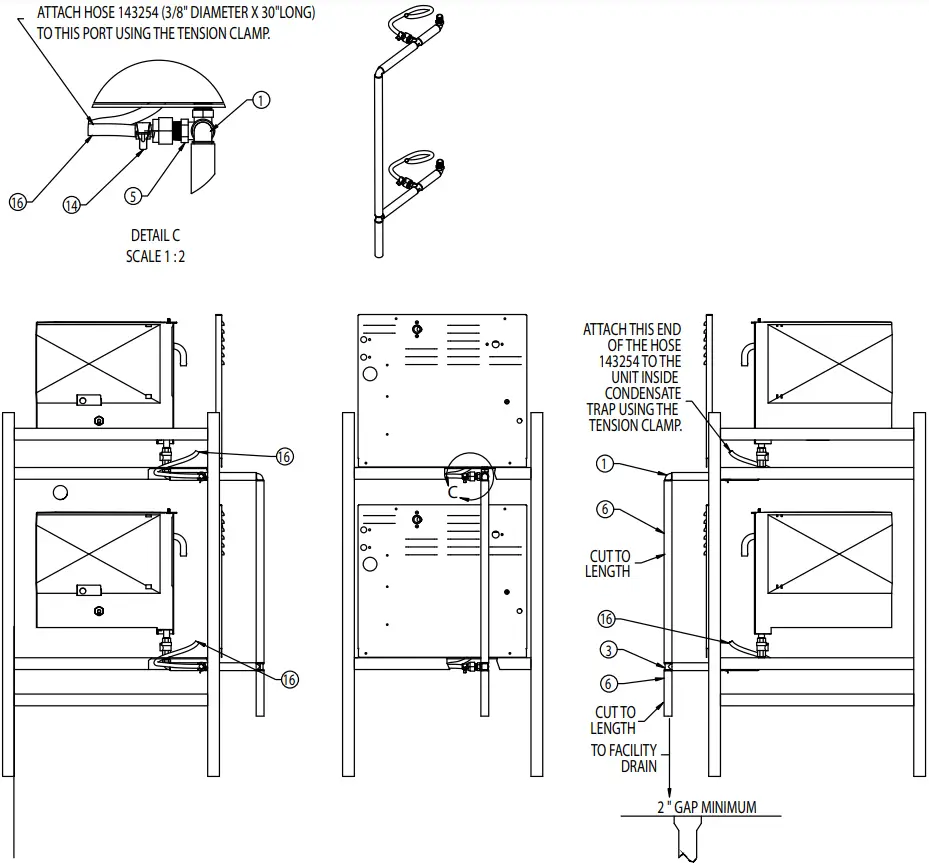
WATER DRAIN KIT INSTALLATION INSTRUCTIONS
1-Remove all parts from shipping cartons.
WARNING: DISCONNECT POWER BEFORE INSTALLING
2-Check-identify all parts as follow.
2.1- Drain Parts
– 142549 ELBOW 3/4” HOSE BARB 90 DEG. ………………………..1
– 142550 TEE 3/4” HOSE BARB………………………………………….1
– 143246 DRAIN ASSEMBLY, AUTO DRAIN………………………….1
– 143250 HOSE LONG 3/4” ID X 10ft …………………………………..1
– 143254 HOSE 3/8″ ID X 30″ LONG ……………………………………1
3- Water drain installation steps.
3.1 The condensate drain line needs to be disconnected before the left side cabinet panel can be replaced.
3.1.a From the bottom of the unit just right of the drain valve unscrew the condensate drip bracket.
3.1.b From the inside, loosen the tension clamps and remove the bracket from the hose and the hose from the condensate line.
3.1.c Slide the tension clamps off of the hose and use them in the next step.
3.1.d Install one end of the supplied hose 3/8″ inside diameter x 30″ long on the condensate line where the condensate trap to drain hose was installed before, and pull the
other end of the hose through the hole where the bracket was mounted. Reinstall the inside tension clamp.
3.2 Guide the hose loose end thru the uncovered hole to the outside bottom of the unit as the drawing shows.
3.3 Thread the hose drain assembly onto the unit drain valve, see drawing.
3.4 Connect the 3/8″ diameter x 30″ long hose loose end to the plastic barb fitting on the drain assembly and reuse the other tension hose clamps.
3.4.a If you are installing a kit on a 3 pan model cut this 3/8″ x 30″ long hose to fit..
3.5 A 10ft piece of hose is supplied with this kit, it can be cut to length and used with the elbow to help route the hose to the proper drain location
3.6 For single units cut the long hose to length as needed to route it to the facility drain. Note hose end must have at least a 2″ gap from the floor drain, do not use traps.
3.7 For double stack units, a 6.5″ long piece of the hose can be cut to join the upper and lower cavities by using the supplied tee on the bottom unit, the supplied elbow on the top unit and a piece to connect the two cavities as shown. Permit a 2″ air gap from the floor drain. Do not use traps.
4- Test to ensure the final assembly of the drain line allows the water to flow freely. Loops or kinks in the hose will cause back pressure which may cause the door to pop open during draining.
WARNING
DO NOT CONNECT THE DRAIN DIRECTLY TO A BUILDING DRAIN. BLOCKING THE DRAIN IS HAZARDOUS.
There must be a free air gap between the end of the hose and the building drain. The free air gap should be as close as possible to the unit drain. There must also be no other elbows or other restrictions between the unit drain and the free air gap.
CAUTION
DO NOT USE PLASTIC PIPES. THE DRAIN MUST BE RATED FOR BOILING WATER.
Drain Kit Diagram

ITEM NO. | PART NO. | DESCRIPTION |
| 16 | 143254 | HOSE 3/8″ ID X 30″ LONG |
| 14 | 127523 | HOSE CLAMP |
| 6 | 143250 | HOSE, LONG 3/4″ ID X 10 ft. |
| 5 | 143246 | DRAIN ASSEMBLY, AUTO DRAIN KIT |
| 4 | 140789 | BACK PANEL. REFERENCE ONLY. |
| 3 | 142550 | TEE, 3/4″ HOSE BARB |
| 2 | 141067 | CHAMBER ASSEMBLY. REFERENCE ONLY |
| 1 | 142549 | ELBOW 3/4″ HOSE BARB |
PAN RACKS FOR SINGLE STANDS ONLY INSTALLATION INSTRUCTIONS
ASSEMBLY INSTRUCTIONS:
- Unpack racks kit.
- Identify parts.
- Unscrew and remove screws #1 and washers #2 from the bottom of your steamer. Do not move the steamer. This will allow the bottom threaded holes to stay aligned with the holes on the stand.
- Secure brackets #3 using screws #1 and washers #2 thru the holes on the stands and into the threaded holes on the bottom of your steamer.
- To place racks on the stand, align wires from the top of the rack with the corresponding holes in bracket #3. Push the rack all the way up into the bracket. Align the bottom of the rack wires with the holes in the standing leg and allow the rack to fall in position.
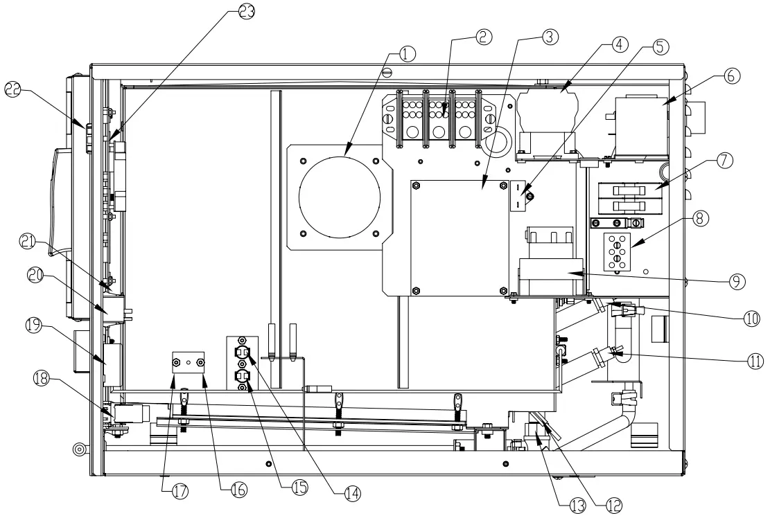
parts list – vrC-3e & 6e
To order parts, ConTaCT your groen auThorized serviCe agenT. supply The model design Tion, serial number, part desCripTion, quanTiTy, and when applicable, volTage
and phase. 
Parts List – VRC-3E & 6E
KEY | DESCRIPTION | PART NO. |
| 1 | MOTOR ASSEMBLY | 146880 |
| 2 | TERMINAL BLOCK | 070185 |
| 3 | RELAY BOARD, STEAMER | 160649 |
| 4 | CONTACTOR | 144418 |
| 5 | CAPACITOR | 096813 |
| 6 | CONTACTOR | 148102 |
| 7 | FUSE BLOCK ASSEMBLY | 160919 |
| 8 | TERMINAL BLOCK | 003888 |
| 9 | TRANSFORMER, 208/240V TO 24V | 121716 |
| 10 | HI PROBE | 141285 |
| 11 | LO PROBE | 141285 |
| 12 | ELEMENT – 208V | 154644 |
| ELEMENT – 240V | 154645 | |
| ELEMENT – 277V | 154646 | |
| 13 | DRAIN VALVE WITH ACTUATOR BRACKET | 174242 |
| 14 | HI LIMIT THERMOSTAT | 144484 |
| 15 | REGULATOR THERMOSTAT | 144484 |
| 16 | THERMISTOR | 152960 |
| 17 | GASKET | 152961 |
| 18 | HOUR METER | 149295 |
| 19 | THERMOMETER, REMOTE DIAL | 144369 |
| 20 | ON/OFF SWITCH | 160920 |
| 21 | DOOR SWITCH | 096857 |
| 22 | KNOB | 160921 |
| 23 | CONTROL BOARD, STEAMER | 160648 |
| X | CAVITY FAN | 096790 |
| X | FRONT PANEL OVERLAY (3E) | 160523 |
| X | FRONT PANEL OVERLAY (6E) | 160524 |
| X | DOOR LATCH PIN | 078914 |
| X | DOOR PIN LOCK NUT | 003823 |
| X | DOOR ASSEMBLY, COMPLETE (3E) | 130858 |
| X | DOOR ASSEMBLY, COMPLETE (6E) | 140749 |
| X | DOOR HANDLE | 129723 |
| X | DOOR GASKET (3E) | 124849 |
| X | DOOR GASKET (6E) | 140748 |
| X | LEFT PAN RACK (3E) | 124873 |
| X | LEFT PAN RACK (6E) | 140782 |
| X | TOP PANEL (3E/6E) | 123133 |
| X | DRIP TRAY (3E/6E) | 094151 |
| X | MOTOR SHAFT SEAL | 096868 |
| X | BLOWER COVER WITH RACK (3E) | 139773 |
| X | BLOWER COVER WITH RACK (6E) | 140785 |
| X | LEFT SIDE PANEL (3E) | 140448 |
| X | LEFT SIDE PANEL (6E) | 140762 |
| X | RIGHT SIDE PANEL (3E) | 140447 |
| X | RIGHT SIDE PANEL (6E) | 140761 |




Service Log
Model No…………………..
Serial No……………………….
Date Purchased……………………….
Purchase Order No………………………..
Purchased From………………..
Location…………………..
Date Installed…………………….
For Service Call………………..
| Date | Maintenance Performed | Performed by |
GROEN®LIMITED WARRANTY TO COMMERCIAL PURCHASE*
(U.S. & Canadian Sales Only)
Groen warrants to original commercial purchaser/users that foodservice equipment manufactured by Groen® (ìGroen® E quipmentî) other than CapKold® foodservice equipment shall be free from defects in material and workmanship for twelve (12) months from the date of installation or fifteen (15) months from the date of shipment from Groen®, whichever date first occurs (the ìWarranty Periodî), in accordance with the following terms and conditions:
I. This warranty is limited to replacement parts and related labor for Groen® Equipment located at its original place of installation in the United States and Canada.
II. Damage to Groen® Equipment that occurs during shipment must be reported to the carrier and is not covered under this warranty. The reporting of any damage during shipment is the sole responsibility of the commercial purchaser/user of such Groen® Equipment.
III. For Groen® Convec tion ComboTM Steamer-Ovens, HyPerSteamTM Convection Steamers, and HyPlusTM Pressureless Steamers, Groen® further warrants to the original commercial purchaser/users of such Groen® Equipment that the atmospheric steam generators or boilers contained in such Groen® Equipment shall be free from defects in material and workmanship for twenty-four (24) months from the date of installation or twenty-seven (27) months from the date of shipment from Groen®, whichever date first occurs, provided that: (a) the original purchaser/user shall have also purchased and installed a Groen® PureSteem Water Treatment SystemTM for use in connection with such Groen® Convection ComboTM Steamer-Oven, HyPerSteamTM Convection Steamer or HyPlusTM Pressureless Steamer on or before the date such Groen® Equipment was installed, (b) the original purchaser/user has continuously used such Water Treatment System in connection with such Groen®Equipment from the date of installation, and ©) the commercial purchaser/user shall have maintained such Water Treatment System in accordance with the maintenance and filter cartridge replacement recommendations of Groen®, and otherwise maintained such Oven or Steamer in accordance with all other operational and maintenance recommendations of Groen®.
IV. Groen® further warrants to the original commercial purchaser/users of Groen® Convection ComboTM Steamer-Ovens that the electronic relay and control board contained in such Groen® Convection ComboTM Steamer-Oven shall be free from defects in material and workmanship for twenty-four (24) months from the date of installation or twenty-seven (27) months from date of shipment from Groen®, whichever date first occurs.
V. During the Warranty Period, Groen®, directly or through its authorized service representative, will either repair or replace, at Groenís sole election, any Groen® Equipment determined by Groen® to have a defect in material or workmanship. As to any such warranty service during the Warranty Period, Groen® will be responsible for related reasonable labor and portal-to-portal transportation expenses (time & mileage) incurred within the United States and Canada.
VI. This warranty does not cover boiler maintenance, calibration, periodic adjustments as specified in operating instructions or manuals, consumable parts (such as scraper blades, gaskets, packing, etc.), and labor costs incurred for the removal of adjacent equipment or objects to gain access to Groen® Equipment. This warranty does not cover defects caused by improper installation, abuse, careless operation, or improper maintenance of Groen® Equipment. This warranty does not cover damage to Groen® Equipment caused by poor water quality or improper boiler maintenance.
VII. THIS WARRANTY IS EXCLUSIVE AND IS IN LIEU OF ALL OTHER WARRANTIES, EXPRESSED OR IMPLIED, INCLUDING ANY IMPLIED WARRANTY OF MERCHANTABILITY OR FITNESS FOR A PARTICULAR PURPOSE, EACH OF WHICH IS HEREBY EXPRESSLY DISCLAIMED. THE REMEDIES DESCRIBED ABOVE ARE EXCLUSIVE AND IN NO EVENT SHALL GROEN® BE LIABLE FOR SPECIAL, CONSEQUENTIAL, OR INCIDENTAL DAMAGES FOR THE BREACH OR DELAY IN PERFORMANCE OF THIS WARRANTY.
VIII. Groen® Equipment is for commercial use only. If sold as a component of another (O.E.M.) manufacturerís equipment, or if used as a consumer product, such Equipment is sold AS IS and without any warranty.
*Covers all Groen® Equipment (other than CapKold® foodservice equipment) ordered after September 11, 2001.
GROEN® LIMITED EXTENDED WARRANTY COVERAGE*
(U.S. & Canadian Sales Only)
Limited Extended Warranty Coverage is available on all standard Groen® Equipment (other than CapKold® foodservice equipment) covered by the above Groen® Limited Warranty. Commercial purchasers/users of Groen® Equipment may elect to extend the standard limited warranty to cover parts, labor, and portal to portal transportation costs (time and mileage) for an additional twelve (12) or twenty-four (24) month period, in addition to the time period of the standard limited warranty described above. Limited Extended Warranty Coverage is not available to extend the supplemental limited warranty for (a) atmospheric steam generators or boilers contained in Groen® Convection ComboTM SteamerOvens, HyPerSteamTM Convection Steamers, and HyPlusTM Pressureless Steamers, or (b) electronic relay and control boards contained in Groen® Convection ComboTM Steamer-Ovens.
Cost of Extended Coverage
Five percent (5.0%) of the LIST PRICE of the Groen® Equipment to be covered by the Limited Extended Warranty for each additional twelve (12) months of limited extended warranty coverage. The five percent (5.0%) of the LIST PRICE charge will be the net invoice amount for each year of Limited Extended Warranty Coverage purchased.
Conditions of Coverage
(1) Limited Extended Warranty Coverage must be purchased at the time the Groen® Equipment to be covered is purchased.
(2) All conditions and limitations on the Standard Limited Warranty Coverage apply to the Limited Extended Warranty Coverage. See above for details of conditions and limitations on the Standard Warranty Coverage.
*Covers all Groen® Equipment (other than CapKold® foodservice equipment) ordered after September 11, 2001.
888-994-7636
601-372-3903
Fax 888-864-7636
unifiedbrands.net
© 2021 Unified Brands. All Rights Reserved.
Unified Brands is a wholly-owned subsidiary of Dover Corporation.
PART NUMBER 148673, REV. N (06/21)
WARNING

















