DELTA B2360 Series 110302 Direct to Stud Bathtub User Guide
REQUIREMENTS FOR SUCCESSFUL INSTALLATION
KNOWLEDGE BASE:
Framing
Plumbing
- Confirm that your model will fit in intended location and plumbing fixtures are located where required before beginning installation.
- Walls and sub-floor must be solid, plumb, and square.
- Allow product to reach room temperature for 30 minutes before installation
- Do not install in areas where temperature may drop below 32ºF (0ºC)
NOTICE
Do not use plumber’s putty to seal the drain flange, as it will deteriorate acrylic surfaces, causing cracks and, potentially, property damage. For best results, use sealant
NOTICE
These instructions include suggestions for rough construction and plumbing installation. Local building codes vary and could supersede those suggestions. If you are not confident in your ability to perform these tasks, contract out those tasks you need help with or use a professional installer.
TOOLS AND MATERIALS CHECKLIST
- Caulk Gun

- Tape Measure

- Pencil

- Utility knife

- Safety Glasses

- Level

- Holder

- Mortar

- Shims

- Drop Cloth

- Drill

- Adhesive (6 tube)

- Sealant (1 tube)

- Driver Bit

- Drill Bit 3/16″ (5 mm)

- Square

- #6 or #8 1-1/4” stainless or zinc plated truss head screws

- Square Notched Trowel (1/2″)

- Drain and Overflow assembly with a minimum of 13 3/4″ of vertical adjustment.
- Lumber for additional wall studs if installing wall set Madera para.
- Insulation (Recommended for around bathtub)
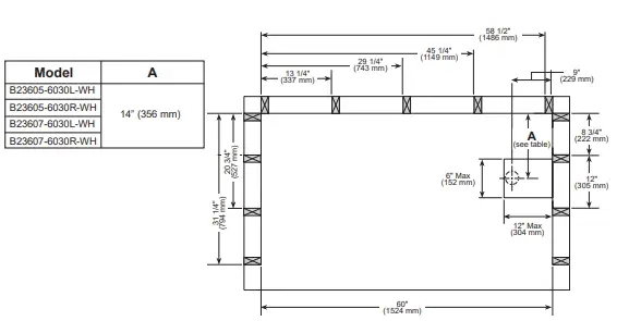
ROUGHING-IN
- Rough plumbing must be installed before bathtub installation.
- For masonry construction, floor and walls must be framed to accommodate plumbing and installation.
- Right side plumbing rough-in shown.
IMPORTANT:
IF INSTALLING MATCHING WALL SET, refer to Wall Set Installation Manual for specific lumber sizes and placement. Additional studs will be required and need to be installed at this point
Required For Proper Installation

Verify Bathtub Fit
- Position bathtub as shown above. Use level (1) and square (2) to verify that it is positioned straight and square.
Bathtub bottom (3) must be in contact with a flat, level surface. Gaps between flanges and studs must be less than 1/8”.
NOTE: A small amount of water poured onto tub deck should flow into the tub, not out toward the floor
Protect bathtub finish by overturning it onto a clean, soft surface such as a drop cloth.
- Apply double sided foam tape to the apron support face that contacts the inside of the tub apron. Evenly space as shown.
NOTE: Some free play is designed into the connection of the apron support to allow for tape application and positioning. - Remove backing from tape and press into position on apron one at a time.

Prepare Bathtub
- Drill 3/16” clearance holes: (1) In flat area of top flanges, below
lip, and centered on each stud. (2) Evenly spaced on front vertical flanges.
Do not drill holes directly into studs. Drill chuck can cause damage to product. Use a bit holder extension to reduce risk of drill chuck hitting panels.
- Attach drain and overflow following manufacturer’s instructions.
NOTE: The drain and overflow will require at least 13 3/4″ of vertical adjustment. RP293 and RP393 have been designed to fit Delta bathtubs.

IF THE SUB FLOOR IS NOT FLAT AND LEVEL, a mortar bed must be applied where the base will be positioned
- .Apply 1” mortar bed in rectangle where tub bottom contacts subfloor, that has been mixed to athick consistency.
- Low spots in subfloor may require mortar thicker than 1”.
- Place the base in the wet mortar and adjust until it is level.
- Let mortar cure for 24 hours.
- Proceed to the next step
IF THE SUBFLOOR IS FLAT AND LEVEL:
- Apply adhesive in rectangle where tub bottom contacts subfloor. Trowel to 1/2” depth.
- Place the base in the adhesive, adjust until it is level.
- Follow manufacturer’s instructions for adhesive dry time before use.
- Proceed to the next step

Secure Bathtub
- Carefully place tub in alcove. Place drop cloth in bathtub and stand inside bathtub to press it to floor when securing to wall studs.
- Insert 1-1/4” screws into provided sealing washers. Secure top flanges to studs with the 1-1/4” screws and washers. Secure the front vertical flanges with 1 1/4” truss head screws. Drill chuck can damage tub surface. Use an bit holder extension to reduce the risk of the chuck hitting the tub surface.
- Insert shims to fill any gaps. NOTE: Gaps between flanges and studs must be less than 1/8” after shimming

Apply Sealant
- After installing finished walls, apply sealant to all outer edges, and where base and finished wall meet.
- Follow manufacturer’s instructions for sealant curing time before use.

CARE AND CLEANING
We recommend that you clean your acrylic bathing product with mild detergents. Usea terry cloth towel, soft cloth, or sponge. Avoid using abrasive scrubbing pads, steel wool, or sponges. After cleaning, rinse thoroughly with water.
NOTICE
When using drain cleaner or clog remover, rinse thoroughly with water. Certain chemicals and cleaners may deteriorate the acrylic surface, causing cracks and, potentially, property damage. Never use cleaning products that state on their label that they are not suitable for use on Acrylic, ABS, Polystyrene, or Plastic. Do not use solvents (turpentine, lacquer thinner, mineral spirits, paint thinner, MEK, xylene, acetone, naphtha, etc.)
CAUTION
Failure to read these instructions prior to installation may result in personal injury, property damage, or product failure. Manufacturer assumes no responsibility for product failure due to improper installation.
Register Online
To reference replacement parts and access additional technical documents and product info, visit www.deltafaucet.com
www.deltafaucet.com/registerme

References
Delta Faucet | Bathroom & Kitchen Faucets, Showers, Toilets, Parts, Accessories and More
Delta Faucet | Bathroom & Kitchen Faucets, Showers, Toilets, Parts, Accessories and More
Customer Support | Delta Faucet
Register Your Delta Faucet Product | Delta Faucet
Delta Faucet Contact Us Center & Support Resources
Delta Faucet Contact Us Center & Support Resources









































