martec Aspire Lux 3in1 Heater Light and Exhaust

Installation Instructions
Please read these instructions carefully before installing and using the product. Keep the instructions handy for future reference. Electrical wiring must only be done by a licensed electrician and a “Certificate of Compliance” must be issued on completion of the installation.
WHAT’S IN THE BOX
- Bathroom unit
- Operating and Installation Instructions.
- Wall plate and switch.
- 1 x LED Light Panel
- Cutout Template
SAFETY INSTRUCTIONS
During use of the product, it is necessary to observe some precautions. Improper operation with disregard of precautions may result in infliction of harm to health of the user and other people, as well as in infliction of damage to their property.
- Use only the voltage specified on the rating plate of the heater.
- This item should only be installed by a licensed tradesperson.
- The heater should be connected to the electric mains equipped with an automatic circuit breaker.
- The unit must be handled with care avoiding any sudden impacts or vibrations.
WARNING: FIRE RISK EXISTS IF THE HEATER IS COVERED BY OR POSITIONED CLOSE TO CURTAINS OR OTHER COMBUSTIBLE MATERIALS.
- Do not use the appliance areas where gasoline, paint or other flammable liquids are used or stored.
- Do not use the appliance in particularly in dusty or where explosives are stored.
- Do not use the appliance in a building site, green house, barn or in animal stables.
- Do not use the appliance as a sauna heater.
- Do not use this unit in the place of animal propagating and rising.
- Warming: To avoid burns, do not touch the appliance surface by hand and other body parts. It is also necessary to avoid touching the heater whilst the appliance is switched on, as severe burns may result. The appliance can take up to 1 hour to cool down after switching it off.
- Do not place any items of clothing, hand towels or similar over the heater to dry. Risk of overheating and fire hazard.
- Do not leave the heater unattended whilst in use.
- Do not use this heater on a wet surface, or where it can fall or be pushed into water.
- Do not reach for an appliance that has fallen into water. Switch off at supply and unplug immediately.
- If the heater is defective, it must be checked and repaired by the manufacturer, its service agent or similarly qualified persons for repair.
- Do not operate appliance with wet hands.
- Use this appliance only as described in this manual. Any other use is not recommended by the manufacturer and may cause fire, electric shock or injury.
- Do not use abrasive cleaning products on this appliance. If the body becomes dirty, wipe off dust with a cloth. Always remove plug from the mains supply before cleaning.
- The heater must be installed at least 1.8 m above the floor.
- The heater must not be located immediately below a socket outlet. The heater must not be located in front of a socket outlet. They should be located outside the physical footprint of the units to minimize heat build up behind the heater.
- The standard power point must be installed by a licensed electrician.
- If the heater is to be mounted on an incline (eg. Sloping or angled ceiling), ensure the electrical connection is located at that lowest point of the heater.
- Do not connect the appliance to the mains source until it has been installed in its final location and adjusted to the position it will be used in.
- Do not operate with the cord coiled up as this could cause a buildup of heat, which could pose a hazard.
- The use of an extension cord with this appliance is not recommended.
- Do not allow cord to come in contact with heated surfaces during operation.
- Do not run cord under carpeting, throw rugs or runners etc. Arrange cord away from areas where it is likely to be tripped over.
- This appliance is not intended for use by persons (including children) with reduced physical, sensory or mental capabilities, or lack of experience and knowledge, unless they have been given supervision or instruction concerning use of the appliance by a person responsible for their safety.
- Children should be supervised to ensure that they do not play with the appliance
- The appliance is only intended for the purpose described in user manual.
- Do not use appliance or any part of the appliance out of the intended use to avoid risk.
- The use of attachments which are not recommended or sold by the appliance manufacturer may cause a risk of injury to persons
- CAUTION — some parts of this product can become very hot and cause burns. Particular attention has to be given where children and vulnerable people are present.
- Install and operate the heater in strictly horizontal position on the ceiling or ceiling structural surface. The thermal resistance of the ceiling coating and ceiling material should be at least 80 °C.
- WARNING: This heater is not equipped with a device to control the room temperature. The heater must not be within reach from the floor, as severe burns may occur due to high surface temperatures. Do not use this heater in small rooms or where the room or area is occupied by persons not capable of leaving the room on their own, persons who are unable to operate the heater safely and with the guidelines of the use manual, unless constant supervision is provided.
- When the appliance is not in use and before cleaning, unplug the appliance from the outlet.
- To protect against the risk of electrical shock, do not immerse the unit, cord or plug in water or other liquid.
- Household indoor/covered outdoor use only.
LOCATION
- The unit must be located and installed in accordance with AS/NZS 3000 and local building codes relating to damp situations.
- This may mean that no part of the Module may be located directly above any part of a bath or shower recess or enclosure.
- The unit should be installed in flat ceilings with a minimum height on 2 meters. At leas 200mm height clearance in the ceiling cavity is required to ensure sufficient ventilation for moisture to disperse. The unit must also be installed at least 250mm away from walls.
- Ensure adequate air intake into the room exists through windows, vents or under the door to replace the displaced air from the exhaust fan.
- Regulations concerning the discharge of air must be fulfilled.
POWER
AC220-240V ~50Hz electrical supply is required. The unit can be connected to a lighting or power circuit if loading permits. All electrical work must be carried out in accordance with AS/NZS 3000 or latest edition thereof, and local building codes and regulations. A four switch wall plate is included for all kinds of wiring combinations. Ensure the power supply is isolated before commercing installation. Electrical wiring must only be done by a licensed electrical and a “Certificate of Compliance” must be issued at completion of the installation.
INSTALLATION
- Use the cut out template card as a template. Place in the required location and mark out the hole cutting size: 523mm x 345mm. Before commencing cutting ensure that the area behind the intended location is clear of all cables, pipes and joists. Once clear, cut out the section along the previously marked lines.

- Prise up the edge of fascia then take off the fascia. Remove the cover of the terminal and connect the wires according to the diagram. Connect the ducting to the unit if required. Insert the unit into he ceiling cavity, ensuring the clips are resting against the body of the unit.
- Tighten the screws to ensure the unit is fixed securely.
- Take out the glass, insert one side of the glass into the slot, and push the opposite side of the glass in. When the glass is at a horizontal position, it will be seized by the bottom slot.

- Push the edge of fascia towards the housing then let clips on fascia fix on the housing.

- Please note to access the tricolour switch, you will need to first take the front fascia off, where you will see screws securing the LED light. Then undo the screws and pull the LED light out. The switch will be located on the back of the LED light.
CONNECTION TO ELECTRIC MAINS
- Locate the heater in accordance with the requirements of the current Australian/New Zealand Wiring Rules AS/NZS 3000 relating to damp situations.
- The heater is designed for connection to the single-phase 220-240V~ 50HZ electric mains equipped with a earth wire.
- Before connection, make sure that specifications of the electric mains at the connection point meet the single-phase
220-240V~50Hz voltage. - The electric mains should be equipped with an automatic circuit breaker with rated current not less than 10A.
- Switches and other controls must not be located where they can be touched by a person in the bath or shower.
- The heater must not be located immediately below a power point. Power point should not be located at the back of the heater. The power point needs to be located outside the physical footprint of the heater to minimize heat build-up behind the heater.
- If the heater is to be mounted on an incline (eg. Vaulted ceiling), ensure the power point located at that lowest point of the heater.
- WARNING: The installation must be equipped with an all-pole disconnection mechanism with a break contact distanceof at least 3mm.
- WARNING: The All-pole disconnection mechanism must be installed on the height less than 1.8m from the floor.
ELECTRICAL WIRING
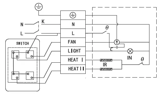
- Connect the wiring to the four-gang switch according to the below electrical diagram.
- Remove the terminal cover on the heater unit and wire according to the label adjacent to the terminal block. Make sure all cables are securely connected and refit the terminal cover.
- Clean the fascia and lighting panel with a soft moist cloth.
- Turn on the power and check the switch operation.

- M: Motor
- C: Capacitor
- IR: Heat lamp
- IN: Light lamp
- K: All-pole disconnection switch
- Θ:Heat protector
- Model No: MBHA800W
- Rated Voltage: 220-240V~
- Rated Frequency: 50Hz
- Total Power: 875W
- Heat Wattage: Max 800W
- Exhaust Power:55W
- LED Light:20W IPX2
considered a fault and will not be covered under this warranty. Martec Pty Ltd only covers manufacturing faults associated with said Martec Product per the above warranty product are not covered under this of or defect of or failure of the product other than stated in this warranty.
NOTE: Stainless steel requires regular cleaning; “Tea Staining” is a common occurrence with all types of stainless steel. This is not considered a fault of the product and is not covered under warranty. Martec’s Precision 316, while made from Marine Grade 316 stainless steel, should only be used in a covered or enclosed outdoor Precision Stainless Steel 316 ceiling fan, none of Martec’s Ceiling Fans are meant for outdoor use, and will either rust or encounter problems which are not covered within this warranty.
IMPORTANT NOTICE:
ALL CLAIMS FOR WARRANTY MUST BE ACCOMPANIED WITH THE FOLLOWING THREE DOCUMENTS:
- Copy of the Installation Receipt OR Tax Invoice OR Certificate Of Compliance for the installation of the Martecproduct trom the installing electrician. If one of these installation documents cannot be provided, we will only accept a typed and signed letter on a business letterhead from the installing electrician stating he/she installed the Martec productat your address along with a scanned copy of the electricians licence. Please note that an email is not a sufficient installation document.
- Copy of the Purchase Receipt/store Tax Invoice for the Martec Ceiling Fan.
- Copy of the completed warranty card, signed and dated. The warranty card is located after this warranty
statement or on the last page of your instruction manual. Please ensure that the purchaser’s full name and Contact details are clearly stated, in addition to the full nature of the fault and the serial or P.O. number which can be located on the top motor housing above the Ceiling Fan Blades. Upon receipt of the abovementioned documentation, Martec Pty Ltd will issue a service call to fulfil the conditions of this warranty. It is the responsibility of the purchaser to keep the documents required tor a warranty application for the duration of the “In-Home” warranty period. This warranty will become void and a service fee will be invoiced to the individual that lodged the warranty claim, if one or more of the following is found:- The product is deemed to be a non-Martec product.
- A manufacturing fault is not detected by the Service Agent.
- The product is deemed to be working as per the specifications of the product.
- The original installation of the product was not carried out by a licensed electrician OR the installation of the product was not carried out in accordance with Martec’s instructions.
CUSTOMER SERVICE LOCAL NUMBER(PHONE) 02 8778 7500 CUSTOMER SERVICE (FAX) 02 8778 7555 CUSTOMER SERVICE OPERATES BETWEEN 8AM TO 5PM EST MONDAY THROUGH FRIDAY
IMPORTANT: PLEASE DO NOT PHONE THE RETAILER FOR WARRANTY WORK. INSTEAD PHONE THE CUSTOMER SERVICE NUMBER FOUND ABOVE.
- MARTEC PTY LTD
- 6 AUSTOOL PL, INGLEBURN NSW 2565
- PH: 02 8778 7500
- FAX: 02 8778 7555
CARE AND MAINTENANCE
- During the installation of this fan heater, please make sure that the person in the bathtub or shower can’t touch the electrical switches and other electrical controllers.
- This fan heater must not be installed below the electrical outlet.
- This fan heater must not be installed near curtains or other combustible materials.
- The appliance must under no circumstances be covered with insulation material or similar material.
- Joists, beams and rafters must not be cut or notched to install the appliance.
- This unit must cool before cleaning. To clean the facia, wipe with a dampened cloth. This appliance is not intended for use by persons (Including children) with reduced physical, sensory or mental capabilities, or lack of experience or knowledge, unless they have been given supervision or instruction concerning use of the appliance by a person responsible for their safety. Young children should be supervised to ensure that they do not play with the applian
STORAGE AND DISPOSAL
If you do not plan to use the heater for extended periods of time, it is recommended that it is cleaned and stored (preferably in its original packaging) in a cool, dry place.
WARNING: Please do not attempt to open or repair the heater yourself. Doing so could void the warranty and cause damage or personal injury. Do not dispose of electrical products with household waste. Please check with your local council for advice on disposal or recycling. If electrical appliances are disposed of in landfills or dumps, hazardous substances can leak into the groundwater and get into the food chain, damaging your health and well-being.
WARRANTY STATEMENT
Martec Pty Ltd warrants this product for a period of 2 years “In Home” warranty from the original date of purchase for residential situations:
IMPORTANT NOTICE: MARTEC PTY LTD WARRANTS THIS PRODUCT FOR 2 YEARS WITH “IN HOME” WARRANTY. MARTEC PTY LTD ONLY WARRANTS THE MARTEC PRODUCT AGAINST FAULTY WORKMANSHIP AND SUBJECT TO THE CONDITIONS AND PROVISIONS SET OUT BELOW:
- The 2 year “In Home” warranty applies only if the product was purchased in Australia and does not transfer from the original purchaser. All Martec Products replaced under warranty are only warranted for the balanc of the warranty period.
- The 2 year “In Home” warranty does not extend to the Martec Product accessories such as remote controller kits and/or light fittings (including glass light shades) that have been fitted during or after the original Martec Product installation. Globes are not covered under warranty.
- All remote controllers, wall controllers, ballasts, and light fittings included in the Martec Products original packaging have a 1 year warranty only. Remote controllers, wall controllers and light kits must be Martec approved and Martec branded products. The use of remote controllers, wall controllers and/or light kits which are not Martec approved and branded will subsequently void the warranty.
- Any changes to plated and/or painted finishes due to climate conditions or other circumstances deemed to be beyond the control of Martec Pty Ltd or their authorised agent are not covered under this warranty. Outdoor use of Martec ceiling fans is not recommended or covered under this warranty; proceed at your own risk as outdoor use will void the warranty.
- Threaded components such as blade nuts and screws may loosen during normal operation; these should be tightened regularly to ensure the fan does not develop noises during operation. If noises do develop, check this aspect before requesting service, as this is not covered under warranty.
PURCHASER PLEASE NOTE: - Any claim made in relation to this warranty is solely limited to the cost of replacement of the product, parts and labour of the authorised service agent approved by Martec Pty Ltd. No parts/products are to be disposed of prior to the Service Agents “In Home” warranty visit. No acceptance of other liability for incidental or Consequential damage is covered. Martec Pty Ltd does not cover travelling costs incurred by service agents where service is requested by the purchaser outside of the Martec Pty Ltd service network. The Martec Pty Ltd service network is defined at our discretion yet is limited by the boundary of the city in which you live. Iravel outside of the city limits by the Martec Pty Ltd authorised service agent will incur commercial costs to be paid for by the purchaser at a rate calculated by the number of kilometres travelled beyond the city limits. Any service required outside of the service network will be provided in the following manner Per warranty claim, a full replacement will be sent to the customer’s residence and a maximum of $80AUD plus GST plus freight will be covered by Martec Pty Ltd. All other costs over and above the $8OAUD, including but not limited to, labour and travel costs are to be paid for by the purchaser. Please Note: it is the responsibility of the purchaser to call Martec customer service number (1300 730 064 or 02 8778 7500) prior to any electrician leaving the job site if any problems occur. Any installing electrician costs and/or fees invoiced to the customer prior to the customer contacting Martec to lodge a warranty application wll not be covered by Martec.
- This warranty becomes void if the product was not installed as per the instruction manual by a qualified and licensed electrician. In addition, this warranty will be considered void if any, or all, of the following has OCcurred: tampering with the product, product damage, repair by non-qualified electrician, becoming faulty due to improper use, normal wear and tear, accident damage, product abuse, and/or tailure to use the product in accordance with the instructions relating to the installation.
- his product is only covered by this warranty for a period of 90 days when used in a commercial application.
- Minor variations of speed between the same model Martec Products may be evident and is not covered under this warranty. Any changes in climate conditions deemed by Martec Pty Ltd to be beyond reasonable control are not covered under this warranty. Any damage caused to walls, ceilings, furniture, carpet and/or any consequential damage caused within the establishment where this Martec Product is being installed, is not covered under this warranty.
- Repairs carried out by the MarteC-approved service agent due to incorrect installation will be charged to the purchaser at the time of service. This warranty is limited to the product being repaired/replaced only by an approved Martec Pty Ltd service agent and does not include costs where the original installation was not carried out per the instruction manual. The product warranty is limited to defects in workmanship only and does not apply to loss or damage caused by the abnormal or excessive force of any kind from internal or external SOurces.
- This warranty does not cover electrical humming noises, wobbling or any other external influences.
- Martec Pty Ltd reserves the right to change or amend any or all parts of this warranty statement at any time
- www.martecaustralia.com.au
- 02 8778 7500
- [email protected]
























