Velleman LABPS3003 Dc Lab Power Supply With Dual Led Display

OVERVIEW

Introduction
To all residents of the European Union
Important environmental information about this product
This symbol on the device or the package indicates that disposal of the device after its lifecycle could harm the environment. Do not dispose of the unit (or batteries) as unsorted municipal waste; it should be taken to a specialized company for recycling. This device should be returned to your distributor or to a local recycling service. Respect the local environmental rules.
If in doubt, contact your local waste disposal authorities.
Thank you for choosing Velleman! Please read the manual thoroughly before bringing this device into service. If the device was damaged in transit, don’t install or use it and contact your dealer.
Safety Instructions
- Keep this device away from children and unauthorized users.
- Indoor use only. Keep this device away from rain, moisture, splashing and dripping liquids.
- Never put objects filled with liquids on top of or close to the device.
- DO NOT disassemble or open the cover under any circumstances. Touching live wires can cause life-threatening electroshocks. There are no user-serviceable parts inside the device. Refer to an authorized dealer for service and/or spare parts.
- Always connect the device to an earthed power socket.
- Caution: device heats up during use. Make sure the ventilation openings are clear at all times.
- For sufficient air circulation, leave at least 1” (± 2.5 cm) in front of the openings. Place the device on a flat, heat resistant surface, do not place the device on carpets, fabrics…
- Always disconnect mains power when device not in use or when servicing or maintenance activities are performed. Handle the power cord by the plug only.
- Keep this device away from dust and extreme temperatures.
- Protect this device from shocks and abuse. Avoid brute force when operating the device.
- Do not use the device when damage to housing or cables is noticed. Do not attempt to service the device yourself but contact an authorised dealer.
General Guidelines
Refer to the Velleman® Service and Quality Warranty on the last pages of this manual.
- Familiarise yourself with the functions of the device before actually using it.
- All modifications of the device are forbidden for safety reasons. Damage caused by user modifications to the device is not covered by the warranty.
- Only use the device for its intended purpose. Using the device in an unauthorised way will void the warranty.
- Damage caused by disregard of certain guidelines in this manual is not covered by the warranty and the dealer will not accept responsibility for any ensuing defects or problems.
- Keep this manual for future reference.
Overview
Refer to the illustrations on page 2 of this manual.
| 1 | Amp-display (LED): indicates the output current. | 7 | C.C. indicator: the LED is lit when the device is in the C.C.-mode. |
| 2 | Volt-display (LED): indicates the output voltage. | 8 | C.V. indicator: the LED is lit when the device is in the C.V.-mode. |
| 3 | C.C. fine-tuning: rotary switch for the fine- tuning of the current-limiting point. | 9 | power switch: push-button used to activate/deactivate the device. The device is ON when either the C.C. LED (7) or the C.V. LED (8) is lit. |
| 4 | C.C. adjustment: rotary switch for the adjustment of the current-limiting point. | 10 | output terminal (+): used for the connection of the load’s positive terminal. |
| 5 | C.V. adjustment: rotary switch for the adjustment of the output voltage. | 11 | ground connection of the housing: the housing is grounded. |
| 6 | C.V. fine-tuning: rotary switch for the fine- tuning of the output voltage. | 12 | output terminal (-): used for the connection of the load’s negative terminal. |
Operation
Introduction
The device is a highly accurate, DC-regulated power supply with an adjustable output. This output can be used for constant voltage (C.V.) and constant current (C.C.).
The output voltage can be adjusted between 0V and 30V when the device is in the constant voltage mode or C.V.-mode. The current-limiting point (max. ± 12 A) can also be set arbitrarily in this mode.
The output current can be adjusted continuously between 0 and 10 A in the constant current mode.
The output current and voltage are indicated through LED displays.
Using the device as a C.V. source
- Turn the knobs [3] and [4] completely to the right before activating the device.
- Activate the device.
- Use knob [5] to obtain a voltage that is close to the desired value.
- Consequently, you should use fine-tuning knob [6] to set the exact value.
The C.V. indicator comes on.
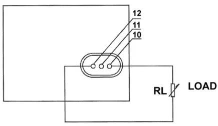
Connecting the Load
- The load is connected as shown in the figure below.
- You can read the output current [1] and the output voltage [2] from the display as soon as the device has been switched on.
- The C.V. indicator [8] is lit if the device is in the C.V.-mode.
- The C.V. LED is off and the C.C. LED will light if the Amp display indicates a value that exceeds the installed value. When this happens, the device will automatically go into current-limiting mode. Install a load that will allow the device to function normally.

Using the device as a C.C. source
- Use the power switch [9] to activate the device.
- Turn knobs [5] and [6] completely to the right and turn knobs [3] and [4] completely to the left.
- Connect the load.
- Adjust [3] and [4] until the desired current is obtained.
The C.C. indicator is now lit while the C.V. indicator is off.
Use of the current-limiting adjustment in the C.V.-mode
- Set both current knobs [3] and [4] to the maximum position.
- You can now set the current-limiting point arbitrarily (max. ± 12A).
- Proceed as follows: activate the device, connect a variable load and adjust the load so that the current matches the desired current-limiting point.
- Meanwhile, you should also manipulate current knobs [3] and [4] until the C.C. LED lights.
- The value on the Amp display is identical to the current-limiting point.
Cleaning and Maintenance
- Disconnect the device from the mains prior to maintenance activities.
- The power supply cables must not show any damage. Have a qualified technician maintain the device.
- Wipe the device regularly with a moist, lint-free cloth. Do not use alcohol or solvents.
- There are no user-serviceable parts, apart from the fuse. Contact your dealer for spare parts if necessary. Store the device in a dry, well-ventilated, dust-free room.
Technical Specifications
| input voltage | 230 V |
| output voltage | 0-30 V |
| output current | 0-3 A adjustable max. |
| ripple voltage | 1 mV |
| dimensions | 135 × 160 × 280 mm |
| weight | 4.3 kg |
| fuse | T2 |
Use this device with original accessories only. Velleman nv cannot be held responsible in the event of damage or injury resulting from (incorrect) use of this device.
For more info concerning this product and the latest version of this manual, please visit our website www.velleman.eu.
The information in this manual is subject to change without prior notice.
© COPYRIGHT NOTICE
The copyright to this manual is owned by Velleman nv. All worldwide rights reserved. No part of this manual may be copied, reproduced, translated or reduced to any electronic medium or otherwise without the prior written consent of the copyright holder.





















