DAN XX516 Vacumat Eco
Instruction Manual
www.flamcogroup.com/manuals
Liability
All technical information, data and instructions contained in these operating instructions for practical operations and those to be performed are correct at the time of going to press. This information is the result of our current findings and experience to the best of our knowledge. We reserve the right to make technical changes subject to the future development of the Flamco product referred to in this publication. Hence no rights may be derived from technical data, descriptions and illustrations. Technical pictures, drawings and graphs do not necessarily correspond to the actual assemblies or parts as delivered. Drawings and pictures are not to scale and contain symbols for simplification.
Warranty
Warranty specifications can be found in our General Terms and Conditions and do not form part of this manual.
Copyright
This manual must be used confidentially. It may be circulated among authorised personnel only. It must not be given to third parties. All documentation is protected by copyright. Distribution or other forms of reproduction of documents, even extracts, exploitation or notification of the contents hereof is not permitted, where not otherwise specified. Infringements are liable to prosecution and payment of compensation.
We reserve the right to exercise all intellectual property rights.
General safety instructions
Disregard or lack of attention to the information and measures in this manual may pose a hazard to people, animals, the environment and tangible assets. Failure to observe the safety regulations and the neglect of other safety measures may lead to the loss of liability for damages in the event of damage or loss.
Definitions
- Operator: A natural person or legal entity who is the owner of the product and uses the aforementioned product, or is nominated to use it, under the terms of a contractual agreement.
- Principle: The legally and commercially responsible purchaser in the implementation of construction projects. Can be both a natural and a legal entity.
- Responsible person: The representative appointed to act by the principle or operator.
- Qualified person: Any person whose professional training, experience and recent professional activity gives them the requisite professional knowledge. This implies that such people have knowledge derived from relevant national and internal safety regulations.
4.1 Purpose and use of this manual
The following pages list the information, specifications, measures and technical data that allow the relevant personnel to use this product safely and for the intended purpose. Responsible persons or those engaged by them carrying out the required services must read this manual attentively and understand it.
Such services include: storage, transportation, installation, electrical installation, commissioning and re-starting, operation, maintenance, inspection, repair and dismantling.
Where the product is to be used in plants / facilities which do not comply with harmonised European regulations and relevant technical rules and guidelines of professional associations for this field of application, the present document is purely for informative and reference purposes.
As this unit may be subject to unlimited inspection at all times, this manual must be kept in the immediate vicinity of the installed unit, at least within the confines of the operations room.
4.2 Qualifications required, assumptions
All personnel must have the relevant qualifications to carry out the required services, and be physically and psychologically capable. The area
of responsibility, competence and supervision of personnel is the duty of the Operator.
| Required service | Professional group | Relevant qualifications |
| Storage, transportation | Logistics, transport, warehousing | Transport and warehousing specialist |
| Installation, dismantling, repair, maintenance. Re-commissioning after installation of extra components or modification. Inspection. | Installation and building services | HVAC specialist. People with operations room clearance with knowledge gleaned from this guide. |
| First commissioning of configured control unit (generic), re-commissioning after power cut, operation (work on the terminal and SPC control unit) | ||
| Electrical Installation | Electrical engineering | Specialist in electrical engineering / installation |
| Initial and re-inspection of electrical systems | Qualified person (QP) with certification in Electrical Engineering | |
| Inspection before commissioning and re-inspection of pressure equipment | Installation and building services engineering performed in the context of technical inspection. | Qualified Person (QP) |
4.3 Staff qualification
Operating instructions are transferred by Flamco representatives or others assigned by them during delivery negotiations or on demand.
Training for the required services, installation, dismantling, commissioning, operation, inspection, maintenance and repair are part of the training / further education for service engineers of the Flamco branch offices or named service contractors.
Such training covers information about on-site requirements rather than performance.
On-site services include transportation, the preparation of an operations room with the requisite foundation engineering to accommodate the system, and the requisite hydraulic and electrical connections, the electrical installation for the power source of the degassing equipment and installation of the signal leads for the IT equipment.
4.4 Intended use
Degassing and topping-up closed water heating and cooling water systems in which temperature-affected changes to the volume of the process water (heat carrier) occur.
The water heating systems are subject to EN 12828 with a maximum operating temperature of 105 °C.
The use of the degassing system in similar plants (e.g. heat transfer systems for process industry or technologically conditioned heat) may require special measures.
4.5 Incoming goods
The items delivered must be compared against the items listed on the shipping note and inspected for conformity. Unpacking, installation and commissioning may be started only once the product has been checked to conform with the intended use as stated in the order process and contract. In particular, exceeding the permissible operating or design parameters may lead to malfunctioning, component damage and personal injury.
If not in line with conformity or if the delivery is incorrect in another way, the product must not be used.
4.6 Transportation, storage, unpacking
The equipment is delivered in packing units in compliance with the contractual specifications, or requirements for specific transport methods and climate zones. They meet the requirements of the Flamco STAG GmbH packaging guidelines as a minimum. In accordance with these guidelines, the degassing systems are supplied stored on special pallets. These pallets are suitable for transportation with suitable fork-lift trucks. The forks must be set to the widest possible outer dimensions in order to prevent the load from tipping. The goods delivered must be moved in the lowest possible setting of the lifting equipment and perpendicular to the forks.
If the packages are suitable for lifting gear, they are marked at the appropriate lifting points.
Important note: Transport the packed goods as close as possible to the envisaged set-up location and make sure there is a horizontal, solid surface on which the goods can stand.
Caution: Use an approach that prevents uncontrolled falling, sliding or tipping over. The goods may also be warehoused in their packaging.
Stacking of the equipment is to be avoided. Use only permitted lifting gear and safe tools, and wear the required personal protective equipment.
4.7 Operations room
Room which meets the terms of the applicable European regulations, European and harmonised standards and applicable technical regulations and the guidelines of professional associations for the field concerned. Where the use of Vacumat Eco is concerned, these rooms generally have equipment for heat generation and distribution, water treatment and top-up, power supply and distribution, and measurement, control and information technology.
Access for unqualified and untrained persons must be restricted or forbidden.
4.8 Noise reduction
Ensure that the noise emissions in the installation are minimised by using state-of-the-art technology (e.g. by means of sound-absorbent pipe fittings).
4.9 EMERGENCY-STOP / EMERGENCY-OFF
The Emergency Stop function required under the terms of European Directive 2006/42/EC is provided by the respective main switch on the control unit.
If further safety chains with Emergency Shut-Down devices are required by the configuration or nature of operations of the heat generator, these are to be installed on site.
4.10 Personal protective equipment (PPE)
PPE must be used when carrying out potentially dangerous work and other activities (e.g. welding), in order to prevent or minimise the risk of personal injury if other measures cannot be taken. These must comply with the requirements specified by the main contractor or operator of the operations room or the site in question.
If no requirements are specified, to operate the automat no PPE is required. Minimum requirements are well-fitting clothing and sturdy, closed and slip-proof footwear.
Other services require the protective clothing and equipment necessary for the activity in question (e.g. transport and assembly: rugged, close-fitting work clothing, foot protectors [safety shoes with toe caps], head protection [safety helmet], hand protectors [protective gloves]; maintenance, repair and overhaul: rugged, close-fitting work clothing, foot protectors, hand protectors, eye / face protector [safety goggles]).
4.11 Exceeding permitted pressure/temperature levels
The object of the degassing system is to ensure that the equipment cannot exceed the permissible operating overpressure or permissible medium temperature (heating medium). Excess pressure and temperature may lead to component overload, irreparable damage to components, loss of function and, as a result, to severe personal injury and damage to property. Regular checks / inspections of these safeguards must be carried out.
4.12 System water
Non-flammable types of water without solids or fibrous components that do not present a danger to operational readiness with their constituents, and will not damage water- conducting components of the degassing equipment (e.g. pressurised components, pumps and motor position valves) or have undue influence on its working. Components conducting process water are pipelines, hoses to the vessel, device and system connections, and their casings, sensors, pumps and vessels. Operation with improper media can lead to impaired function, damage to components and, as a consequence, to serious personal injury and damage.
The operating medium must meet the requirements of VDI 2035! Desalinated water must have a conductivity between 10 and 100 µs/cm with a pH value that does not exceed the allowable limits according to VDI 2035 depending on the material used.
4.13 Safeguards
The equipment supplied is equipped with the required safety devices. To test their effectiveness or restore the set-up conditions, the equipment must first be taken out of service. Taking the system out of service implies that power should be cut and hydraulic connections blocked, to prevent accidental or unintentional re-connection.
4.13.1 Mechanical hazards
The fan-wheel casing on the pump protects operators from personal injury from moving parts. Before commissioning, check that it is fit for purpose and fixed in place.
4.13.2 Electrical hazards
The protection class of the electrically operated components prevents injury to persons through potentially fatal electrocution.
The protection class is at least IP42 (4: Protected against access with a wire; 2: Protection against dripping water if the casing is angled up to 15°.) The control unit cover, the cover of the pump feed, the motor ball valve connection, the threaded cable glands and the valve connector plugs must be inspected for effectiveness prior to commissioning. Check that the ground connections are tight. The installed pressure sensors, the pressure switch and the temperature sensor are operated with protective low voltage.
Avoid welding work on additional equipment that is electrically connected to the Vacumat Eco. Stray welding currents or an improper earth connection could lead to the danger of fire and the destruction of parts of the unit (e.g. the control unit).
4.14 External forces
Avoid any additional forces (e.g.: forces caused by heat expansion, flow oscillations or dead weights on the flow and return lines). They can lead to cracks and breaks in the water-bearing pipework, to a loss of stability, and also to failure – associated with serious personal injury and damage to property.
4.15 Inspection before commissioning and re-inspection
These checks guarantee operational safety and its continued presence in line with applicable European regulations, European and harmonized standards and pertinent technical rules and guidelines of the professional associations for this field of application. The required inspections must be arranged by the owner or operator; an inspection and maintenance log book for scheduling and traceability of measures taken must be kept.
4.16 Operating insurance inspections
| Pressure equipment, vessels (514; 15) | |||||
| Category [see Direc- tive 2014/68/ EU] | Vessel nomi- nal capacity / nominal pressure | Inspec- tion prior to corn- mission- , ing [514j inspector | Re-inspection [515 (5)] | ||
| Timeframe, maximum period [a] / inspector | |||||
| External inspection | Internal inspection | Strength inspection | |||
| Art. 3, para. 3 | 5 litres / PN10 | Qualified Person (QP) | Maximum period not defined. The maximum interval must be established by the Operator on the basis of information provided by the manufacturer coupled with practical experience and chamber load. The inspection may be carried out by a Qualified person. | ||
4.17 Electrical equipment inspections, routine inspection
Without prejudice to the considerations of the insurer / Operator, it is recommended that the electrical equipment relating to the external pressure control unit be inspected demonstrably together with the heating / cooling unit not less than every 18 months (see also DIN EN 602041 (2007)).
4.18 Maintenance and repairs
The degassing equipment must be disabled and prevented from being unintentionally enabled until the inspection is completed. To stop electrical equipment (control unit, pump, motor ball valve, peripheral equipment), isolate the power supply to the control unit.
Note that the safety circuits and data transmissions made while shutting down could trigger safety chains or generate incorrect data. Note: Even if the control unit is switched off, a 230V signal / voltage may be present across terminals 12,13,14, 16 and 17! Existing instructions for the heating or cooling unit as a whole must be observed. In order to shut down hydraulic components, the relevant sections must be blocked using the cap valves and ball valves contained in the scope of delivery of the Vacumat Eco.
The pressure can be relieved using the unit’s fill and drain valve.
Caution: The maximum system water temperature in conducting components (vessel, pumps, casings, hoses, pipelines, peripheral equipment) may reach 90 °C and, in the case of improper operation, may exceed that. This presents a danger of burns and / or scalding.
The maximum pressure of system water in conducting components may be equal to the maximum set pressure for the system’s applicable safety valve. The Vacumat Eco 300 up to size 900 has a maximum positive working pressure of 10 bar. Use of eye / face protectors is required if the eyes or face could be injured by flying parts or spraying fluids.
Unauthorised modifications to, and the use of non-approved components or replacement parts is prohibited. This can result in serious injury to persons and endanger operational safety. They will also render any claim for damages against product liability void.
The recommended approach is to call in Flamco customer service to perform maintenance and repairs.
4.19 Obvious misuse
- Operation at incorrect voltage and frequency.
- Feeding in drinking water systems and operation with medium that does not correspond to VDI 2035.
- Operating the system with deionized water.
- Operating the system with flammable, toxic or explosive means.
- Operation with the wrong system pressure and too high or too low a system temperature.
- Mobile application.
4.20 Residual hazards
Fire: professional fire protection must be ensured on site.
4.21 Warning symbols in this manual
Warning against hazardous electric current.
Disregarding this could put lives at risk, cause fires or trigger accidents, lead to component overload and damage, or prevent functionality.
Warning against the implications of errors and incorrect set-up conditions.
Failure to observe can lead to serious personal injury, component overload and damage, or functional impairments.
Product description
The contents of this manual consist of the specifications for a standard equipment level. Where appropriate, this includes information on options or other configurations. If optional extras are supplied, further documentation is provided in addition to this manual.
5.1 Additional Documentation
Vacumat Eco – circuit diagram SPC m1
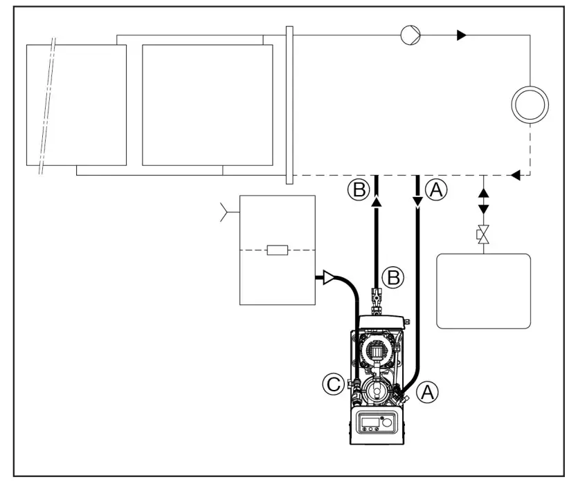
5.2 Plant layout
System diagram:
A Supply to Vacumat Eco with gas-rich medium
B Return from Vacumat Eco to system circulation with degassed medium
C Top-up connection point (NFE x.2 – variable, optional wiring)
- Ball valve
- Flat sealing threaded connection on non-return valve
- Filling and drain valve
- Dirt trap (0.5 mm)
- Check valve
- 3-way switch motor ball valve
- Volume flow limiter
- Degassing vessel
- Temperature contact sensor
- Filling level limit switch
- Drain valve (with cap)
- Pump with frequency converter
- Check valve
- System pressure sensor
- Cap valve
- Special check valve
- Sensor insulation
- Pressure Sensor – degassing vessel
- Automatic de-aerator
- Aeration preventer (check valve)
- Vent line
- Pressure switch
5.3 Components/equipment
- Control unit ON/OFF switch
- Service label with service contacts
- Plant type plate
- Ground connection for applying the external equipotential bonding (protective earth conductor)
- Operator terminal
- Control unit (SPC m1)
- 2x mounting hole (to ensure stability against tipping)
- Rubber buffers (for sound insulation; insulation against structure-borne sound propagation)
5.4 Mode of operation
The Vacumat Eco works as an active degassing device with automatic top-up
5.4.1 Basic principle of degassing in the Vacumat Eco
Degassing is performed by removing system medium from the system circulation through a bypass. This is conveyed through the system connection (A) and the following volume flow limiter (7) into the degassing vessel (8). During pump operation, the degassing vessel (8) is placed under a defined negative pressure. The ability of air to dissolve in the system medium is heavily reduced by the lowered pressure, causing bubbles to form, accumulate and expand and this air to rise.
The process is facilitated by the rotating air separator principle where the air is separated and unified by the tangential inflow, intensified towards the middle of the vessel (in the air head of the degassing vessel). This optimises degassing.
All free gases and a proportion of dissolved gases are removed from the system in an energy-saving manner which is considered non-critical in terms of:
- Corrosion.
- Heat transfer to heating surfaces.
- Flow behaviour in the system.
This works, among other reasons, because the frequency-controlled pump with adjusted speed gently regulates the vacuum to be built up to an energetically meaningful level (temperature-controlled), thus avoiding pressure surges.
After reducing the pump speed, the vessel is placed under system pressure by subsequent medium flow, resulting in the discharge of the air collected above water level via the de-aerator unit (16, 19-22).
The Vacumat Eco performs check degassing cyclically in order to automatically pause the degassing when the preset gas content level is reached. This is checked and decided at the de-aerator unit.
Pressure switch (22) detects whether air still exists at charge level, which leads to preset vacuum control at the degassing system by (Reduced degassing = MIN, Normal degassing [default] = MED, and Strong degassing = MAX).
The quantity of medium supplied to the vessel is returned to the circulation line system connection (B) return via a bypass line while the pump is running. Cyclical degassing takes place in “Fully automatic” mode. In this mode, the pump running time (vacuum build-up) alternates with the ejection of the separated air (reduced pump speed).
Although the Vacumat Eco works very quietly, fully automatic degassing operation mode can be interrupted by freely programmable breaks (e.g., at night). It is also possible to switch off degassing. The system is then in standby mode. Topping-up can still be done in this mode as needed.
5.4.2 Top-up
Both pressure-controlled and level-controlled topping-up can be performed.
Topping-up occurs when the motor ball valve (6) switches; medium then passes into the Eco Vacumat through the top-up opening (C) and is fed to the system by the pump.
Topping-up interrupts breaks and standby operating mode, or follows completed cycles of normal degassing or check degassing.
If the top-up requirement is active, it is primary to all other processes because the pressure must be maintained above all else.
5.4.3 Pressure-controlled top-up
Equivalent to factory setting to top-up pressure holding systems with (passive) diaphragm pressure expansion vessels.
The top-up switch-on and switch-off pressures can be edited in the pressure screen.
5.4.4 Level-controlled or externally-controlled top-up (for active pressure maintenance)
The operator has the option to use the level-controlled top-up for pressure maintenance using an automatic pressure holding device.
(See terminal diagram / electrical connection) Topping-up occurs here for as long as the external top-up request is present and Vacumat Eco volume or time-monitoring allows it.
Top-up can also be disabled via software in the Start menu.
5.4.6 Operating mode – fully automatic
Once the system has been fully set up (Start menu completed) and commissioned, and the control unit has been switched on, a delay first occurs; then the temperature in the machine is initially adjusted for a preset period before it is measured. Based on the temperature and the preset check degassing mode, the process in the vessel is regulated so that, after a certain time, it is possible to determine at the pressure switch whether undissolved air still exists in the medium at the level predefined by the degassing mode.
If this is not the case, no air is discharged in check degassing and degassing is interrupted; then, after readjusting the temperature, the gas load is tested again and the process is repeated.
However, if air is discharged from the vessel in the check degassing discharge phase, check degassing is followed by normal degassing; a lower negative pressure is built up than in check degassing and the medium is undersaturated with respect to the existing gas charges. This is repeated cyclically until either check degassing is pending, or the system switches to a degassing wait because no air is discharged at the end of the discharge phase during normal degassing. The system then continues with the temperature adjustments and check degassing after a specified interval time.
5.4.7 Standby operating mode
Topping-up only occurs in this mode during “virtually permanent pauses” in normal degassing, and thus interrupts the pauses.
Check degassing is not performed.
In addition, the standby setting can also be induced by bridging contact 39 and 40 (takes priority over the software setting).
This can be used to, for example, switch off degassing remotely or also to interrupt degassing when the circulation pumps are switched off to prevent inefficient degassing. It is not necessary to wait until the Vacumat Eco detects this problem (with a delay) after check degassing or because no gas is discharged during normal degassing.
5.4.8 Break times/exclusion times with blocking intervals
Break times for degassing can be defined so that a time-limited standby mode is implemented automatically at certain times of day.
Up to 8 blocking intervals can be implemented per day for these breaks which are referred to as exclusion times in this document.
5.4.9 Vacuum test
Requires the supply connection to be shut off when the vessel is full (coming from the system return). When doing so, the pump generates a vacuum after a couple of seconds; the vacuum must remain stable for a specified period of time in order to verify the pump’s performance and ensure the vessel is leak-tight. This test is typically needs to be performed prior to commissioning and after maintenance.
5.5 Marking (with examples and placeholders for variable information)
5.5.1 Type plates
5.5.3 Electrical safety high voltage! Opening by qualified personnel only.
Attention,
Disconnect the unit from the power supply before opening it.
5.5.5 Label from the terminal board cover (inside)

Explanation of the abbreviations on the label on the terminal board cover.
Note: The switch settings shown represent the current-free, non-switched state.
| FU/FC | Frequency converter |
| refill IN 230V | Top-up signal input 230V |
| extra-low voltage | Protective low voltage |
| fault | Fault, common fault output |
| M | Motor (pump motor) |
| high voltage | Voltage as per markings |
| L | Phase |
| N | Neutral wire |
| PE | Protective earth (PE) conductor |
| mains supply | Power feed |
| NO | normally open (volt-free in open position) |
| NC | normally closed (volt-free in closed position) |
| pwm | Input for water meter with pulse output (option) |
| sensor | Sensor |
| system pressure | System pressure sensor input |
| vessel pressure | Vessel pressure sensor input |
| temperature | Temperature sensor input |
| FC out | FC out |
| ohmic load | Ohmic load, resistance |
| motor ball valve | Motor ball valve |
| level switch | Level switch / float switch / dry run protection |
| pressure switch | Pressure switch controlled degassing |
| refill | Top-up |
| release FC | release FC |
| standby | standby |
| mains supply | Mains feed |
| GND/AGND/GNDA | Mass (A=analogue, only connected as per terminal diagram) |
| out analogue | out analogue |
Assembly
6.1 Installing, levelling, bolting – Ensure stability!
Set up the unit on a flat and stable (concrete) surface near the well in the operating / boiler room.
Ensure that a floor drain is available for the unit.
Use both frame holes on the base plate (Ø12) to secure the Vacumat Eco against tipping. Use sufficiently long (stainless) steel screws Ø10 (with plugs and possibly plastic washers) for this in order to anchor them in the ground in such a way that tipping can be prevented, but so that the screw does not transmit structure-borne noise. (Do not tighten the screw too tightly.)
Note the required minimum distances to walls, maintenance areas and assembly areas (see Appendix 1)
6.2 Connecting the pipework
Note: Only working temperatures of between 3 and 90 °C are permissible. Bear this in mind when selecting the place of installation.
Make sure that this connection is made solely with the heat generator and that there are no external hydraulic pressure influences present at the point of entrainment (e.g. hydraulic balancers, distributors).
Pipeline diameters must be at least size DN 32 on the unit’s pressure ports.
If the pipework length is more than 10 metres from the pressure ports to the return pipe, the connection pipes must be at least DN 40. The inlet connections from the system and topping up must be at least DN 20. At least DN 25 must be used for pipelines longer than 10 m. The branch pipe connection lengths to the system must not exceed 20 m. For every 90° bend, one metre of the maximum permitted pipe length must be deducted.
Use sealants and feed lines appropriate to the installation; however, please observe at least the maximum permitted volumetric flow, pressure and temperature values for the pipework in question. (See appendix 1 for diagram.)
Make sure that all connections to the unit are installed so that they are without tension at the joints!
Reinforced hoses must not be subjected to tension, twisting or kinking, etc. If a reinforced hose is used on the inlet to the unit it must be designed to be vacuum-tight!
6.3 Connecting the electrical supply
The power supply connection must be created by the customer between the mains supply and the SPC m1.
The mains supply, earthing system and cable protection must be provided in compliance with the requirements of the responsible power supply company (PSC) and the applicable standards. The required information can be found on the type plate of the control unit and the terminal plan (labelling; Appendix 4).
The mains connection to be provided via a suitable CEE plug / socket combination with load-switching ability or other permissible main switch.
This electrical installation work must be performed by a qualified electrically skilled personnel.
Note: install equipotential bonding between the earth connection and equipotential bonding conductor. The minimum diameter, quality and type of the power cables must comply with the rules and regulations applicable at the installation location for this application. Electrical power cables should be guided along cable gutters at all times.
The finished system allows the user to program the configuration and system-dependent parameters into the control unit.
For more detailed instructions regarding the top up function check additional instructions at www.flamcogroup.com
Commissioning
7.1 Commissioning
Keep a commissioning log!
Check that the installation and assembly actions are complete (e.g. power supply available at the mains distribution board, functioning or activated fuses and protective conductor connections, equipment is free from leaks and the stable setup of the unit).
- After the cap valve and the ball valve on the unit have been opened, the pump automatically de-aerated, the vessel filled with system medium, the air completely discharged from the vessel via the de-aerator unit and the system impermeability is checked, the control unit can be switched on. First the control unit hardware status and then the software status are displayed.
- Now start working through the Start menu. You may need to be logged on with the appropriate access code for any delegated responsibilities. If the responsibilities are delegated to the customer / operator or preset ex works (as in most cases), you will not need a special access code to work through the Start menu.
- After confirming the last menu item in the Start menu: “START”, the system starts fully automatic operation.
7.2 Settings/control actions
Individual control actions can be performed by tapping the sensor surfaces marked with LEDs or with finger movements on the sensor wheel.
When you have worked through the START menu and the system has started up, the system’s status can be precisely monitored using various operational indicators (1 to 3) including statistical analysis of the system values. The basic menu structure can be found in Appendix 3 of this document.
It is possible to change the existing settings via the CONFIGURATION after “START”. As the change to the top-up control type is a basic configuration and possibly also defined by the equipment level, this is only possible via the START menu. To this end, the system is stopped when the “Reset Start menu” item is selected in CONFIGURATION, and a new version of the START menu is worked through based on appropriate prompts. (For this purpose it may be necessary to repeat the pressure settings as they may have been reset to the factory settings.)
7.3 Recommissioning
Recommissioning (e.g., after extended periods of inactivity/shutdown and maintenance) assumes that the system is free from leaks and correctly connected electrically. After extended downtimes it is advisable to perform maintenance before recommissioning.
7.3.1 Visual check of the temperature contact sensor – check assembly
For the Vacumat Eco to function correctly, it is essential that the temperature sensor (Pos. 9 in the system diagram) has a reliable, fixed contact with the pump body through the tensioning strap that attaches it to the pump body. It is also very important that the temperature contact sensor is sufficiently shielded against ambient temperatures with the sensor insulation (pos 17).
This must always be checked during commissioning, system inspection, servicing or maintenance!
7.4 Explanations relating to the SPC m1 control menu
| also includes a vacuum test. | ||
| makes it possible to perform software updates for the SD card via the extension module or to read data. | ||
| must be used to set the correct time on the control unit. (The system clock is battery buffered and lasts for about 10 years without a mains connection.) | ||
| can be selected to choose a language for communicating with the control unit from up to 19 different languages. | ||
| supports the entry of access codes in order for service staff to carry out settings, including setting internal Flamco parameters. | ||
| supports logging out after using access codes. | ||
| Inaccessible for the customer / operator. | ||
| allows users to set or change the different defaults that are relevant for operating the system. | ||
Default —. Fully automatic Optional –. Standby Blocking times Check degassing | (setting up) (software default) Only top-up is possible here! for degassing. Night time breaks can be set up, for example. Check degassing type. Check for gas residual solution content: 8 m1/I of air = MAX 12 m1/I of air = MED 15 mI/I of air = MIN | |
Top-up capacity 8-2-1-3: Parameter l | Pre configuration 50 L (when pulse water meter and make up are configurared by the Sales Engineer or service Department). Accept / edit top-up defaults. | |
Pressure settings 8-3-1: | Default—.Edit factory settings. | |
| Default —. 16 group error messages not on contact. | ||
| Reset Start menu 8-6: | —. Activate editing mode! | |
Maintenance
The components of the Vacumat Eco are largely maintenance-free.
Nevertheless, it is recommended to perform an annual visual check of the system (including for leaks). In addition, the dirt trap to be provided
by the customer in the inflow line must be cleaned at least once a year, even if automatic detection does not require this. Cleaning may also be
done at more frequent intervals (depending on how dirty the system water is).
Should a visual check of the system necessitate further maintenance, this may also only be done by qualified personnel.
The temperature contact sensor must be visually inspected (Check assembly) at least during maintenance!
(already described in Commissioning)
It is also recommended to perform the vacuum test after maintenance.
The menu item Service in the Service menu can be used to read off the next service date. This should be an aid for the Operator.
The next service date (in brackets) is saved here. If the system clock is correctly set, the Operator will be informed about reaching the date via a message.
365 days for maintenance 1 and 548 days (1.5 years) for maintenance 2 are provided after commissioning.
The Vacumat Eco continues to work when a group error message is triggered.
“Service done” should only be confirmed by authorised staff. The control unit then determines the next service date itself.
Maintenance 1 stands for maintenance device.
Maintenance 2 stands for the periodic inspection of electrical equipment.
8.1 Malfunction list / error messages
| Error no. | Error message | Error / Name | Effect / Action | holding / subject to mandatory acknowledgement | |
| PS 20mA i | Pressure sensor overcurrent / sensor fault | System in forced rest; motor, motor ball valve immediately Off / Reduce pressure in system / change sensor. | No | ||
| PS 4mA 1 | Pressure sensor cable break / sensor fault | System in forced idle mode; motor, motor ball valve immediately Off / Repair cable / change sensor. | |||
| VS 20mA I | Vacuum sensor overcurrent / sensor fault | System in forced idle mode; motor, motor ball valve immediately Off / Reduce pressure / change sensor. | NO | ||
| 5 | VS 4mA I | Vacuum sensor cable break / sensor fault | System in forced idle mode; motor, motor ball valve immediately Off / Repair cable / change sensor. | NO | |
| 6 | li Temp | Temperature sensor short circuit / sensor fault | Fault shutdown / Check cable and clamping/ change sensor. | NO | |
| 7 | Tj Temp | Temperature sensor cable break / sensor fault | Fault shutdown / repair cable / change sensor. | NO | |
| 8 | ,L Pressure | Lower alarm limit pressure undershot (Pa min) | Fault shutdown / Lead pressure in the working pressure range. | NO | |
| 9 | i Pressure | Upper alarm limit pressure exceeded (Pa max) | Fault shutdown / Lead pressure in the working pressure range. | NO | |
| 12 | L Temp | Temperature range undershot | Fault shutdown / guide temperature to operating temperature range. | NO | |
| 13 | i Temp | Temperature range exceeded | Fault shutdown / guide temperature to operating temperature range. Fault shutdown. | NO | |
| 14 | TC / FC motor | TC / FC message motor pump | System in forced idle mode; motor, motor ball valve immediately Off/ switch off, 5 min break, switch on. | YES | |
| 15 | Dry running | Filling level limit in the vessel permanently undershot | System in forced idle mode; motor, motor ball valve immediately Off/ expand supply line, exclude pressure port contraction. | YES | |
| 22 | Top-up volume | IWZ (pulse water meter) delivers no water after top-up request | Top-up off / Ensure supply. | YES | |
| Error no. | Error message | Error / Name | Effect/Action | holding subject to mandatory acknowledgement |
| 23 | Top-up inadmissible | Top.up without request (IWZ delivers signals without supply) | Top-up off / check motor ball valve for leaks for top-up. | YES |
| 24 | Top-up interval 1 | minimum top-up cycle interval undershot | Top-up of / correct defaults if necessary; exclude pipe burst. | YES |
| 25 | Top-up number i | maximum number of cycles within a time window exceeded | Top-up of / correct defaults if necessary; exclude pipe burst. | YES |
| 26 | Top-up volume T | Maximum volume exceeded in a top-up cycle (with IWZ) | Top-up of / correct defaults if necessary; exclude pipe burst. | YES |
| 27 | Top-up time’ | Maximum time for top-up cycle exceeded (without IWZ) | Top-up of / correct defaults if necessary; exclude pipe burst. | YES |
| 31 | v 3 T | Water treatment module processing amount exceeded | Top-up off / correct defaults if necessary; replace treatment module. | YES |
| 35 | Temp controller | Target pressure control defective. Desired pressure in vessel not reached. | Override fault – target pressure in vessel not reached/contact the service department Strainer possibly blocked or vacuum leak. | |
| 37 | ID output | Discharge pressure not reached within the ‘maximum duration for waiting for ejection pressure cycle end to be reached” | Fault shutdown – target pressure in vessel not reached / contact service. Possibility of a contaminated filter. | YES |
| 39 | Pa max I | Pa max exceeded | Fault shutdown / Reduce pressure to within the working pressure range. | YES |
| 41 | Adjust psys | Adjust system pressure fault | Motor shutdown / Ensure inlet pressure from the system. | YES |
| 42 | No charactenst c curve | No valid degassing characteristic curve | No valid degassing characteristic curve. | YES |
| 55 | v 1 f | Water treatment module processing amount warning threshold 1 | No / Prepare module replacement. (consumption at 70%) | YES |
| 56 | Maintenance 11 | Next maintenance type 1 is pending | No / Perform maintenance 1. | YES |
| 57 | Maintenance 2! | Next maintenance type 2 is pending | No / Perform maintenance 2. | YES |
| 60 | Extension | Last external module action with errors ended | No / repeat action if necessary. | YES |
| 61 | v 2 ( | Water treatment module processing amount warning threshold 2 | No/ prepare module replacement (consumption at 90%) perform module replacement immediately if necessary. | YES |
If any errors other than those described occur and they cause permanent problems (not self-acknowledging), please contact the service to solve the problem!
Appendix 1 Technical data, general specifications
1.1 Ambient conditions
1.2 Installation examples Integration in a heating system

1.3 Example of a unit / pipeline integration

1.4 Minimum distances: clearance for service and repair.

Appendix 2. Technical data, specifications

Appendix 3 Menu structure of the SPC m1 – diagram

Appendix 4 Terminal diagram

Appendix 5 Optional accessories and their integration
Optional accessories and their integration Otherwise, the unit is fully set up.
5.1 System separation by top-up unit (NFE)
Top-up medium must be free of particles (greater than 0.5 mm) and long-fibered components.
If the system still needs to be separated (from the potable water network), it is possible to use NFE 1.1 and NFE1.2.
See System layout – system diagram.
The inlet flow pressure to the NFE1.x must be at least 1.3 bar.
When using NFE1.2, this needs to be attached to the control unit as per the terminal diagram and configured. (Specify use of IWZ (pulse water meter).) Set menu point top-up settings 8-2-1 to IWZ.
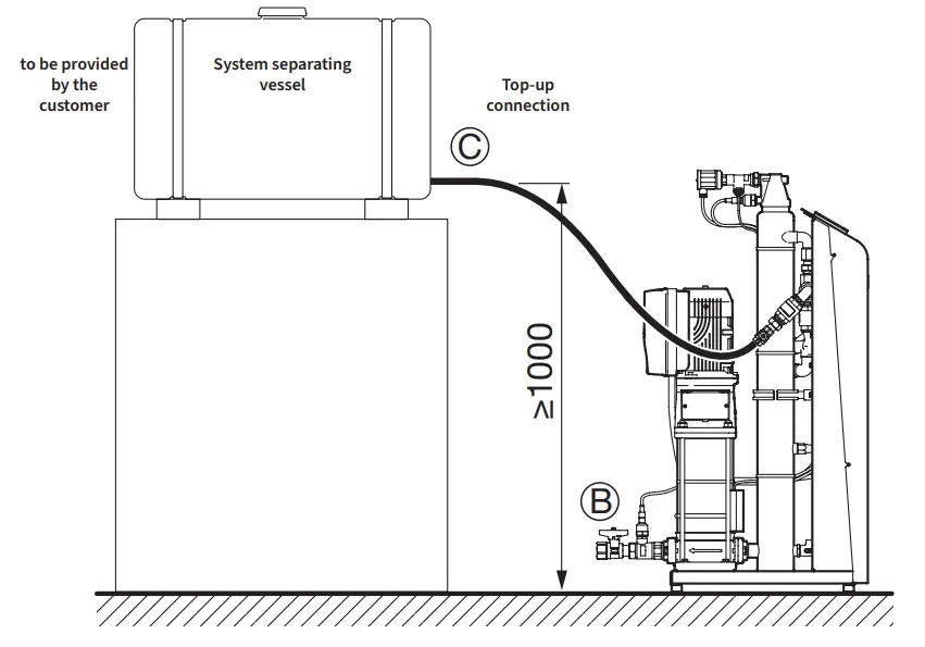
5.2 Top-up from a system separator vessel
The following must be observed if topping-up from a system separator vessel:
The system separator vessel is not monitored by Vacumat Eco (Operator’s responsibility).
The smallest water level in the collection vessel must not be deeper than 1000 mm above the installation height of the Vacumat Eco unit.

Appendix 6 MeiFlow L MF Connector kit
The MeiFlow L MF Connector kit is used to easily connect the large distribution systems with pressure maintenance/degassing machines by means of a BigFixLock adapter plate DN150 with 2 threaded connections (1 1/4” male). The connection pipe (provided by the customer) to the respective vending machine can be connected to these sockets. The EPDM inliner is used to separate the flow rates of the machines. Advantages
- Easy installation due to BigFixLock connection
- Predefined connection point to additional system components directly on the manifold beam.
- Additional filling and draining or sensor installation option.

EU Declaration of Conformity




















