Hunter MB561 Zeal with LED Light 52 inch Ceiling Fan
Product Information
Zeal Kurma Fan (MB561 r121222)
Zeal Kurma Fan is a high-quality ceiling fan designed to provide efficient and effective cooling. It comes with a user manual that provides detailed installation, operation, and maintenance instructions in various languages, including English, German, French, and Italian. The fan is designed to be simple and easy to install, with all necessary parts included in the package. The fan weighs 9.4 kg and comes with fasteners that can support up to four times its weight.
Product Usage Instructions
Before installing the Zeal Kurma Fan, read the user manual carefully and keep it for future reference. Make sure you have all the necessary tools and parts before starting the installation process.
1. Turn off the power supply by switching off the circuit breaker connected to the fan’s electrical box.
2. Check the site where you plan to install the fan. It should have a switch with at least 3mm of separation space on all poles. If the switch cannot be turned off, attach a warning sign to the central control panel.
3. Follow the instructions provided in the manual to install the fan securely. Make sure to use only the included hardware and fasteners to avoid any accidents.
4. Once installed, connect the fan directly to the building’s support structure as per the instructions provided in the manual.
5. Before turning on the power supply, ensure that all connections are secure and have been made correctly.
6. Turn on the power supply and switch on the fan using the switch provided.
To maintain your Zeal Kurma Fan, follow the instructions provided in the manual. Do not attempt to repair or replace any parts unless you are qualified to do so. If you notice any unusual movements or oscillations, stop using the fan immediately and contact the manufacturer or a qualified technician.
WARNING: Keep the user manual for future reference. Do not allow children to play with the fan or attempt to clean or maintain it without supervision.
WARNING! Important Instructions: Keep Instructions for future use
Be sure to read the entire manual before beginning installation and save any extra parts for future use. The mounting of the suspension system shall be performed by the manufacturer, its service agent, or suitably qualified persons. Lift fan weight 9.4 kg. The fixing means for attachment to the ceiling such as hooks or other devices shall be fixed with a sufficient strength to withstand four times the weight of the ceiling fan. If unusual oscillating movement is observed, immediately stop using the ceiling fan and contact the manufacturer, its service agent, or suitable qualified persons. The replacement of parts of the safety suspension system device shall be performed by the manufacturer, its service agent, or suitable qualified persons. Blades must be more than 2.3m from the floor. The installation site must have an all-pole switch with a separation gap of at least 3 mm. To avoid possible electric shock, before wiring the fan, disconnect power by turning off the circuit breakers to both the outlet box and its associated wall switch location. If you cannot lock the circuit breakers in the off position, securely fasten a prominent warning device, such as a tag, to the service panel. All wiring must be in accordance with national and local electrical codes. If you are unfamiliar with wiring, you should use a qualified electrician. To reduce the risk of personal injury, do not bend the blade attachment system when installing, balancing, or cleaning the fan. Never insert foreign objects between rotating blades. This appliance can be used by children aged from 8 years and above and persons with reduced physical, sensory or mental capabilities or lack of experience and knowledge if they have been given supervision or instruction concerning use of the appliance in a safe way and understand the hazards involved. Children shall not play with the appliance. Cleaning and user maintenance shall not be made by children without supervision. It is recommended that children be supervised to ensure that they are not using the appliance improperly. To reduce the risk of personal injury, attach the fan directly to the support structure of the building according to these instructions and use only the hardware supplied.
TOOLS
MOUNTING
STANDARD MOUNTING
Fan Mounting Options
There are different ways to mount your ceiling fan, depending on your needs and the style of your ceiling.
Standard Mounting is the most common way to mount a ceiling fan.
Blades must be more than 2.3m from the floor
ANGLED MOUNTING
Angle Mounting is especially useful for vaulted or angled ceilings.
If angle mounting, orient the ceiling plate with the arrows pointing toward the ceiling peak.
POWER
Turn Power OFF
BUMPERS
Make sure all four (4) bumpers are still attached.
FOR CONCRETE CEILINGS
If you have a concrete ceiling, follow steps 1-4 before proceeding to page 15 . If you have a non-concrete ceiling, follow steps 5-9 before proceeding to.
Identify the supply mains in the ceiling and drill two holes using the ceiling plate (A) as a guide for measurement and accuracy.
Drive the M6 x 50 mm expansion anchors (A) into the holes until there is only approximately 10 mm of exposed anchor.
Thread the supply mains (A) through the center hole of the ceiling plate (B).

Align the Anchor bolts (A) with the oval slots in the ceiling plate (C). Push the Ceiling Plate onto the anchors (B) until the rubber isolators (D) are tight against the ceiling. Place the flat washer, spring washer, and nut (E) onto the anchor bolt and secure tightly. Proceed to.
FOR NON-CONCRETE CEILINGS
Drill two pilot holes into the wood support structure using the ceiling plate (A) as a guide for measurement and accuracy.
Place a flat washer (A) on both of the wood screws (B).
Thread the supply mains (A)through the center hole of the ceiling plate (B).
Raise the ceiling plate (A) and align two opposing oval slots with the pilot holes (B). Insert and tighten the two wood screws (C) with washers (D) to secure the ceiling plate (A) to the ceiling.
WARNING!
To reduce the risk of fire, electrical shock, or motor damage, do not lift or carry the fan by the lead wires. To prevent damage to the wires on the bottom of the fan assembly, do not sit fan on hard surface. Use foam inside box as support. The pipe adapter has a special coating on the threads. Do not remove this coating; it prevents the pipe from unscrewing. Once assembled, do not remove the pipe.
BLADE IRONS
Turn the motor assembly upside down and place it in one of the holes in the packaging.
Install a blade iron to the blade iron mounting plate using two blade iron assembly screws, found in the hardware bag. Repeat this process to install all blade irons.
Partially install two light kit assembly screws, found in the
hardware bag, halfway into the motor housing as shown. It does not matter which two screw holes you choose.
Feed the 9-pin plug connector coming from the bottom of the motor housing through the center hole in the light kit assembly. Align the keyhole slots in the top of the light kit assembly with the partially installed assembly screws. Wrap the keyhole slots around the screws and twist counterclockwise.
Insert a third light kit assembly screw, found in the
hardware bag, into place and tighten all three screws securely.
Partially install two of the light kit screws found in the
bag. It does not matter which two screw holes you choose. Connect the plugs from the upper and lower switch housings. Make sure to line up the colored markings on the connectors.
Align the keyhole slots in the light kit housing with the two screws. Make sure all the wires from the fan and the light kit are snug inside the center of the light kit, not pinched in between the upper switch housing and the light kit or hanging out of the sides.
Turn the light kit counterclockwise until the light kit screws are firmly situated in the narrow end of the keyhole slots. Install the third screw and tighten all three screws
securely.
WARNING!
To reduce the risk of fire, electrical shock, or motor damage, do not lift or carry the fan by the lead wires. To prevent damage to the wires on the bottom of the fan assembly, do not sit fan on hard surface. Use foam inside box as support. The pipe adapter has a special coating on the threads. Do not remove this coating; it prevents the pipe from unscrewing. Once assembled, do not remove the pipe.
DOWNROD INSTRUCTIONS
- Shorter Downrod (A) for fans installed close to ceiling (Included)
- Standard Downrod (B) for ceilings 2,4-3 m (8-10’) high (Included)
- Longer Downrod (C) for angled ceilings or ceilings 3 m (10’) or higher (Sold Separately)
- If you need a different downrod length follow these steps: Steps 6-10 to reassemble with new pipe
Back out the pre-installed setscrew (A) so that the setscrew’s threads are still engaged while the shank does not protrude and obstruct the insertion of the downrod (B). Guide the downrod ball (C), sleeve (D), and downrod (B) down the wires coming from the fan.
Slide the downrod sleeve (A) up the downrod. Insert the down rod pin (B) into the pin hole (C) on the top of the downrod.
DOWNROD BALL INSTRUCTIONS
Slide the downrod ball (A) up the length of the downrod pipe. Align the downrod pin (B) with the notches in the downrod ball (A).
Insert the downrod ball screw (A) into the hole in the top of the downrod ball.
DOWNROD TIGHTENING
Hand tighten the downrod (at least 4-5 full turns) until it stops.
Tighten the setscrew with pliers. DO NOT HAND TIGHTEN.
FAN FALL HAZARD: To prevent SERIOUS INJURY or DEATH, ALWAYS tighten setscrew with pliers. DO NOT hand tighten setscrew. CHECK the setscrew is tight using pliers each time you change fan direction.
CANOPY
Put the wires and downrod through the canopy. Let the canopy sit loosely on top of the fan.
DO NOT PICK THE FAN UP BY THE CANOPY OR WIRES.
Place the downrod ball into the slot in the ceiling bracket.
WARNING!
To avoid possible electric shock, before wiring the fan, disconnect power by turning off the circuit breakers to both the outlet box and its associated wall switch location. If you cannot lock the circuit breakers in the off position, securely fasten a prominent warning device, such as a tag, to the service panel. All wiring must be in accordance with national and local electrical codes. If you are unfamiliar with wiring, you should use a qualified electrician.
Connect wiring harness from canopy mount (A) to wiring harness from fan body (C).
WIRING
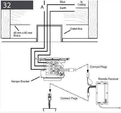
Pull the supply mains (A) through the side of the hanger bracket (B).
This is the procedure for steps 25-29. Thread the end of each wire into the terminal block (A) on the hanger bracket, then secure each supply main (B) by tightening the small setscrews (C).
Earth wire (A) (green/yellow) to terminal (B) marked
.
Earth wire from downrod (C) to terminal (B) marked
.
Neutral wire (A) (blue) to terminal (B) marked “N”.
Line wire (A) (brown) to terminal (B) marked “L”.
An additional “L” terminal is provided for separate control of the light kit if a separate line is provided for that purpose.
Make wire connections using the 4-pin plugs coming from the receiver, fan, and hanger bracket as shown. Connect the female plug from the receiver to the male plug from the hanger bracket. Connect the male plug from the receiver to the female plug from the fan.
Place receiver in ceiling bracket. Excess wire may be placed into the outlet box for non-concrete ceilings or inside the hanger bracket for concrete ceilings.
WARNING!
Be sure no bare wire or wire strands are visible after making connections. Failure to complete the following steps carefully could result in the fan falling.
CANOPY
Position the canopy so that, when lifted into place, the canopy fits into the hanging bracket as shown.
Lift the canopy into place so that the screw holes(A) are aligned.
Insert the two canopy screws found in the
hardware bag.
Attach each blade to a blade iron using blade washers, found in the
hardware bag, and blade assembly screws, found in the
hardware bag.
Install a light bulb in each socket.
Lift the globe and align the notches (A) in the globe with the tabs (B) in the light kit. Attach the glass bowl to the light kit by twisting it clockwise until it snaps into place.
To access the battery compartment, remove the battery door from the transmitter assembly. Install two AAA batteries, found in the remote control hardware bag, into the transmitter. Clean the battery contacts prior to installing the batteries.
Turn Power ON
- Always purchase the correct size and grade of battery most suitable for the intended use.
- Replace all batteries of a set at the same time.
- Ensure the batteries are installed correctly with regard to polarity (+ and -).
Wireless frequency: 433.93MHz
Maximum Output Power: less than 1.0mW
The remote transmitter should already be paired to the receiver and ready to use.
Note: If your need to pair your remote, remove the battery door. Cycle power to the fan by turning power off and back on at the wall switch (or circuit breaker if necessary). Within three minutes, press the pair button on the remote. To prevent faulty operation, please disconnect power from all other ceiling fans within range while pairing.
Fan Operation:
Press and quickly release the fan button on the remote control to turn the fan OFF or ON. Use the fan control directional pad to raise or lower the fan to the desired speed.
Light Operation (for fans with a light kit):
Press and quickly release the light button on the remote control to turn the light OFF or ON. Press and hold the light button for continuous dim.
WARNING!
To reduce the risk of burns and eye damage or electrical shock, disconnect power and allow bulb to cool for at least 5 minutes before replacing. Do not touch the bulb. Do not look directly at lighted lamp. Replace the glass shade, if broken.
Changing the bulbs – rotate the globe counter clockwise and lower once released from the tabs. Replace bulbs with bulbs of the same type and wattage. Reinstall the globe.
To switch the direction of air flow, move the reverse switch to the opposite position. You will need to remove the light kit glass to do so.
In warm weather, ceiling fans work best by blowing air downward (counterclockwise) providing the room with a cool breeze.
In cool weather, set your fan to draw air upward (clockwise) to distribute the warmer air trapped at the ceiling without causing a draft.
Cleaning and Maintenance
Caring for finishes:
For cleaning, a soft brush or lint-free cloth should be used to prevent scratching the finish. A vacuum cleaner brush nozzle can remove heavier dust. Surface smudges or an accumulation of dirt and dust can be easily removed by using a mild detergent and a slightly dampened cloth. An artistic agent may be used, but never use abrasive cleaning agents as they will damage the finish.
Caring for blades:
Wood finish blades should be cleaned with a furniture polish cloth. Occasionally, a light coat of furniture polish may be applied for added protection and beauty. Painted and high-gloss blades may be cleaned in the same manner as the fan finish.
If you need parts or service assistance contact your Hunter Fan retailer or visit out website at: http://www.HunterFanInternational.com.
Troubleshooting
Problem: Nothing happens; fan does not move.
Solution:
- Turn power on, replace fuse, or reset breaker.
- Loosen canopy, check all wiring connections.
- Push reversing switch firmly left or right.
- Set the dial to the desired fan speed.
Problem: Noisy operation.
Solution:
• Tighten blade assembly and blade mounting screws until snug.
• Replace all blades.
Problem: Excessive wobbling.
Solution:
- Use balancing kit included with fan.
Tighten all screws.
Make sure the fan is secure on the hanger bracket.
Turn power off, support fan very carefully and check that the Trilobular™ ball is properly seated.
If you have tried these troubleshooting solutions and still
have trouble, visit our website at: http://www.HunterFanInternational.com.
























