PHILIPS GC485, GC486 Stand Steamer

Your appliance has been designed to be used with tap water. In case you live in an area with hard water, fast scale build-up may occur. Therefore, it is recommended to use water without minerals such as distilled or purified water to prolong the lifetime of your appliance.
Note: Do not add perfume, vinegar, mineral water, starch, descaling agents, ironing aids, chemically descaled water or other chemicals as they may cause water spitting, brown staining, or damage to your appliance

Multi steam settings are provided to save water and energy. You can increase the steam setting for more steam power at any point of time. The appliance is safe to use on all fabrics at any setting.
Note: The steam supply hose becomes warm during steaming. This is normal.

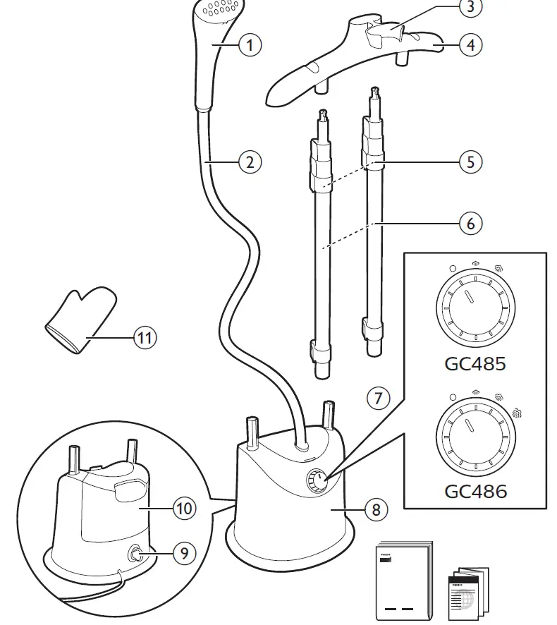
Put the glove on the hand you are using to hold a garment. The glove protects your hand against the steam from the steamer head.

To maintain optimal steam performance and prolong the lifetime of the appliance, it is important to remove scales and impurities inside the appliance regularly. Therefore, it is recommended to perform the de-calc process at least once a month. Before you start de-calc process, make sure there is some water in the water tank.

Note: Clean the appliance and wipe any deposits off the steamer head with a damp cloth and non-abrasive liquid cleaning agent. Always empty the water tank after usage, to prevent calc build-up and maintain good steam performance. We will recommend you to store the set in an up-right position, with steamer head docking at the top. Do avoid any bending of hose.

Note: Use a soft bristle bendable brush to clean the inner of the water tank (brush is not included).
Note: Do not add perfume, vinegar, mineral water, starch, descaling agents, ironing aids, chemically descaled water or other chemicals as they may cause water spitting, brown staining, or damage to your appliance.

| Problem | Possible cause | Solution |
| The appliance produces no steam or irregular steam. | The steamer has not heated up sufficiently. | Let the appliance heat up for approximately 45 seconds. |
| Steam has condensed in the hose. | Lift the steamer head to straighten the hose vertically. This allows any condensation to flow back. | |
| Low water level in the tank or the tank is not inserted properly. | Refill the water tank and insert it properly. | |
| Too much scale has built up in the appliance. | Perform de-calc process. Refer to section. | |
| Water droplets | You have left the | Lift the steamer head |
| drip from the | steamer head and/or | to straighten the hose |
| steamer head or the | the steam supply hose | vertically. This allows |
| appliance produces | in horizontal position | any condensation to |
| a croaking sound. | for a long time. | flow back. |
| When the hose forms a U-shape, condensation in the hose cannot flow back into the water tank. | Lift the steamer head to straighten the hose vertically. This allows any condensation to flow back. | |
| An excessive amount | The water in the | Perform de-calc |
| of water drips out of | appliance is dirty or | process. Refer to |
| the steamer head | has been left inside the | section. |
| when the appliance | appliance for a long | |
| is heating up. | time. | |
| Water leaks out from the steamer base. | You have not closed the water tank cap or de-calc knob securely. | Close the water tank cap or de-calc knob securely. |
| The water tank is not inserted properly. | Insert the tank properly. |

components name

- Steamer head
- Steam supply hose
- Steamer head holder
- Hanger
- Pole lock clip
- Pole
- Steam dial
- Base
- De-calc knob
- Water tank
- Glove
safety instructions

Introduction
Congratulations on your purchase and welcome to Philips! To fully benefit from the support that Philips offers, register your product at www.philips.com/welcome.
Important
Read this important information before you use the appliance and save t for future reference.
Danger
- Never immerse the appliance in water or any other liquid, nor rinse it under the tap.
Warning
- Check if the voltage indicated on the appliance corresponds to the local mains voltage before you connect the appliance.
- Do not use the appliance if the plug, mains cord or the appliance itself shows visible damage, or if the appliance has been dropped or leaks.
- Do not connect the appliance to a direct current supply.
- Always return the appliance to a service centre authorised by Philips for examination or repair.
- Do not attempt to repair the appliance yourself, otherwise the guarantee becomes invalid.
- If the mains cord is damaged you must have it replaced by Philips, a service centre authorized by Philips or similarly qualified persons in order to avoid a hazard.
- Never leave the appliance unattended when it is connected to the mains.
- This appliance can be used by children aged from 8 years and above and persons with reduced physical, sensory or mental capabilities or lack of experience and knowledge if they have been given supervision or instruction concerning use of the appliance in a safe way and understand the hazards involved.
- When you have finished steaming, when you fill or empty the water tank, when you perform cleaning and rinsing and when you leave the appliance even for a short while, remove the mains plug from the wall socket.
- Keep the appliance and its cord out of children less than 8 years of age when it is energized or cooling down.
- Children should be supervised to ensure that they do not play with the appliance. Cleaning and user maintenance shall not be made by children without supervision.
- Only connect the appliance to an earthed wall socket.
- Do not open the de-calc knob when the appliance is ON. Follow instruction manual recommendation on the cooling time before opening.
- Do not place the appliance on a surface with the steamer head touching the surface while the appliance is hot or connected to the mains.
- Do not let the mains cord come into contact with hot steam when the appliance is in operation.
- Keep the water tank closed after filling it and while using the appliance.
- The plug must be plugged to a power outlet of the same technical characteristics of the plug only.
- Do not shake the steamer head while the appliance is in operation.
Caution - Check the mains cord regularly for possible damage.
- Beware of hot steam and hot water that comes out from steamer nozzle during use. Steam and hot water can cause burns. Care should be taken when using the appliance due to the emission of steam.
- The nozzle of steamer head can become extremely hot and may cause burns if touched.
- Unplug the appliance during filling and cleaning.
- This appliance is intended for household use only.
- Never drag or pull the appliance across the floor.
- Do not place the steamer base on top of table or chair but rather keep the steamer base on the floor during usage duration.
- If the hose forms a U shape, steam condenses in the hose. This causes irregular steam or water droplets to come out of the steamer head.
- Steam may damage or cause discolouration of certain wall or door finishes.
- Do not use the appliance when the water tank is empty.
- Do not open the de-calc knob when the appliance is ON. Follow instruction manual recommendation on the cooling time before opening.
Electromagnetic fields (EMF)
This Philips appliance complies with all applicable standards and regulations regarding exposure to electromagnetic fields.
Recycling
- This symbol means that this product shall not be disposed of with normal household waste (2012/19/EU).
- Follow your country’s rules for the separate collection of electrical and electronic products. Correct disposal helps prevent negative consequences for the environment and human health.
Guarantee and support
If you need information or support, please visit www.philips.com/support or read the separate worldwide guarantee leaflet.



















