
52W – 104W ALED
Instructions
52W – 104W ALED
RAB Lighting is committed to creating high-quality, affordable, well-designed and energy-efficient LED lighting and controls that make it easy for electricians to install and end users to save energy. We’d love to hear your comments. Please call the Marketing Department at 888-RAB-1000 or email: [email protected]
![]() | ||
| ALED 52W – 104W Standard (15 Deg) | ALEDC 52W – 104W Cutoff (7.5 Deg) | ALEDFC 52W – 104W Full Cutoff (0 Deg) |
IMPORTANT
READ CAREFULLY BEFORE INSTALLING FIXTURE. RETAIN THESE INSTRUCTIONS FOR FUTURE REFERENCE. RAB fixtures must be wired in accordance with the National Electrical Code and all applicable local codes. Proper grounding is required for safety. THIS PRODUCT MUST BE INSTALLED IN ACCORDANCE WITH THE APPLICABLE INSTALLATION CODE BY A PERSON FAMILIAR WITH THE CONSTRUCTION AND OPERATION OF THE PRODUCT AND THE HAZARDS INVOLVED.
WARNING: Make certain power is OFF before installing or maintaining fixture. No user serviceable parts inside.
MOUNTING TO POLE
Mount directly to 4” or larger square steel pole. Do not separate Pole Arm from Housing.
- Remove Pole Arm Cover Plate by loosening Screws (2).
- Place Pole Gasket between the Pole Arm and drilled Pole as shown. Line up center hole with center hole in the Pole Drilling Pattern.
- Insert 3/8-16 x 1 1/4” Bolts from the Pole Arm thru the top hole of the Pole and thread into the Bolster Plate. Longer 2 1/4” bolts provided for use with round pole and round pole adaptor. For PAD4 applications use Bolts, Nuts, Lockwashers and Washers and tighten inside the PAD4. Do not use Bolster Plate.
- Knot wires in Pole for strain relief and feed wires from the Pole into the Pole Arm. Make the necessary wiring connections in the Pole Arm with UL approved connectors.
- Install the Arm Gasket on to the Pole Arm Cover Plate and secure it with the Screws (2). Cover the Screws with provided Caps. Install the Pole Cap.
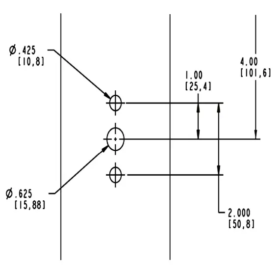
POLE DRILLING PATTERN DETAILS
For non-RAB poles use these dimensions to drill the pole. This template is not to scale. Please use measurements shown.
ON/OFF WIRING
Universal voltage driver permits operation at 120V to 277VAC, 50 or 60 Hz except fixtures factory ordered with a 120V swivel photocell (/PCS) or 277V swivel photocell (/PCS2) or 480V swivel photocell (/PCS4). Units ordered with (/480V) suffix are 480V.
- Connect the black fixture lead to the (+) LINE supply lead.
- Connect the white fixture lead to the (-) COMMON supply lead.
- Connect the bare copper GROUND wire from fixture to supply GROUND.
0-10V DIMMABLE WIRING
Universal voltage driver permits operation at 120V thru 277V, 50 or 60 Hz. For 0-10V Dimming follow the wiring directions shown below.
- Connect the black fixture lead to the (+) LINE supply lead.
- Connect the white fixture lead to the (-) COMMON supply lead.
- Connect the GROUND wire from fixture to supply ground. Do NOT connect the GROUND of the dimming fixture to the output.
- Connect the purple fixture lead to the (V+) DIM lead.
- Connect the pink (or gray) fixture lead to the (V-) DIM lead.
- Cap the yellow fixture lead, if present. Do NOT connect.
CLEANING & MAINTENANCE
CAUTION: Be sure fixture temperature is cool enough to touch. Do not clean or maintain while fixture is energized.
- Clean glass lens with non-abrasive glass cleaning solution.
- Do not open the fixture to clean the LED. Do not touch the LED.
TROUBLESHOOTING
- Check that the line voltage at the fixture is correct. Refer to wiring directions.
- Is the fixture grounded properly?
- Is the photocell, if used, functioning properly?
Note: These instructions do not cover all details or variations in equipment nor do they provide for every possible situation during installation, operation or maintenance.
© 2021 RAB LIGHTING Inc.
ALED 52/80/104W W – IN
73109-RAB
Easy Answers
rablighting.com
Visit our website for product info
Tech Help Line
Call our experts: 888 722-1000
e-mail
Answered promptly – [email protected]
Free Lighting Layouts
Answered online or by request
RAB WARRANTY: RAB’s warranty is subject to all terms and conditions found at rablighting.com/warranty.

CLEANING & MAINTENANCE















