ELATEC TWN4 MultiTech Smartcard Legic M
INTRODUCTION
ABOUT THIS MANUAL
This integration manual explains how to integrate ELATEC RFID reader/writer module TWN4 MultiTech SmartCard LEGIC M into a host device and is mainly intended for integrators and host manufacturers. Before installing the product, the integrators should read and understand the content of this integration manual and other relevant installation documents.
The content of this integration manual is subject to changes without prior notice and printed versions might be obsolete. Integrators and host manufacturers are required to use the latest version of this integration manual.
For the sake of better understanding and readability, this manual might contain exemplary pictures, drawings and other illustrations. Depending on your product configuration, these pictures might differ from the actual design of your product.
The original version of this integration manual has been written in English. Wherever the integration manual is available in another language, it is considered as a translation of the original document for information purposes only. In case of discrepancy, the original version in English will prevail.
ABOUT TWN4 MULTITECH SMARTCARD LEGIC M
ELATEC TWN4 MultiTech SmartCard LEGIC M is a combination of TWN4 MultiTech LEGIC M (RFID) with an integrated contact card reader/writer (ISO 7816). It allows users to read and write almost any 125 kHz and 13.56 MHz transponders supporting all major technologies from various suppliers like ATMEL, EM, ST, NXP, TI, HID, LEGIC, etc. and many ISO standards such as ISO 14443A/B (T=CL), ISO 15693 and ISO 18092 / ECMA-340 (NFC). The integrated chip card reader is designed for easy integration into various applications.
ELATEC SUPPORT
In case of any technical questions, refer to the ELATEC website (www.elatec.com) or contact ELATEC technical support at
[email protected]
REVISION HISTORY
| VERSION | CHANGE DESCRIPTION | EDITION |
| 01 | First edition (replaces ELATEC TWN4 MultiTech SmartCard LEGIC M Integration Manual, DocRev2, dated 04/2021) | 03/2022 |
SAFETY INFORMATION
- ELATEC TWN4 MultiTech SmartCard LEGIC M is an electronic component and should be installed exclusively by a trained and qualified personnel.
- ELATEC recommends the integrators to follow general ESD protective measures during the installation of TWN4 MultiTech SmartCard LEGIC M into a host device, e.g. the use of an antistatic wristband or special gloves.
- The integrator should not touch the antennas (if not shielded), printed circuit boards, connectors or other sensitive components on TWN4 MultiTech SmartCard LEGIC M.
- Metallic materials on or in direct vicinity to the product might reduce the reading performance of the product. Refer to the installation instructions for more information.
- Before installing TWN4 MultiTech SmartCard LEGIC M into a host device, the integrator should also make sure that he/she has read and understood the ELATEC technical documentation related to TWN4 MultiTech SmartCard LEGIC M, as well as the technical documentation related to the host device. In particular, the instructions and safety information given in the user manual of TWN4 MultiTech SmartCard LEGIC M should be read carefully and listed in the technical documentation of the host manufacturer as well, as soon as these instructions and safety information are required for a safe and proper use of the host device containing TWN4 MultiTech SmartCard LEGIC M.
- Any failure to comply with the safety information given in this document and in the user manual, is considered improper use. ELATEC excludes any liability in case of improper use or faulty product installation.
INTEGRATION INSTRUCTIONS
GENERAL
TWN4 MultiTech SmartCard LEGIC M may be installed in any host devices, as long as it is operated under the operational conditions stated in the user manual and other technical documents (e.g. data sheet). TWN4 MultiTech SmartCard LEGIC M is equipped with two integrated antennas. Thus, no antenna installation is required.
LIST OF APPLICABLE RULES
Refer to the approval certificates, grants and declarations of conformity issued for TWN4 MultiTech SmartCard LEGIC M, and to Chapter “Compliance Statements” for a detailed list of the rules applicable to TWN4 MultiTech SmartCard LEGIC M.
SPECIFIC OPERATIONAL USE CONDITIONS
There are no specific operational use conditions for TWN4 MultiTech SmartCard LEGIC M other than the conditions mentioned in the user manual and data sheet of TWN4 MultiTech SmartCard LEGIC M. The host manufacturer or integrator must ensure that these use conditions comply with the use conditions of the host device. In addition, these use conditions must be stated in the user manual of the host device.
LIMITED MODULE PROCEDURES
n/a
TRACE ANTENNA DESIGN
n/a
RF EXPOSURE CONSIDERATIONS
The module antenna(s) must be installed to meet the RF exposure compliance separation distance of 0 cm and any additional testing and authorization process as required.
Refer to Chapter “Compliance Statements” for detailed information about the radio frequency exposure conditions applicable to TWN4 MultiTech SmartCard LEGIC M.
These RF exposure conditions must be stated in the end-product manual(s) of the host product manufacturer.
ANTENNAS
TWN4 MultiTech SmartCard LEGIC M is equipped with the following antennas:
- HF antenna (13.56 MHz)
Dimensions: 45 x 48 mm / 1.77 x 1.89 inch
Number of turns: 3 - LF antenna (125 kHz)
Dimensions: 31 x 32 mm / 1.22 x 1.26 inch
Number of turns: 155
For more information, refer to the related product data sheet or other relevant technical documents.
LABEL AND COMPLIANCE INFORMATION
Refer to Chapters “Compliance Statements” and “Integrator and Host Requirements” for detailed label and compliance information.
TEST MODES AND ADDITIONAL TESTING REQUIREMENTS
No specific testing method has been defined by ELATEC for TWN4 MultiTech SmartCard LEGIC M.
TWN4 MultiTech SmartCard LEGIC M has been tested and found in compliance with the specifications noted on the approval certificates and other relevant approval documents. However, the integrator is still responsible for any additional testing and authorization process required for the end product.
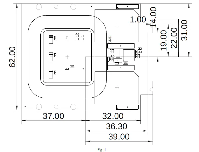
MECHANICAL INSTALLATION
Fig. 1
There are 4 holes for mechanical fixation of the board (see Fig. 1).
ELECTRICAL CONNECTION
The module can be connected via USB or RS-232 (see Fig. 1). The input voltage is 4.3 V to 5.5 V. 3.12 PROGRAMMATION/SOFTWARE INTEGRATION n/a
COMPLIANCE STATEMENTS
EU
TWN4 MultiTech SmartCard LEGIC M is in compliance with the EU directives and regulations as listed in the respective declaration of conformity.
UNITED KINGDOM
TWN4 MultiTech SmartCard LEGIC M complies with the requirements of the UK legislations and other regulations as listed in the respective UK declaration of conformity. The importer is responsible for applying the following information to the packaging of the product:
- the importer company’s details, including the company’s name and a contact address in the United Kingdom.
- UKCA marking
RF EXPOSURE COMPLIANCE
RF exposure statement (mobile and fixed devices)
This device complies with the RF exposure requirements for mobile and fixed devices. However, the device shall be used in such a manner that the potential for human contact during normal operation is minimized.
INTEGRATOR AND HOST REQUIREMENTS
Compliance statements
All statements listed in Chapter “Compliance statements” of this integration manual must be also listed in the user manual of the host device.
Special accessories
Where special accessories such as shielded cables and/or special connectors are required to comply with the emission limits, the instruction manual shall include appropriate instructions on the first page of the text describing the installation of the device.
Simultaneous transmission
When the host product supports simultaneous-transmission operations the host manufacturer needs to check if there are additional RF exposure filing requirements due to the simultaneous transmissions. When additional application filing for RF exposure compliance demonstration is not required (e. g. the RF module in combination with all simultaneously operating transmitters complies with the RF exposure simultaneous transmission SAR test exclusion requirements), the host manufacturer may do his own evaluation without any filing, using reasonable engineering judgment and testing for confirming compliance with out-of-band, restricted band, and spurious emission requirements in the simultaneous-transmission operating modes. If additional filing is required please contact the person at ELATEC GmbH responsible for certification of the RF module.
APPENDIX
A – TERMS AND ABBREVIATIONS
| TERM | EXPLANATION |
| host device | Also “host” or “host product”. Device in which an RFID module is intended to be installed for operation. |
| Integrator | Responsible party for the integration of an RFID module into a host device. The integrator might be the module manufacturer, the host manufacturer, the end user or any other third party. |
| modular type | Physical configuration in which a modular transmitter operates when installed within a host device. It can be a single-modular, a limited single-modular, a split-modular or a limited split-modular type. |
| n/a | Not applicable |
| RFID (reader/writer) module | Device intended to be used within another device or product. Depending on the equipment configuration and intended use, an RFID module has to meet different requirements to get a modular grant. |
B – RELEVANT DOCUMENTATION ELATEC documentation
- TWN4 MultiTech OEM PCBs technical handbook
- TWN4 MultiTech SmartCard LEGIC M data sheet
- TWN4 MultiTech SmartCard LEGIC M functional description
- TWN4 MultiTech SmartCard LEGIC M user manual
| Document name | Document title/description | Source |
| n/a | Technical documentation related to the host product | Host product manufacturer |
For more information about this integration manual or TWN4 MultiTech SmartCard LEGIC M, go to www.elatec.com or contact ELATEC.























