
Drawing
Hendi B.V.Steenoven 21 3911 TX Rhenen The Netherlands | Batch # | Appliance part# |
| 190602 and up | 223307 | |
Description | ||
| Convection steam oven manual NANO 5x GN2/3 | ||
| Date | 07-01-2020 | Revision # | 1,0 |
| Revision | First Bill of Materials (BOM) | ||
![]() |
Bill of materials (BOM)
Hendi B.V.Steenoven 21 3911 TX Rhenen The Netherlands | Batch # | Appliance part# |
| 190602 and up | 223307 | |
Description | ||
| Convection steam oven manual NANO 5x GN2/3 | ||
| Date | 07-01-2020 | Revision # | 1,0 |
| Revision | First Bill of Materials (BOM) | ||
| Item | Description | Part# | Quantity | Remark | Picture |
| 1 | Display sticker | n/a | 1 | ||
| 2 | Knob (universal) | 950913 | 3 | ||
| 3 | Indicator light | 950920 | 2 | ||
| 5 | Bracket | n/a | 3 | ||
| 6 | Timer | 950937 | 1 | ||
| 7 | Thermostat | 950944 | 1 | ||
| 8 | Steam control switch | 950951 | 1 | ||
| 9 | Control panel housing | n/a | 1 | ||
| 37 | Inner glass panel complete | 951798 | 1 | Also available in item 39 | |
| 38 | Outer glass panel complete | 951804 | 1 | Also available in item 39 | |
| 39 | Door assembly | 951781 | 1 | Without door handle, incl items 37,38,41 | |
| 41 | End cap (right) | NSS | 1 | Also available in item 39 | |
| 45 | Door handle | 949795 | 1 | ||
| 46 | Drip tray (housing) | n/a | 1 | ||
| 55 | Fan water inlet | n/a | 1 | ||
| 56 | Deflector board | n/a | 1 | ||
| 57 | Screw | 949801 | 4 | ||
| 58 | Nut fanblade | n/a | 1 | ||
| 59 | Fanblade | 949818 | 1 | ||
| 60 | Fanblade mount | n/a | 1 | ||
| 61 | Washer | n/a | 1 | ||
| 62 | Heating element 5kW | 949825 | 1 | ||
| 65 | Door gasket | 949832 | 1 | (Lenght 1800mm) | |
| 66 | Door gasket bracket | n/a | 4 | ||
| 67 | Drain cover | n/a | 1 | ||
| 68 | Chamber light | 949849 | 1 | ||
| 69 | Door lock pin | n/a | 1 | ||
| 71 | Interior support bracket | n/a | 1 | ||
| 73 | Spring for insulation | n/a | 2 | ||
| 75 | Support bracket | n/a | 1 | ||
| 76 | Bracket | n/a | 1 | ||
| 78 | Door switch | 949856 | 1 | ||
| 79 | Terminal | 949863 | 1 | ||
| 80 | Fan motor with capacitor | 950968 | 1 | ||
| 81 | Fan direction controller | 950975 | 1 | ||
| 82 | Relais | 949870 | 2 | ||
| 83 | Hi-limiter | 951286 | 1 | ||
| 84 | Bracket | n/a | 1 | ||
| 86 | Screw for lateral tray support | 949894 | 4 | ||
| 87 | Lateral tray support (5 trays, left/right) | 951774 | 2 | ||
| 91 | Feet | 951170 | 4 | ||
| 92 | Housing panel (bottom) | n/a | 1 | ||
| 93 | Nut for feet | n/a | 4 | ||
| 98 | Equipotential terminal | n/a | 1 | ||
| 100 | Pulll relief | n/a | 1 | M32x1.5, obtain locally | |
| 103 | Nut pull relief | n/a | 1 | ||
| 105 | Fan motor support bracket | n/a | 1 | ||
| 106 | Water tube | n/a | 2 | ||
| 107 | Single watervalve 1-way | 951217 | 1 | ||
| 108 | Water tube connector | n/a | 2 | ||
| 115 | Housing panel (back) | n/a | 1 | ||
| 116 | Chimney cover | n/a | 1 | ||
| 117 | Housing panel (top/sides) | n/a | 1 | ||
| 118 | Door hinge (top) | 951750 | 1 | ||
| 119 | Door hinge (bottom) | 951767 | 1 | ||
| 121 | Washer | n/a | 1 | ||
| 125 | Bracket | n/a | 1 | ||
| 139 | Housing panel (front) | n/a | 1 | ||
n/a -> not available nss -> not sold separately
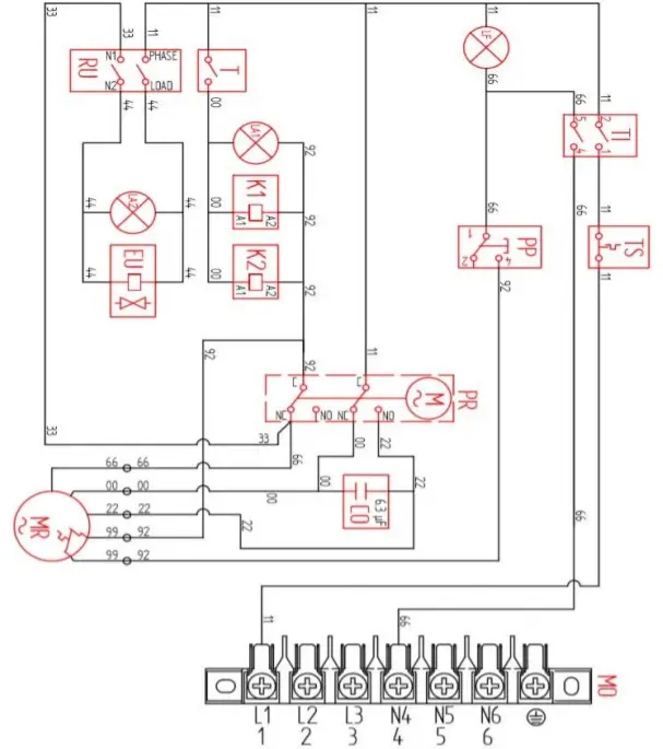
Wiring diagram
Hendi B.V.Steenoven 21 3911 TX Rhenen The Netherlands | Batch # | Appliance part# |
| 190602 and up | 223307 | |
Description | ||
| Convection steam oven manual NANO 5x GN2/3 | ||
| Date | 07-01-2020 | Revision # | 1,0 |
| Revision | First Bill of Materials (BOM) | ||
![]() |
Hendi B.V.Steenoven 21 3911 TX Rhenen The Netherlands | Batch # | Appliance part# |
| 190602 and up | 223307 | |
Description | ||
| Convection steam oven manual NANO 5x GN2/3 | ||
| Date | 07-01-2020 | Revision # | 1,0 |
| Revision | First Bill of Materials (BOM) | ||
![]() |






















