SILVERSTONE SX1000R Platinum SFX-L Power Supply

SX1000R Platinum
The Cybenetics Platinum 1000W SFX 4.0 & PCIe 5.0 Fully Modular SFX-L Power Supply is a high-performance power supply suitable for use in small form factor computers. It supports the SFX-L form factor and features a 12VHPWR PCIe connector with SFX12V 4.0 and PCIe Gen 5 standard. The power supply delivers 1000W continuous power output, rated for 24/7 operation, with a class-leading single +12V rail with 83.3A.
Features
- High efficiency with Cybenetics Platinum certification
- Silent running 120mm dual ball bearing fan with advanced semifanless operation
- 24/7 continuous power output with 50 operating temperature
- High-quality construction with all Japanese capacitors
Product Usage Instructions
Before using the SX1000R Platinum power supply, please ensure that you have read and understood the user manual, including the AC input characteristics, DC output characteristics, output transient response, output ripple and noise, and efficiency information.
When installing the power supply, ensure that it is connected to a grounded AC outlet using the supplied power cord. Connect the DC output cables to the appropriate components in your computer, ensuring that the voltage and current values are within the limits specified in the user manual.
During operation, monitor the temperature of your computer components to ensure that they are operating within safe limits. If the temperature rises above the recommended levels, consider improving the cooling in your computer case.
The SX1000R Platinum power supply is rated for continuous operation and is designed to provide reliable and efficient power to your computer components. If you have any questions or concerns about the usage of this product, please consult the user manual or contact the manufacturer for assistance.
Specification
SFX-L Form Factor
SST-SX1000R-PL
1000W Switching Power Supply
With Active PFC
Cybenetics Platinum
This specification defines Micro-ATX(SFX-L 1.1) form-factor and SFX12V 4.0 multiple output switching power supply. The parameters of this supply are defined in this specification for Family using. This specifica-tion defines max continuous output at 1000W with 100 to 240Vac input, power supply with five outputs;
+3.3V, +5V, +12V, -12V and +5VSB. The +5V standby voltage, remote on/off control, full range line input capability. An IEC connector is provided on the external face for AC input to the power supply. The power supply contains fans for cooling, while meeting acoustic requirements.
AC input characteristics
AC input requirements:
The input voltage, current, and frequency requirements for continuous operation are stated show in Table 1.
| Parameter | Min | Nom | Max | Unit |
| Vin | 90 | 100 — 240 | 264 | VACrms |
| Vin Frequency | 47 | 60 — 50 | 63 | Hz |
| Iin | 12 — 6.0 | A |
AC inrush current(cold start):
The power supply must meet inrush requirements for any rated AC voltage, during turn on at any phase. of AC voltage, during a single cycle AC dropout condition, during repetitive ON/OFF cycling of AC, and over the specified temperature range .The peak inrush current shall be less than the ratings of its critical components (including input fuse, bulk rectifiers, and surge limiting device).
DC Output characteristics:
Output voltage regulation Requirements:
The power supply output voltage must stay within the following voltage limits shown in Table2 when operating at steady state.
Table2
| Parameter | Load Regulation | Total Range | Min | Nom. | Max | Unit |
| +3.3V | ±3% | ±5% | +3.14 | +3.30 | +3.47 | Volts |
| +5V | ±3% | ±5% | +4.75 | +5.0 | +5.25 | Volts |
| +12V | ±3% | +5%/-7% | +11.20 | +12.0 | +12.6 | Volts |
| -12V | ±10% | ±10% | -10.8 | -12.0 | -13.2 | Volts |
| +5VSB | ±5% | ±5% | +4.75 | +5.0 | +5.25 | Volts |
Output Current Requirements:
The power supply output current following shown in Table3.
Table3
| Parameter | Min | Max | Peak | Unit |
| +3.3V | 0 | 25 | Amps | |
| +5V | 0 | 25 | Amps | |
| +12V | 0 | 83.3 | Amps | |
| -12V | 0 | 0.3 | Amps | |
| +5VSB | 0 | 3 | Amps |
Notes:
- +3.3V and +5V combined load shall not exceed 125W.
- The average maximum continuous DC output power shall not exceed 1000W.
Output Transient Response:
Table 4 summarizes the expected output transient step sizes for each output. The +3.3V&+5V transient load slew rate is = 1.0 A/μs.
The +12V transient load slew rate is = 5.0 A/μs.
Table4
| Parameter | Maximum Step Size (% of rated output amps) | Maximum Step Size (A) | ||
| +3.3V | 30% load | |||
| +5V | 30% load | |||
| +12V | 85% load | |||
| +12V (12VHPWR) | Steps from 100%→300% 30%→100% | |||
| -12V | 0.1A | |||
| +5VSB | 0.5A | |||
| 02 | ||||
NOTES:
- For example, for a rated +5 VDC output of 14A, the transient step would be 30% x 14 A = 4.2 A.
- Output voltages should remain within the regulation limits of Section 2.1. and the power supply should stable when subjected to load transients per Table 3. from any steady state load, including any or all of the following conditions:
- Simultaneous load steps on the +12 VDC, +5 VDC, and +3.3 VDC outputs (all steps occurring in the same direction)
- Load-changing repetition rate of 50 Hz to 10 kHz
- AC input range per Section 1.1 and Capacitive loading per Table 8
- The +12V min start load is 5Amin at dynamic load response test.
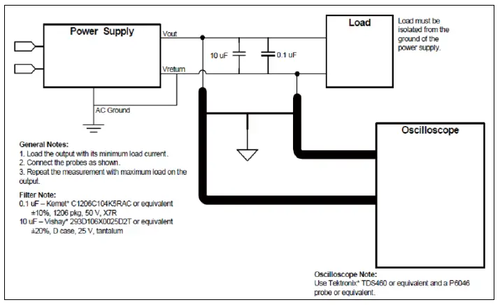
Output Ripple and Noise:
Table5
| Output | Ripple and Noise | Unit |
| +3.3V | 50 | mVp-p |
| +5V | 50 | mVp-p |
| +12V | 120 | mVp-p |
| -12V | 120 | mVp-p |
| +5VSB | 50 | mVp-p |
NOTES:
- When total load is 20W(2% loading) , +12V noise is 120mV.
- This is measured over a bandwidth of 10Hz to 20MHz at the power supply output connector. a 10μF electrolytic capacitor in a parallel with a 0.1μF ceramic capacitor is placed at
the point of measurement.
Differential noise test setup

Efficiency:
In the 115Vac/60Hz input voltage the power supply efficiency is more than 94%.
Table6
| Load | Efficiency(%) | Power Factor |
| 2% | 60 | — |
| 20% | 90 | — |
| 50% | 92 | >0.95 |
| 100% | 89 | — |
ERP 5VSB Efficiency
Table7
| +5VSB LOAD | Efficiency target (both 110V and 230V input) |
| 3A | 75% |
| 1.5A | 75% |
| 1A | 75% |
| 0.55A | 75% |
| 90mA | 55% |
| 45mA | 45% |
Remote on/off control
When the logic level “PS-ON” is low, the DC outputs are to be enabled.
When the logic level is high or open collector, the DC outputs are to be disabled.
Overshoot:
The overshoot of the DC output voltage caused by switching AC power or switch PSON# should be less than 10% of the normal output, and no reverse polarity voltage should be produced.
Capacitance Loading
The power supply shall be stable and meet all requirements with the following capacitive loading ranges.
Table8
| Capacitive Loading Conditions | |
| Output | Capacitive Load (μF) |
| +3.3V | 3,300 |
| +5V | 3,300 |
| +12V | 3,300 |
| -12V | 3,30 |
| +5VSB | 3,300 |
Environment
Operation temperature:
Table9
| Temperature | 0 to 50℃ |
| Relative Humidity | 5% to 90%,on- condensing |
Shipping and Storage:
Table10
| Temperature | –40℃∼70℃ |
| Relative Humidity | 5% to 95%,non – condensing |
Altitude:
Table11
| Operating | ≤2000m |
| Storage | ≤3000m |
Cooling mode:
Forced air cooling.
Random Vibration:
Non-operating 0.01 g²/Hz at 5 Hz, sloping to 0.02 g²/Hz at 20 Hz, and maintaining 0.02 g²/Hz from 20 Hz to 500 Hz. The area under the PSD curve is 3.13 grams. The duration shall be 10 minutes per axis for all three axes on all samples.
Protection
Due to overvoltage, over power and short circuit, the protection function of
the power supply circuit is self operated, and the power is self locked. There is no output at that time. When these reasons are removed, the power is restored to the normal output state when the power is restarted. (PSON# at least 1 second;
AC shutdown at least 4 seconds).
Over-power protection.
The power supply will be shutdown and latch off when output power within 110~150% of rated DC output.
Note: Assurance machine can work at low voltage,full load won’t damage machine.
Over voltage protection:
Table12
| Output | Output voltage protection point | Unit | ||
| Min | Nom | Max | ||
| +3.3V | 3.76 | 4.2 | 4.3 | V |
| +5V | 5.74 | 6.3 | 7.0 | V |
| +12V | 13.4 | 15.0 | 15.6 | V |
| +5vsb | 5.74 | 6.3 | 7.0 | V |
Short circuit protection:
An output short circuit is defined as any output impedance of less than 0.1 ohms. The power supply shall shut down and latch off for shorting the +3.3 VDC,
+5 VDC,or+12VDC rails to return or any other rail. Shorts between main output rails and +5VSB shall not cause any damage to the power supply.
The power supply shall either shut down and latch off or fold back for shorting the negative rails.+5VSB must be capable of being shorted indefinitely,
but when the short is removed,the power supply shall recover automatically or by cycling PS_ON#.The power supply shall be capable of withstanding a continuous short-circuit to the output without damage or overstress to the unit
Over Temperature Protection:
The power supply will be protected against over temperature conditions caused by loss of fan cooling or excessive ambient temperature.In an OTP condition the PSU will shutdown. When the power supply temperature drops to within specifide limits,the power supply shall Lacth mode.
Over current protection
The power supply shall have current limit to prevent the +3.3 V, +5 V, and +12V outputs from exceeding the values shown in Table . If the current limits are exceeded the power supply shall shutdown and latch off. The damaged from repeated power cycling in this condition. -12V and 5VSB shall be protected under over current or shorted conditions so that no damage can occur tothe power supply. All outputs shall be protected so that no damage occurs to the power supply under a shorted output condition.
Table13
| Voltage | Over Current Limit (Iout limit) |
| +3.3V | 28A minimum; 38A maximum |
| +5V | 28A minimum; 38A maximum |
| +12V | 90A minimum; 125A maximum |
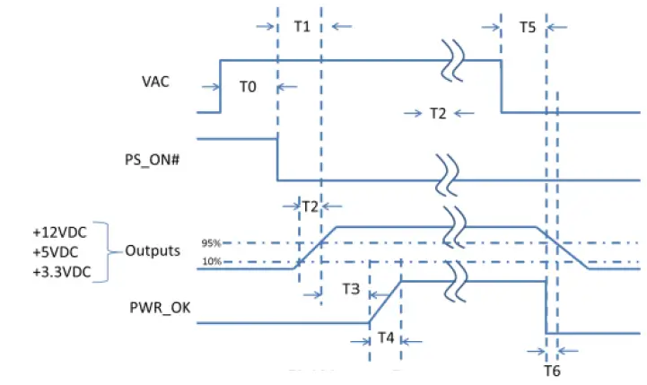
Power Supply Timing
Signal timing drawing
Figure 2 is a reference for signal timing for main power connector signals and rails.
Figure 2
Table14
| Parameter | Description | Required |
| T0 | AC power on time | <2s |
| T1 | Power-on time | < 150ms |
| T2 | Rise time | 0.2 – 20 ms |
| T3 | PWR_OK delay | 100 – 150ms |
| T4 | PWR_OK rise time | < 10 ms |
| T5 | AC loss to PWR_OK hold-up time | > 16 ms |
| T6 | PWR_OK inactive to DC loss delay | >1ms |
The power supply should maintain output regulations per Table 5 despite a loss of input power at the low-end nominal range-115 VAC / 47 Hz or 230 VAC / 47 Hz – at maximum continuous output load as applicable for a minimum of 17ms (T5+T6)
SAFETY
The power supply designed to meet IEC 62368-1.
Electrical strength:
Gradually increased from 0V to 1500V is applied in the AC line and the casing, and then keep for 1 minutes, the insulation should not breakdown; if the current increases rapidly due to the test voltage and gets out of the way, that is to limit the current insulation, insulation breakdown that has occurred; corona discharge or flashover is not a single moment that is the breakdown of insulation.
Ground Resistance:
Ground resistance value less than < 0.1 ohm(40A)
Touch current:
When the input 250Vac, contact current less than 3.5mA at 25℃.
EMC
- ELECTROSTATIC DISCHARGE (ESD) – IEC 61000-4-2(EN 61000-4-2).
- RADIATED SUSCEPTIBILTY – IEC 61000-4-3(EN 61000-4-3).
- ELECTRICAL FAST TRANSIENT / BURST ( EFT/B) – IEC 61000-4 -4 (EN 61000-4-4).
- SURGE – IEC 61000-4-5(EN 61000-4-5).
- CONDUCTED SUSCEPTIBILTY – IEC 61000-4-6(EN 61000-4-6).
- POWER FREQUENCY MAGNETIC FIELD – IEC 61000-4-8(EN 61000-4-8).
- VOLTAGE DIPS – IEC 61000-4-11(EN 61000-4-11).
- VOLTAGE FLUCTUATIONS – IEC 61000-3-3 (EN 61000-3-3).
- HARMONIC CURRENT EMISSION – IEC61000-3-2(EN 61000-3-2).
- EN55032:Class B Radio interference (CISPR 32).
- C63.4-2014 / FCC Part 15 Subpart B / ICES-003 lssue 6 Class B 115VAC operation.
Reliability
The demonstrated MTBF shall be 100,000 hours of continuous operation at 25℃and full load and nominal voltage. The MTBF of the power supply shall be calculated in accordance with MIL-HDBK-217F. The DC FAN is not included.
Mechanical
Physical dimension: L125mm x W130mm x H63.5mm
FAN SPEED CONTROL
Fan voltage varies with the ambient temperature or output power.
POWER SUPPLY CONNECTOR OVERUSE DEFINITION

Power supply connector overuse definition
A single PCIe 8pin cable and connector’s maximum current rating is 12.5A, which is 150W (+12V x 12.5A). So SilverStone’s warranty will not cover damages or malfunction resulting from the use of a graphics card or expansion card with a single PCIe 8pin connector that exceeds standard 225W total power draw (150W from PCIe 8pin connector + 75W from PCIe motherboard slot). Similarly, a graphics card or expansion card with dual PCIe 8pin connectors that exceed 375W total power draw (300W from two PCIe 8pin connectors + 75W from PCIe motherboard slot) will also not be covered under warranty.
Peripheral (molex) or SATA connector’s maximum current rating is 5A, which is 60W (+12V x 5A) or 25W (+5V x 5A). Please ensure connected devices are operating under these limits. SilverStone’s warranty will not cover damages or malfunction resulting from usages exceeding these connectors and their associated cables.
24pin motherboard connector’s maximum current rating for its dual
+12V metal pins are 5A each, which totals 120W (+12V x 5A x 2). Please ensure +12V drawing devices connected to the motherboard are operating under these limits. SilverStone’s warranty will not cover damages or malfunction resulting from usages exceeding these connectors and their associated cables.
This device complies with Part 15 of the FCC Rules. Operation is subject to the following two conditions:
- This device may not cause harmful interference, and
- This device must accept any interference received, including interference that may cause undesired operation.
The equipment a Class | Switching Power Supply intended to use for information technology equipment or Audio and Video equipment.




















