
WATER DISPENSER
PROFF
WD, WD-E, WD-N, WD-EN, WD-2, WD-E2, WD-N2, WD-EN2, D-I WD ,D-I WD-E, D-I
WD-N, D-I WD-EN, D-I WD-2, D-I WD-E2, D-I WD-N2, D-I WD-EN2
Installation and Operation Manual
Translation of the original documentation

Rev. 3.4, Valid From: 1.2.2021, S/N 1096210201XXXX
(10.3.2022)
4213317, 4213319, 4213321, 4213323, 4213325, 4213327, 4213329, 4213331, 4213341, 4213342, 4213343, 4213344, 4319228, 4319230, 4319232, 4319234, 4319408,
4319410, 4319412, 4319414, 4309870, 4309872, 4309874, 4309876, 4309878, 4309880, 4309882, 4309884, 4309886, 4309888, 4309890, 4309892, 4309894, 4309896,
4309898, 4309899
General
Carefully read the instructions in this manual as they contain important information regarding proper, efficient, and safe installation, use, and maintenance of the appliance.
Keep this manual in a safe place for eventual use by other operators of the appliance.
The installation of this appliance must be carried out in accordance with the manufacturer’s instructions and following local regulations. The connection of the appliance to the electric and water supply must be carried out by qualifi ed persons only.
Persons using this appliance should be specifically trained in its operation.
Switch off the appliance in case of failure or malfunction. The periodical function checks requested in the manual must be carried out according to the instructions. Has the appliance serviced by a technically qualifi ed person authorized by the manufacturer and using original spare parts?
Not complying with the above may put the safety of the appliance in danger.
Symbols used in the manual
![]() | This symbol informs about a situation where a safety risk might be at hand. Given instructions are mandatory in order to prevent injury. |
| This symbol informs about the right way to perform in order to prevent bad results, appliance damage, or hazardous situations. | |
| This symbol informs about recommendations and hints that help to get the best performance out of the appliance. | |
| This symbol explains the importance of careful and regular cleaning of the machine to meet hygiene requirements. |
Symbols used on the appliance
This symbol on a part informs about electrical terminals behind the part. The removal of the part must be carried out by qualifi ed persons only.
Checking the relationship between the appliance and the manual
The refrigerant in the appliance must first be checked on the rating plate of the appliance.
The rating plate of the appliance indicates the serial number of the appliance. If the manuals are missing, it is possible to order new ones from the manufacturer or the local representative. When ordering new manuals it is essential to quote the serial number shown on the rating plate.
Safety
Safe use of the appliance
![]() | The appliance must be connected to an earthed socket. |
![]() | When moving or servicing the appliance, always unplug it from the power supply. |
| WARNING The refrigerant and charge are declared on the rating plate. Refrigerant R290 (propane) is highly flammable. Handle equipment that contains R290 with extra care. | |
![]() | Under no circumstances should the value set at the factory of the refrigeration unit be set colder. Changing the setpoint can cause the refrigeration unit to freeze and the actuators connected to it, such as the taps, to break. At worst, water damage can result. ” |
| Modifying the equipment without the approval of the manufacturer invalidates the manufacturer’s product liability. | |
| Dangerous situations may arise if the given instructions are not followed. | |
![]() | The manufacturer declines all responsibility for any operations carried out on the appliance without following the instructions in this manual. |
Disposal of the appliance
The appliance contains parts and components, the disposal of which requires special treatment.
Contact local authorities to obtain instructions on how to dispose of the appliance.
Functional description
Intended use of the appliance
The appliance is intended for cooling and dispensing drinking water.
Structure and operating principle
WD, WD-E, WD-N, WD-EN, WD-2, WD-E2, WD-N2, and WD-EN2 are free-standing models and designed to be situated in a serving line.
Models D-I WD, D-I WD-E, D-I WD-N, D-I WD-EN, D-I WD-2, D-I WD-E2, D-I WD-N2, D-I WD-EN2 are delivered without an outer casing and are designed for insertion into a line structure.
The top has a faucet and a basin with a drain for drip water.
3.2.1. Electronic faucet (models PWD-04A-E, PWD-04A-EN, D-I WD-E, D-I WD-EN)
The faucet is turned on and off by means of a solenoid valve actuated by a photocell.
When a glass is held within the photos ll’s sensing range, the solenoid valve opens and water starts to fl ow. The faucet turns off automatically after the adjusted flow period. The faucet works best with flat-bottomed glass.
Operating instructions
Operation
Mechanical faucet: Push the lever with a glass.
Electronic faucet: Hold a glass under the faucet.
After operation
4.2.1. Cleaning the exterior surfaces
Clean the stainless steel surfaces with neutral, liquid detergents. Abrasive or corrosive agents must not be used.
4.2.2. Cleaning the condenser (to be performed by a service technician)
Disconnect the appliance from the power supply before cleaning the condenser.
Depending on circumstances, the condenser should be cleaned once a year or more often, if necessary.
Condenser clogging is apparent when compressor running times get longer, the cooling effect decreases, and the condensing temperature rises. Finally, condenser clogging can damage the compressor.
When cleaning the condenser with a brush, be careful not to damage the condenser. The condenser can also be cleaned using a vacuum cleaner.
4.2.3. Replacing the filter (option) (to be performed by a service technician)
If the appliance is supplied with an optional filter, we recommend replacing it at the intervals of 4800 liters or once the filter is clogged. The filter is clogged when the water output starts to decrease and the water fl ow becomes weaker. Depending on the frequency of use, the filter should be replaced approximately every six months.

- Holder
- Filter
- Cover
Cut off the incoming water and run water from the faucet to release the pressure. Screw the cover (3) off the holder (1). Remove the old filter (2). Insert a new filter inside the cover and screw the cover (3) to the holder (1).
Installation
General
The appliance is designed to function in locations with temperatures of 10°C to 35°C.
The appliance must not be installed close to appliances that generate heat, e.g. ranges.
If the water pressure at the installation site exceeds 5 bar, the device’s water connection must be equipped with a pressure reducing valve
Storage
The appliance should be stored in a dry place, at a temperature over +1°C. If the appliance has been exposed to temperatures below 0°C, it must be drained (allowed to melt). After melting, before taking the appliance into use, make sure that there is no damage to or leakage in piping.
Electronic faucet: It is essential to take care that water in the faucet and solenoid valve does not freeze.
Unpacking the appliance
The appliance should be transported to the installation site in its transport package. Do not remove packing until just
before installation to prevent dust in the installation place from damaging the appliance.
The appliance should be stored and transported in an upright position.
Installation
The appliance should be placed in a well-ventilated room. Avoid placing the appliance in direct sunlight.
The appliance must be installed in a vertical position with an accuracy of ±3°. Greater skewness may cause malfunctions.
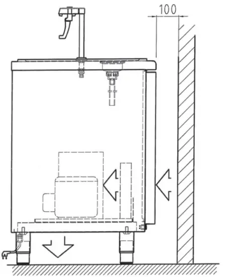
When installing D-I models care must be taken that the machinery is not positioned directly on the floor, but an air gap of at least 10 cm is left between the machinery and the floor. This is to make sure that water, possibly dripping onto the floor, would not damage the electrical components of the machinery and cause hazardous situations.
The compressor is equipped with damping of vibrations, but in some cases, vibrations can transfer to other structures. A rubber mat placed under the appliance can absorb vibrations and noise (needed in special cases only).
The thermostat has been set at the factory for ordinary operating circumstances.
When installing refrigerated D-I models, special attention must be paid to condenser air circulation.
Make sure that the condenser air inlet is not blocked and that warm air can freely exit the compressor compartment. The temperature of inlet air is of crucial importance to the cooling effect of the appliance.
Ensure sufficient air inlet/air circulation for the condenser.

Condenser air circulation
Do not mount the condenser on a closed plinth, as this will prevent condenser air circulation. Air venting takes place below the appliance and air intake at the front. Do not block the condenser air inlets.
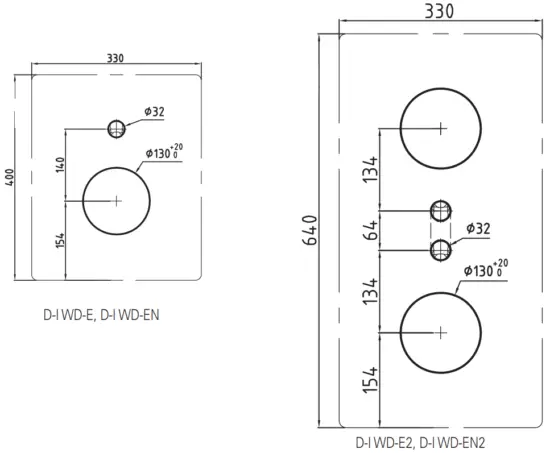
5.4.1. Opening for the drip basin (D-I models)
An opening must be made for the drip basin on the tabletop. The water cooler is installed inside the counter. The necessary openings are marked on the pictures with solid lines and the shape of the drip basin with broken lines.


Make a water connection between the faucet and the water cooler. Installation sequence:
- Assemble the faucet
- Attach the faucet to the drip basin
- Attach the pipe connector to the faucet
- Attach the pipe connector to the machinery outlet
- Connect the faucet and the machinery outlet with a CU-pipe Ø 10 mm (not included in delivery)
Connect the water cooler only to a cold water supply. A pressure reducer is needed if the water supply pressure is above 5 bar. The connection of the appliance to the water supply must be carried out by qualifi ed persons only.
NOTE. Do not remove the spacer ring of the electronic faucet during installation!
Electrical connections
The appliance is designed to function in the electrical power network 1/N/PE AC 230V 50Hz. Connect the appliance to the power supply with an earthed socket.
First start-up
The water tank of the cooler has to be filled before start-up.
Note that the water tank has to be filled manually, it does not fi ll even though the cooler is connected to the water supply.
Fill the tank through the pipe located behind the front panel. Check the water level on the pipe. The tank volume i approx. 9 liters.
Adjusting the glass filling rate (mechanical faucet)

The water filling rate can be adjusted with the help of a screw (1) located on top of the faucet by turning the screw with a screwdriver. If, after installation, some air comes out of the faucet, allow water to run until no air is coming and the water is clear.
Adjusting the electronic faucet for the glass used
To be performed by an authorized service technician or installer.
Adjusting the water fl ow (electronic faucet)
To be performed by an authorized service technician or installer.
Troubleshooting
In case the appliance does not function as expected, review the following list of problems to find out if the appliance can be put in order without a service call. In this way, you can avoid unnecessary service calls and costs. In all inquiries, please contact the nearest Metos service. Most problems can be managed on the phone.
| PROBLEM | POSSIBLE CAUSE | ACTION |
| No water comes out of the faucet | Water line obstructed (faucet is closed) | Open the faucet |
| Not enough water in the tank | Check and fill | |
| Too little water coming | Filter (option) clogged (water flow gradually decreases) | Replace the filter |
| Water flow adjusted to a too low flow rate | Adjust the flow rate correctly | |
| Too much water coming | Water flow wrongly adjusted | Adjust the flow rate correctly. |
| Water is warm | The power cable is not properly plugged into the socket | Put the cable properly in the socket |
| Defective fuse | Replace the fuse | |
| Condenser covered by dust | Clean the condenser | |
| Defective thermostat | Call the service | |
| Defective compressor | Call the service | |
| The cooler is installed in a too-warm environment or otherwise not a suitable location | Call the service |
The appliance does not contain parts that can be serviced by the user. Service must be carried out by an authorized service company.
Technical specifications
Refrigeration circuit diagram
Connection diagram S00354 A3 (Mechanical faucet)
Connection diagram S00196 A2 (Electronic faucet)
Dimensions, machinery
Installation drawing

Refrigeration circuit diagram

Connection diagram S00354 A3

Connection diagram S00196 A2

Dimensions, machinery

Installation drawing
| ITEM | TYPE | SPECIFICATION |
| Electric connection | Cooling and electronic | 1/N/PE AC 230V 50Hz |
| Power input | Cooling and electronic | 0,16 kW |
| Extraction capacity | Cooling | 180 W, +7°/54° |
| Exterior | Cooling | R290 |
| Ulkovuoraus All | All | Stainless steel |
| Control unit | Cooling | Thermostat |
| Capacity | kk | 40 liters/hour |
| Drain | kk | Floor drain |
| Water connection | kk | Cold water, max. 5 bar |
| Sensing range | Electronic | preset, range 0-40 cm |
METOS OY AB
LOMAKE LT30024
Rev. PED 5.7 17.10.2017
EC DECLARATION OF CONFORMITY
Manufacturers name
METOS OY AB
Address
04220 KERAVA FINLAND
Declare that the following product
Name, type, or model
Water dispenser, Prof / Classic / Nova / Corona Drop-in
is in conformity with the relevant provisions of the following directives
MD 2006/42/EC, LVD 2014/35/EU, EMC 2014/30/EU. RoHS 2011/65/EC, WEEE 2012/19/EU, ATEX 2014/34/EU
and furthermore declares that the following harmonized standards (or parts/clauses) have been used
EN 61000-6-3: 2007 EN 61000-6-1: 2016 EN ISO 12100:2010 EN 60079-15:2019
and furthermore, we declare that the following other standards (or parts/clauses) have been used
EN 60204-1: 2018
Product design examination certificate and the notified body supervising the quality system (only pressure vessels)
The person mentioned below is authorized to compile the technical file
| Risto Koskelainen | Metos Oy Ab, Ahjonkaarre, 04220 Kerava, Finland |
This declaration of conformity is issued under the sole responsibility of the manufacturer. The object of the declaration described above is in conformity with the relevant Union harmonization legislation Place and date of issue
| KERAVA | 14.02.2022 |
Name and title of declaring a person
![]() | ![]() |

Kitchen intelligence™





















