MODEL
S8JX-P (300/600W)
SWITCHING POWER SUPPLY
INSTRUCTION MANUAL(1/2)
Thank you for purchasing the S8JX.
This Instruction Manual describes the functions, performance, and application methods required to use the S8JX.
- Make sure that a specialist with electric knowledge operates the S8JX.
- Read and understand this Instruction Manual, and use the product with enough understanding.
Keep this Instruction Manual close at hand and use it for reference during operation.
Read the S8JX-P Instruction Manual (2/2) together with this manual without fail.
OMRON Corporation
©All Rights Reserved
CAUTION
CAUTION: FOR USE IN A CONTROLLED ENVIRONMENT. REFER TO MANUAL FOR ENVIRONMENTAL CONDITIONS.
Key to Warning Symbols
CAUTION
Indicates a potentially hazardous situation which, if not avoided, may result in minor or moderate injury or in property damage.
Warning Symbols
CAUTION
| • Minor electric shock, fire, or Product failure may occasionally occur. Do not disassemble, modify, or repair the Product or touch the interior of the Product. | |
| • Minor burns may occasionally occur. Do not touch the Product while power is being supplied or immediately after power is turned OFF. | |
| • Minor fires may occasionally occur. Tighten terminal screws to the specified torque (M4:1.13N•m, M5:2 25N•m). | |
| • Minor injury due to electric shock may occasionally occur. Do not touch the terminals while power is being supplied. Always close the terminal cover after wiring. Working voltage can be 370V max. inside. This voltage can be also available 30s after the switch off. | |
| • Minor electric shock, fire, or Product failure may occasionally occur. Do not allow any pieces of metal or conductors or any clippings or cuttings resulting from installation work to enter the Product. |
Precautions for Safe Use
Installing/Storage Environment
- Store the product with ambient temperature –25 to +75°C, and relative humidity 25 to 90%.
- The internal parts may occasionally deteriorate and be broken due to adverse heat radiation depending on the mounting status.
Do not use at a temperature that exceeds the operating temperature range for the mounting type. Fig.2 - The internal parts may occasionally be deteriorated or broken. Do not use the product in the condition over the operating ambient temperature range.
- Use the product where the relative humidity is 25 to 85%.
- Avoid places where the product is subjected to direct sunlight.
- Avoid places where the product is subjected to penetration of liquid, foreign substance, or corrosive gas.
- Avoid places subject to shock or vibration.
A device such as a contact breaker may be a vibration source. Set the Power Supply as far as possible from possible sources of shock or vibration. - If the Power Supply is used in an area with excessive electronic noise, be sure to separate the Power Supply as far as possible from the noise sources.
- The internal parts may occasionally deteriorate and be broken due to adverse heat radiation. Do not loosen the screws on the Power Supply.
Arrangement/Wiring
- Connect the ground completely. A protective earthing terminal stipulated in safety standards is used. Electric shock or malfunction may occur if the ground is not connected completely.
- The light ignition may possibly be caused. Ensure that input and output terminals are wired correctly.
- Use the following wiring material to prevent smoking or ignition of wiring material caused by abnormal loads.
Overheating or fire can result from inadequately sized wiring materials when problems occur at the load. As a general rule, always select wire sizes suitable for at least 1.6 times the rated current. Refer to the wiring manufacturer’s recommended allowable current and voltage drop specifications for information when selecting wiring materials.Model Terminal Recommended Wire Type Torque S8JX-P300 
S8JX-P600
Input (M4) AWG 12 to 20
(Cross-section 0.517 to 3.309mm²)10 in.lb. (1.13N•m) Output (M5) AWG 6 to 20
(Cross-section 0.517 to 13.30mm²)20 in.lb. (2.25N•rn) • The current rating for the output terminal is 60A per terminal. Make sure to use two terminals together if a current exceeding the terminal rating is used.
• Use min.60°C or 60/75°C wire.
• Use copper conductors only. (The stripping length is 7 to 8 mm for input terminals.) - Do not apply more than 75 N force to the terminal block when tightening it.
- Be sure to remove the sheet covering the product for machining before power-on.
Output Voltage Adjustment
- The output voltage adjuster (V.ADJ) may possibly be damaged. Do not add unnecessary power.
- Do not exceed the rated output capacity and current after adjusting the output voltage.
Suitability for Use
Omron Companies shall not be responsible for conformity with any standards, codes or regulations which apply to the combination of the Product in the Buyer s application or use of the Product. At Buyer s request, Omron will provide applicable third party certification documents identifying ratings and limitations of use that apply to the Product. This information by itself is not sufficient for a complete determination of the suitability of the Product in combination with the end product, machine, system, or other application or use. Buyer shall be solely responsible for determining the appropriateness of the particular Product with respect to Buyer’s s application, product, or system. Buyer shall take application responsibility in all cases.
NEVER USE THE PRODUCT FOR AN APPLICATION INVOLVING SERIOUS RISK TO LIFE OR PROPERTY OR IN LARGE QUANTITIES WITHOUT ENSURING THAT THE SYSTEM AS A WHOLE HAS BEEN DESIGNED TO ADDRESS THE RISKS AND THAT THE OMRON PRODUCT(S) IS PROPERLY RATED AND INSTALLED FOR THE INTENDED USE WITHIN THE OVERALL EQUIPMENT OR SYSTEM.
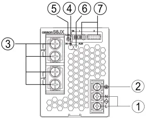
Fig. 1 Nomenclature
| 300W: S8JX-P300 | 600W: S8JX-P600 |
![]() | ![]() |
Nomenclature
- AC input terminal (L), (N) Fig.1
(The fuse is located on the (L) side.) For DC input, the (L) side must be (+).
Note: DC input is out of the scope of the safety standard certificate. - Protective earthing terminal (
)
(A protective earthing terminal stipulated in safety standards is used. Connect the ground completely.) - DC output terminal (–V), (+V)
- Output indicator (DC ON: green)
- Output voltage adjuster (V.ADJ)
- Alarm indicator (ALM: red)
- Signal input/output connector Instruction Manual (2/2)
Safety standards
- DC output terminals ( ) are galvanically isolated from the AC input terminals (
1). Fig.1 - Overvoltage category III.
- This equipment is for protection class I.
- Climatic class: 3K3: According to EN50178.
Overvoltage category II: According to UL62368-1 and EN62368-1.
Surrounding Air Temperature according to UL508: 40 °C
Precautions for Correct Use
Mounting
Standard mounting Fig.2
Side mounting Fig.3
Standard mounting (DIN rail)
S8JX-P300
CD/ S8JX-P600
CD Fig.4
- Install the Power Supply so that heat is effectively dissipated to improve and maintain the reliability of the Power Supply over a long period of time.
- A forced-air cooling method with a fan is used. Do not cover the air holes ( provided at fan mounted side and the opposite side ) to have enough air-cooling.
- The screws must not protrude more than 6 mm inside the Power Supply when screw holes provided on the chassis are used. Mounting screw tightening torque(recommended value):1.27 N•m
- Metal plate is strongly recommended as the mounting panel.
- Rear mounting is possible using provided mounting bracket.
Derating Curve
For Derating Curve, refer to the S8JX Catalog.
Selecting input Voltage
Rating: 100 to 240 VAC (allowable range: 85 to 264 VAC, 80 to 370 VDC)
Note: The applicable range of EU directives and various safety standards (UL, EN, others) is 100 to 240 VAC (85 to 264 VAC).
For UL508 only, the rating is 100-240VAC.
Output Voltage Adjustment
Default Setting: Set at the rated voltage Adjustable Range: Adjustable from —10% to +15% (±10% on the 48 V type) of the rated voltage using “V.ADJ “0 on the front of the unit.
Turning clockwise increase the output voltage, and turning counterclockwise decrease the output voltage.
Notes
- Do not exceed the rated output capacity and current after adjusting the output voltage.
- The output voltage may increase beyond the allowable voltage range when the operation is performed for “V.ADJ” ®.
When adjusting the output voltage, check the output voltage of the Power Supply and be sure that the load is not destroyed.
Dielectric Strength Test
Rated dielectric strength:
3000VAC between < input terminals together > and < output terminals together > for 1 minute.
When testing, set the cutoff current for the withstand voltage test device to 20mA.
Notes:
- Sudden switching of 3000VAC may possibly cause a voltage surge, damaging the Power Supply. Increase/decrease test voltage gradually.
- When performing the test, be sure to short-circuit all the output terminals to protect them from damage.
EN 62368-1 and EN 50178 Requirement to the customer: Customers must insert an approved (IEC 60127)
high-breaking-capacity fuse in front of the power supply S8JX-P600
on the (L) side, as the fuse in this power supply does not comply with IEC 60127.
Insulation Resistance Test
When testing the insulation resistance of the Power Supply, use a DC ohmmeter at 500VDC.
Note:
When performing the test, be sure to short-circuit all the output terminals to protect them from damage.
Overload Protection
The load and the Power Supply are automatically protected from overcurrent damage by this function.
Overload protection is activated if the output current rises above 105% of the rated current.
When the output current returns within the rated range, overload protection is automatically cleared.
Notes:
- If the operation is continued when the Power Supply has been short-circuited or in an overcurrent status, internal parts in the Power Supply may occasionally deteriorate or be damaged.
- The internal parts may possibly be deteriorated or damaged.
Do not use the product for applications where the load causes frequent inrush current and overload.
Overvoltage Protection
This power supply automatically protects itself and the load from overvoltage.
Overvoltage protection is activated if the output voltage rises above approx. 120% of the rated output voltage. The alarm indicator lights simultaneously.
To reset the Power Supply, leave the Power Supply off for more than 3 minutes and then turn it on again.
Note:
Be sure to clear the cause of the overvoltage, before turning on the Power Supply.
Overheat Protection
If the temperature inside the power supply rises abnormally due to the ambient temperature rising or the fan stopping, the overheat protection circuit activates and stops output to protect the power supply unit.
To reset, turn off the input power, allow the unit to cool sufficiently, and then turn on the input power again.
If There Is No Output Voltage
The overload, overvoltage, or overheat protection functions may be operating. Alternatively, the built-in fan may be stopped or the remote control function may be OFF. Check the following five possible causes and contact your OMRON representative if there is still no output voltage.
Check the Overload Protection Status:
Check whether the load is in overload status or is shorted.
Remove wires to load when checking.
Attempt to Clear the Overvoltage Protection Function:
Turn the input power OFF and leave it OFF for at least 3 minutes.
Then turn it ON again to see if this clears the condition. Check if the +S pin or –S pin is opened. Check if the output voltage is adjusted to more than +20% of the rated value with “V.ADJ”.
- Check the Overheat Protected Status:
Turn OFF the input power and leave it OFF until the product cools sufficiently. Turn it ON again to see if this clears the condition. - Check if the Built-in Fan Motor Has Stopped:
Check if the built-in fan motor has stopped. The fan is a consumable product. - Check the Remote Control Function:
Check if the +RC and –RC pins are open. Make the correct connections as specified.
Conformance to EU Directives
Refer to the catalog and this instruction manual for details on the operating condition for EMC compliance.
Fig. 2 Standard mounting


Fig. 3 Side mounting

Fig. 4 Standard mounting (DIN rail)

When mounting on DIN rails, use iron DIN rails.
Contact address
| OMRON ELECTRONICS LLC Phone: 1-800-55-OMRON Phone: 1-847-843-7900 Fax: 1-847-843-7787 | OMRON CANADA INC. Phone:1-416-286-6465 Phone:1-866-986-6766 Fax :1-416-286-6648 | UNITED KINGDOM OMRON ELECTRONICS LTD. Phone:44-1908-258-258 Fax :44-1908-258-158 |





















