PKM GK210 fridge-freezer combination

Dear customer! We would like to thank you for purchasing a product from our wide range of domestic appliances. Read the complete instruction manual before you operate the appliance for the first time. Retain this instruction manual in a safe place for future reference. If you transfer the appliance to a third party, also hand over this instruction manual.Do not dispose of this appliance together with your domestic waste. The appliance must be disposed of at a collecting centre for recyclable electric and electronic appliances. Do not remove the symbol from the appliance.
- The figures in this instruction manual may differ in some details from the current design of your appliance. Nevertheless follow the instructions in such a case. Delivery without content.
- Any modifications, which do not influence the functions of the appliance. shall remain reserved by the manufacturer. Please dispose of the packing with respect to your current local and municipal regulations.
- The appliance you have purchased may be an enhanced version of the unit this manual was printed for. Nevertheless, the functions and operating conditions are identical. This manual is therefore still valid. Technical modifications as well as misprints shall remain reserved.
EU – Declaration of Conformity
- The products, which are described in this instruction manual, comply with the harmonized regulations.
- The relevant documents can be requested from the final retailer by the competent authorities.
Safety information
READ THE SAFETY INFORMATION AND THE SAFETY INSTRUCTIONS CAREFULLY BEFORE YOU OPERATE THE APPLIANCE FOR THE FIRST TIME.
All information included in those pages serve for the protection of the operator. If you ignore the safety instructions, you will endanger your health and life.
- Store this manual in a safe place so you can use it whenever it is needed. Strictly observe the instructions to avoid damage to persons and property.
- Check the technical periphery of the appliance! Do all wires and connections to the appliance work properly? Or are they time worn and do not match the technical requirements of the appliance?
- A checkup of existing and newly made connections must be done by an authorized professional. All connections and energy-leading components (incl. wires inside a wall) must be checked by a qualified professional. All modifications to the electrical mains to enable the installation of the appliance must be performed by a qualified professional.
- The appliance is intended for private use only as well as to be used (1) in staff kitchen areas of shops, offices and other working environments; (2) by clients in hotels, motels, B&B and other residential type environments; (3) for catering and similar non-retail applications.
- The appliance is intended for cooling food only.
- The appliance is intended for indoor use only.
- The appliance is not intended to be operated for commercial purposes, during camping and in public transport.
- Operate the appliance in accordance with its intended use only.
- Do not allow anybody who is not familiar with this instruction manual to operate the appliance.
- This appliance may be operated by children aged from 8 years and above as well as by persons with reduced physical, sensory and mental capabilities or lack of experience and knowledge if they are supervised or have been instructed concerning the safe use of the appliance and do comprehend the hazards involved. . Children between 3 and 8 years are allowed to load and unload refrigerators.
- Children must not play with the appliance. Cleaning and user maintenance must not be carried out by children unless they are supervised.
Signal words
DANGER! indicates a hazardous situation which, if ignored, will result in death or serious injury.
WARNING! indicates a hazardous situation which, if ignored, could result in death or serious injury.
CAUTION! indicates a hazardous situation which, if not avoided, may result in minor or moderate injury.
NOTICE! indicates possible damage to the appliance.
Safety instructions
DANGER!
To reduce the risk of electrocution:
- Non-compliance of the orders of this instruction manual will endanger the life and health of the operator and/or can result in damages to the appliance.
- Do not connect the appliance to the mains if the appliance itself or the power cord or the plug are visibly damaged.
- The technical data of your energy supplier must meet the data on the rating plate of the appliance.
- Do not modify the plug provided with the appliance, if it will not fit the outlet, have a proper outlet installed by a qualified electrician (not covered by the guarantee).
- Never try to repair the appliance yourself. If the appliance does not operate properly, please contact the shop you purchased the appliance at. Original spare parts should be used only.
- When the power cord is damaged, it must be replaced by the manufacturer or an authorized aftersales service or a qualified professional only.
- Never pull the power supply cable to unplug the appliance. Always use the power plug itself to unplug the appliance. RISK OF ELECTRIC SHOCK!
- Never touch the power plug, the power switch or other electrical components with wet or damp hands. RISK OF ELECTRIC SHOCK!
WARNING!
To reduce the risk of burns, electrocution, fire or injury to persons:
- This appliance is equipped with the environmental-friendly refrigerant R600a. The refrigerant R600a is inflammable. The components of the cooling circuit must neither be damaged during transport nor use.
- If any part of the cooling circuit is damaged, the appliance must not stand near a fire, naked light or spark-generating devices. Contact the shop you purchased the appliance at immediately .
- If gas is set free in your home:
- Open all windows.
- Do not unplug the appliance and do not use the control panel or thermostat.
- Do not touch the appliance until all the gas has gone.
- Otherwise sparks can be generated which will ignite the gas.
- Keep all components of the appliance away from fire and other sources of ignition when you dispose of or decommission the appliance.
- Do not store any explosive materials or sprays, which contain flammable propellants, in your appliance. Explosive mixtures can explode there. EXPLOSION HAZARD!
- While unpacking, the packaging materials (polythene bags, polystyrene pieces, etc.) should be kept away from children and pets. CHOKING HAZARD! RISK OF INJURY!
- Always observe the required minimum distances for proper ventilation.
- Do not connect the appliance to the electric supply unless all packaging and transit protectors have been removed.
- Operate the appliance with 220 ~ 240 V AC / 50 Hz only. All connections and energy-leading components must be replaced by an authorized professional.
- Do not use a socket board or a multi socket when connecting the appliance to the mains.
- Do not connect the appliance to an energy saving plug (e.g. Sava Plug) and to inverters which convert direct current (DC) into alternating current (AC), e.g. solar systems, power supply of ships.
- A dedicated and properly grounded socket meeting the data of the plug is required to minimize any kind of hazard. The appliance must be grounded properly.
- Check that the power cord is not placed under the appliance or damaged when moving the appliance.
- Remove possible dust accumulation at the power plug, at the safety power socket and at all plug connectors regularly. RISK OF FIRE!
- Keep the cord away from heated surfaces.
- Do not use any extension cords, multiple sockets or adapters. RISK OF FIRE!
- The technical data of your energy supplier must meet the data on the model plate of the appliance.
- Your domestic circuit must be equipped with an automatic circuit breaker.
- Do not modify the appliance.
- Turn off the power before you install the appliance and before you connect it to the mains. RISK OF FATAL ELECTRIC SHOCK!
- Disconnect the appliance from the mains before you clean or maintain it.
Do not use any electric appliances inside the food storage compartments of your appliance unless they are recommended by the manufacturer of your refrigerator.
23. Do not put any heat-radiating appliances onto your appliance.
24. Do not install the appliance in a place where it may come in contact with water/rain; otherwise the insulation of the electrical system will be damaged.
25. Do not put a water-boiler or vases onto your appliance. The electrical components of your appliance can be seriously damaged by water over-boiling or spilled water.
26. Do not use any steam cleaners to clean or defrost the appliance. The steam can get into contact with the electrical parts and cause an electrical short. RISK OF ELECTRIC SHOCK!
27. Never use mechanic devices, knives or other sharp-edged items to remove encrusted ice inside the appliance. RISK OF ELECTRIC SHOCK caused by damaging the interior of the appliance.
28. Do not eat food which is still frozen. Children should not eat ice-cream straight from the freezer. The coldness can cause injuries in the mouth.
29. Contact with frozen food, ice and metal components in the freezer compartment can cause injuries similar to burns.
30. Children must never play with the appliance.
31. If you decommission your appliance (even temporarily), ensure that children cannot get into the appliance. Strictly observe the corresponding safety instructions numbers. 1 and 4, chapter DECOMMISSIONING, ultimate
32. Strictly observe the instructions in chapter INSTALLATION.
NOTICE!
- Do not store dry ice in the appliance.
- When you move the appliance using the rollers (depending on model), only move it forwards or backwards as the rollers are not pivotable and do not allow any lateral motion. Lateral motion can damage the appliance and floor seriously.
- Do not tilt the appliance more than 450.
- If the appliance is transported in a horizontal position, some oil may flow from the compressor into the refrigerant circuit.
- Leave the appliance in an upright position for 4 – 6 hours before you switch it on to ensure, that the oil has flowed back into the compressor.
- If you use the appliance for the first time or the appliance has been disconnected from the mains for a longer period of time, allow the appliance to cool down for 3 until 4 hours on medium temperature setting before you place any fresh or frozen food in the appliance. If you place food in the appliance before it has reached its normal operating temperature, this foods can thaw and / or spoil.
- Never use the door for moving the appliance as you will damage the hinges.
- The appliance must be transported and installed by at least two persons.
- When you unpack the appliance, you should take note of the position of every part of the interior accessories in case you have to repack and transport it at a later point of time.
- Do not operate the appliance unless all components are installed properly.
- Do not stand or lean on the base, the drawers, the doors etc of the appliance.
- Never close the doors of the appliance while shelves or drawers are extended, otherwise you will damage the shelves / drawers and the appliance.
- Do not put hot liquids or hot foodstuff into the appliance.
- The air vents of the appliance or its built-in structure (if the appliance is suitable for being built-in) must be completely open, unblocked and free of any kind of dirt.
- Do not place any food directly against the air outlet on the rear wall.
- Do not overfill the shelves / drawers /door trays to protect them from damage.
- Clean the appliance at least once a month (s. chapter CLEANING AND MAINTENANCE).
- The rating plate must not be removed or made illegible, otherwise all terms of the warranty become invalid!
Climatic classes
Look at chap. TECHNICAL DATA for information about the climatic class of your appliance. Your appliance can be operated in rooms with relevant room temperatures as named below. 
Installation
- All dimensions in these chapters are given in millimetres.
- Fix the plastic wall spacers (depending on model) on the condenser at the back of the appliance to ensure a ventilation gap between the appliance and the wall.
- The minimum distances required for proper ventilation can be found in chapter 3.2.2 VENTILATION.
Site
WARNING! While unpacking, the packaging materials (polythene bags, polystyrene pieces, etc.) should be kept away from children and pets. CHOKING HAZARD! RISK OF INJURY!
- Unpack the appliance carefully. Dispose of the packaging as described in chapter waste management.
- The accessories of your appliance can be protected from damage due to transportation (adhesive tapes etc.). Remove such tapes very carefully. Remove remains of such tapes with a damp cloth using lukewarm water and a mild detergent (see also chapter CLEANING AND MAINTENANCE). Never remove any components of the back of the appliance!
- Install the appliance in a suitable position with an adequate distance from sources of heat and cold.
- If the appliance is positioned beside another fridge or freezer, leave at least a free space of 2.0 cm between the appliances in order to avoid condensation.
- Check that the appliance and the power cord are not damaged.
- Install the appliance in a dry and well-ventilated place.
- Protect the appliance from direct sunlight.
- The doors must open completely and without hindrance.
- Install the appliance on a level, dry and solid floor. Check the correct installation with a bubble level.
- Connect the appliance to the mains properly.
- The rating plate is inside the appliance or at the back.
Space and ventilation requirements
Space requirement
SPACE REQUIREMENT OF THE APPLIANCE:

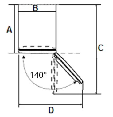
A = Depth / B = Width / C = Depth ( when the door is open) / D = Space requirement of the appliance (width) when the door is open/1300 
- To allow the door to open at a 1400 angle, the minimum distance between the opening side of the door and a wall should be 200 mm (s. fig. on the right).

The following minimum distances are recommended by the manufacturer to ensure optimum efficiency of the appliance:
- Back ↔ wall min. 50 75 mm
- Right / left ↔ any piece of furniture / wall min. 1 00 mm
- Free space above min. 100 mm
These minimum distances may be less, but to do so can increase the power consumption of the appliance.
Levelling
Use the adjustable feet for proper levelling and for proper air circulation in the lower sectors of the appliance. Adjust the feet using a suitable spanner.
Operation
WARNING! To disconnect the appliance from the mains, you must unplug the appliance or use a cut-off device.
Description of the appliance
- The figure above serves as an example only. Modifications are possible.

BOTTOM DOOR TRAY
ADJUSTABLE FEET
10 FREEZER:
GLASS SHELF
Before initial operation
WARNING! While unpacking, the packaging materials (polythene bags, polystyrene pieces, etc.) should be kept away from children and pets. CHOKING HAZARD! RISK OF INJURY!
NOTICE! Leave the appliance in an upright position for 4 – 6 hours before you connect it to the mains to ensure, that the oil has flowed back into the compressor.
NOTICE! If you use the appliance for the first time or the appliance has been disconnected from the mains for a longer period of time, allow the appliance to cool down for 3 until 4 hours on medium temperature setting (s. chapter 4.3 SETTING OF THE TEMPERATURE) before you place any fresh or frozen food in the appliance. If you place food in the appliance before it has reached its normal operating temperature, this foods can thaw and / or spoil.
- Remove all packaging materials.
- Adjust the feet and clean the appliance (see chapter CLEANING AND MAINTENANCE).
- Do not start the appliance immediately after installation. Wait 4 – 6 hours to ensure proper operation.
- The settings of the temperature of the fridge can be adjusted manually. To do this, turn the temperature controller for the temperature setting to the desired preference. (s. chapter 4.3 SETTING OF THE TEMPERATURE).
- If operation was interrupted, wait 5 minutes before restart.
- The appliance needs some time to balance temperatures when you have changed the settings before or when you have stored additional food in the appliance. The duration of this period of time depends on the range of the change, the ambient temperature, the amount of food and the frequency of door-openings. When you set the temperature of the fridge these aspects should be taken into account.
- Operate the appliance according to the instructions described in the following chapters.
Setting of the temperature
Setting of the temperature of the fridge
- The settings of the temperature of the fridge can be adjusted manually by turning the temperature controller of the temperature setting to the desired setting.
- When you set a temperature, you set an average temperature for the whole refrigerator. Temperatures inside each area may vary from the set temperature, depending on how much food you store and where you place them. Ambient temperature may also affect the actual temperature inside the appliance. When you set the temperature of the fridge these aspects should be taken into account.
TEMPERATURE CONTROLLER
- The temperature of the fridge can be adjusted by using the relevant temperature controller (s. fig below / s. also fig., chapter 4.1 DESCRIPTION OF THE APPLIANCE).

- If you turn the temperature controller to 0, the cooling will be switched off.
- If you turn the temperature controller to 1 – 2, the refrigeration temperature of the fridge will be decreased (lower / slight cooling).
- If you turn the temperature controller to 3, the temperature of the fridge is set to a medium refrigeration temperature (medium / average cooling). The cooling levels 3 and 4 are suitable for daily use.
- If you turn the temperature controller to 4 – 5, the refrigeration temperature of the fridge will be increased (high / strong cooling). The higher the setting is, the longer the compressor operates to reach the set cooling temperature.
- he description of the cooling levels represents standard values only.
- You can check the temperature inside the cooling compartment using a suitable thermometer (not included in delivery).
- When the ambient temperature is very high, it is recommended to set the temperature controller to a colder setting if needed (cooling level 4 or 5). If the colder setting should cause strong formation of encrusted ice, please select a lower setting (cooling levels 1 – 3).
- High ambient temperatures and simultaneously operating at the coldest setting may make the compressor operate permanently to keep the temperature constant inside the appliance.
WARNING The setting 0 switches off the compressor only. You must unplug the appliance to disconnect it from the mains.
NOTICE! If you want to switch off the appliance for a longer period of time, disconnect it from the mains (unplug!). S. also Chapter 7. DECOMMISSIONING, / TEMPORARILY.
Setting of the temperature of the freezer
The temperature setting of the freezer is automatised. A manual setting of the freezer temperature is not possible.
CAUTION! Do not put any bottled or canned beverages (neither still nor carbonated) into the freezer compartment of the appliance as their containers could explode.
The refrigerator
The cooling compartment is not intended for storing food for a longer period of time. So, use the cooling compartment for short-term storage only. Different temperature areas due to the air circulation occur in the appliance. Use these different temperature areas to store different kinds of food.
- Shelves Food from wheat flour, milk etc. The shelves are removable for cleaning. Adjust the shelves relevant to your needs.
- Crisper Fruit, vegetable, etc. Door trays Eggs, beverage cans, bottled beverages, packaged foodstuffs etc.
- Store covered or packaged food in the appliance only so the smell or taste of the food will not diffuse. The following materials are suitable for proper packaging:
- Food safe cling film / airtight bags and aluminium foil.
- Food safe covering hoods.
- Food safe containers made of plastic / glass / ceramics.
- Store fresh, packaged food on the shelves, fresh fruit and vegetable in the crisper.
- Store fresh meat packaged in protective foil for max. 2 days.
- Let warm food such as cooked meals cool down before you store them in the appliance.
- Store food in such a way that the cooled air can circulate properly.
- Do not place heavy bottles in the bottle pocket as it can come off the door.
Glass shelves
- Depending on model the glass shelves can be removed.
HOW TO REMOVE / INSERT THE GLASS SHELVES

- The glass shelves can be inserted into different positions8 if required (depending on model).
- Pull the glass shelf on the guide rails forward carefully and lift it slightly until you can remove it.
- To reinsert the glass shelf, push it back in position on the guide rails carefully.
- Ensure that the area is free and has no obstacles.
- The glass shelves can be removed and inserted for cleaning as shown above (depending on model).
The freezer
WARNING! Do not eat food which is still frozen. Children should not eat ice-cream straight from the freezer. The coldness can cause injuries in the mouth.
WARNING! Contact with frozen food, ice and metal components in the freezer compartment can cause injuries similar to burns.
CAUTION! Do not put any bottled or canned beverages (neither still nor carbonated) into the freezer compartment of the appliance as their containers could explode.
The freezer is intended for long-term storage of food. Please observe the advice for max. storage time on the packaging of frozen food products. Do not refreeze defrosted food.
- Protect fresh food you want to freeze using aluminium foil, cling film, air and water tight plastic bags, polyethylene containers or other suitable plastic containers with a lid.
- Leave some free space between the single pieces of frozen food as proper air circulation is required.
- The food is frozen completely after 24 hours (you find the relevant information about the maximum freezing capacity within 24 hours in chapter TECHNICAL DATA).
- Only buy frozen food, when its packaging is not damaged. Damaged packaging may indicate an interruption of the cold chain.
- Avoid or reduce variations in temperature: buy frozen food at the end of shopping and transport it in thermally insulated bags.
- Do not refreeze defrosted and semi-defrosted food. Consume within 24 hours.
- Observe the complete information on the packaging of frozen food.
Helpful hints / Energy saving
- Do not line the drawers with aluminium foil, waxed paper or paper layers; otherwise optimum circulation of the cold air is impeded so the appliance cannot work at best performance.
- Cooked food can be stored in the appliance. Let it cool down to room temperature before you put it into your appliance.
- Store your food in colourless, airtight and tasteless materials.
- Some food like meat, fish etc. may become dry and release strong odours. You can avoid these by wrapping them into aluminium foil or plastic wrap or putting them into an airtight bag or container.
- Allow ample storage place for your food. Do not overfill your appliance.
- Wrap your food in plastic wrap or suitable paper and place each kind of food in a particular location in your appliance. This will prevent any contamination, a loss of water and a mingling of odours.
- Let warm or hot food cool down to room temperature before you put it into your appliance. Otherwise the energy consumption will increase and encrusted ice will be generated.
- If you buy frozen food, the packaging must not be damaged and the product must be properly stored (sales container -18 0C or lower).
- Put the frozen food you want to defrost into the cooling-compartment of you appliance.
- How to defrost frozen food depends on your kitchen-equipment and the purpose, you want to use the frozen food for.
- room temperature
- in the cooling-compartment of your appliance
- in an electrical oven9
- in a microwave10
- Regard the corresponding functions of your oven.
- Regard the corresponding functions of your microwave.
- Try opening the door as little as possible, especially when the weather is warm and humid. If you open the door, close it as fast as possible.
- Permanently check, that the appliance is well-ventilated. The appliance has to be well-ventilated from all sides.
- Defrost the appliance periodically as encrusted ice will decrease the power and increase the energy consumption of the appliance.
Meaning of the *-labelling of freezers
- (*), 2- (**), and 3-stars (***) freezers are not suitable for freezing fresh food.
- stars (**) and 3-stars (***) freezers are suitable for storing frozen food (pre-frozen) and ice or for making ice and ice cubes.


WARNUNG Do not eat food that is still frozen. The coldness can cause injuries in the mouth.
WARNUNG Do not touch extremely cooled surfaces with wet or damp hands, because your skin may stick on these surfaces.
Storage of food
Your appliance has the accessories as the “Description of the appliance” showed in general, with this part instruction you can have the right way to storage your food. Food is not allowed to touch directly all surfaces inside the appliance. It has to be wrapped separately in aluminium sheet or in cellophane sheet or in airtight plastic boxes. Storing food in the refrigerator compartment The fridge freezer compartment helps to extend the storage times of fresh perishable foods. Fresh food care for best results:
Store foods that are very fresh and of good quality.
Ensure that food is well wrapped or covered before it is stored. This will prevent food from dehydrating, deteriorating in colour or losing taste and will help maintain freshness. It will also prevent odour transfer. Vegetables and fruit need not be wrapped if they are stored in the vegetable container of the fridge compartment. Make sure that strong smelling foods are wrapped or covered and stored away from foods such as butter, milk and cream which can be tainted by strong odours. Cool hot foods down before placing them in the fridge compartment.
Dairy foods and eggs
Most pre-packed dairy foods have a recommended „use by /best before/best by/ date stamped on them. Store them in the fridge compartment and use within the recommended time.
Butter can become tainted by strong-smelling foods so it is best stored in a sealed container. Eggs should be stored in the fridge compartment.
Red meat
Place fresh red meat on a plate and loosely cover with waxed paper, plastic wrap or foil. Store cooked and raw meat on separate plates. This will prevent any juice lost from the raw meat from contaminating the cooked product.
Poultry
Fresh whole birds should be rinsed inside and out with cold running water, dried and placed on a plate. Cover loosely with plastic wrap or foil. Poultry pieces should also be stored this way. Whole poultry should never be stuffed until just before cooking, otherwise, food poisoning may result.
Fish and seafood
Whole fish and fillets should be used on the day of purchase. Until required, refrigerate on a plate loosely covered with plastic wrap, waxed paper or foil.
If storing overnight or longer, take particular care to select very fresh fish. The whole fish should be rinsed in cold water to remove loose scales and dirt and then patted dry with paper towels. Place whole fish or fillets in a sealed plastic bag. Keep shellfish chilled at all times. Use within 1 – 2 days.
Precooked foods and leftovers
These should be stored in suitable covered containers so that the food will not dry out. Keep for only 1-2 days. Reheat leftovers only once and until steaming hot.
Vegetable container
The vegetable container is the optimum storage location for fresh fruit and vegetables. Take care not to store the following at temperatures of less than 7°C for long periods: Citrus fruit, melons, aborigines, pineapple, papaya, curettes, passion fruit, cucumber, peppers, tomatoes. Undesirable changes will occur at low temperatures such as softening of the flesh, browning and/or accelerated decaying. Do not refrigerate avocados (until they are ripe), bananas and mangoes.
Freezing and storing food in the freezer compartment
- To store deep-frozen food.
- To make ice cubes.
- To freeze food.
Note: Ensure that the freezer compartment door has been closed properly.
Purchasing frozen food
Packaging must not be damaged. Use by the „use by /best before/best by/‟ date. If possible, transport deep-frozen food in an insulated bag and place quickly in the freezer compartment.
Storing frozen food
Store at -18°C or colder. Avoid opening the freezer compartment door unnecessarily.
Freezing fresh food
Freeze fresh and undamaged food only. To retain the best possible nutritional value, flavour and colour, vegetables should be blanched before freezing. Aubergines, peppers, zucchini and asparagus do not require blanching.
Note: Keep food to be frozen away from food which is already frozen.
The following foods are suitable for freezing:
Cakes and pastries, fish and seafood, meat, game, poultry, vegetables, fruit, herbs, eggs without shells, dairy products such as cheese and butter, ready meals and leftovers such as soups, stews, cooked meat and fish, potato dishes, soufflés and desserts. The following foods are not suitable for freezing: Types of vegetables, which are usually consumed raw, such as lettuce or radishes, eggs in shells, grapes, whole apples, pears and peaches, hard-boiled eggs, yogurt, soured milk, sour cream, and mayonnaise.
Packing frozen food
To prevent food from losing its flavour or drying out, place food in airtight packaging.
- Place food in packaging.
- Remove air.
- Seal the wrapping.
- Label packaging with contents and dates of freezing.
Suitable packaging:
Plastic film, tubular film made of polyethylene, aluminum foil. These products are available from specialist outlets. Recommended storage times of frozen food in the freezer compartment these times vary depending on the type of food. The food that you freeze can be preserved from 1 to 12 months (minimum at -18°C).
Never forget:
When you freeze fresh foods with a „use by /best before/best by/‟ date, you must freeze them before this date expires. Check that the food was not already frozen. Indeed, frozen food that has thawed completely must not be refrozen. Once defrosted, food should be consumed quickly.
Operational parameters
The appliance can only reach the relevant temperatures when:
- the a ambient temperature meets the climatic class.
- the doors close properly.
- you do not open the doors too often or too long.
- the door seals are in proper condition.
- the appliance is properly positioned.
- you have not overfilled the appliance.
- you do not store warm or hot food in the appliance.
Cleaning and maintenance
DANGER! Never touch the power plug, the power switch or other electrical components with wet or damp hands. RISK OF ELECTRIC SHOCK!
WARNING! Disconnect the appliance from the mains before you clean or maintain it. RISK OF ELECTRIC SHOCK!
WARNING! To disconnect the appliance from the mains, you must unplug the appliance or use a cut-off device.
WARNING! Remove possible dust accumulation at the power plug, at the safety power socket and at all plug connectors regularly. RISK OF FIRE!
NOTICE! Clean the appliance at least once a month.
- Always keep the appliance clean so that unpleasant odours do not occur.
- Dust deposits on the condenser will increase the energy consumption. Clean the condenser twice a year with a vacuum cleaner or a soft brush.
- Take off all rings and bracelets before cleaning or maintaining the appliance; otherwise you will damage the surface of the appliance.
DETERGENT
- Do not use any harsh, abrasive or aggressive detergents.
- Do not use any solvents.
- Do not use any abrasive detergents!
- Do not use any organic detergents! 11
- Do not use essential oils!
- These instructions are valid for all surfaces of your appliance.
EXTERNAL CLEANING
- Use a moist cloth and a mild, non-acidic detergent. Use a suitable detergent for stubborn stains.
- Use clear water to rinse.
- Dry the cleaned surfaces with a cloth.
INTERNAL CLEANING:
- Clean the shelves and the inside with warm water and a mild detergent.
- Use clear water to rinse.
- Dry the cleaned surfaces with a cloth.
- Detergents such as vinegar, citric acid etc.
- Check the water drain and clean it if needed.
DOOR SEALS:
Clean with warm water and a mild, non-acidic detergent. Do not restart the appliance until the door seals have dried completely.
Drain hole:
- Clean the drain hole at the back of the cooling compartment periodically; otherwise, defrost water can get into the cooling compartment. Use a suitable device such as a pipe cleaner.

Defrosting
(depending on model) to position 0 / AUS / OFF and disconnect it from the mains.
WARNING! To disconnect the appliance from the mains, you must unplug the appliance or use a cut-off device. WARNING! Never use any mechanical items, knives or other sharp-edged objects to remove the encrusted ice. Never use a steam cleaner. RISK OF ELECTRICAL SHOCK!
COOLING COMPARTMENT:
- The cooling compartment is equipped with an automatic defrost-system.
- The water is drained at the back inside the appliance12.
- The water is collected in a container underneath the compressor. The water evaporates in this container
- The drain must not be blocked.
- Clean the drain carefully with a pipe cleaner.
FREEZER:
- Remove the contents from the freezing-compartment and put them into a cooling box.
- Switch off the appliance by turning the thermostat to position 0 / AUS / OFF and disconnect it from the mains or use a cut-off device.
- When the encrusted ice melts put some dry cloths into the freezer-compartment to hold the water back.
- Do not use hot water to accelerate the defrosting operation.
- Remove the big pieces of ice first.
- Afterwards remove the small pieces of ice.
- Wipe and dry the appliance and door seals with dry and soft cloths.
- After cleaning leave the door open for some time to ventilate the appliance.
Replacing of the illuminant
WARNING! The LED illuminant must be replaced by a competent person only. If the LED-illuminant is damaged, please contact a qualified professional (not covered by the guarantee).
NOTICE! This product contains a LED light source of energy efficiency class G according to EU-Regulation 2019/2015.
Troubleshooting

MALFUNCTION
- POSSIBLE CAUSE
- MEASURE
THE APPLIANCE DOES NOT WORK AT ALL
- The plug of the appliance is not connected to the socket.
- The plug has become loose.
- The socket is not supplied with energy.
- The fuse is switched off.
- The voltage is too low.
- Connect the appliance to the mains properly.
- Check the plug.
- Check the corresponding socket by connecting it with another appliance.
- Check the fuse box.
- Compare the data on the model plate with the data of your energy supplier.
THE COMPRESSOR DOES NOT WORK AT ALL.
- Incorrect energy supply.
- Check the energy supply.
THE COMPRESSOR OPERATES FOR TOO LONG.
- The appliance has been switched off for a while.
- Too much or too hot food in the appliance.
- Doors opened too often or too long.
KNOCKING / SNAPPING:
may be generated by sequential expansion and shrinkage of the components of the cooling system. It is caused by variations of temperature before and after the compressor is activated or deactivated.
Decommissioning
DECOMMISSIONING, TEMPORARILY:
IF THE APPLIANCE IS NOT USED FOR A LONGER PERIOD OF TIME:
- Switch off the appliance (0 / AUS / OFF; depending on model) and disconnect it from the mains (unplug).
- Remove all food stored in the appliance.
- Dry the inside of the appliance with a cloth and leave the door open for a few days.
WHILE AWAY ON AN AVERAGE VACATION / HOLIDAY (14-21 DAYS):
- Do the same as described above, or
- let the appliance operate.
- remove all perishable food from the cooling compartment.
- clean the cooling compartment.
- freeze all food which is suitable to be frozen.
IF YOU WANT TO MOVE THE APPLIANCE
- Secure all removable parts and the contents of the appliance. Pack them separately if necessary.
- Transport the appliance in an upright position only. All other positions can cause damage to the compressor.
- Do not damage the feet of the appliance.
DECOMMISSIONING, ULTIMATE
- Switch off the appliance (0 / AUS / OFF; depending on model) and disconnect it from the mains (unplug).
- Cut off the power cord at the appliance.
- Completely remove every door of the appliance.
- Leave the shelves in their position so that children are not able to get into the appliance.
- Follow the advice for the disposal of the appliance in chapter WASTE MANAGEMENT.
Technical data

Technical modifications reserved.
Waste management
- Dispose of the appliance relevant to the current legislation in view of explosive gases. The cooling systems and insulation of refrigerators and freezers contain refrigerants and gases which have to be deposed of properly. Do not damage the cooling fins and tubes. If refrigerants escape there is FIRE HAZARD!
- While unpacking, the packaging materials (polythene bags, polystyrene pieces, etc.) should be kept away from children and pets. CHOKING HAZARD! RISK OF INJURY!
- Old and unused appliances must be send for disposal to the responsible recycling centre. Never expose to open flames.
- Before you dispose of an old appliance, render it inoperative. Unplug the appliance and cut off the entire power cord. Dispose of the power cord and the plug immediately. Remove the door completely so children are not able to get into the appliance as this endangers their lives!
- Dispose of any paper and cardboard into the corresponding containers.
- Dispose of any plastics into the corresponding containers.
- If suitable containers are not available at your residential area, dispose of these materials at a suitable municipal collection point for waste-recycling.
- Receive more detailed information from your retailer or your municipal facilities.
REFRIGERANT:
- The refrigerant circuit of the appliance contains the refrigerant R600a, a natural gas of high environmental compatibility.
- WARNING! Do not damage any components of the refrigerant circuit while transporting the appliance. FIRE HAZARD!
- Materials marked with this symbol are recyclable.
- Please contact your local authorities to receive further information.
- The refrigerant R600a is flammable!
Guarantee conditions
for large electric appliances; PKM GmbH & Co. KG, Neuer Wall 2, 47441 Moers This appliance includes a 24-month guarantee for the consumer given by the manufacturer, dated from the day of purchase, referring to its flawless material components and its faultless fabrication. The consumer is accredited with both the dues of the guarantee given by the manufacturer and the vendor’s guarantees. These are not restricted to the manufacturer’s guarantee.
Any guarantee claim has to be made immediately after the detection and within 24 months after the delivery to the first ultimate vendee. The guarantee claim has to be verified by the vendee by submitting a proof of purchase including the date of purchase and/or the date of delivery. The guarantee does not establish any entitlement to withdraw from the purchase contract or for a price reduction. Replaced components or exchanged appliances demise to us as our property.
The guarantee claim does not cover:
- fragile components as plastic, glass or bulbs;
- minor modifications of the PKM-products concerning their authorized condition if they do not influence the utility value of the product;
- damage caused by handling errors or false operation;
- damage caused by aggressive environmental conditions, chemicals, detergents;
- damage caused by non-professional installation and haulage;
- damage caused by non common household use;
- damages which have been caused outside the appliance by a PKM-product unless a liability is forced by legal regulations.
The validity of the guarantee will be terminated if:
- the prescriptions of the installation and operation of the appliance are not observed.
- the appliance is repaired by a non-professional.
- the appliance is damaged by the vendor, the installer or a third party.
- the installation or the start-up is performed inappropriately.
- the maintenance is inadequately or incorrectly performed.
- the appliance is not used for its intended purpose.
- the appliance is damaged by force majeure or natural disasters, including, but not being limited to fires or explosions.
The guarantee claims neither extend the guarantee period nor initiate a new guarantee period. The geographical scope of the guarantee is limited with respect to appliances, which are purchased and used in Germany, Austria, Belgium, Luxembourg and the Netherlands.
SERVICE INFORMATION
- TECHNOLOGIE FÜR DEN HAUSHALT
- TECHNOLOGY FOR DOMESTIC USE
Aftersales service information on the leaflet inside this instruction manual.
























