xiaomi MAF08 Air Fryer 6L

Read this manual carefully before use, and retain it for future reference.
Thank you for choosing Xiaomi Air Fryer 6L. This product is for household use only. Illustrations of product, accessories and user interface in the user manual are for reference purposes only. Actual product and functions may vary due to product enhancement.
Safety Instructions
This appliance can be used by children aged from 8 years and above and persons with reduced physical, sensory or mental capabilities or lack of experience and knowledge if they have been given supervision or instruction concerning use of the appliance in a safe way and understand the hazards involved. Children shall not play with the appliance. Cleaning and user maintenance shall not be made by children unless they are older than 8 and supervised.
- Please keep the air fryer and the power cord out of the reach of children aged under 8.
- For household use only.
- If the power cord is damaged or broken, it must be replaced by the manufacturer or an after-sales service department to avoid safety hazards.
- The temperature of the touchable surface may rise while the air fryer is working.
- The surface will heat up easily while the air fryer is in use.
- The air fryer should not be operated via an external timer or a separate remote control.
- Do not block the air fryer’s air inlet and outlet, nor the heat dissipation vents during use to avoid affecting its normal heat dissipation.
- Any non-professionally trained technicians should not modify the internal wiring of the air fryer.
- Do not use charcoal or other similar fuel sources to heat the basket, frying plate, or grill.
- Do not place the basket on any other heat sources, such as an induction cooker or gas stove.
- Do not plug or unplug the power cord with wet hands to avoid the risk of an electrical shock.
- Do not use a power cord with loose connection or poor contact.
- Do not let the power cord cross through sharp objects to avoid damage to the power cord.
- Do not use the air fryer to store any items, especially flammable, explosive, or corrosive items.
- Do not excessively pinch, bend, twist, or place heavy objects on the power cord to prevent from exposing or breaking its core.
- Stop using the air fryer immediately and unplug it from the power source if it doesn’t function normally or malfunctions.
- The air fryer cannot be started without the basket being in place.
- Do not touch the basket directly with your hands during or right after use to avoid getting scalded.
- Do not allow children to get close to or play with the cling wrap and packaging to avoid suffocation accidents.
- Do not use any plastic utensils or normal paper wrapping materials to wrap food for cooking.
- Do not drop this air fryer or bump it against hard objects to avoid damage or malfunction.
- Do not insert pins, wires or other objects into any of the openings of the air fryer to avoid an electrical shock or injury.
- Do not use any accessories that are not recommended by the manufacturer.
- The normal operating altitude range of this product is 0-2000 meters.
- Keep a distance of 30 cm or more between the air outlet and other devices during use.
- Do not move or shake the air fryer during use.
- Do not insert any foreign objects into the safety switch to avoid causing any danger.
- When placing the air fryer in a kitchen cabinet, etc., please ensure that it is well-ventilated.
- Please be sure to unplug the air fryer before cleaning or repairing it.
- This product must be used on a level, heat-resistant surface to avoid damage to the product or accidents.
- Ensure that the silicone parts of the air fryer do not come into contact with ethanol or solutions that contain more than 50% of alcohol
- Please ensure that the electrical outlet the air fryer is plugged into is well grounded to avoid an electrical shock or other safety hazards.
CAUTION: Hot surfaces.
Product Overview

Note: The silicone rubber used on the frying plate is made of high-temperature resistant food-grade materials to prevent the edges of the frying plate from scratching the coating of the basket and to improve the stability of the frying plate. Do not remove the silicone rubber from the frying plate.
Display

How to Use
Once connected to the power, the air fryer will enter standby mode.
Note: The air fryer needs to run with an empty basket at the maximum temperature (200°C) for five minutes on its first use, which may cause a small amount of white smoke or an odor. This is normal.
- Turning on
- Connect the air fryer to the power and it will beep once and the display will turn on for one second. Then press the on/off button to turn on the air fryer, and it will automatically enter settings mode.
- Turning off
- When the air fryer is in settings mode, press the on/off button and it will turn off. If the air fryer is cooking or paused, press the on/off button and it will enter cooldown mode before automatically turning off after about 20 seconds. After the air fryer has finished cooking, it will enter cooldown mode before automatically turning off after about 20 seconds.
Cooking
Preparations
The ingredients can be marinated to taste before cooking.
Starting a cooking program
- Place the air fryer on a stable, level surface and ensure that there is air circulation around the air fryer.
- Place the frying plate into the basket and add the ingredients one by one.
3 L or 6 L capacity alternatives

Normal mode (6 L capacity): Tilt the frying plate so that it avoids protrusions on the inside surface of the basket and rest it flat at the bottom to maximize the air fryer’s capacity. When removing the frying plate after cooking, tilt it again to avoid protrusions on the inside surface of the basket.

Grilling mode (3 L capacity): Place the frying plate flat on protrusions on the inside surface of the basket, so that you are only using the top half of the air fryer. This mode will reduce the air fryer’s capacity, but it helps with cooking food (such as chicken drumsticks , steak, and fish) that’s crispy outside and tender inside.
Note: It is recommended to use normal mode when cooking starchy foods, such as cakes, fries, and pizza.
CAUTION: Food cannot go above the Max. mark.
- Once the basket is pushed fully into the air fryer, tap the on/off button to turn it on. Tap the menu button to select the corresponding cooking program, then tap the start/stop buon to confirm, and the air fryer will start cooking.
- Note: The indicator will stay on during cooking and it cannot be manually turned off by the user.
- Some ingredients need to be turned over during cooking. Please follow the air fryer’s instructions and pull out the basket to turn over the ingredients, then fully push the basket back into the air fryer and the air fryer will resume cooking automatically.
- Once it has finished cooking, the air fryer will beep to indicate that cooking is completed. Carefully pull out the basket and use tongs to remove the food.
- CAUTION: When cooking is completed, the basket is very hot, so do not touch it to avoid getting scalded.
Other Operations
- Settings
- Tap the on/off button when the air fryer is off and it will give off a short beep before entering settings mode. In this mode, tap the menu button to select the cooking program, tap the time/ temperature, up and down buttons to change the temperature or time as needed, and then tap the start/stop button to start cooking. If no buttons are tapped within 3 minutes after entering settings mode, the air fryer will automatically turn off.
- Pause/Cancel
- Tap the start/stop button when the air fryer is cooking and it will give off a short beep before entering pause mode. In this mode, cooking program, temperature, time can be changed and tap the start/stop button again to resume the cooking. In the cooking or pause mode, you can cancel the current mode and enter the settings mode by pressing and holding the start/stop button for 2 seconds.
- Note: If the air fryer is disconnected from the power during cooking and is then reconnected within two hours, it will continue the unfinished cooking program. If the air fryer is disconnected for over two hours, it will turn off after being reconnected to the power.
- Food turn-over reminder
- For some programs, the air fryer will give off three long beeps halfway through the cooking time and “SHAKE” will blink on the display to remind you to turn over the food. Pull out the basket, turn over the food, and then push the basket back into the air fryer to resume cooking.
Programs

Note: The temperature range is 40°C to 200°C and the time value can be set between 1–60 minutes.
Troubleshooting

Maintenance Tips
- Only professionally trained and qualified technicians should repair the air fryer.
- Others should not repair the air fryer without permission to avoid serious consequences.
- When the air fryer is acting abnormally, please refer to Troubleshooting before contacting the after-sales service team.
- If the issue cannot be resolved, please unplug the power cord and disconnect it and contact an after-sales service team.
Cleaning & Maintenance
Unplug the power cord before cleaning and maintaining the air fryer, and wait for it to cool down to room temperature or a safe temperature before operating it. Please remove the basket when cleaning the inside of the air fryer.
Air fryer surface: The surface of the air fryer can be wiped with a dry, soft cloth or a sponge moistened with a neutral cleaning detergent.
Cavity: To remove stains from the inside of the air fryer, apply a suitable amount of detergent diluted in hot water to its surface and let it sit for about ten minutes, then use a soft sponge moistened with water to wipe away the detergent residue.
Basket: Clean the air fryer after each use. The basket of the air fryer is coated, so do not use any steel wool or other abrasive cleaning materials to clean it as they may damage the coating.
Frying plate: You can use a soft, cotton cloth or sponge moistened with neutral detergent to wipe it clean, then moisten it with water to wipe away the detergent residue.
Note: The basket and frying plate can be separated and placed in a dishwasher for cleaning, but the air fryer itself can neither be washed in water not be cleaned in a dishwasher.
Cleaning Cautions
- After using the air fryer, please unplug the power plug in time and do not place the air fryer near a source of fire nor immerse it in water. Do not place the power plug directly on the air fryer to prevent the plug from scratching its surface.
- Cleaning and maintenance should only be done after the air fryer has cooled down.
- Do not use any corrosive or abrasive cleaning materials or detergents.
Note: Regular cleaning and maintenance of the air fryer will help to extend its service life.
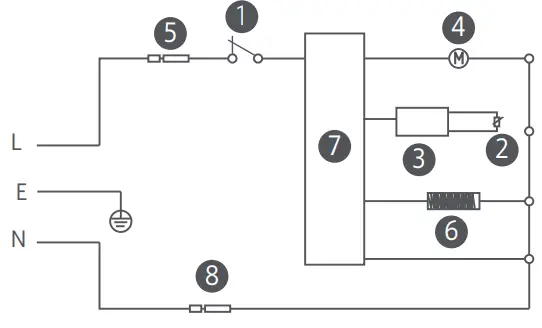
Electrical Diagram

- Safety Switch
- Thermostat Probe
- Display Panel
- Motor
- Fuse
- Heating Element
- Power Board
- Fuse
Specifications

CE: Hereby, Ningbo Careline Electric Appliance Co., Ltd. declares that the radio equipment type Oven (Air Fryer) MAF08 is in compliance with Directive 2014/53/EU. The full text of the EU declaration of conformity is available at the following internet address: http://www.mi.com/global/service/support/declaration.html
For detailed e-manual, please go to www.mi.com/global/service/userguide
All products bearing this symbol are waste electrical and electronic equipment (WEEE as in directive 2012/19/EU) which should not be mixed with unsorted household waste. Instead, you should protect human health and the environment by handing over your waste equipment to a designated collection point for the recycling of waste electrical and electronic equipment, appointed by the government or local authorities. Correct disposal and recycling will help prevent potential negative consequences to the environment and human health. Please contact the installer or local authorities for more information about the location as well as terms and conditions of such collection points.
Manufactured for: Xiaomi Communications Co., Ltd.
Manufactured by: Ningbo Careline Electric Appliance Co., Ltd. (a Mi Ecosystem company)
Address: No.558, Wei’er Road, Andong Industrial Zone, Hangzhou Bay New Area, Ningbo, 315327, Zhejiang, China
For further information, please go to: www.mi.com
User Manual Version: V1.0




















