
INSTRUCTION MANUAL
Radio
BMR102

WARNING:
For your personal safety, READ and UNDERSTAND before using.
SAVE THESE INSTRUCTIONS FOR FUTURE REFERENCE.
Symbols
The following show the symbols used for the equipment.
Be sure that you understand their meaning before use.
Read the instruction manual.
Only EU countries
Do not dispose of electric equipment or battery packs together with household waste material!
In observance of European Directive 2002/96/EC on waste electric and electronic equipment, 2006/66/EC on batteries and accumulators and waste batteries and accumulators and their implementation in accordance with national laws, electric equipment, and battery pack that have reached the end of their life must be collected separately and returned to an environmentally compatible recycling facility.
IMPORTANT SAFETY INSTRUCTIONS
WARNING:
When using electric tools, basic safety precautions should always be followed to reduce the risk of fire, electric shock, and personal injury, including the following:
- Read this instruction manual and the charger instruction manual carefully before use.
- Clean only with a dry cloth.
- Do not block any ventilation opening. Install in accordance with the manufacturer’s instructions.
- Do not install near any heat sources such as radiators, heat registers, stoves, or other apparatus (including amplifiers) that produce heat.
- Only use attachments/accessories specified by the manufacturer.
- Unplug this apparatus during lightning storms or when unused for long periods of time.
- Battery-operated radio with integral batteries or a separate battery pack must be recharged only with the specified charger for the battery. A charger that may be suitable for one type of battery may create a risk of fire when used with another battery.
- Use battery-operated radio only with specifically designated battery packs. The use of any other batteries may create a risk of fire.
- When the battery pack is not in use, keep it away from other metal objects like paper clips, coins, keys, nails, screws, or other small metal objects that can make a connection from one terminal to another. Shorting the battery terminals together may cause sparks, burns, or a fire.
- Avoid body contact with grounded surfaces such as pipes, radiators, ranges, and refrigerators. There is an increased risk of electric shock if your body is
grounded. - Under abusive conditions, liquid may be ejected from the battery; avoid contact. If contact accidentally occurs, flush with water. If liquid contacts the eyes, additionally seek medical help. Liquid ejected from the battery may cause irritation or burns.
SPECIFIC SAFETY RULES
SAVE THESE INSTRUCTIONS.
FOR BATTERY CARTRIDGE
- Before using the battery cartridge read all instructions and cautionary markings on (1) battery charger, (2) battery, and (3) product using the battery.
- Do not disassemble the battery cartridge.
- If the operating time has become excessively shorter, stop operating immediately. It may result in a risk of overheating, possible burns, and even an explosion.
- If electrolyte gets into your eyes, rinse them out with clear water and seek medical attention right away. It may result in loss of your eyesight.
- Do not short the battery cartridge:
(1) Do not touch the terminals with any conductive material.
(2) Avoid storing battery cartridges in a container with other metal objects such as nails, coins, etc.
(3) Do not expose the battery cartridge to water or rain. A battery short can cause a large current flow, overheating, possible burns, and even a breakdown. - Do not store the tool and battery cartridge in locations where the temperature may reach or exceed 50°C (122°F)
- Do not incinerate the battery cartridge even if it is severely damaged or is completely worn out. The battery cartridge can explode in a fire.
- Be careful not to drop or strike the battery.
- Do not use dropped or struck battery. (Do not use a damaged battery.)
Features:
- AM/FM-stereo PLL Synthesized
- Large LCD display with illumination
- Manual/Preset/Scan tuning
- Rotary tuning and volume control
- 5 preset stations for each band
- Time and 2 alarm timers (radio and HWS buzzer) with Snooze
- Adjustable sleep (auto shut off) timer
- Stereo speaker for rich sound performance
- Ultra-rugged design
- Water-resistant to IPX 4
- Powered by both Makita battery pack and supplied power adaptor
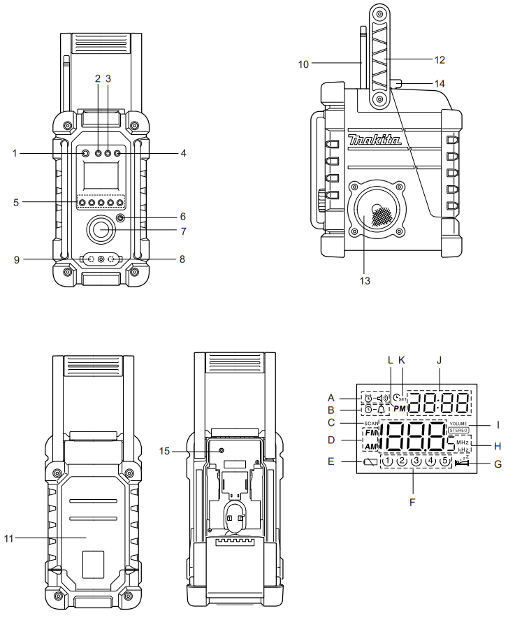
Explanation of general view

Controls:
| 1. Power and Sleep timer | 9. Input terminal (AUX IN1) |
| 2. Band and Mono button | 10. Soft bent rod antenna |
| 3. Radio alarm set | 11. Battery compartment (covering main battery pack and backup batteries) |
| 4. Buzzer alarm set | 12. Handle |
| 5. Preset stations | 13. Speaker |
| 6. Scan tuning and Time set | 14. Battery compartment locker |
| 7. Tuning/Volume control knob | 15. Input terminal (AUX IN2) |
| 8. DC IN socket |
LCD Display:
A. Radio alarm
B. HWS buzzer alarm
C. Scan tuning
D. Band Indicator
E. Low battery indicator
F. Preset stations
G. Sleep and Snooze status
H. Frequency
I. Stereo symbol and Volume
J. Clock
K. Time set
L. PM for clock
Battery Installation
Note:
Keeping backup batteries inside the compartment prevents stored data in preset memories from being lost.
- Pull out the battery compartment locker to release the battery compartment. There are main battery pack compartments and backup battery compartments.
1. Battery compartment (covering main battery pack and backup batteries)
2. Battery compartment locker
1. Main battery compartment
2. Back up the battery compartment - Remove the backup battery compartment cover and insert 2 fresh UM-3 (AA sizes). Make sure the batteries are with the correct polarity as shown inside the compartment. Replace the battery cover.
- After backup batteries are inserted, insert the main battery pack to power the radio. The suitable battery packs for this radio are listed in the following table.
The following tables indicate the operating time on a single charge.
Battery Cartridge Voltage | AT SPEAKER OUTPUT= 50 mW + 50 mW unit: Hour | |||||
| 7.2 V | 9.6 V | 10.8 V | 12 V | 14.4 V | 18 V | |
| BL7010 | Approx. 7.0 | |||||
| PA09 | PA12 | PA14 | PA18 | Approx. 8.0 | ||
| 9050 | 1250 | 1450 | 1850 | |||
| 9100 | 1200 | 1420 | BL1815 | |||
| 9120 | BL1013 | 1220 | BL1415 | |||
| 9100A | 1200A | |||||
| 9102 | 1202 | 1422 | 1822 | Approx. 12.5 | ||
| 9122 | 1222 | BH1420 | ||||
| 9102A | 1202A | |||||
| BH9020 | BH1220 | |||||
| BH9020A | BH1200C | |||||
| 9134 | 1234 | 1434 | 1834 | Approx. 16.5 | ||
| BH1427 | Approx. 17.0 | |||||
| 9135 | 1235 | 1435 | 1835 | Approx. 19.0 | ||
| 1435F | BL1830 | |||||
| 1235F | BL1430 | |||||
| BH9033 | BH1233 | BH1433 | Approx. 21.0 | |||
| BH9033A | BH1233C | |||||
: Cluster Battery
: Slide Battery
WARNING:
Do not use two main batteries at the same time.
3-1. Installing or removing the Slide battery cartridge

- Red indicator
- Button
- Battery cartridge
• To install the battery cartridge, align the tongue on the battery cartridge with the groove in the housing and slip it into place. Always insert it all the way until it locks in a place with a little click.
• If you can see the red indicator on the upper side of the button, it is not locked completely. Install it fully until the red indicator cannot be seen. If not, it may accidentally fall out of the tool, causing injury to you or someone around you.
• Do not use force when installing the battery cartridge. If the cartridge does not slide in easily, it is not being inserted correctly.
• To remove the battery cartridge, slide it from the tool while sliding the button on the front of the cartridge or pressing the buttons on both sides of the cartridge.
WARNING:
Do not use two main batteries at the same time.
3-2. Installing or removing Cluster battery cartridge

• Pull the supporting bar to allow the battery to insert into the terminal.
• To insert the battery cartridge, align the tongue on the battery cartridge with the groove in the housing and slip it into place.
• Release the supporting bar.
• To remove the battery cartridge, pull the supporting bar and take the battery out of the terminal. - Return the battery compartment locker to the original position.
- Reduced power, distortion, and a “stuttering sound” or low battery sign that appears on the display are all the
signs that the main battery pack needs to replace.
Note:
The battery pack can’t be charged via the supplied AC power adaptor. - When a low battery sign
appears and an “E” keeps on flashing is the time to replace the backup batteries.
Installing the Soft bended rod antenna

Install the Soft bended rod antenna as shown in the figure.
Note:
There is a click in the battery compartment designed to store the removed antenna.
Using Supplied AC power adaptor

- DC IN socket
- Input terminal (AUX IN1)
Remove the rubber protector and insert the adaptor plug into the DC socket on the front side of the radio. Plug the adaptor into a standard mains socket outlet. Whenever the adaptor is used, the battery pack is automatically disconnected. The AC adaptor should be disconnected from the main supply when not in use.
Note:
When your radio has any interference in AM band by its adaptor, please move your radio away from its AC adaptor over 30 cm.
Setting the clock
- The clock can be set either when the radio is powered on or off.
- The display will show “-: – -” when the backup batteries is installed.
- Long press the time set button for more than 2 seconds, and the display will flash the time set symbol and also the hour digit, followed by a beep.
- Rotate the Tuning/Volume control knob to set the required hour.
- Press
the button to confirm the hour setting, and the minute digit will flash. - Rotate the Tuning/Volume control knob to set the required minute.
- Press the
button again to complete the clock setting.
Operating the radio
This radio equips with three tuning methods – Scan tuning, Manual tuning, and Memory preset recall.
Scan Tuning
- Press the Power button to turn on the radio.
- Select the required waveband by pressing the Band button. Make sure the rubber bended rod antenna has been well placed for the best FM reception. For AM (MW) band, rotate the radio to get the best signal. Try to avoid operating the radio next to the computer screen and other equipment which will cause interference to the radio.
- Press and release the Scan button (long-pressing the Scan button for more than 2 seconds will activate the time setting), the LCD display will flash the Scan symbol and the radio will search and stop automatically when it finds a radio station. Press the Scan button again to pick up the found station.
Note:
A stereo symbol will appear on the display if the station found is a stereo station.
Note:
The radio will continue to search the next available stations if you do not press the Scan button again when it finds a radio station. - Rotate the Tuning/Volume control knob to get the required sound level. The LCD display will show sound level changes.
Note:
During operating volume control, you can press in Tuning/Volume control knob to change volume control to tuning control status. - To turn off the radio, press the Power button.
Manual Tuning
- Press the Power button to turn on the radio.
- Select the required waveband by pressing the Band button. Adjust the antenna as described above.
- A single rotary to the Tuning/Volume control knob will change the frequency in the following increment:
FM: 50 or 100 kHz
AM (MW): 9 or 10 kHz
Note:
If the radio is in volume control status, press in the tuning/volume control to become Tuning status. - Keep on rotating the Tuning/Volume control knob until the required frequency is shown on the display.
- Rotate the Tuning/Volume control knob to get the required sound level.
- To turn off the radio, press the Power button. The display will show OFF.
Storing stations in preset memories
There are 5 memory presets for each waveband.
- Press the Power button to turn on the radio.
- Tune to the required station using one of the methods previously described.
- Press and hold down the required preset until the radio beeps. The preset number will appear in the display and the station will be stored under the chosen preset button.
- Repeat this procedure for the remaining presets.
- Stations stored in preset memories can be overwritten by following the above procedures.
Recall stations from preset memories
- Press the Power button to turn on the radio.
- Select the required waveband.
- Momentarily press the required Preset button, and the preset number and station frequency will appear on the display.
Setting the radio alarm
When the radio alarm is selected, the radio will turn on and play the chosen radio station at the chosen alarm time. The radio alarm will continue for one hour unless
turned off by pressing the Power button. Pressing the Power button whilst the alarm is activated will cancel the alarm for 24 hours.
Note:
When the radio is in low battery status, the radio alarm can’t be activated.
a. Setting radio alarm time:
- The radio alarm can be set either when the radio is on or off.
- Press and release the radio alarm button,
and the radio alarm symbol will flash. - During the radio alarm symbol flashing, press
the button for more than 2 seconds followed by a beep. - Display Hour will flash, rotate the Tuning/Volume control knob to select the hour then press
the button again to confirm the hour setting. - Follow the same procedures of setting hours to set the required minutes. Press
the button to complete the alarm time setting.
b. Setting radio alarmed station
- During setting radio alarm time and the radio alarm symbol is flashing, press the Band button to activate the radio to select the required wake-up band and station by manual tuning and recall the preset stations. Press the
button to complete the radio alarm setting. The display will show. - When the above radio alarm time and station are set, press and hold down the radio alarm button
for 2 seconds followed by a beep to switch the alarm on or off. The display will show
when the radio alarm is set.
Note:
If a new radio alarm station is not selected, it will select the last alarm station.
Setting the HWS (Humane Wake System) buzzer alarm
A beep tone will activate when selecting the HWS buzzer alarm.
The alarm beep will become shorter every 15 seconds for one minute followed by one minute of silence before repeating the cycle.
The HWS alarm will sound for one hour until turning off by pressing the Power button. Press the Power button whilst the alarm is activated will cancel the alarm for 24 hours.
- The HWS buzzer alarm can be set either radio is on or off.
- Press and release the HWS buzzer alarm button,
the symbol will flash. - During the symbol flashes, long-pressing the button
for more than 2 seconds followed by a beep and display Hour digit will flash. - Rotate the Tuning/Volume control knob to select the required alarm hour, then press the time set
button again. The minute digit will then flash. - Rotate the Tuning/Volume control knob to select the required alarm minute, the press time set button
again to complete the HWS buzzer alarm setting. - Press and hold down the buzzer alarm button
for more than 2 seconds followed by a beep to switch on or off the HWS buzzer alarm.
The display will appear
when the buzzer alarm has been set.
Snooze function
- Whilst the alarm is activated, pressing any buttons except the Power button will activate the snooze function. The radio or HWS buzzer alarm will be silenced at intervals of 5 minutes.
- The display will flash both the snooze symbol
and the alarm symbol. The snooze function can be repeated during one hour that the alarms are active.
Sleep function
The sleep timer will automatically be switched off the radio after a preset time has elapsed.
- Press and continue to hold down the Power button for more than 2 seconds, followed by a beep tone, the display will cycle through the available sleep times in the order 60-45-30-15-120-90-60.
Release the Power button when the required sleep time appears on the display. The symbol
will appear on the display and the radio will play the last station selected. - To cancel the sleep function, press the Power button.
The Symbol will disappear and the radio is off.
Display illumination
Press any buttons or rotate the Tuning/Volume control knob will illuminate the LCD display for approx. 15 seconds.
During scanning stations and alarm activated, will also automatically illuminate the display.
Change Stereo to Mono
When the stereo FM station reception is weak, you can improve it by pressing the Mono button for 2 seconds. The sound is no longer in stereo and the stereo indicator disappears.
How to play other audios
CAUTION:
Unplug this apparatus before connecting to other audios.
- There are 2 AUX-in sockets. AUX 1 is located on the front panel, and AUX 2 is located in the battery compartment.
- Connect a stereo or mono source (i.e. iPod, MP3, or CD player) to either AUX 1 or AUX 2 by an audio cord.
- Repeatedly press and release the Band button until “AU1” or “AU2” is displayed, then the AUX function is activated.
- AUX can’t be activated as an alarm source.
MAINTENANCE
CAUTION:
• Never use gasoline, benzene, thinner, alcohol, or the like. Discoloration, deformation, or cracks may result.
Specifications
Power Requirements
| AC power adaptor | DC12 V 700 mA, center pin positive |
| Battery | UM-3 (AA-size) x 2 for back up Cluster battery: 7.2 V – 18 V Slide battery: 9.6 V – 18 V |
| Frequency coverage | FM 87.50 – 108 MHz (0.05 MHz/step) AM (MW) 522 – 1,629 kHz (9 kHz/step) |
| Circuit feature | |
| Loudspeaker | 3 inches 8 ohm |
| Output Power | 7.2 V: 0.5 W x 2, 9.6 V: 1 W x 2 10.8 V: 1.2 W x 2, 12 V: 1.5 W x 2 14.4 V: 2.2 W x 2, 18 V: 3.5 W x 2 |
| Input terminal | 3.5 mm dia. (AUX IN1/AUX IN2) |
| Antenna system | FM: soft bent rod antenna AM: bar antenna |
| Dimension (W x H x D) in mm | 280 x 302 x 163 |
| Weight (without battery) | 4.0 kg |
![]()
Makita Corporation
Anjo, Aichi, Japan
www.makita.com
BMR102-ENEU-0812
1. Main battery compartment




















