FANIMATION Kerring Dry LED Indoor Ceiling Fan Instructions

Important Safety Instructions
WARNING: To avoid fire, shock and serious personal injury, follow these instructions.
- Read your owner’s manual and safety information before installing your new fan. Review the accompanying assembly diagrams.
- Before servicing or cleaning unit, switch power off at service panel and lock service panel disconnecting means to prevent power from being switched on accidentally. When the service disconnecting means cannot be locked, securely fasten a warning device, such as a tag, to the service panel.
- Be careful of the fan and blades when cleaning, painting, or working near the fan. Always turn off the power to the ceiling fan before servicing.
- Do not insert anything into the fan blades while the fan is operating.
- Do not operate reversing switch until fan blades have come to a complete stop.
- The appliance is not intended for use by young children or infirm persons without supervision. Young children should be supervised to ensure that they do not play with the appliance.
Additional Safety Instructions
- To avoid possible shock, be sure electricity is turned off at the fuse box before wiring, and do not operate fan without blades.
- All wiring and installation procedures must satisfy National Electrical Codes (ANSI/ NFPA 70) and Local Codes. The ceiling fan must be grounded as a precaution against possible electrical shock. Electrical installation should be made or approved by a licensed electrician.
- The fan base must be securely mounted and capable of reliably supporting at least 35 lbs. See page 5 of owner’s manual for support requirements. Consult a qualified electrician if in doubt.
- The fan must be mounted with the fan blades at least 10 feet from the floor to prevent accidental contact with the fan blades.
- Follow the recommended instructions for the proper method of wiring your ceiling fan. If you do not have adequate electrical knowledge or experience, have your fan installed by licensed electrician.
- Suitable for use with solid-state speed controls.
- This fan is to be used in dry locations.
- For supply connections, if the conductor of a fan is identified as a grounded conductor, then it should be connected to a grounded conductor power supply. If the conductor of a fan is identified as an ungrounded conductor, then it should be connected to an ungrounded conductor power supply. If the conductor of a fan is identified for equipment grounding, then it should be connected to an equipment grounding conductor.
WARNING: TO REDUCE THE RISK OF ELECTRIC SHOCK, THIS FAN MUST BE INSTALLED WITH A GENERAL USE ISOLATING WALL CONTROL/SWITCH.
WARNING: This product is designed to use only those parts supplied with this product and/or accessories designated specifically for use with this product. Using parts and/or accessories not designated for use with this product could result in personal injury or property damage.
WARNING: To reduce the risk of personal injury, do not bend the blade bracket (flange or blade holder) when installing the brackets, balancing the blades, or cleaning the fan. Do not insert foreign objects in between rotating fan blades. WARNING: Mount to an outlet box marked acceptable for fan support of 15.9 kg (35 lbs) or Less.
WARNING: Do not operate this fan with a variable (Rheostat) wall controller or dimmer switch. Doing so could result in damage to the ceiling fan’s remote control unit.
This device complies with Part 15 of the FCC Rules. Operation is subject to the following two conditions:
- This device may not cause harmful interference, and
- this device must accept any interference received, including interference that may cause undesired operation. Please note that, changes or modifications not expressly approved by the party responsible for compliance could void the user’s authority to operate the equipment. Note: This equipment has been tested and found to comply with the limits for Class B digital device, pursuant to part 15 of the FCC Rules. These limits are designed to provide reasonable protection against harmful interference in a residential installation.
This equipment generates, uses and can radiate radio frequency energy and, if not installed and used in accordance with the instructions, may cause harmful interference to radio or television reception, which can be determined by turning the equipment off and on, the user is encouraged to try to correct the interference by one or more of the following measures:
- Reorient or relocate the receiving antenna.
- Increase the separation between the equipment and the receiver
- Connect the equipment into an outlet on a circuit different from that to which the receiver is connected.
Consult the dealer or an experienced radio/TV technician for help.
Note: For a Class A digital device, statements of 15. 105(a) must be included when appropriate for the device in question.
LIMITED LIFETIME WARRANTY
Extends to the original purchaser of a Fanimation fan from an authorized Fanimation dealer/retailer only
- LIMITED LIFETIME MOTOR WARRANTY
- If any part of your fan motor fails, due to a defect in materials or workmanship during the lifetime of the original purchaser, Fanimation will provide the replacement part free of charge, when the defective fan is returned to our national service center. Proof of purchase is required. Customer shall be responsible for all costs incurred in the removal or reinstallation and shipping of the product for repairs or replacement.
- ONE YEAR MOTOR LABOR WARRANTY
- If your fan motor fails at any time within one year from the original purchase, due to defects in materials or workmanship, labor to repair the motor will be provided free of charge at our national service center. Purchaser will be responsible for labor charges after this one-year period. Customer shall be responsible for all costs incurred in the removal or reinstallation and shipping of the product for repairs or replacement.
- If any other part of your fan fails at any time within one year after original purchase, due to a defect in materials or workmanship, we will repair, or replace, at our option, the defective part free of charge for parts and labor performed at our national service center.
- Because of varying climate conditions, this warranty does not cover changes in the finish, including rusting, pitting, corroding, tarnishing, or peeling.
- This warranty is void and does not apply to damage from improper installation, neglect, accident, misuse, exposure to extremes of heat or humidity, or as a result of any modification to the original product.
- All costs of removal and reinstallation of the fan are the sole responsibility of the owner of the fan and not the store that sold the fan or Fanimation.
- Fanimation reserves the right to modify or discontinue any product at any time and may substitute any part under this warranty.
- Under no circumstances may a fan be returned without prior authorization from Fanimation. The receipt of purchase must accompany authorized returns and must be sent freight prepaid to Fanimation. The fan to be returned must be properly packed to avoid damage in transit; Fanimation will not be responsible for any damage resulting from improper packaging.
- It is understood that any repair or replacement is the exclusive remedy available from Fanimation. There is no other expressed or implied warranty. Fanimation hereby disclaims any and all implied warranties, including, but not limited to those of merchantability and fitness for a particular purpose to the extent permitted by law. Some states do not allow limitations on implied warranties. Fanimation will not be liable for incidental, consequential, or special damages arising out of or in conjunction with product use or performance, except as may otherwise be accorded by law. This warranty gives you special legal rights and you may also have other rights that vary from state to state.
- A certain amount of wobble is normal and should not be considered a problem or a defect.
This manual is designed to make it as easy as possible for you to assemble, install, operate and maintain your ceiling fan
Tools Needed for Assembly (Not Included)
- One Phillips head screwdriver
- One stepladder
- One ¼ blade screwdriver
- One wire stripper
WARNING
Before assembling your ceiling fan, refer to section on proper method of wiring your fan (page 10). If you feel you do not have enough wiring knowledge or experience, have your fan installed by a licensed electrician.
Materials
Wiring outlet box and box connectors must be of type required by local code. The minimum wire would be a 3 conductor (2-wire with ground) of the following
| Installed Wire Length | Wire Size A. W. G. |
Up to 50 ft. 50-100 ft. | 14 12 |
NOTE: Place the parts from the loose parts bags in a small container to keep them from being lost. If any parts are missing, contact your local retailer.
Unpacking Instructions
For your convenience, check-off each step. As each step is completed, place a check mark. This will ensure that all steps have been completed and will be helpful in finding your place should you be interrupted.
WARNING
Do not install or use fan if any part is damaged or missing. This product is designed to use only those parts supplied with this product and/or any accessories designated specifically for use with this product by Fanimation. Substitution of parts or accessories not designated for use with this product by Fanimation could result in personal injury or property damage. Contact your retail store for missing or damaged parts.
- Check to see that you have received the following parts:
NOTE: If you are uncertain of part description, refer to exploded view illustration.

Hanger Bracket with LED Driver Assembly (1)

Ceiling Canopy (1)

Glass Assemblies (10)

Canopy Screw Cover Assembly (1)

Downrod/Hanger Ball Assembly (1)
- Downrod (1)
- Hairpin Clip (1)
- Hanger Ball (1)
- Clevis Pin (1)
- Set Screw (1)
- Pin (1)

Motor Coupling Cover Assembly (1)

Motor Assembly (1)




Hand-held Remote (1)
Wall Holder (1)
Screws (2)
Battery (1)


Receiver (1)
Wire Connectors (6)
Hardware Bag

Wire Connectors (4)
Safety Cable Kit

Safety Cable (1)

Cable Clamp (1)

Flat Washer, Stainless Steel (1)

Lag Bolt (1)
Energy Efficient Use of Ceiling Fans
Ceiling fan performance and energy savings rely heavily on the proper installation and use of the ceiling fan. Here are a few tips to ensure efficient product performance.
Choosing the Appropriate Mounting Location
Ceiling fans should be installed, or mounted, in the middle of the room and at least 10 feet from floor to the blade and 18 inches from wall to the blade. If ceiling height allows, install the fan 11-12 feet from floor to the blade for optimal airflow. Consult your Fanimation Retailer for optional mounting accessories.
Turn Off When Not in the Room
Ceiling fans cool people, not rooms. If the room is unoccupied, turn off the ceiling fan to save energy.
Using the Ceiling Fan Year Round
Summer Season: Use the ceiling fan in the clockwise direction. The airflow produced by the ceiling fan creates a wind-chill effect, making you “feel” cooler. Select a fan speed that provides a comfortable breeze, lower speeds consume less energy.
Winter Season: Reverse the motor and operate the ceiling fan at low speed in the counterclockwise direction. This produces a gentle updraft, which forces warm air near the ceiling down into the occupied space. Remember to adjust your thermostat when using your ceiling fan-additional energy and dollar savings could be realized with this simple step!
Electrical and Structural Requirements
Your new ceiling fan will require a grounded electrical supply line of 120 volts AC, 60 HZ, 15 Amp Circuit. Electrical code requires use of a fan-rated outlet box to support the extra weight and motion associated with a ceiling fan. A fan-rated box will be labeled as such and typically supports up to a 70lbs ceiling fan. Fan-Rated Outlet Boxes vary in ratings and design. Ensure the ratings of your ceiling fan outlet box meet the requirements for the ceiling fan being installed. Figure 1, Figure 2 and Figure 3 depicts different structural configurations that may be used for mounting the outlet box.
Low profile box (Figure 1)
A 1/2-in.-deep pancake box is meant to be screwed to a joist or block. It’s used if only one cable is coming into the box. It is also available in a saddle-mount configuration.
Deep box (Figure 2)
A 2-1/4-in.-deep box can be attached to blocking between joists and is roomy enough to handle more than one cable.
Deep box with brace (Figure 3) Paired with a deep box, this hanger is meant to span between two joists and takes the place of wooden blocking.
WARNING
To reduce the risk of fire, electric shock, or personal injury, mount to outlet box marked acceptable for fan support of 15.9 kg (35 lbs) or less and use mounting screws provided with the outlet box. Most outlet boxes commonly used for the support of luminaires are not acceptable for fan support and may need to be replaced, consult a qualified electrician if in doubt.
If your fan is to replace an existing light fixture, turn electricity off at the main fuse box at this time and remove the existing light fixture.
WARNING
Turning off wall switch is not sufficient. To avoid possible electrical shock, be sure electricity is turned off at the main fuse box before wiring. All wiring must be in accordance with National and Local codes and the ceiling fan must be properly grounded as a precaution against possible electrical shock.
WARNING
To avoid fire or shock, follow all wiring instructions carefully. Any electrical work not described in these instructions should be done or approved by a licensed electrician.
WARNING
Do not operate this fan with a variable (Rheostat) wall controller or dimmer switch. Doing so could result in damage to the ceiling fan’s remote control unit.
How to Assemble Your Ceiling Fan
- Remove the hanger ball portion from the downrod/ hanger ball assembly by loosening the set screw in the hanger ball until the ball falls freely down the downrod. Remove the pin from the downrod, then remove the hanger ball. Retain the pin and hanger ball for reinstallation in Step 6. (Figure 1)

- Remove the hairpin clip and clevis pin from the bottom of the downrod. Retain the pin and clip for reinstallation in Step 4. (Figure 2)

- Loosen the two set screws and locking nuts in the downrod support of the motor assembly. Route the black, white, red, blue wires and safety cable through the downrod. (Figure 3)

- Slide downrod into the downrod support on top of the motor. Install the clevis pin by aligning the holes in the downrod support with holes in the downrod. Secure clevis pin with hairpin clip. Install and tighten the two set screws with nuts in the downrod support. (Figure 4)

WARNING
It is critical that the clevis pin in the downrod support is properly installed and the set screws and nuts are securely tightened. Failure to do so could result in the fan falling. - Route wires and safety cable through motor coupling cover, canopy screw cover and ceiling canopy. (Figure 5)

- Reinstall the hanger ball on the downrod as follows. Route the black, white, red, blue wires and safety cable through the hanger ball. Position the pin through the two holes in the downrod and align the hanger ball so the pin is captured in the groove in the top of the hanger ball. Pull the hanger ball up tight against the pin. Securely tighten the set screw in the hanger ball. A loose set screw could create fan wobble. (Figure 6)

- Cut off excess lead wire approximately 6 to 9 inches above top of the downrod. Strip insulation off 1/2 inch from the end of each lead wire. (Figure 7)

CAUTION
All set screws must be checked, and retightened where necessary before installation. - Remove one of the two shoulder screws in the hanger bracket and retain the screw for later. Loosen the second shoulder screw without fully removing it. (Figure 8)

How to Hang Your Ceiling Fan
WARNING
To avoid possible fire or shock, be sure electricity is turned off at the main fuse box before hanging. (Figure 1)
NOTE: If you are not sure if the outlet box is grounded, contact a licensed electrician for advice, as it must be grounded for safe operation.
WARNING
The fan must be hung with at least 10′ of clearance from floor to blades. (Figure 2)
- Securely attach the hanger bracket to the outlet box using the outlet box screws and washers supplied with the outlet box. (Figure 3)

- Drill a 1/4″ pilot hole into the building structure to prevent splitting or cracking with installation of the lag bolt. Using the 3/8″ x 2″ lag bolt and flat washer, attach safety cable to ceiling joist or wood structural member. The lag bolt will pass through the flat washer, safety cable loop, and into the building structure. (Figure 3)
NOTE: Ceiling support cable cannot be secured to outlet box only, it must be directly secured to ceiling joist or structural member using the 3/8″ x 2″ lag bolt and flat washer. (Figure 3) - Make sure the electrical supply wires, including the hanger bracket grounding wire and safety cable are pulled through the downrod, between the hanger bracket and the outlet box so that electrical connections can be made later.
WARNING
The outlet box must be securely anchored. Hanger bracket must seat firmly against outlet box. If the outlet box is recessed, remove wall board until bracket contacts box. If bracket and /or outlet box are not securely attached, the fan could wobble or fall. - Carefully lift the fan and seat the downrod/hanger ball assembly onto the hanger bracket that was just attached to the outlet box. Be sure the groove in the ball is lined up with tab on the hanger bracket. (Figure 4)

WARNING
Failure to seat tab in groove could cause damage to electrical wires and possible shock or fire hazard. - Attach the safety cable to ceiling support cable. Slide cable clamp and washer onto safety cable (from fan). Place the end of cable through the loop of ceiling support cable. Pull as much cable through loop as possible. Feed end of cable into clamp hole and firmly tighten screw. (Figure 4)
Main Fuse Box
WARNING
To avoid possible shock, do not pinch wires between the hanger ball assembly and the hanger bracket.
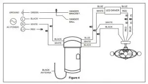
How to Wire Your Ceiling Fan
NOTE: The remote unit has 32 different code combinations. To prevent possible interference from or to other remote units, simply change the combination code in the remote and receiver.
- To set the code on receiver unit, slide dip switches to the same positions as set on the remote. (Figure 1)

NOTE: Factory setting is all up. Do not use this position.
WARNING
To avoid possible electrical shock, be sure electricity is turned off at the main fuse box before wiring. (Figure 2)
NOTE: If you are not sure if the outlet box is grounded, contact a licensed electrician for advice, as it must be grounded for safe operation.
CAUTION: INCORRECT WIRE CONNECTION WILL DAMAGE THIS RECEIVER. - Slide the receiver into the hanger bracket before wiring as shown in figure 3.

- Connect green wires from hanger bracket, hanger ball and ground from supply using wire connector.
- Connect black wire from receiver unit marked “AC IN L” to black supply wire using wire connector.
- Connect white wire from receiver unit marked “AC IN N” to white supply wire using wire connector.
- Connect white wire from receiver unit marked “TO MOTOR N” to white wire from fan and white wire from LED driver using wire connector.
- Connect black wire from receiver unit marked “TO MOTOR L” to black wire from fan using wire connector.
- Connect blue wire from receiver unit to blue wire from LED driver marked “LIGHT” using wire connector.
- Connect blue wire from fan marked ” – ” to blue wire from LED driver marked ” – ” using wire connector.
- Connect red wire from fan marked ” + ” to red wire from LED driver marked ” + ” using wire connector. (Figure 4)

NOTE: If you feel that you do not have enough electrical wiring knowledge or experience, have your fan installed by a licensed electrician.
WARNING
Check to see that all connections are tight, including ground, and that no bare wire is visible at the wire connectors except for the ground wire. Do not operate fan until the blades are in place. Noise and motor damage could result.
- After connections have been made, the wires should be spread apart with the grounded conductor and the equipment-grounding conductor on one side of the outlet box and the ungrounded conductor on the other side of the outlet box, then turn leads upward and carefully push leads into the outlet box, with the white and green leads to one side of the box and the black leads to the other side. (Figure 5)

How to Install Your Canopy Housing
NOTE: This step is applicable after the neccessary wiring is completed.
- Assemble canopy by rotating key slot in canopy over shoulder screw in hanger bracket, taking care not to pinch the wires. Tighten shoulder screw. Fully assemble and tighten second shoulder screw that was previously removed. (Figure 1)

WARNING
To avoid possible fire or shock, make sure that the electrical wires are completely inside the canopy housing and not pinched between the housing and the ceiling. - Securely attach and tighten the canopy screw cover over the shoulder screws in the hanger bracket utilizing the key slot twist-lock feature. (Figure 2)

How to Install Your Glass
- Install glass assemblies onto sockets by threading in a clockwise direction. (Figure 1)

How to Operate Your Ceiling Fan
- IMPORTANT: Using a full range dimmer switch (not included) to control fan speed will damage the fan. To reduce the risk of fire or electrical shock, do not use a full range dimmer switch to control the fan speed. (Figure 1)

- Restore electrical power to the outlet box by turning the electricity on at the main fuse box. (Figure 2)

WARNING
Check to see that all connections are tight, including ground, and that no bare wire is visible at the wire connectors, except for the ground wire. Do not operate fan until the blades are in place. Noise and fan damage could result.
WARNING
Do not operate this fan with a variable (Rheostat) wall controller or dimmer switch. Doing so could result in damage to the ceiling fan’s remote control unit. - To make fan operational, install 23A/12V battery (included) in hand-held remote transmitter, with fan power off. Then follow the remote code setting process. (If not used for long periods of time, remove battery to prevent damage to transmitter). Store the remote away from excessive heat or humidly. (Figure 3)

NOTE: The remote unit has 32 different code combinations. To prevent possible interference from or to other remote units, simply change the combination code in the remote and receiver. - To set the remote code in the same positions as the receiver, use a small screwdriver or ball point pen (neither included) to slide dip switches firmly up or down. (Figure 4)

NOTE: Factory setting is all up. Do not use this position. - Remote functions: (Figure 5)

Indicator LED light: fan speed
button: Turns fan off.- Fan Speed:
Turns fan on and turns speed up.
Turns fan on and turns speed down.
Light button: Turns light on and off.
Increases light output level.
Decreases light output level.- Sleep Timer:
Tap and the fan and light will turn off after 1 hour.
Tap and the fan and light will turn off after 3 hours.
Tap and the fan and light will turn off after 6 hours.
6. If airflow is desired in the opposite direction, turn the fan off and wait for the blades to stop turning. Slide the reverse switch on the motor assembly to the opposite position and turn fan on again. (Figure 6)
How to Install Your Remote Control
- Installing Wall Holder: (Figure 1) Attach wall holder using the two provided screws.

Maintenance
Periodic cleaning of your new ceiling fan is the only maintenance necessary. When cleaning, use only a soft brush or lint free cloth to avoid scratching the finish. Abrasive cleaning agents are not required and should be avoided to prevent damage to finish.
CAUTION
Do not use solvents when cleaning your ceiling fan. It could damage the motor or the blades and create the possibility of electrical shock.
Troubleshooting
WARNING
For your own safety turn off power at fuse box or circuit breaker before trouble shooting your fan.
| Trouble | Probable Cause | Suggested Remedy |
|
|
|
|
|
2. FAN SOUNDS NOISY |
|
|
|
3. FAN WOBBLES EXCESSIVELY |
|
|
| 4. NOT ENOUGH AIR MOVEMENT |
|
Parts List
Model #FP3073**
| Ref. # | Description | Part # |
| 1 | Hanger Bracket Assembly | AP307001-3073BL |
| 1a | LED Driver | PPLKDRI38W00 |
| 2 | Hanger Ball / Downrod Assembly | ADRAC4G1-45** |
| 3 | Ceiling Canopy | PPTL1001** |
| 4 | Canopy Screw Cover Assembly | APPTL1101** |
| 5 | Motor Coupling Cover Assembly | APPTL1401** |
| 6 | Motor Assembly | AMA3073** |
| 6a | LED | PPNQD0430004 |
| 7 | Glass Assembly | APPTL3401OP |
| 8 | Receiver | RCCA040050009 |
| 9 | Hand-held Remote | TR500 |
|
10 | Hardware Bags Containing: |
HDWWN4SC |
| Wire Connectors (4) | ||
| Safety Cable Kit |
** Insert FINISH CODES (Refer to fan model number located on downrod support)
Before discarding packaging materials, be certain all parts have been removed.
How To Order Parts
When ordering repair parts, always give the following information:
- Part Number
- Part Description
- Fan Model Number
Contact your retail store for repair parts.
Kerring TM Model FP3073** Exploded-View Illustration










NOTE: The illustration shown is not to scale or its actual configuration may vary. Product/parts are subject to change without notice.











































