BDCR18 Cordless Reciprocating Saw
Instructions
![]() | ![]() |
Intended use
Your BLACK+DECKER BDCR18 – Reciprocating Saw has been designed for sawing wood, plastics and sheet metal.
This tool is intended for consumer use only.
Safety instructions
General power tool safety warnings
Warning! Read all safety warnings and all instructions. Failure to follow the warnings and instructions listed below may result in electric shock, fire, and/or serious injury.
Save all warnings and instructions for future reference.
The term “power tool” in all of the warnings listed below refers to your mains-operated (corded) power tool or battery-operated (cordless) power tool.
- Work area safety
a. Keep the work area clean and well-lit. Cluttered or dark areas invite accidents.
b. Do not operate power tools in explosive atmospheres, such as in the presence of flammable liquids, gases, or dust. Power tools create sparks that may ignite dust or fumes.
c. Keep children and bystanders away while operating a power tool. Distractions can cause you to lose control. - Electrical safety
a. Power tool plugs must match the outlet. Never modify the plug in any way. Do not use any adapter plugs with earthed (grounded) power tools. Unmodified plugs and matching outlets will reduce the risk of electric shock.
b. Avoid body contact with earthed or grounded surfaces such as pipes, radiators, ranges, and refrigerators. There is an increased risk of electric shock if your body is earthed or grounded.
c. Do not expose power tools to rain or wet conditions. Water entering a power tool will increase the risk of electric shock.
d. Do not abuse the cord. Never use the cord for carrying, pulling, or unplugging the charger. Keep the cord away from heat, oil, sharp edges, or moving parts. Damaged or entangled cords increase the risk of electric shock.
e. When operating a power tool outdoors, use an extension cord suitable for outdoor use. The use of a cord suitable for outdoor use reduces the risk of electric shock.
f. If operating a power tool in a damp location is unavoidable, use a residual current device (RCD) protected supply. The use of an RCD reduces the risk of electric shock. - Personal safety
a. Stay alert, watch what you are doing, and use common sense when operating a power tool. Do not use a power tool while you are tired or under the influence of drugs, alcohol, or medication. A moment of inattention while operating power tools may result in serious personal injury.
b. Use personal protective equipment. Always wear eye protection. Protective equipment such as dust masks, non-skid safety shoes, hard hats, or hearing protection used for appropriate conditions will reduce personal injuries.
c. Prevent unintentional starting. Ensure the switch is in the off-position before connecting to a power source and/or battery pack, picking up, or carrying the tool. Carrying power tools with your finger on the switch or energizing power tools that have the switch on invites accidents.
d. Remove any adjusting key or wrench before turning the power tool on. A wrench or a key left attached to a rotating part of the power tool may result in personal injury. e. Do not overreach. Keep proper footing and balance at all times. This enables better control of the power tool in unexpected situations.
f. Dress properly. Do not wear loose clothing or jewelry. Keep your hair, clothing, and gloves away from moving parts. Loose clothes, jewelry, or long hair can be caught in moving parts.
g. If devices are provided for the connection of dust extraction and collection facilities, ensure these are connected and properly used. The use of dust collection can reduce dust-related hazards.
h. Do not let familiarity gained from the frequent use of tools allow you to become complacent and ignore tool safety principles. A careless action can cause severe injury within a fraction of a second. - Power tool use and care
a. Do not force the power tool. Use the correct power tool for your application. The correct power tool will do the job better and safer at the rate for which it was designed.
b. Do not use the power tool if the switch does not turn on and off. Any power tool that cannot be controlled with the switch is dangerous and must be repaired.
c. Disconnect the plug from the power source and/or the battery pack from the power tool before making any adjustments, changing accessories, or storing power tools. Such preventive safety measures reduce the risk of starting the power tool accidentally.
d. Store idle power tools out of the reach of children and do not allow persons unfamiliar with the power tool or these instructions to operate the power tool. Power tools are dangerous in the hands of untrained users.
e. Maintain power tools. Check for misalignment or binding of moving parts, breakage of parts, and any other condition that may affect the power tools’ operation. If damaged, have the power tool repaired before use. Many accidents are caused by poorly maintained power tools.
f. Keep cutting tools sharp and clean. Properly maintained cutting tools with sharp cutting edges are less likely to bind and are easier to control.
g. Use the power tool, accessories and tool bits, etc. in accordance with these instructions, taking into account the working conditions and the work to be performed. Use of the power tool for operations different from those intended could result in a hazardous situation.
h. Keep handles and grasping surfaces dry, clean, and free from oil and grease. Slippery handles and grasping surfaces do not allow for safe handling and control of the tool in unexpected situations. - Battery tool use and care
a. Recharge only with the charger specified by the manufacturer. A charger that is suitable for one type of battery pack may create a risk of fire when used with another battery pack.
b. Use power tools only with specifically designated battery packs. Use of any other battery packs may create a risk of injury and fire.
c. When the battery pack is not in use, keep it away from other metal objects, like paper clips, coins, keys, nails, screws, or other small metal objects, that can make a connection from one terminal to another. Shorting the battery terminals together may cause burns or a fire.
d. Under abusive conditions, liquid may be ejected from the battery; avoid contact. If contact accidentally occurs, flush with water. If liquid contacts the eyes, additionally seek medical help. Liquid ejected from the battery may cause irritation or burns.
e. Do not use a battery pack or tool that is damaged or modified. Damaged or modified batteries may exhibit unpredictable behavior resulting in fire, explosion, or risk of injury.
f. Do not expose a battery pack or tool to fire or excessive temperature. Exposure to fire or temperature above 130 ºC may cause an explosion.
g. Follow all charging instructions and do not charge the battery pack or tool outside the temperature range specified in the instructions. Charging improperly or at temperatures outside the specified range may damage the battery and increase the risk of fire. - Service
a. Have your power tool serviced by a qualified repair person using only identical replacement parts. This will ensure that the safety of the power tool is maintained.
b. Never service damaged battery packs. Service of battery packs should only be performed by the manufacturer or authorized service providers.
Additional power tool safety warnings
Warning! Additional safety warnings for hand-held saws
- Hold the power tool by insulated gripping surfaces when performing an operation where the cutting accessory may contact hidden wiring. Cutting accessory contacting a “live” wire may make exposed metal parts of the power tool “live” and could give the operator an electric shock.
- Hold the power tool by insulated gripping surfaces when performing an operation where the fastener may contact hidden wiring. Fasteners contacting a “live” wire may make exposed metal parts of the power tool “live” and could give the operator an electric shock.
- Use clamps or another practical way to secure and support the workpiece to a stable platform. Holding the work by hand or against your body leaves it unstable and may lead to loss of control.
- Keep hands away from the cutting area. ever reach underneath the workpiece for any reason. Do not insert fingers or thumbs into the vicinity of the reciprocating blade and blade clamp. Do not stabilize the saw by gripping the shoe.
- Keep blades sharp. Dull or damaged blades may cause the saw to swerve or stall under pressure. Always use the appropriate type of saw blade for the workpiece material and type of cut.
- When cutting pipes or conduits, make sure that they are free from water, electrical wiring, etc.
- Do not touch the workpiece or the blade immediately after operating the tool. They can become very hot.
- Be aware of hidden hazards, before cutting into walls, floors, or ceilings, check for the location of wiring and pipes.
- The blade will continue to move after releasing the switch. Always switch the tool off and wait for the saw blade to come to a complete standstill before putting the tool down.
Warning! The vibration emission value during the actual use of the power tool can differ from the declared value depending on the ways in which the tool is used. The vibration level may increase above the level stated. - The intended use is described in this instruction manual. The use of any accessory or attachment or performance of any operation with this tool other than those recommended in this instruction manual may present a risk of personal injury and/or damage to property.
Additional power tool safety warnings
Warning! Additional safety warnings for jigsaws and reciprocating saws
- Hold the power tool by insulated gripping surfaces, when performing an operation where the cutting accessory may contact hidden wiring. Cutting accessory contacting a “live” wire may make exposed metal parts of the power tool “live” and could give the operator an electric shock.
- Use clamps or another practical way to secure and support the workpiece to a stable platform. Holding the work by hand or against your body leaves it unstable and may lead to loss of control.
- Keep hands away from the cutting area. Never reach underneath the workpiece for any reason. Do not insert fingers or thumbs into the vicinity of the reciprocating blade and blade clamp. Do not stabilize the saw by gripping the shoe.
- Keep blades sharp. Dull or damaged blades may cause the saw to swerve or stall under pressure. Always use the appropriate type of saw blade for the workpiece material and type of cut.
- When cutting pipes or conduits, make sure that they are free from water, electrical wiring, etc.
- Do not touch the workpiece or the blade immediately after operating the tool. They can become very hot.
- Be aware of hidden hazards, before cutting into walls, floors, or ceilings, check for the location of wiring and pipes.
- The blade will continue to move after releasing the switch. Always switch the tool off and wait for the saw blade to come to a complete standstill before putting the tool down.
Warning! Contact with, or inhalation of dust arising from cutting applications may endanger the health of the operator and possible bystanders. Wear a dust mask specifically designed for protection against dust and fumes and ensure that persons within or entering the work area are also protected. - The intended use is described in this instruction manual.
- The use of any accessory or attachment or performance of any operation with this tool other than those recommended in this instruction manual may present a risk of personal injury and/or damage to property.
Safety of others
Never allow children, persons with reduced physical, sensory or mental capabilities or lack of experience and knowledge, or people unfamiliar with these instructions to use the machine, local regulations may restrict the age of the operator.
Residual risks
Additional residual risks may arise when using the tool which may not be included in the enclosed safety warnings. These risks can arise from misuse, prolonged use, etc.
Even with the application of the relevant safety regulations and the implementation of safety devices, certain residual risks can not be avoided. These include
- Injuries caused by touching any rotating/moving parts.
- Injuries are caused when changing any parts, blades, or accessories.
- Injuries caused by prolonged use of a tool. When using any tool for prolonged periods ensure you take regular breaks.
- Impairment of hearing.
- Health hazards caused by breathing dust developed when using your tool (for example:- working with wood, especially oak, beech, and MDF.)
Vibration
The declared vibration emission values stated in the technical data and the declaration of conformity have been measured in accordance with a standard test method provided by EN60745 and may be used for comparing one tool with another. The declared vibration emission value may also be used in a preliminary assessment of exposure.
Warning!
The vibration emission value during the actual use of the power tool can differ from the declared value depending on the ways in which the tool is used. The vibration level may increase above the level stated.
When assessing vibration exposure to determine safety measures required by 2002/44/EC to protect persons regularly using power tools in employment, an estimation of vibration exposure should consider, the actual conditions of use and the way the tool is used, including taking account of all parts of the operating cycle such as the times when the tool is switched off and when it is running idle in addition to the trigger time.
Labels on tool
The following symbols are shown on the tool along with the date code:
Warning! To reduce the risk of injury, the user must read the instruction manual.
Additional safety instructions for batteries and chargers (where supplied)
Batteries
- Never attempt to open for any reason.
- Do not expose the battery to water.
- Do not store in locations where the temperature may exceed 40 °C.
- Charge only at ambient temperatures between 10 °C and 40 °C.
- Charge only using the charger provided with the tool.
- When disposing of batteries, follow the instructions given in the section “Protecting the environment”.
Do not attempt to charge damaged batteries.
Chargers
- Use your BLACK+DECKER charger only to charge the battery in the tool with which it was supplied. Other batteries could burst, causing personal injury and damage.
- Never attempt to charge non-rechargeable batteries.
- Have defective cords replaced immediately.
- Do not expose the charger to water.
- Do not open the charger.
- Do not probe the charger.
The charger is intended for indoor use only.
Read the instruction manual before use.
Electrical safety
Your charger is double insulated; therefore no earth wire is required. Always check that the mains voltage corresponds to the voltage on the rating plate. Never attempt to replace the charger unit with a regular mains plug.
- If the supply cord is damaged, it must be replaced by the manufacturer or an authorized BLACK+DECKER Service Centre in order to avoid a hazard.
Features
This tool includes some or all of the following features.
- On/Off switch
- Lock-off button
- Shoe
- Blade clamp release lever
- Blade
- Battery (where supplied)
- Battery release button
- Main handle
- Secondary gripping handle
Figure D (where supplied) - Charger
Assembly
Warning! Before assembly, remove the battery from the tool and make sure that the saw blade has stopped. Used saw blades may be hot.
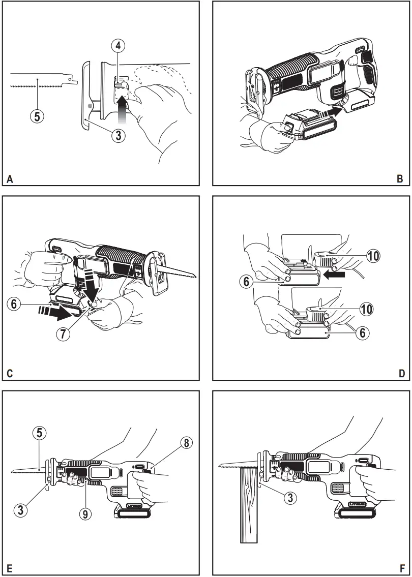
Fitting the saw blade (fig. A)
- Hold the tool away from the body.
- Open the blade clamp release lever (4) to the fully open position.
- Insert blade shank from the front.
- Close blade clamp release lever (4). Check to make sure the blade (5) is clamped securely.
Note: The blade can be installed with the teeth up to assist in flush cutting (fig. G).
Removing the saw blade
Warning! Do not touch the blade immediately after use. Used saw blades may be hot.
- Open the blade clamp release lever (4) to the fully open position.
- Remove the blade.
Lock-off button
The tool is equipped with a switch lock-off feature to prevent unintentional operation.
- To switch the tool on, press the lock-off button (2) then squeeze the on/off switch (1).
- Releasing the on/off switch (1) turns the tool off.
Fitting and removing the battery (fig. B & C)
- To fit the battery (6), line it up with the receptacle on the tool. Slide the battery into the receptacle and push until the battery snaps into place (fig. B).
- To remove the battery (6), push the battery release button (7) while at the same time pulling the battery out of the receptacle on the tool (fig. C).
Use
Warning! Let the tool work at its own pace. Do not overload.
Charging the battery (Fig. D)
The battery needs to be charged before first use and whenever it fails to produce sufficient power on jobs that were easily done before.
The battery may become warm while charging; this is normal and does not indicate a problem.
Warning! Do not charge the battery at ambient temperatures below 10° C or above 40° C. Recommended charging temperature: approx. 24° C.
Note: The charger will not charge a battery if the cell temperature is below approximately 10° C or above 40° C.
The battery should be left in the charger and the charger will begin to charge automatically when the cell temperature warms up or cools down.
- To charge the battery (6), insert it into the charger (10). The battery will only fit into the charger in one way. Do not force. Be sure that the battery is fully seated in the charger.
- Plug in the charger and switch it on at the mains.
The green charging indicator will flash.
The charge is complete when the green charging indicator switches to continuously on. The charger and the battery can be left connected indefinitely. The green charging indicator will flash as the charger occasionally tops up the battery charge.
- Charge discharged batteries within 1 week. Battery life will be greatly diminished if stored in a discharged state.
Leaving the battery in the charger
The charger and battery pack can be left connected with the green charging indicator glowing indefinitely. The charger will keep the battery pack fresh and fully charged.
Switching on and off
- To switch the tool on, press the lock-off button (2) then squeeze the on/off switch (1).
- To switch the tool off, release the on/off switch (1).
Sawing (fig. E)
- Always hold the tool with both hands (fig. E).
- Let the blade (5) run freely for a few seconds before starting the cut.
- Apply only gentle pressure to the tool while performing the cut.
- If possible, work with the shoe (3) pressed against the workpiece. This will improve tool control and reduce tool vibration, as well as prevent the blade from being damaged.
Hints for optimum use
Sawing wood (fig. F)
- Clamp the workpiece securely and remove all nails and metal objects.
- Holding the tool with both hands, work with the shoe (3) pressed against the workpiece.
A flush cutting (fig. G)
The compact design of the reciprocating saw motor housing and pivoting shoe (3) permits close cutting to floors, corners, and other difficult areas.
To maximize flush cutting capabilities:
- Insert the blade shaft into the blade clamp with the teeth of the blade facing up.
- Adjust the angle of the handle on the tool so you are as close to the work surface as possible.
Sawing metal (fig. H)
- Use a saw blade suitable for sawing metal. Use a fine-tooth saw blade for ferrous metals and a coarser saw blade for non-ferrous metals.
- When cutting thin sheet metal, clamp a piece of scrap wood to the back surface of the workpiece and cut through this sandwich.
- Spread a film of oil along the intended line of cut.
Pocket cutting in wood (fig. I)
- Measure and mark the required pocket cut.
- Fit a saw blade suitable for pocket cutting.
- Rest the shoe (3) on the workpiece in such a position that the blade forms an appropriate angle for the pocket cut.
- Switch on the tool and slowly feed the blade into the workpiece. Make sure that the shoe (3) remains in contact with the workpiece at all times.
Cutting branches
Branches up to 25 mm in diameter can be cut with this tool.
Warning! Do not use the tool while in a tree, on a ladder, or on any other unstable surface. Be aware of where the branch will fall.
- Cut downward and away from your body.
- Make the cut close to the main branch or tree body.
Vertical cutting
The tool allows close cutting to corners and other difficult areas.
- Insert the shank of the saw blade into the blade holder with the teeth of the blade facing upward.
- Hold the tool with the shoe (3) facing downward so that you are as close to the work surface as possible.
- Cut forward and away from your body.
Accessories
The performance of your tool depends on the accessory used.
BLACK+DECKER accessories are engineered to high-quality standards and designed to enhance the performance of your tool. By using these accessories you will get the very best from your tool.
Blades
The saw will accept a blade up to 30 cm long. Always use the shortest blade suitable for your project but long enough to keep the blade cutting through the material. Longer blades are more likely to be bent or damaged during use. During operation, some longer blades may vibrate or shake if the saw is not kept in contact with the workpiece.
Maintenance
Your BLACK+DECKER tool has been designed to operate over a long period of time with a minimum of maintenance. Continuous satisfactory operation depends upon proper tool care and regular cleaning. Your charger does not require any maintenance apart from regular cleaning.
Warning! Before performing any maintenance on the tool, remove the battery from the tool. Unplug the charger before cleaning it.
- Regularly clean the ventilation slots in your tool and charger using a soft brush or dry cloth.
- Regularly clean the motor housing using a damp cloth. Do not use any abrasive or solvent-based cleaner.
- Regularly open the chuck and tap it to remove any dust from the interior.
Protecting the environment
Separate collection. Products and batteries marked with this symbol must not be disposed of with normal household waste
Products and batteries contain materials that can be recovered or recycled reducing the demand for raw materials.
Please recycle electrical products and batteries according to local provisions. Further information is available at www.2helpU.com
Technical data
| BDCR18 (H1) | ||
| Input voltage | VDC | 18 |
| No-load speed | Min-1 | 0-3000 |
| Stroke length | mm | 22 |
| Weight | kg | 1.5 |
| Charger | 905902**/N4940** | 905998**/906349** | |
| Input voltage | VAC | 100-240 | 220-240 |
| Output voltage | VDC | 20-Aug | 20-Aug |
| Current | A | 400 | 1000 |
| Approx. charge time | Hours | 11-Mar | 1.5-5 |
| Battery (where supplied) | BL2018* | BL1518* | BL2518* | BL4018 | |
| Voltage | VDC | 18 | 18 | 18 | 18 |
| Capacity | Ah | 2 | 1.5 | 2.5 | 4 |
| Type | Li-Ion | Li-Ion | Li-Ion | Li-Ion |
Level of sound pressure according to EN 60745:
Sound pressure (LPA ) 79.5 dB(A), uncertainty (K) 3 dB(A)
Sound power (LWA ) 90.5 dB(A), uncertainty (K) 3 dB(A)
Vibration total values (triax vector sum) according to EN 60745:
Cutting boards (ah, B) 17.9 m/s2, uncertainty (K) 1.5 m/s2
Cutting wooden beams (ah, WB ) 19.7 m/s2, uncertainty (K) 1.5 m/s2, WB
EC declaration of conformity
MACHINERY DIRECTIVE
BDCR18 – Reciprocating Saw
Black & Decker declares that these products described under “technical data” are in compliance with:
EN60745-1:2009+A11:2010, EN60745-2-11:2010
These products also comply with Directive
2006/42/EC, 2014/30/EU, and 2011/65/EU.
For more information, please contact Black & Decker at the following address or refer to the back of the manual.
The undersigned is responsible for the compilation of the technical file and makes this declaration on behalf of
Black & Decker.
Ray Laverick
Director of Engineering
Black & Decker Europe, 210 Bath Road, Slough,
Berkshire, SL1 3YD
United Kingdom
26/10/2018
Guarantee
Black & Decker is confident of the quality of its products and offers consumers a 24-month guarantee from the date of purchase. This guarantee is in addition to and in no way prejudices your statutory rights. The guarantee is valid within the territories of the Member States of the European Union and the European Free Trade Area.
To claim on the guarantee, the claim must be in accordance with Black & Decker Terms and Conditions and you will need to submit proof of purchase to the seller or an authorized repair agent.
Terms and conditions of the Black&Decker 2-year guarantee and the location of your nearest authorized repair agent can be obtained on the Internet at www.2helpU.com, or by contacting your local Black & Decker office at the address indicated in this manual.
Please visit our website www.blackanddecker.co.uk to register your new Black & Decker product and receive updates on new products and special offers.
United Kingdom & Republic Of Ireland
Black & Decker
210 Bath Road
Slough, Berkshire SL1 3YD|
Tel. 01753 511234
Fax 01753 512365
www.blackanddecker.co.uk
[email protected]
Middle East & Africa
Black & Decker
P.O.Box – 17164
Jebel Ali Free Zone (South), Dubai, UAE
Tel. +971 4 8863030
Fax +971 4 8863333
www.blackanddecker.ae
[email protected]
www.blackanddecker.eu
N663193 REV-0
11/2018
References
2helpU
Power Tools | Garden Tools | Household Products | BLACK+DECKER
Elektrowerkzeuge | Gartengeräte | Haushaltsprodukte | BLACK+DECKER
Elektrisch gereedschap | Tuingereedschap | Huishoudproducten | BLACK+DECKER
Elektrowerkzeuge | Gartengeräte | Haushaltsprodukte | BLACK+DECKER
Power Tools | Garden Tools | Household Products | BLACK+DECKER
Elektrikli El Aletleri, Bahçe, Aksesuarlar | BLACK+DECKER
Elektrowerkzeuge | Gartengeräte | Haushaltsprodukte | BLACK+DECKER
Elværktøj | Haveredskaber | Husholdningsprodukter | BLACK+DECKER
Herramientas Eléctricas | Herramientas de Jardin | Pequeños Electrodomésticos | BLACK+DECKER
Sähkötyökalut | Puutarhatyökalut | Kotitaloustuotteet | BLACK+DECKER
Bricolage | Outils de Jardin | Petit Electroménager | BLACK+DECKER
Ηλεκτρικά Εργαλεία | Εργαλεία Κήπου | Οικιακές συσκευές | BLACK+DECKER
Elettroutensili | Utensili da giardino| Pulizia della casa | BLACK+DECKER
Elektrisch gereedschap | Tuingereedschap | Huishoudproducten | BLACK+DECKER
Elektroverktøy | Hageprodukter | husholdning produkterBLACK+DECKER
Ferramentas Elétricas | Ferramentas de Jardim | Pequenos Eletrodomésticos | BLACK+DECKER
Elverktyg | Trädgård | Hushåll | BLACK+DECKER




















