ice-king TK50W.EBK.E Table Top Icebox Fridge White Black

Safety Information
In the interest of your safety and to ensure the correct use, before installing and first using the appliance, read this user manual carefully, including its tips and warnings. To avoid unnecessary mistakes and accidents, it is important to ensure that all people using the appliance are thoroughly familiar with its operation and safety features. Save these instructions and make sure that they remain with the appliance if it is moved or sold, so that everyone using it through its life will be properly informed on appliance use and safety.
For the safety of life and property, keep the precautions of these user instructions in mind as the manufacturer is not responsible for damages caused by omission.
Children and Vulnerable People Safety
- This appliance can be used by children aged from 8 years and above and persons with reduced physical, sensory, or mental capabilities or lack of experience and knowledge if they have been given supervision or instruction concerning use of the appliance in a safe way and understand the hazards involved.
- Children should be supervised to ensure that they do not play with the appliance.
- Cleaning and user maintenance shall not be made by children unless they are aged from 8 years and above and supervised.
- Keep all packaging well away from children. There is risk of suffocation.
If you are discarding the appliance, pull the plug out of the socket, cut the connection cable as close to the appliance as you can and remove the door to prevent children or pets being trapped inside.
If this appliance is to replace an older appliance having a spring lock & latch on the door or lid, ensure that spring lock is unusable and not a danger before being discarded.
General Safety
WARNING!
Keep ventilation openings in the appliance enclosure clear of obstruction.
WARNING!
Do not use mechanical devices or other means to accelerate the defrosting process, other than those recommended by the manufacturer.
WARNING!
Do not damage the refrigerant circuit.
WARNING!
Do not use other electrical appliances such as ice cream makers inside of refrigerating appliances unless they are approved for this purpose by the manufacturer.
WARNING!
Do not touch the light bulb if it has been on for a long period of time because it could be very hot.
WARNING!
When positioning the appliance, ensure the supply cord is not trapped or damaged.
WARNING!
Do not locate multiple portable socket outlets or portable power suppliers at the rear of the appliance.
- Do not store explosive substances such as aerosol cans with a flammable propellant in this appliance. The refrigerant isobutane (R600a) is contained within the refrigerant circuit of the appliance, a natural gas with a high level of environmental compatibility, which is nevertheless flammable
- During transportation and installation of the appliance, be certain that none of the components of the refrigerant circuit become damaged.
- Avoid open flames and sources of ignition. Thoroughly ventilate the room in which the appliance is situated.
- It is dangerous to alter the specifications or modify this product in any way. Any damage to the cord may cause a short circuit, fire and/or electric shock.
- This machine is for domestic use only; do not use it for other purposes. Commercial use will void the guarantee.
WARNING!
Any electrical components & plug, power cord, compressor etc., must be replaced by a certified service agent or qualified service personnel.
WARNING!
The light bulb supplied with this appliance is a special use lamp bulb usable only with the appliance supplied. This bulb is not usable for domestic lighting.
- The power cord must not be lengthened.
- Make sure that the power plug at the rear of the appliance is not damaged.
- A damaged power plug may overheat and cause a fire.
- Make sure that you can access the mains plug of the appliance.
- Do not pull the mains cable.
- If the power plug socket is loose, do not insert the power plug. There is a risk of electric shock or fire.
- This appliance is heavy. Care should be taken when moving it.
- Do not remove or touch items from the freezer compartment if your hands are damp/wet, as this could cause skin abrasions or frost/freezer burns.
- Avoid prolonged exposure of the appliance to direct sunlight.
- This appliance is not intended to be used as a built-in appliance.
Daily Use
- Do not put hot items on the plastic parts or in the appliance.
- Do not place food products directly against the rear wall.
- Frozen food must not be refrozen once it has been thawed out.
- Store prepackaged frozen food in accordance with the frozen food manufacturer’s instructions.
- The appliance manufacturer’s storage recommendations should be strictly adhered to. Refer to relevant instructions.
- Do not place carbonated fizzy drinks in the freezer compartment as freezing creates pressure on the container, which may cause it to explode, resulting in damage to the appliance.
- Ice lollies can cause frost burns if consumed straight from the appliance.
To avoid contamination of food, please respect the following instructions:
- Opening the door for long periods can cause a significant increase of the temperature in the compartments of the appliance.
- Regularly clean surfaces that can come in contact with food and accessible drainage systems.
- Clean water tanks if they have not been used for 48 hours: flush the water system connected to a water supply if water has not been drawn for 5 days.
- Store raw meat and fish in suitable containers in the refrigerator, so that it is not in contact with or drips onto other food.
- Two-star frozen food compartments (if they are presented in the appliance) are suitable for storing pre-frozen food, storing or making ice-cream and making ice cubes.
- One, two and three-star compartments (if they are presented in the appliance) are not suitable for the freezing of fresh food.
- If the appliance is left empty for long periods, switch off, defrost, clean, dry and leave the door open to prevent mould developing within the appliance.
Care and Cleaning
- Before maintenance, switch off the appliance and disconnect the mains plug from the mains socket.
- Do not use bristle brush, steel wire brush, detergent, soap powder, alkaline detergent, benzene, gasoline, acid, hot water and other corrosive or soluble items to cleanse the cabinet surface, door gasket, plastic decorative parts, etc., so as to avoid damage.
- Do not use sharp objects to remove frost from the appliance. Use a plastic scraper.
- Regularly examine the drain and drain hole (some models may not have a drain hole) in the refrigerator for defrosted water. If necessary, clean the drain.
- If there is a fresh food storage compartment in the bottom of the fridge and the drain is blocked, water will collect in the bottom of the appliance.
Electrical Connection.
IMPORTANT!
For electrical connection carefully follow these instructions.
- THIS APPLIANCE MUST BE EARTHED.
This appliance is fitted with a three-prong plug which will be suitable for use in all houses fitted with sockets to current specifications. If the fitted plug is not suitable for your socket outlets, it should be cut off and carefully disposed of. To avoid a possible shock hazard, do not insert the discarded plug into a socket. This appliance complies with the EEC Directives. - Do not, under any circumstances, cut or remove the third ground prong from the power cord supplied.
- This refrigerator appliance requires a standard 220-240VAC 50Hz electrical outlet with three-prong ground.
- This refrigerator appliance is not designed to be used with an inverter.
- The cord should be secured behind the appliance and not left exposed or dangling to prevent accidental injury.
- Never unplug the refrigerator by pulling the power cord. Always grip the plug firmly and pull straight out from the socket.
- Make sure that the mains plug is accessible after the installation of the appliance.
- Do not use an extension cord with this appliance. If the power cord is too short, have a qualified electrician or service technician install an outlet near the appliance. Use of an extension cord can negatively affect the performance of the unit.
- Improper use of the grounded plug can result in the risk of electrical shock. If the power cord is damaged, have it replaced by an authorised Service Centre.
Service
- It is hazardous for anyone other than authorized service personnel to carry out servicing or repairs which involves the removal of covers. To avoid the risk of an electric shock do not attempt to repair this appliance yourself.
Energy Saving
- Do not put hot food in the appliance.
- Do not pack food close together as this prevents air circulation.
- Make sure food doesn’t touch the back of the compartments.
- If electricity goes off, do not open the doors.
- Do not open the doors frequently.
- Do not keep the doors open for too long.
- Keep the temperature at a moderate level during normal weather conditions.
- All accessories, such as drawers, shelves and balconies should be kept in place for lower energy consumption.
Environmental Protection and Recycling
This symbol indicates that this product should not be disposed with other household wastes throughout the EU. To prevent possible harm to the environment or human health from uncontrolled waste disposal, recycle it responsibly to promote the sustainable reuse of material resources.For more detailed information about recycling of this product, please contact your local council, your household waste disposal service or the retailer where you purchased the product. They can take this product for environmentally safe recycling.
Any Packaging or material with this symbol is fully recyclable and should be disposed of in a suitable manner
Freon-free
The freon-free refrigerant (R600a) and the foaming insulation material (cyclopentane) that is environmentally friendly are used for the refrigerator, causing no damage to the ozone layer and having a very small impact on the global warming. R600a is flammable, and sealed in a refrigeration system, without leakage during normal use. But, in case of refrigerant leakage due to the refrigerant circuit being damaged, be sure to keep the appliance away from open flames and open the windows for ventilation as quickly as possible.
Safe Disposal of the Appliance
- When disposing of old Refrigeration appliances please follow the below guidelines:
- Old appliances still have some surplus value. An environmentally friendly approach will ensure that valuable raw materials are recycled.
- The refrigerants used in your equipment and insulation materials require special handling procedures. Make sure there is no pipe damage on the back of the equipment before handling.
- Up-to-date information on the options for disposing of old equipment and packaging from old equipment can be obtained from the local municipal office.
Refrigerant and cyclopentane foaming material used for the refrigerator are flammable. Therefore, when the refrigerator is scrapped, it shall be kept away from any fire source and be recovered by a special recovering company with corresponding qualification other than be disposed by combustion, so as to prevent damage to the environment or any other harm.
When the refrigerator is scrapped, cut off and discard the mains cable, break off any old locks or latches disassemble the doors, remove gaskets from door/s and shelves, put the doors and shelves in a safe place, so as to prevent trapping of children and pets.
WARNING!
During use, service, and disposal of the appliance, please pay attention to the symbol similar to the one to the side, which is located on the rear of the appliance (rear panel or compressor) and yellow or orange in colour. This is the risk of fire warning symbol. There are flammable materials in the refrigerant pipes and the compressor. Please keep a safe distance between the appliance and fire sources during use, service, and disposal.
Climate Range
The information about the climate range of the appliance is provided on the rating plate. It indicates at which ambient temperature (that is, room temperature, in which the appliance is working) the appliance is designed to run at its optimal performance.
| Climate range | Permissible ambient temperature |
| SN | from +10°C to +32°C |
| N | from +16°C to +32°C |
| ST | from +16°C to +38°C |
| T | from +16°C to +43°C |
Note: Given the limit values of the ambient temperature range for the climate classes for which the refrigerating appliance is designed and the fact that the internal temperatures could be affected by such factors as location of the refrigerating appliance, ambient temperature and the frequency of door opening, the setting of any temperature control device might have to be varied to allow for these factors, if appropriate.
Note: When operating in an environment other than the specified climate type (i.e., beyond the rated ambient temperature range), the appliance may not be able to maintain the desirable compartment temperatures.
Locks
If your Refrigerator is fitted with a lock, keep the key out of reach and not in the vicinity of the appliance to prevent children being entrapped. When disposing of an old Refrigerator, break off any old locks or latches as a safeguard.
Product Features

| No | Description |
| 1 | Thermostat Knob |
| 2 | Chill door – 0* Ice Box |
| 3 | Drip tray |
| 4 | Shelf |
| 5 | Adjustable front feet |
| 6 | Plastic retaining |
Due to technological innovations, the product descriptions in this manual may not be completely consistent with your refrigerator. Detailed information is in accordance with the final product.
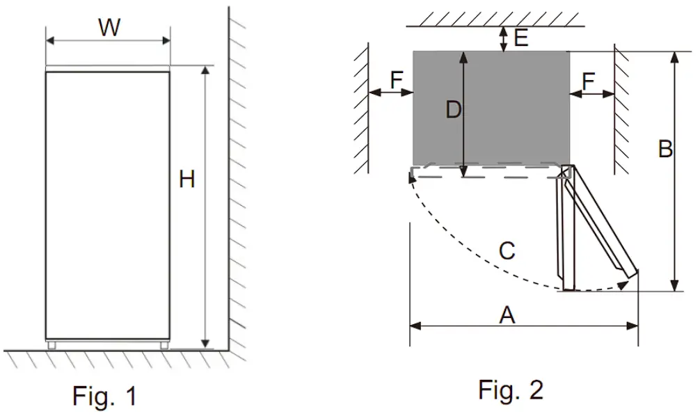
Dimensions in mm:
| W | D | H | A | B | C(°) | E | F |
| 474 | 447 | 496 | 800 | 875 | 130±5 | 50 | 100 |

Note Figure 1, Figure 2 only illustrate the space demand of the product.
If either the left- or right-hand side of the fridge freezer is positioned against a wall, or cabinets that are of a similar height, it is strongly recommended to keep at least a 100mm gap at both sides, 30mm at the top and 50mm at the back of the fridge freezer to aid ventilation and help the appliance to run efficiently.
Installation
- The position you select for the refrigerator installation should be wellventilated.
- Do not locate the refrigerator near a heat source such as cooker, and avoid direct sunlight, thus guaranteeing the refrigeration effect while saving energy consumption.
- Do not locate the refrigerator in the damp place, so as to prevent the refrigerator from rusting and leakage of electricity.
- The result of the total space of the room in which the refrigerator is installed being divided by the refrigerant charge amount of the refrigerator shall not be less than 1m³(space)/8g(refrigerant).
Note: The amount of refrigerant charged for the refrigerator can be found on the nameplate. · Install this appliance in a location where the ambient temperature corresponds to the climate class indicated on the rating plate of the appliance. - Select a location with enough space for the refrigerator door to open easily.
- Place the refrigerator on the solid and flat ground (floor) to keep it stable, or else, it will give rise to vibration and noise.
- When the refrigerator is placed on such flooring materials as carpet, straw mat, polyvinyl chloride,solid backing plates should be applied underneath the refrigerator, so as to prevent color change due to heat dissipation.
- When selecting a position for your appliance you should make sure the floor/surface that it is standing on is flat and firm, do not stand on carpets or any surface that may block ventilation.
- Allow clearance to the right, left, back and top when installing. This will help reduce power consumption and keep your energy bills lower.
- This refrigerating appliance is not intended to be used as a built-in appliance.
Unobstructed ventilation shall be maintained around the appliance at all times.
Cleaning Before Use
- Unpack the appliance and check if there is any damage to it. Do not connect the appliance if it is damaged. Report any damage immediately to the retailer where you purchased the appliance. In that case retain the packaging.
- Wipe the inside of the fridge with a weak solution of bicarbonate of soda and water – always make sure the appliance is turned of during cleaning.
- Rinse thoroughly with warm water using a sponge or cloth. Wash the baskets and shelves in warm soapy water and dry completely before replacing in the Fridge. The external parts of the Fridge can be cleaned with wax polish.
- Wash the door parts and shelves in warm soapy water and dry completely before replacing in the Fridge.
- The external parts of the Fridge can be cleaned with wax polish.
Notes: Electric parts of the refrigerator can only be wiped with a dry cloth.
Door Reversal Instructions.
If you require the door to be reversed it is advisable to do so before anything is placed inside the fridge or switched on. If the appliances is placed on its back for a prolonged period of time during this process, it must be allowed to remain upright for 6 hours before turning it on to avoid damage to the internal components.
To reverse the door follow the below directions

- Remove the plastic hole cover located on the top left side of the refrigerator as shown in Fig.1.
- Remove the upper hinge cover and the upper hinge on the right side of the refrigerator, as shown in Fig.2.
- Remove the door from the lower hinge pin by pulling it gently upwards. Remove the lower hinge bracket on the right side of the unit and remove the leveling foot on the left side. Reverse their positions as shown in Fig.3.
- Install the lower hinge on the left side of the refrigerator. Install the adjustable foot on the right side of the refrigerator as shown in Fig.4.
- Move the door bushing to the left and the plastic hole cover to the right as shown in Fig.5.
- Remove the door stop from the lower right hand side of the refrigerator door. Install the door stop on the lower left side of the refrigerator door as shown in Fig.6.
- Install the upper hinge and hinge cover cover on the left side of the unit. Place the plastic hole covers in the holes on the right side of the top of the refrigerator to cover the screw holes as shown in Fig.7.
Note: When installing the door, ensure that the top of the door is level with the top of the cabinet. If the door is not level the rubber gasket will not make a good seal with the cabinet which can cause the appliance to malfunction.
Before Turning On.
- Before plugging in YOU MUST Check that you have a socket which is compatible with the plug supplied with the Fridge.
- DO NOT SWITCH ON UNTIL FOUR HOURS AFTER MOVING THE FRIDGE. The coolant fluid needs time to settle. If the appliance is switched off at any time, wait 30 minutes before switching back on to allow the coolant fluid to settle.
- When operating in an environment other than the specified climate type (i.e. beyond the rated ambient temperature range), the appliance may not be able to maintain the desirable compartment temperatures.
- Before storing foods in your Fridge, turn the Fridge on and wait for 24 hours, to make sure it is working properly and to its running temperature.
- If the Fridge is not level, the door and magnetic seal alignment will be affected and may cause you Fridge to work incorrectly. Once the Fridge is placed in its final location, adjust the leveling feet at the front – see below

Turning On.
- Turn the thermostat knob to the “4” position, plug in and turn on electricity. The compressor will begin to run.
- Open the door 30 minutes later, if the temperature in the refrigerator has decreased obviously, it shows that the refrigerator system is working.
- When the refrigerator operates for a period of time, the temperature controller will automatically set the temperature within the appliance according to the number it has been set on.
Temperature Control
The temperature of the appliance can be adjusted by turning the thermostat dial. The thermostat can be set between 1 and 7.
- 1 is the warmest setting.
- 7 is the coldest setting.
- Set the dial to OFF to turn off the cooling function.
- Under the normal operating condition (in spring and autumn), it is recommended to set the temperature at 4 .
- In summer when the ambient temperature is high, it is recommended to set temperature at 3-4 , so as to guarantee the fridge and freezer temperatures and reduce the refrigerator continuous running time; and in winter when the ambient temperature is low, it is recommended to set temperature at 5-6 to avoid frequent start/stop of the refrigerator.
Notes: The temperatures may vary with respect to setting’s due to compressor cycles and outside conditions.
Notes: The thermostat setting of ‘6’ or ‘7’ is suitable when the ambient temperature is under 16 °C, but it may lead to ice formation if the refrigerator keeps running at such a high setting for a long time under the normal ambient temperature, this would be a normal phenomenon. In such case, it is recommended to adjust back the thermostat setting appropriately.
Instructions For Food Storage
Note: The guidelines below are for all refrigeration apliances. Some features may not be applicable to this appliance.
Food storage location:
- Due to the cold air circulation in the refrigerator, the temperature of each area in the refrigerator is different, so different kinds of food should be placed in different areas.
- The fresh food compartment is suitable for the storage of foods that need not be frozen but require to be fully chilled: ready-to-eat meals, cooked food, meat, fish, cheese, beer, eggs, some condiments that need cold preservation etc.
- The door shelves are suitable for foods with natural preservatives, such as jams, juices, drinks, condiments that do not require as low a temperature. Do not store perishable foods in the door.
- The crisper box is suitable for the preservation of vegetables, fruits, etc.
- The freezer/Icebox compartment is suitable for the storage of ice cream, frozen food and the foods to be preserved for a long time depending on the *star rating.
0-star compartments are only suitable for making Ice
1-2-3 star compartments are not suitable for freezing fresh food
2 -3 star compartments are suitable for freezing pre-frozen food, ice-cream and making Ice.
4 star compartments are suitable for deep freezing all food types.
Use of the fresh food compartment:
- Set the temperature of the fresh food storage compartment between 2 ~ 8 , and store the foods that are intended for short-term storage, or to be eaten at any time in the fresh food compartment.
Fridge shelf:
- When removing the shelf, lift it up first, and then pull it out; and when installing the shelf, place it into position before putting it down. Keep the shelf rear flange upward, to prevent foods from contacting the liner wall. When taking out or putting in the shelf, hold it firmly, and handle with care to avoid damage.
Crisper box:
- Pull out the crisper box for access to food. After using or cleaning the cover plate of the crisper box, be sure to put it back onto the crisper, so that the internal temperature of the crisper box will not be affected.
Door Balconies:
- Do not force jars or cartons in the door as this may break the balconies. Make sure that tall items are not able to fall over during the door opening and closing. When removing make sure that all food is removed and push upwards from one corner and then the other to remove. When removing and re-fitting handle with care to avoid damage.
Cautions for food storage:
- Clean the foods and wipe them dry before storing them inside the refrigerator. Before foods are put in the refrigerator, it is advisable to seal them up, so as to prevent water evaporation, keep fresh fruits and vegetables on one hand, and prevent taint of odor on the other hand.
- Do not put too much food inside the refrigerator. Keep enough space between foods; if too close, the cold air flow will be blocked, thus affecting the refrigeration effect. Do not store excessive or overweight foods, to avoid the shelf from collapsing. When storing the foods, keep a distance away from the inner wall; and do not place the water-rich foods too close to the fridge rear wall, they may get frozen on the inner wall.
Categorized storage of foods:
- Foods should be stored by category, with the foods you eat every day placed in front of the shelf, so that the door open duration can be shortened and food spoilage due to expiration can be avoided.
Energy-saving tips:
- Allow the hot food to cool down to the room temperature before putting it in the refrigerator. Put the frozen food in the fresh food compartment to thaw, using the low temperature of the frozen food to cool the fresh food, thus saving energy.
Ice formation on the back wall:
- It is normal for some ice droplets to form on the back wall of a fridge (see below image) as this is a wet wall appliance. This does not constitute a fault with the appliance. Ensure that no items inside the fridge are in contact with the back wall at any time as this may cause freezing of food and possible issues with the drain hole becoming blocked or water on the shelves.

Storage of fruits and vegetables:
- In the case of refrigerating appliances with a chill compartment, some types of fresh vegetables and fruits are sensitive to cold and therefore are not suitable for storage in this kind of compartment.
Important Reminders
Location
- Do not place your refrigerator/freezer near a heat source, e.g. cooker, boiler or radiator. Avoid direct sunlight or cold temperatures in out-buildings or conservatories etc..
Positioning
- Make sure to level your appliance using the front leveling feet. If not level, the appliance door gasket sealing performance will be affected, or it may even lead to the operating failure of your appliance.
- After placing your appliance in position, wait for 4 hours before using it, so as to allow the refrigerant to settle.
Installation
- Do not cover or block the vents or grilles of your appliance. When you are away for a long time.
- If the appliance will not be used for several months, turn it off first, and then unplug the plug from the wall outlet.
- Take out all foods.
- Clean and dry the interior thoroughly. To prevent odor and mold growth, leave the door ajar: block it open or have the door removed if necessary.
- Keep the cleaned appliance in a dry, ventilated place and away from any heat source. Place the appliance in a safe place, and do not place heavy objects on top of it.
- The unit should not be accessible for children to play with.
Maintenance and Cleaning
Before cleaning, unplug the power plug first; Do not plug in or unplug with wet hands, because there is a risk of electric shock and injury. Do not spill water directly on the refrigerator, to avoid rust, electricity leakage and accidents. When placing your hands into the refrigerator take care.
Internal cleaning and external cleaning
- Any food residue in the refrigerator is liable to produce a strong odor, so the refrigerator must be cleaned regularly. The fresh food compartment is usually cleaned once a month.
- Remove all shelves, crisper box, bottle racks, cover board, and drawers etc., and clean them with a soft towel or sponge dipped in warm water or neutral detergent.
- Clear off the dusts accumulated on the rear panel and side plates of the refrigerator often.
- After using detergent, be sure to rinse it with clean water, and then wipe it dry.
Do not use bristle brush, steel wire brush, detergent, soap powder, alkaline detergent, benzene, gasoline, acid, hot water and other corrosive or soluble items to cleanse the cabinet surface, door gasket, plastic decorative parts, etc., so as to avoid damage.
- Carefully wipe dry the door gasket, clean the groove using a soft cotton cloth.
- If the gasket is removed for cleaning make sure when re-fitting to afix the four corners of the door gasket first, and then carefully slide into the door groove.
Interruption of power supply or failure of the refrigerating system.
- Take care of the frozen/chilled foods in the event of an extended non- running of the refrigerating appliance (such as interruption of power supply or failure of the refrigerating system).
- Try to open the refrigerator door as little as possible, in this way food can safely and freshly be kept for hours even in hot weather.
If you get the power outage notice in advance
- Adjust the thermostat knob to the highest mode an hour in advance, so that foods get fully frozen/chilled (Do not store new food during this time!). Restore the temperature mode to the original setting when power supply becomes normal in a timely manner.
- You can also make ice with watertight containers, and then put it in the upper part of the fridge and freezer, so as to extend the time for fresh/frozen food to be stored.
Note: Once the refrigerator is used, you are advised to use it continuously; and under normal circumstance, do not stop its use, so as not to affect the service life.
Defrosting
- After a period of use, a thin layer of frost will be formed on the freezer compartment inner wall surface, which may affect the refrigeration effect if exceeding 5mm in thickness. In such case, you need to gently scrape the frost off using an ice scraper rather than any metal or sharp hardware.
- Frost needs to be cleared off every 3 months or so, and if the normal use of drawers and normal access of foods are affected by frosting, make sure to remove the frost in a timely manner.
Follow the following steps to remove frost build up:
- Take out the frozen foods making sure it is either well insulated in paper or towels to avoid defrosting.
- Shut off the mains power supply, open the freezer door, and gently remove the frost build up from the inner wall with an ice scraper.
- To speed up the thawing process if you have excessive frost/ice build up you are advised to place a bowl of hot water inside the freezer, close the door for a short time and when the solid ice frosts become loose, use an ice scraper to scrape them off and then take them out.
- After defrosting, clean the refrigerator/freezer inside, and switch on the power supply.
Changing the lamp (if a lamp is fitted)
The LED lamp is used by the refrigerator for lighting, which features low energy consumption and long service life. In case of any abnormality, please contact the after-sales personnel for visiting service.The lamps can only be replaced by the manufacturer,together with a part of the appliance.
Lamp typeN/A
Energy efficiency level: F
ELECTRICAL INFORMATION
THIS APPLIANCE MUST BE EARTHED.
This appliance is fitted with a fused three pin plug to BS 1363 which will be suitable for use in all houses fitted with sockets to current specifications. If the fitted plug is not suitable for your socket outlets, it should be cut off and carefully disposed of. To avoid a possible shock hazard, do not insert the discarded plug into a socket. This appliance complies with the EEC Directives:
Safety-check after maintenance
Is the power cord broken or damaged?
Is the power plug firmly inserted into the socket?
Is the power plug abnormally overheating?
Note: Electric shock and fire accidents may be caused if the power cord and plugs are damaged or stained by dust. If there is any abnormality, please unplug the power plug and get in contact with the vendor.
Simple Fault Analysis and Elimination
With regard to the following small faults, not every failure needs to be fixed by the technical service personnel; you can try to solve the problem.
| Case | Inspection | Solutions |
| Appliance not running. |
|
|
| Abnormal noise |
|
|
| Poor refrigerating efficiency |
|
|
| Peculiar smell in refrigerator |
|
|
Note: If the above descriptions are inapplicable to troubleshooting, do not disassemble and repair it yourself. Repairs carried out by inexperienced persons may cause injury or serious malfunctioning. Contact the local store where your purchase was made. This product should be serviced by an authorized engineer and only genuine spare parts should be used. When the appliance is not in use for long periods, disconnect from the electricity supply, empty all foods and clean the appliance, leaving the door ajar to prevent unpleasant smells.
Guarantee
YOUR 2 YEAR MANUFACTURER’S GUARANTEE
THIS DOES NOT AFFECT YOUR STATUTORY RIGHTS
Your new ICEKING appliance carries a free guarantee which protects you against the cost of repairs during the first 24 months from date of purchase provided that any claim is accompanied by evidence of the model reference, model serial number and proof of purchase, such as a Sales Receipt, showing that the appliance was purchased within the 24 months prior to the date of claim.
YOUR GUARANTEE IS VALID ONLY IN THE UK & REPUBLIC OF IRELAND
To register your appliance, simply complete the card in your appliance pack and return it with a stamp affixed or alternatively you can register online at
www.repairtechuk.com
Service Helpline
Should your appliance develop a fault, please call the Iceking Service Helpline on:
01527 888133
Please remember to have all your product details available, including the model number, serial number, date of purchase and your retailer’s details before registering a fault.
Your service call cannot progress without this information.
WHAT IS NOT COVERED UNDER THE GUARANTEE:
- Any appliance not correctly installed and operated in accordance with the manufacturer’s instructions
- Any appliance that is used for anything other than domestic purposes. · Any defect caused by accident, misuse, unauthorised modification or inexpert repair.
- Cost of callout where a fault cannot be found with the appliance.
- Cost of callout for work covering routine maintenance, such as, but not exclusively, cleaning of filters or defrosting.
- Cost of callout for work required to correct the alignment of doors following door reversal procedures carried out by you.
- Use of the appliance by anyone other than the Householder.
- Use in any commercial environment.
- Consumable items, such as, but not exclusively, fuses in plugs, bulbs and breakable items which require routine replacement.
- Repair costs incurred that have not been authorised by the Repairtech and/or carried out by a non-approved Repairtech engineer.
Special for new European standard
The ordered parts in the following table can be acquired from customer services.
| Ordered Parted | Provided By | Minimum Time Required For provision. |
| Thermostats | Professional maintenance personnel | At least 7 years after the last model is launched on the market |
| Temperature Sensor | Professional maintenance personnel | At least 7 years after the last model is launched on the market |
| Printed Circuit board | Professional maintenance personnel | At least 7 years after the last model is launched on the market |
| Light Source | Professional repairers and final users | At least 7 years after the last model is launched on the market |
| Door Handles | Professional repairers and final users | At least 7 years after the last model is launched on the market |
| Door Hinges | Professional repairers and final users | At least 7 years after the last model is launched on the market |
| Trays | Professional repairers and final users | At least 7 years after the last model is launched on the market |
| Baskets | Professional repairers and final users | At least 7 years after the last model is launched on the market |
| Door gaskets | Professional repairers and final users | At least 10 years after the last model is launched on the market |
Product Data Sheet concerning (EU) 2019/2019
The product data sheet for your appliance can be found online if you wish to download a copy.
Go to https://eprel.ec.europe.eu and enter the model identifier for your appliance to download the data sheet.
Alternatively you can download from www.ice-king.co.uk by going to the relevant product page.
The model identifier for your appliance can be found on the rating plate at the rear/inside of the appliance.






















