bas-IP AU-04LA Color Screen Doorbell 
Main features
Display: 4.3” TFT LCD, capacitive touchscreen.
Screen resolution: 480 x 272.
Built-in camera: No.
Power: PoE and + 12 V DC.
Power consumption: 6 W, standby 2.5 W.
Dimensions: 135 x 185 x 30 mm.
Colors: White, black.
Body: Plastic.
Installation Type: Wall mount.
Device description
One of the interesting features of the AU-04LA is the ability to connect an additional SP-AU handset. This solution is ideal for those who want] privacy in their conversations. Control of the intercom is possible with the help of mechanical keys and a touch screen. Classic black and white body color suitable for any style of interior.
Appearance
- Monitoring.
- Open.
- Call.
- Photo frame mode.
- Concierge.
- Loudspeaker.
- Microphone.
- EAN: 5060514912188 (BLACK)
- EAN: 5060514912195 (WHITE)
Completeness check of the product
Before installing the monitor, be sure to check that it is complete and all components are available.
The monitor kit includes
Electrical connection
- After verifying the device’s completeness, you can switch to the monitor connection.
To connect the monitor you will need
- An Ethernet UTP CAT5 or higher cable is connected to a network switch / router.
Cable length recommendations
- The maximum length of the UTP CAT5 cable segment should not exceed 100 meters, according to the IEEE 802.3 standard.
- Power supply at +12 Volts DC if there isn’t PoE.
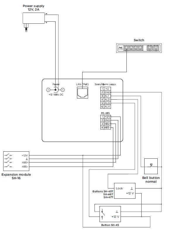
- Wires must be brought for the connection of alarm loops and home automation (optional).

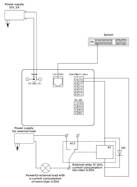
- The connection scheme of all components

- Scheme for connecting external controlled devices or connecting a powerful external load to the siren output using an external additional relay.
- EAN: 5060514912188 (BLACK)
- EAN: 5060514912195 (WHITE)


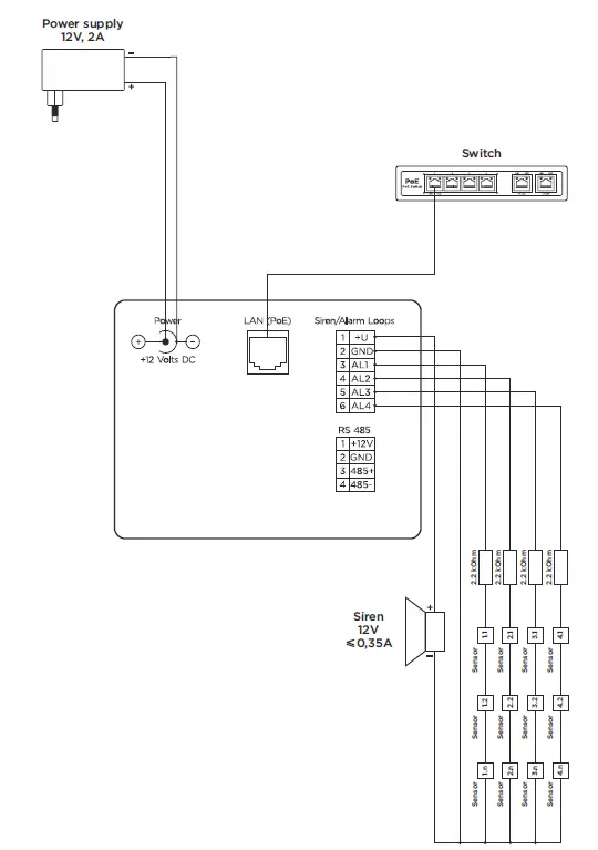
- Wiring diagram for security alarm sensors with NC – normally closed contact types
- EAN: 5060514912188 (BLACK)
- EAN: 5060514912195 (WHITE)


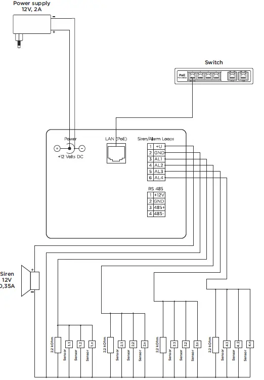
- Wiring diagram for security alarm sensors with NO – normally open contact types
Mechanical mounting
- Before installing the monitor, you must provide a hole or recess in the wall with a diameter of 68 mm for a standard mounting box for a 65×45 mm outlet.
- This is necessary for switching wires and mounting the monitor.
- The bracket is fixed in the socket by using the supplied screws and a crosshead screwdriver.
- The monitor is mounted on the bracket from top to bottom.
Monitor
Bracket
- EAN: 5060514912188 (BLACK)
- EAN: 5060514912195 (WHITE)
Warranty
- The warranty card number…………………………..
- Model name……………………………………………..
- Serial number…………………………………….
- Seller name………………………………..
- With following stated terms of warranty is familiar, the functional test was performed in my presence:………………………………….
- Customer signature…………………………..
Warranty conditions
- The warranty period of the product — is 36 (thirty-six) months from the date of sale.
- Transportation of product must be in its original packaging or supplied one by the seller.
- The product is accepted for in-warranty repair only with a properly filled warranty card and the presence of intact stickers or labels.
- The product is accepted for examination in accordance with the cases provided by law, only in the original packaging, in a full complete set, appearance corresponding to the new equipment and presence of all relevant properly filed documents.
- This warranty is in addition to the constitutional and other consumer rights and in no way restrict them.
Terms of warranty
- The warranty card must indicate the name of the model, serial number, purchase date, name of the seller, seller company stamp, and the customer’s signature.
- Delivery to the warranty repair is carried out by the buyer himself.
- Warranty repairs are carried out only during the warranty period specified in the warranty card.
- The service center is committed to do everything possible to carry out the repair warranty products, up to 24 working days. The period spent on the restoration of product functionality is added to the warranty period.
Full User Manual

























