AUTOMATIONDIRECT GSD5 Series Ironhorse DC Drives

OVERVIEW
WARNING
Thank you for purchasing automation equipment from Automationdirect.com®, doing business as AutomationDirect. We want your new automation equipment to operate safely. Anyone who installs or
uses this equipment should read this publication (and any other relevant publications) before installing or operating the equipment.
To minimize the risk of potential safety problems, you should follow all applicable local and national codes that regulate the installation and operation of your equipment. These codes vary from area to area and usually change with time. It is your responsibility to determine which codes should be followed and to verify that the equipment, installation, and operation is in compliance with the latest revision of these codes.
At a minimum, you should follow all applicable sections of the National Fire Code, National Electrical Code, and the codes of the National Electrical Manufacturer’s Association (NEMA). There may be local regulatory or government offices that can also help determine which codes and standards are necessary for safe installation and operation.
Equipment damage or serious injury to personnel can result from the failure to follow all applicable codes and standards. We do not guarantee the products described in this publication are suitable for your particular application, nor do we assume any responsibility for your product design, installation, or operation.
Our products are not fault-tolerant and are not designed, manufactured or intended for use or resale as
online control equipment in hazardous environments requiring fail-safe performance, such as in the operation of nuclear facilities, aircraft navigation or communication systems, air traffic control, direct life support machines, or weapons systems, in which the failure of the product could lead directly to death, personal injury, or severe physical or environmental damage (“High-Risk Activities”). AutomationDirect specifically disclaims any expressed or implied warranty of fitness for High-Risk Activities.
For additional warranty and safety information, see the Terms and Conditions section of our catalog. If you have any questions concerning the installation or operation of this equipment, or if you need additional information, please call us at 770-844-4200.
This publication is based on information that was available at the time it was printed. At AutomationDirect we constantly strive to improve our products and services, so we reserve the right to make changes to the products and/or publications at any time without notice and without any obligation. This publication may also discuss features that may not be available in certain revisions of the product.
Trademarks
This publication may contain references to products produced and/or offered by other companies. The product and company names may be trademarked and are the sole property of their respective owners. AutomationDirect disclaims any proprietary interest in the marks and names of others.
Copyright© 2013-2020 Automationdirect.com® Incorporated All Rights Reserved
No part of this manual shall be copied, reproduced, or transmitted in any way without the prior, written consent of Automationdirect.com® Incorporated. AutomationDirect retains the exclusive rights to all information included in this document.
GSD5 DC Drives User Manual Overview
Overview of this Publication:
The IronHorse GSD5 Series DC Drives User Manual describes the installation, configuration, and methods of operation of the GSD5 Series DC Drives.
All information contained in this manual is intended to be correct. However, the information and data in this manual are subject to change without notice. AutomationDirect (ADC) makes no warranty of any kind with regard to this information or data. Further, ADC is not responsible for any omissions or errors or consequential damage caused by the user of the product. ADC reserves the right to make manufacturing changes that may not be included in this manual.
Who Should Read This User Manual:
This manual contains important information for those who will install, maintain, and/or operate any of the GSD5 Series DC Drives.
Technical Support:
By Telephone: 770-844-4200 (Mon.–Fri., 9:00 a.m.–6:00 p.m. E.T.)
On the Web: www.automationdirect.com
Our technical support group is glad to work with you in answering your questions. If you cannot find the solution to your particular application, or, if for any reason you need additional technical assistance, please call Technical Support at 770-844-4200. We are available weekdays from 9:00 a.m. to 6:00 p.m. Eastern Time.
We also encourage you to visit our web site where you can find technical and non-technical information about our products and our company. Visit us at www.automationdirect.com.
Special Symbols
When you see the “notepad” icon in the left-hand margin, the paragraph to its immediate right will be a special note.
WARNINGS
WHEN YOU SEE THE “EXCLAMATION MARK” ICON IN THE LEFT-HAND MARGIN, THE PARAGRAPH TO ITS IMMEDIATE RIGHT WILL BE A WARNING. THIS INFORMATION COULD PREVENT INJURY, LOSS OF PROPERTY, OR EVEN DEATH (IN EXTREME CASES).
IronHorse GSD5 Series DC Drives General Information:
IronHorse GSD5 DC drives are versatile, general-purpose, variable-speed, DC motor controllers that are designed to control DC Permanent Magnet, Shunt Wound, and some Universal (AC/DC) motors. Incoming AC voltage is converted to adjustable full-wave rectified DC voltage to operate the DC motor. Also, a full-wave field voltage is provided for shunt-wound motors.
Carefully check the DC Drive for shipping damage. Report any damage to the carrier immediately. Do not attempt to operate the drive if visible damage is evident to either the circuit or to the electronic components.
Standard Features
- Input voltages 120/240VAC @ 50/60Hz; output 0–90/180VDC.
- Adjustable horsepower settings (1/8 thru 1hp @ 120 VAC input; 1/4 thru 2hp @ 240 VAC input).
- Barrier terminal strip for all power and control wiring.
- Full-wave bridge supply.
- 1% speed regulation with armature voltage feedback; ±1/2% with tachometer feedback.
- Adjustable Minimum speed, Maximum speed, IR Compensation, Current Limit, and Acceleration & Deceleration.
- Line voltage compensation.
- 5kΩ speed potentiometer with leads, dial, and knob included.
- 50:1 speed range.
- Transient voltage protection.
- Voltage following mode or DC tachometer follower by supplying ungrounded 0–12VDC analog input signal.
- DC tachometer feedback (6V at base speed).
- Inhibit circuit permits start & stop without breaking AC lines.
- Shunt field supply provided.
- Available in NEMA 4/12 enclosure with Power ON/OFF switch, or open-frame chassis.
Control Features
- MINIMUM SPEED – Allows adjustment of the motor speed when the speed pot is set at a minimum
(CCW). This permits the user to eliminate “Deadband” on the main speed control, permitting zero calibration. Clockwise rotation of “MIN” trim pot increases speed. - MAX SPEED (Maximum Speed) – Allows adjustment of the motor speed when the speed pot is set at maximum (CW). This permits the user to eliminate the top end “Deadband”, which will provide full speed at maximum rotation. Rotation of the “MAX” trim pot in the clockwise direction increases the maximum motor speed.
- ACCEL (Acceleration) – Allows adjustment of the motor acceleration from a minimum of 0.5 seconds to approximately 8.0 seconds. The deceleration time is proportional to the ACCEL setting.
- I.R. COMP (Speed Regulation) – Adjusts the drive output to compensate for speed changes caused by varying motor loads. As motor load is increased, IR COMP increases the voltage output of the drive. Clockwise rotation of the “IR COMP” trim pot increases compensation.
- CUR. LIM. (Current Limit) – Provides protection from excessive armature current by limiting the maximum armature current the drive can provide. This enables adjustment of the maximum torque the motor can deliver. Torque adjustment (CUR. LIM.) is preset at 125% of rated motor torque (current) based on horsepower. Clockwise rotation of the “CUR. LIM.” trim pot increases the torque (current) the drive will provide.
- INHIBIT TERMINAL PIN – An adjustable acceleration ramp that allows the user a choice of stopping and starting hard (fast), or stopping hard with a soft start (without breaking the AC lines).
Selection and Specifications
| GSD5 Series DC Drives – Selection & Specifications | ||||||
| Model | GSD5-240-10C | GSD5-240- 10N4 | GSD5-240- 10N4-A | GSD5-240- 10N4-R | GSD5-240- 10N4-V | |
| Package Configuration | open frame | NEMA 4/12 | ||||
| Power Quality Form Factor | 1.4 | |||||
| Special Features | None | Current follower | Manual reversing | Voltage follower | ||
| Input Voltage (@50/60Hz) | 120/240 VAC ±10% | |||||
| Output Voltage | 0–90/180 VDC | |||||
| Shunt Field Voltage | 100VDC @ 120VAC input; 200VDC @ 240VAC input; (1A max) | |||||
| Motor Rating (hp) | 1/8 – 1 hp @ 90VDC ; 1/4 – 2 hp @ 180VDC | |||||
| Output Current (continuous) | 150mA – 10.8A (DC) | |||||
| Current Overload Capacity | 150% for 60s | |||||
| Current Limit (adjustable) | 1–15A (DC) | |||||
| Transient Protection | Metal Oxide Varistor (MOV) | |||||
| I.R. Compensation | Adjustable | |||||
|
Speed Adjustment | Potentiometer | 5kΩ 2W potentiometer or 0–10VDC isolated input signal | ||||
| Current | 4–20mA with option GSDA- AI-A or -V5 | n/a | 4–20mA | n/a | 4–20mA | |
| Voltage | 0-5VDC, 0-250VDC with option GSDA- AI-V5 | n/a | n/a | n/a | 0-5VDC, 0-250VDC | |
| Speed Range | 50:1 | |||||
| Speed Regulation | ±1% of base speed (0.5% with tachometer feedback) | |||||
| Maximum Speed | Adjustable from 66% to 110% of base speed | |||||
| Minimum Speed | Linear ramp 0–30% of adjustable maximum speed | |||||
| Acceleration | Linear ramp adjustable 0.5–8s | |||||
| Deceleration | Adjustable 0.06–80s (dependent on acceleration time setting) | |||||
| Dynamic Braking | No | |||||
| Plugging Capability ** | No | |||||
| Electrical Connections | Barrier-type terminal strip; 26–12 AWG | |||||
| External Fusing Required | Bussman ABC or Littlefuse 314 series ceramic fuses or equivalent Refer to wiring diagrams for details | |||||
| Operating Temperature | -10 to 45 °C [14 to 113 °F] | |||||
| Thermal Protection | Current limiting | |||||
| Mounting Orientation | Can be mounted in any orientation | |||||
| Corrosive Gases | NOT compatible with any corrosive gases | |||||
| Weight | 16.25 oz [413g] | 25.50 oz [723g] | ||||
| Agency Approvals | CULUS listed (E333109), RoHS | RoHS | ||||
| Optional Accessories * | ||||||
| Replacement Potentiometer | GSDA-5K | |||||
| Digital Potentiometer | GSDA-DP | |||||
| Manual Reverse Switch | GSDA-MREV**** | Included | GSDA-PREV*** | |||
| Analog Current Input Card | GSDA-AI-A | – | Included | – | – | |
| Analog Voltage Input Card | GSDA-AI-V5 | – | – | – | Included | |
| For accessories details, refer to the “GSD Series DC Drives Accessories” section. Plugging is a method of rapidly changing motor direction by reversing motor armature polarity, while the motor is still running. Fuse type: Bussman/Edison ABC, Littlefuse 314 series, or equivalent. Fuse hot legs only; do not fuse AC neutrals. Refer to “Fusing” on page 7. To meet NEMA4 requirements, GSDA-MREV requires a user-provided external exclosure. | ||||||
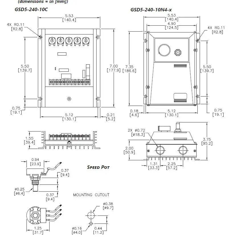
Dimensions

Installation and Wiring
- Install open-frame drives in an enclosure with a volume at least three times the volume of the open-frame drive.
- Do not mount GSD5-240-xxxx DC drive where the ambient temperature is outside the range of -10 to 45 °C (14 to 113 °F).
- Size all wires that carry armature or line currents as specified by applicable national, state, and/or local codes. All other wires may be 18AWG or smaller as permitted by the codes.
- Separate control wires from the armature and AC lines when routed in conduit or wire trays.
CAUTION
TURN POWER OFF WHILE MAKING WIRING CONNECTIONS.
IMPROPER INSTALLATION OR OPERATION OF THIS DC DRIVE MAY CAUSE INJURY TO PERSONNEL OR DRIVE FAILURE. THE DRIVE MUST BE INSTALLED IN ACCORDANCE WITH LOCAL, STATE, AND NATIONAL SAFETY CODES. MAKE CERTAIN THAT THE POWER SUPPLY IS DISCONNECTED BEFORE ATTEMPTING TO SERVICE OR REMOVE ANY COMPONENTS!!! IF THE POWER DISCONNECT POINT IS OUT OF SIGHT, LOCK IT IN A DISCONNECTED POSITION AND TAG IT TO PREVENT UNEXPECTED APPLICATION OF POWER. ONLY A QUALIFIED ELECTRICIAN OR SERVICE PERSONNEL SHOULD PERFORM ANY ELECTRICAL TROUBLESHOOTING OR MAINTENANCE. AT NO TIME SHOULD CIRCUIT CONTINUITY BE CHECKED BY SHORTING TERMINALS WITH A SCREWDRIVER OR OTHER METAL DEVICE.
BEFORE ATTEMPTING TO WIRE THE DC DRIVE, MAKE SURE ALL POWER IS DISCONNECTED. RECHECK CODE DESIGNATION TO ASSURE PROPER VOLTAGE IS PRESENT FOR THE DC DRIVE. CAREFULLY SELECT PROPER WIRE SIZE FOR CURRENT AND VOLTAGE DROP. LIMIT THE VOLTAGE DROP THROUGH THE WIRING TO 5% OF THE LINE VOLTAGE AT FULL LOAD
Do not attempt to perform a hi-pot test across the AC lines with the DC drive in the circuit. This will result in immediate or long-term damage to the drive
- Ensure that the GSD5 drive chassis is properly grounded.
- Motor armature connections must not be switched or broken while the GSD5 drive is ON. Serious damage may result.
- The inputs to the speed pot terminals (P1-1, P1-2, P1-3) must not be grounded. Serious damage may result
Fusing
The GSD5 has an internal fuse in AC line 1 (P1-11), and this fuse is sized to open in the event of a shorted armature or if an armature line is shorted to earth ground. For properly connected 120 VAC input, additional fusing is not needed. [Replace with Bussman ABC10 or Littelfuse 314-010 or equivalent. AutomationDirect sells ABC series fuses.] For 240 VAC applications, use an external fuse in AC line 2 (P1-10). This fuse should be a Bussman ABC10 or LittelFuse 314-010. [AutomationDirect sells ABC series fuses.]
AC current is determined by motor characteristics, and it may be necessary to increase fuse value for some applications.
Wiring Terminals
| GSD5 Wiring Terminals | ||
| Type | Wire Range | Tightening Torque |
| barrier-type terminal strip | 26–12 AWG | 10.0 lb·in [1.1 N·m] |

Installation and Wiring – Wiring Diagrams (continued) GSD5-240-10N4 Basic Wiring Diagram

GSD5-240-10N4-R Reversing Wiring Diagram (Factory-installed Manual Reversing input option)
The GSD5-240-10N4-R includes a 4PDT blocked center switch which permits reversing the motor. When switched between the forward/reverse positions, a delay is encountered due to the blocked center position, which protects the control from any voltage that may be at the armature terminals. The center position is OFF/NEUTRAL.
CAUTION: THE MOTOR MUST COME TO A COMPLETE STOP BEFORE CHANGING DIRECTIONS. IF THE MOTOR DOES NOT COME TO A COMPLETE STOP, THE DRIVE MAY BE SERIOUSLY DAMAGED. BYPASSING THE CENTER BLOCK OF THE SWITCH MAY RESULT IN SERIOUS DAMAGE TO THE DRIVE.

GSD5-240-10N4-A Basic Wiring Diagram (Factory-installed Current Follower input option)
The GSD5-240-10N4-A includes a 4–20 mA isolated signal card that allows the drive to be run in either the Manual mode via a speed pot, or the Auto mode via the 4–20 mA signal.

GSD5-240-xxx Two-Speed Operation:
Two-speed operation is done using two 10 kΩ speed potentiometers in parallel, with both Highs connected to terminal P1-3, and both Lows connected to P1-1. A SPDT switch selects which pot Wiper is connected to terminal P1-2.

GSD5-240-xxx Dynamic Braking:
A DPDT switch is used to control and to connect a customer-supplied Dynamic Braking Resistor (DBR). Typical values for the DBR are 35–50W at 5Ω for 120V, or 10Ω for 240V. Motor horsepower, inertia, and cycle time affect the sizing of the DBR.

GSD5-240-xxx Inhibit (used independently):
The customer-supplied SPST switch is connected in series between the Speed Pot High (P1-3) and the Inhibit pin (P2). To Inhibit (stop motor), close Speed Pot High to the Inhibit pin. To restart, return the switch to open. NOTE: The control will stop and start fast; Accel is bypassed.

GSD5-240-xxx Inhibit (used with speed pot):
The common of SPDT switch is connected to control pot High and is switched between Speed Pot High (P1-3) and the Inhibit pin (P2). To inhibit (stop motor), Speed Pot High is closed to the Inhibit pin. To restart, return the switch to Speed Pot High. NOTE: The control will stop fast and soft start through a fixed acceleration range.

Start-Up
- Recheck all wiring. Accidental grounds, loose or pinched wires on armature or speed pot wires may damage the DC drive when power is applied.
- Check to see that the incoming power is of the correct voltage.
- Turn the speed pot to zero (fully CCW).
- Turn the power on, and advance the speed pot while observing the motor direction of rotation. Power must be turned off again before step 5 can be accomplished!
- If the motor rotation is incorrect, turn the power off at external disconnect, and reverse the +ARM and -ARM connections.
- Check for satisfactory operation throughout the speed range.
- If the operation is satisfactory, no readjustments are needed.
- If instability or surging is observed, or if maximum speed is higher than desired, refer to the “Trim-Pot Adjustments” section.”
- For other problems, consult the “Troubleshooting” section.
Trim Pot Adjustments
If the system is unstable after the previous Start-Up procedure, then adjust the trim pots as follows. These adjustments are maintained, and periodic readjustments are not normally needed. However, readjustments could be needed if the drive is operated beyond ±10% of the rated line voltage.
For GSD5 Drives without Analog Current/Voltage Input Cards
| GSD5-240-10C, GSD5-240-10N4, GSD5-240-10N4-R Trim Pot Adjustment * | ||
| Trim Pot | Function | Adjustment |
|
Max** | Sets maximum motor speed when speed pot is set at maximum (fully CW rotation). CW rotation of MAX trim pot increases maximum motor speed. | 1) TURN DRIVE POWER OFF!! 2) Connect a DC voltmeter: + to +ARM; – to -ARM. 3) Set meter voltage range: (90 VDC for 120 VAC; 180 VDC for 240 VAC). 4) Turn the power on. Set Speed pot at 100%. 5) Adjust MAX trim pot to rated motor armature voltage as shown on the meter. NOTE: A tachometer or strobe may be used in lieu of a meter. Follow the above steps, except adjusting the MAX trim pot to the rated motor base speed indicated by the tachometer or strobe. |
| Min** | Sets minimum motor speed when speed pot is set at zero. CW rotation will increase the minimum motor speed. | 1) Set Speed pot to zero (fully CCW). 2) Rotate MIN trim pot CW until the motor starts to rotate. 3) Slowly rotate MIN trim pot CCW until the motor stops. NOTE: If motor rotation is desired, rotate MIN trim pot CW until desired MIN speed is reached. |
|
IR Comp | Calibrates speed regulation. Provides a means of improving motor speed regulation in the armature feedback mode. If a slowdown due to load change is of no concern, rotate this trim pot fully CCW. | 1) Set Speed pot at 50%. 2) Observe motor speed at no-load condition. 3) Apply full load to the motor. 4) Turn IR COMP trim pot CW to obtain the same motor speed as with no load. |
|
Cur Lim | Limits DC motor armature current (torque) to prevent damage to the motor or drive. The current limit is set for the rated motor current. CW rotation of this trim pot increases the armature current (or torque produced). | 1) TURN DRIVE POWER OFF! 2) Connect a DC Ammeter between A1 on motor and +ARM on a drive. This is in series with the motor. 3) Turn power ON. 4) Set Speed pot at the 50% position. 5) Apply friction braking to the motor shaft until the motor stalls (zero rpm). 6) With motor stalled, set current at 125% of rated motor armature current by adjusting CUR. LIM. trim pot. |
| Accel | Allows adjustment of acceleration by user. | CW rotation of the ACCEL trim pot increases acceleration time. |
| * Adjustments are performed with motor connected to drive. DO NOT USE this adjustment procedure for GSD5-240-10C DC drives with GSDA-AI-A analog current input cards, for GSD5-240-10N4-A drives, or for GSD5-240-10N4-V drives. ** For Max and Min adjustments of the GSD5-240-10C DC drive with GSDA-AI-A analog input cards, the GSD5-240- 10N4-A drive, or the GSD5-240-10N4-V drive, refer to the adjustment procedures on the following page. | ||
For GSD5-240-10C with optional GSDA-AI-A Analog Current Input Card, and GSD5-240-10N4-A
(Adjustments are performed with a motor connected to drive.)
- Adjust the DC drive Min trim pot to a minimum (full CCW) and Max trim pot to 50%. (The voltage is set below the typical motor voltage to make certain the drive is NOT in saturation before setting the analog current input board saturation point.
- Set the Linearity/gain pot on the analog current input full CW. This is a 20-turn pot and you should hear clicking with each turn when fully up or just count 20 turns.
- Make certain your motor is connected to the +/-ARM output of the drive, the AUTO/MAN switch is in AUTO mode (for GSD5-240-10N4-A), and source power for the drive is turned on. (Note: For proper tuning, this setup is best done on an unloaded motor.)
- With power applied and a voltmeter monitoring motor output VDC, apply 4mA to analog current input board. Check voltmeter reading and adjust the Linearity/gain trim pot, R16, on the analog current input board CCW until motor output voltage is less than 0.1VDC.
- Now apply 20mA to the analog current input board and adjust the Max trim pot to a voltage that is 15 volts above the final desired max motor voltage output. Adjust the Linearity/gain trim pot on the analog current input board CCW until the motor output voltage decreases to the desired max voltage setpoint.
- Now, apply 4mA to the analog current input board again, and adjust the Min trim pot to Deadband or the desired minimum motor voltage output. The deadband point is where you are at 0VDC, and any further increase of the Min trim pot would result in output to the motor. Re-apply 20mA to the analog current input board and verify max output has not changed. A small adjustment may be needed to the Max trim pot to reset to desired max output.
- Adjust 4-20 input to 12mA. If tuned properly the output voltage of an unloaded motor should be within a few volts of ½ output (based on max output setting above).
- GSD5-240-10N4-A option only: With 20mA applied to the GSD5-240-10N4-A in Auto mode, move AUTO/MANUAL switch to MANUAL.
In manual mode, turn the speed pot full CW and note motor voltage output reading on the voltmeter. If not equal to output at 20mA in Auto Mode, adjust the Balance trim pot on the GSD5-240-10N4-Aboard (CW or CCW) until the same reading is achieved. The motor output VDC should not change more than 1VDC when flipping back and forth between AUTO and MANUAL positions.
FOR GSD5-240-10N4-V\
(Adjustments are performed with a motor connected to drive.)
- With NO power at the drive, connect a DC voltmeter (meter must not be grounded) to control
outputs as follows: Meter COMMON to the -ARM terminal; Meter POSITIVE to the +ARM terminal. Select correct meter range (0-90V or 0-180V). - Preset GAIN trim pot (analog voltage follower board) fully CCW, place input voltage range jumper clip in proper position. (For ranges, refer to the GSD5-240-10N4-V Basic Wiring Diagram on page 9.)
- Preset control as follows: MIN and IR COMP fully CCW; MAX at 50%.
- Apply desired AC voltage to drive and analog voltage follower board.
- With 0 volts into analog voltage follower board, adjust MIN trim pot on drive to eliminate deadband. To do this, increase MIN fully CW, and then adjust CCW until meter reads 0V.
- Apply maximum input voltage to analog voltage follower board input.
- Adjust GAIN until no further change in voltage output occurs, then turn CCW until a 5V drop occurs, and then set control MAX to 90VDC (for 120V input) or 180VDC (for 240V input).
- For Closed-Loop systems, the IR COMP should remain fully CCW. For Open Loop systems, set IR per set-up procedure.
- Some interaction between trimpots may occur. Recheck the MIN trim pot setting and repeat steps 5 through 7 as needed.
Troubleshooting
If a newly installed DC Drive will not operate, it is likely that a terminal connection is loose. Check the terminal connections and ensure that they are secure and correct. If the drive is still inoperative, refer to the Troubleshooting Table.
| Troubleshooting | ||
| Problem | Possible Cause(s) | Corrective Action |
| Motor doesn’t run | 1) Blown fuse or circuit breaker 2) Incorrect or no power 3) Speed pot set at zero 4) Worn motor brushes | 1) Replace fuse or reset breaker 2) Install proper power service 3) Rotate Speed pot CW to start 4) Replace motor brushes |
| Armature output voltage cannot be adjusted; output is a constant DC level | 1) No motor or load connected 2) Speed pot low connection open | 1) Ensure that motor or load is connected to armature terminals 2) Ensure that Speed pot Low wire is connected |
| Motor stalls, or runs very slowly with speed control set fully CW | 1) Low voltage 2) Overload condition 3) Worn motor brushes 4) Max speed set incorrectly | 1) Ensure that VAC is above 108 VAC 2) Reduce load or increase motor size 3) Replace brushes 4) Consult “Trim Pot Adjustments” section |
| Motor “hunts” | 1) Too much IR Comp 2) Motor is in Current Limit 3) Motor not pulling enough current 4) Max trim pot set too high 5) Motor speed is above rated speed | 1) Consult “Trim Pot Adjustments” section 2) Consult “Trim Pot Adjustments” section 3) Motor current must be greater than 150 mA (DC) 4) Consult “Trim Pot Adjustments” section 5) Reduce speed |
| Repeated fuse blowing | 1) Low voltage 2) Overload condition 3) Worn motor brushes 4) Defective motor bearings 5) Defective electrical components | 1) Ensure that VAC is above 108 VAC 2) Reduce load 3) Replace brushes 4) Replace bearings 5) Contact distributor or representative |
|
Motor runs, but will not stop | 1) Incorrect wiring (enclosed drive)
2) Defective wiring 3) Jumper inhibit 4) Defective component | 1) Ensure that Terminal Strip Wiring is correct per wiring instructions/diagrams (check AC line connection in particular) 2) Check wiring 3) Check jumper inhibit pin connection (P2) 4) Contact AutomationDirect “Product Returns” for replacement. |
GSD5 Series Accessories
GSDA-AI-V5
Optional analog voltage or current input card for open-frame GSD5-240-10C series DC drives only This option card allows for the use of either a grounded or non-grounded remote DC signal such as 0–5 VDC through 0–250 VDC, 4–20mA, or a remote speed potentiometer. The DC input signal type can be selected for voltage (Vin) or current (4–20mA) via the JP2 jumper clip. There is a Hi/Lo range jumper (P4) selection that should be set to the (Lo) setting (jumper positioned across pins 2 and 3) when using a 4–20mA signal or voltage ranges of 0–5 VDC through 0–25 VDC. When using voltage ranges of 0–25 VDC through 0–250 VDC, this jumper must be set to (Hi) (jumper positioned across pins 1 and 2). The GAIN trim pot is used to set full linear output in reference to the input signal range. The output of this remote signal isolation board is a linear signal that is proportional to the remote input signal being supplied.

GSDA-AI-V5 Setup Procedure
- With motor connected and NO power at the drive, connect a DC voltmeter (meter must not be
grounded) to control outputs as follows: Meter COMMON to the -ARM terminal; Meter POSITIVE to the +ARM terminal. Select correct voltage range (0-90V or 0-180V) for the voltage meter being used. - Preset GAIN trim pot (analog voltage follower board) fully CCW, place range jumper clip in proper position.
- Preset control as follows: MIN and IR COMP fully CCW; MAX at 50%.
- Apply desired AC voltage to drive and analog voltage follower board.
- With 0 volts into analog voltage follower board, adjust MIN trim pot on drive to eliminate deadband. To do this, increase MIN fully CW, and then adjust CCW until meter reads 0V.
- Apply maximum input voltage to analog voltage follower board input.
- Adjust GAIN until no further change in voltage output occurs, then turn CCW until a 5V drop occurs, and then set control MAX to 90VDC (for 120V input) or 180VDC (for 240V input).
- For Closed-Loop systems the IR COMP should remain fully CCW. For Open Loop systems, set IR per set-up procedure.
- Some interaction between trim Mpots may occur. Recheck the MIN trim pot setting and repeat steps 5 through 7 as needed.















