resideo W8735ER Wireless Outdoor Reset Module User Manual
APPLICATION
The W8735ER Wireless Outdoor Reset Module, when connected to the C7089R1013 Wireless Outdoor Sensor, works with any AquaReset enabled Aquastat® such as the L7224/48 Aquastat, S9360/61/80 Integrated Boiler Control, and R7910 SOLA Control via the EnviraCOM™ 3-wire bus. The Wireless Outdoor Reset Module enables efficiency control functionality, such as Outdoor Temperature Reset, Boost function, and Warm Weather Shutdown function to generate average operational savings of up to 15%
SPECIFICATIONS
Electrical Ratings: Voltage: 24 Vac, 60 Hz.
Environmental Ratings:
Temperature: -30 °F to +150 °F (-34 °C to +66 °C).
Humidity: 0 to 95% relative humidity, non-condensing.
Accessories (Can be ordered separately): C7089R1013 Wireless Outdoor Temperature Sensor
FEATURES
- RedLink™ wireless communication protocol
- Fast wireless connection to outdoor sensor
- Enables Boiler Outdoor Temperature Reset
- Enables Warm Weather Shutdown
- Enables Boost Override
- Simple low-voltage, 3-wire installation to combustion control (3 EnviraCOM)
- EnviraCOM™/RedLink Enabled
INSTALLATION
When Installing this Product…
- Read these instructions carefully. Failure to follow them could damage the product or cause a hazardous condition.
- Check the ratings given in the instructions and on the product to make sure the product is suitable for your application.
- The installer must be a trained, experienced service technician.
- After installation is complete, check out product operation as provided in these instructions.
CAUTION
Electrical Shock Hazard.
Can cause electrical shock or equipment damage. Disconnect power supply before connecting wiring. - The Outdoor Reset Module can be wall mounted in any orientation desired or dictated by the surroundings.
- The holes are sized for the #6 sheet metal screws (included).
- Precise leveling of the product is not required
WIRING
CAUTION
Do not mount the W8735ER on a metallic surface as this can interfere with reception.
CAUTION
Electrical Interference (Noise) Hazard.
Can cause erratic system operation.
Keep wiring at least one foot away from large inductive loads such as motors, line starters, lighting ballasts and large power distribution panels. Use shielded cable to reduce interference when rerouting is not possible.
- Disconnect power.
- Mount the Wireless Outdoor Temperature Control Module with the supplied hardware.
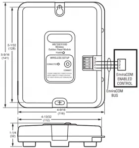
- Wire the 1, 2, and 3 terminals on the Outdoor Reset Module to the 1, 2, and 3 terminals on the EnviraCOM™ enabled thermostat (if available), Aquastat, Integrated Burner Control, SOLA, or anywhere on the bus where access to the EnviraCOM bus is available and convenient. See Fig. 1.
- Turn power on.
- Bind the C7089R Wireless Outdoor Sensor to the Wireless Outdoor Reset Module. See “Sensor Binding” on page 3.
Fig. 1. W8735ER Wireless Outdoor Reset Module wiring diagram.
C7089R INSTALLATION
Mount Outdoor Sensor
Before installing the C7089 sensor, make sure 2 AA (lithium preferred) batteries are inserted. See Fig. 2.
Fig. 2. Battery Installation
- Mount the sensor bracket on a vertical wall. at least 6 inches below any overhang. Choose a location protected from direct sunlight. See Fig. 3.
Fig. 3. Mounting the Sensor Bracket and Sensor
- Mount the sensor bracket in the selected spot.
- Once the sensor is bound to the W8735ER (see SENSOR BINDING), place the sensor in the bracket, facing away from the wall.
Sensor Binding
The C7089R Outdoor Sensor must be bound with the W8735ER Wireless Outdoor Reset Module in order for communication between the two controls to be established.
When the W8735ER Wireless Outdoor Temperature Module is powered but not bound to a sensor, the POWER LED will be ON (green) and the CONNECTED LED will be OFF.
- Remove the cover from the C7089R to expose the CONNECT button.
- Press the CONNECT button on the W8735ER until the CONNECTED LED flashes green (1 blink/second) after approximately five seconds of flashing red. If the sensor is not bound within the next 15 minutes the W8735ER times out and the CONNECTED LED will turn OFF.
- While the CONNECTED LED flashes green on the W8735ER, press the CONNECT button on the C7089R sensor.
- The CONNECTED LED will start to blink fast (4 blinks/ second).
NOTE: If flashing doesn’t speed up to 4 blinks/second, the sensor and the W8735ER have not bound. Repeat step 4. If binding is not successful during a 15 minutes period, the W8735ER will time out. Repeat steps 2 through 4. Make sure the W8735ER and the sensor are positioned at least 3 feet apart during the binding process. - Once the flashing rate goes back to 1 link/second, press the CONNECT button on the W8735ER to end the binding process.
- Once the C7089R sensor and the W8735ER bind, the CONNECTED LED on the W8735ER will be ON solid (green).
- Place sensor cover back on the sensor and return the sensor to the bracket. See Fig. 3.
NOTE: Pressing the CONNECT button on either the W8735ER or wireless sensor for 15 seconds or more will result in the unbinding of the wireless sensor and deactivation of the OTC functionality. To rebind the sensor to the W8735ER follow steps 1-7 in this section.
NOTES:
- If the W8735ER is bound to a sensor but the sensor signal is lost, the CONNECTED LED will be ON (red).
- Once the sensor is bound to the W8735ER and the module is connected to the EnviraCOM communication bus as described in the WIRING section of this document, hold the sensor where you intend to install it and check for the outdoor temperature to be displayed on the combustion control. If the outdoor temperature is not displayed, change the positioning of the sensor.
- If the W8735ER is not successfully bound to C7089R within five minutes of power up, the W8735ER will generate a missing sensor alarm. See Table 6 for a complete listing of EnviraCOM alarms and troubleshooting guide.
OPERATION
General
The W8735ER Wireless Outdoor Reset Module is a device which when connected to an AquaReset enabled Electronic Aquastat, Integrated Boiler Control (IBC) or SOLA control via the EnviraCOM™ communication bus, enhances the available control features to include Outdoor Temperature Reset, a stepped Boost function as well as Warm Weather Shutdown to provide increased boiler efficiency while servicing the heat demand. Set-up of the Outdoor Setback curve as well as the Boost function is done using the 3-digit/3-button display on the L7224/L7248 Aquastat (see L7224 Installation Instructions Form Number 69-1720 and/or Form Number 68- 0281 for more information). For the IBC setup see Form Number 66-1203 Installation Instructions for more information. For SOLA, set-up of the reset curve is done using the S7910 or S7999 display (See Form Numbers 65- 0315, 66-1175, and 68-0295 for more information.)
Adjusting Aquastat and IBC Settings
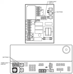
To discourage unauthorized/unintentional changing of Aquastat and IBC settings, a procedure to enter the ADJUSTMENT mode is required. To enter the ADJUSTMENT mode, press the UP, DOWN, and I buttons (See Fig. 4) simultaneously for three seconds. Next, press the I button until the feature requiring adjustment is displayed then use the arrow up/down buttons to set the parameter value (See Table 4). After 60 seconds without any button inputs, the controller will automatically return to the normal display mode.
Fig. 4. Location of L7224/L7248 and S936X 3-digit display and buttons.
Outdoor Reset
The Outdoor Reset feature adjusts the target boiler temperature to a point below its local high limit setting and above the boiler’s condensation temperature by using the EnviraCOM communication bus to directly adjust the Aquastat set-point. Should a call for Domestic Hot Water be detected, the boiler temperature is commanded to return to the High Limit setting, ensuring a hot water supply is available. When the Domestic Hot Water demand is met, the Outdoor Reset feature is once again enabled. See Table 1 and Fig. 5.
Application and Settings Pointers
The energy savings concept behind Outdoor Reset is to minimize the energy in the boiler that is lost during the off cycle. This is accomplished by maintaining the boiler temperature as low as possible and/or running the boiler for longer periods of time. Although considerable energy savings exists, the boiler is only one part of the system that includes thermostats, other controls, and radiation. To maximize savings while avoiding call-backs due to uncomfortable homeowners, care must be taken when adjusting the control parameters. Listed below are operation and adjustment pointers. See Fig. 5.
Low Boiler Temperature: This is the minimum temperature at which the boiler is designed to operate. Setting this too low during warmer periods may result in condensation in the boiler and reduce boiler life. Typically this setting is 130 °F (54 °C) for gas boilers and 140 °F (60 °C) for oil boilers and is adjusted to be maintained at the high outdoor temperature setting. Some new cast iron boilers are designed to operate at lower temperatures. Consult the manufactures’ specifications.
Low Outdoor Temperature: As the outdoor temperature decreases, the boiler temperature must increase to provide more heat to the space. The Low Outdoor Temperature (design temperature) is the point at which the boiler should be set to its high limit setting. Setting the boiler temperature too low during the coldest periods will result in the inability to keep up with heat demand. This is the critical setting in avoiding call-backs.
High Outdoor Temperature: This is the outdoor temperature for which the Low Boiler Temperature is set. This is the parameter that most impacts energy savings. Setting the High Outdoor Temperature too high results in less energy savings as the boiler may run at a higher temperature during warmer weather than necessary to maintain comfort in the space. Setting this parameter too low will result in too narrow a range for the control to be adjusting boiler temperature. In most cases the default of 40 °F (4.4 °C) is fine.
NOTE: In many cases these parameters will not need to be adjusted as their default values are designed to accommodate mid-Atlantic and lower New England areas.
CAUTION
Possible Equipment Damage
When enabling the Outdoor Reset function, be sure to refer to the boiler OEM’s instructions for the lowest return water setting to avoid condensation in the heat exchanger, which can result in equipment damage.
Table 1. Outdoor Reset Curve Settings and Defaults.
| Aquastat | |||
| Parameter | Minimum value | Maximum value | Default |
| High Limit | 130 °F (54 °C) | 240 °F (116 °C) | 180 °F (82 °C) |
| Minimum Outdoor | -40 °F | 40 °F | 0 °F |
| Temperature | (-40 °C) | (4.4 °C) | (-18 °C) |
| Minimum Boiler | 80 °F | 180 °F | 130 °F |
| temperature | (27 °C) | (82 °C) | (54 °C) |
| Maximum Outdoor | 30 °F | 70 °F | 40 °F |
| Temperature | (-1 °C) | (21 °C) | (4.4 °C) |
| IBC | |||
| Parameter | Minimum value | Maximum value | Default |
| High Limit | 130 °F (54 °C) | 220 °F (104 °C) | 180 °F (82 °C) |
| Minimum Outdoor | -40 °F | 40 °F | 0 °F |
| Temperature | (-40 °C) | (4.4 °C) | (-18 °C) |
| Minimum Boiler | 130 °F | 150 °F | 140 °F |
| temperature | (54 °C) | (56 °C) | (60 °C) |
| Maximum Outdoor | 40°F | 70 °F | 40°F |
| Temperature | (12.7 °C) | (21 °C) | (12.7°C) |
Minimum values, Maximum values and Default High Limit settings shown are for the L7224U and the S9361 IBC. Values may change for other Aquastats and IBCs. Check the specific Aquastat and/or IBC Installation Instruction manual for more information on default settings
Boost
If heat demand is not met within a certain time period while the boiler is in setback mode (following the Outdoor Reset curve), a Boost Period is invoked where the boiler set point is increased by a value called the Boost Step. Each time the Boost Period elapses and heat demand is not satisfied, the boiler set-point is again increased by the Boost Step, up to the maximum setting provided by the High Limit setting (see Table 2 and Fig. 5). Boost is reset when the heat demand is satisfied (local or remote call for heating has ended). Simply reaching the boiler set-point does not reset the Boost. Continuous Boost calls may be an indication of a poorly set Outdoor Reset Curve for the environment or faulty equipment. For the Aquastat, a Boost warning will be indicated on the 3-digit Aquastat display if Boost is required on 60 consecutive cycles. See Table 5.
For the Aquastat, the Boost Period can be set from OFF t o a range of 5 minutes to 30 minutes, adjustable in 1 minute increments. The default setting is 10 minutes. The Boost Step can be set from Off to a range of 5 °F (-15 °C) to 20 °F (- 7 °C).
For the IBC, the Boost Period is fixed at 30 minutes and the Boost Step is fixed at 5 °F. See Table 2.
Table 2. Boost Settings and Default
| Aquastat | |||
| Parameter name | Minimum value | Maximum Value | Default |
| Boost Period | 5 minutes (or Off) | 30 minutes | 10 minutes |
| Boost Step | 5 °F (or Off) | 20 °F | 10 °F |
| IBC | |
| Parameter name | Value1 |
| Boost Period | 30 minutes |
| Boost Step | 5 °F (or Off) |
For the IBC, both the Boost Period and Boost Step are fixed parameters and can not be adjusted.
Warm Weather Shutdown – Aquastat
The Warm Weather Shutdown feature causes a “Warm Start” boiler to shut down when the outdoor temperature exceeds a specified value. Warm Start boilers maintain a minimum temperature by setting the Low Limit on the Aquastat. If enabled this features cancels the Low Limit setting when the outdoor temperature exceeds a specified value.
CAUTION
Zone Panel Settings
In applications with zoning panels having a priority zone for domestic hot water: Disable the warm weather shutdown feature on the Aquastat. The Warm Weather Shutdown feature can be set from OFF to a range of 40 °F (4.4°C) to 70 °F (21 °C), adjustable in 10 degree increments. The default setting is OFF. See Table 3.
Table 3. Warm Weather Shutdown Settings and Defaults
| Parameter name | Minimum value | Maximum Value | Default |
| Warm Weather Shutdown | 40 °F (or Off) | 70 °F | Off |
Fig. 5. Outdoor temperature setback curve with boost.
As Outdoor Temp reaches the Warm Weather Shutdown setpoint (if enabled), the boiler is kept from cycling and will only service DHW demands if the Aquastat Zr terminal is configured for Domestic Hot Water request. See Table 4 on page 7.
Table 4. Programming Parameters
| Aquastat | |
| HL_ | High Limit. |
| Hdf | High Limit Differential. |
| LL**_ | Low Limit. |
| Ldf | Low Limit Differential. |
| ELL*** | ZR input configured as External Low Limit (ON/OFF) |
| duu | ZR input configured as external Domestic Hot Water (DHW) request (ON/OFF) |
| ASC | Anti Short Cycle Timeout (seconds); “OFF” is disabled. |
| otL | Outdoor Temperature Low (minimum) parameter for the outdoor reset curve (°F or °C)* |
| otH | Outdoor Temperature High (maximum) parameter for outdoor reset curve (°F or °C)* |
| btL | Boiler Temperature Low (minimum) parameter for outdoor reset curve* |
| bP | Boost Period (minutes). “OFF” is displayed if Boost is inactive* |
| bS | Boost step (°F or °C) shown only if Boost is active (bP=ON)* |
| UUS | Warm Weather Shutdown Temperature (°F or °C)* |
| tPL** | Thermal Purging Limit Temperature (°F or °C), “OFF” if disabled. |
| tPt** | Thermal Purging Time Delay (minutes), shown only if tPL is enabled |
| PC | Pump Cycling (ON/OFF) |
| F-C | Temperature units (°F or °C) |
- Settings available for adjustment on the 3-digit Aquastat display only when the “Outdoor Reset Module” is installed.
- Not displayed when connected to an L7248 Aquastat Control.
- Only displayed when connected to an L7248L Aquastat Control.
| IBC | |
| HL_ | High Limit. |
| Hdf | High Limit Differential. |
| Or_ | Pump Overrun Time |
| otL | Outdoor Temperature Low (minimum) parameter for the outdoor reset curve (°F or °C) |
| otH | Outdoor Temperature High (maximum) parameter for outdoor reset curve (°F or °C) |
| btL | Boiler Temperature Low (minimum) parameter for outdoor reset curve |
| tPL | Thermal purging minimal temperature (Parameter is available only if outdoor temperature is invalid) |
| tPt | Maximal Thermal Purge time (Parameter is available only if outdoor temperature is invalid) |
| rSt | Reset Lockout |
| F-C | Temperature units (°F or °C) |
WIRELESS OUTDOOR RESET MODULE ALARMS AND TROUBLESHOOTING
The W8735ER Wireless Outdoor Reset Module’s enhanced diagnostics provides information alerting of deteriorating boiler efficiency or if the system is not running optimally. Outdoor reset-related errors can be displayed on diagnostic tools and displays. Errors are also displayed on the Aquastat’s 3-digit display. See Table 5 for available Outdoor reset-related error codes.
Table 5. Aquastat Outdoor Reset Related Error Codes.
| Error Code | Cause/Action | EnviraCOM Alarm |
| Err 9a | Warning: Outdoor Reset System failure; communication to Outdoor Reset Module lost, Outdoor Reset Module failure, multiple outdoor temperature sensors detected on the bus, or outdoor temperature sensor failure. Check EnviraCOM wiring (1, 2, 3), check sensor wiring. | 50, 53, 149 |
| Err 10a | Warning: Boost Failure; Boost Mode active at least once per cycle for the last 60 consecutive cycles. Check Outdoor Reset curve settings. | 150 |
| Err 11a | DHW Module Sensor failure. Warning: DHW System failure; communication to DHW Module lost, DHW Module failure, or temperature sensor failure. Check EnviraCOM wiring (1, 2, 3), check sensor wiring. | 146, 147, 148 |
Warnings are generated to enunciate the system is not operating optimally, but the Aquastat is still operating and maintaining boiler temperature. In the instance where an Outdoor Reset Module is used, the warnings may indicate a reset curve setting error one or more features is not running optimally, and the Aquastat is reverting to default settings or has stopped running the Outdoor Reset algorithms. The warnings are cleared when the issue(s) is resolved.
NOTE: Aquastat alarms reset automatically once the alarm condition has been resolved. Alarms can also be reset by cycling power if the alarm condition is no longer present.
Table 6. EnviraCOM Outdoor Reset Alarms and Troubleshooting
| Alarm Desription | EnviraCOM Alarm | Troubleshooting |
| Duplicate Outdoor Temp Alarm Present | 50 | Only one outdoor sensor (wired/wireless) is allowed. Ensure no other outdoor sensors is connected. |
| Outdoor Temp Sensor Low Battery Alert | 156 | Replace sensor batteries |
| Outdoor Sensor Missing/Failure | 53 | Outdoor sensor failure. Replace sensor. |
| Missing Outdoor Temp Sensor | 149 | Module not bound within 5 minutes of power-up or lost once enrolled. Check batteries |
Regulatory information
FCC Compliance Statement (Part 15.19) (USA only)
This device complies with Part 15 of the FCC Rules. Operation is subject to the following two conditions:
- This device may not cause harmful interference, and
- This device must accept any interference received, including interference that may cause undesired operation.
FCC Warning (Part 15.21) (USA only)
Changes or modifications not expressly approved by the party responsible for compliance could void the user’s authority to operate the equipment.
FCC Interference Statement (Part 15.105 (b)) (USA only)
This equipment has been tested and found to comply with the limits for a Class B digital device, pursuant to Part 15 of the FCC Rules. These limits are designed to provide reasonable protection against harmful interference in a residential installation. This equipment generates uses and can radiate radio frequency energy and, if not installed and used in accordance with the instructions, may cause harmful interference to radio communications. However, there is no guarantee that interference will not occur in a particular installation. If this equipment does cause harmful interference to radio or television reception, which can be determined by turning the equipment off and on, the user is encouraged to try to correct the interference by one of the following measures:
- Reorient or relocate the receiving antenna.
- Increase the separation between the equipment and receiver.
- Connect the equipment into an outlet on a circuit different from that to which the receiver is connected.
- Consult the dealer or an experienced radio/TV technician for help.
Wireless adapter
To comply with FCC and Industry Canada RF exposure limits for general population/ uncontrolled exposure, the antenna(s) used for these transmitters must be installed to provide a separation distance of at least 20 cm from all persons and must not be co-located or operating in conjunction with any other antenna or transmitter.
Section 7.1.5 of RSS-GEN
Operation is subject to the following two conditions:
- this device may not cause interference, and
- this device must accept any interference, including interference that may cause undesired operation of the device
Resideo Technologies, Inc.
1985 Douglas Drive North, Golden Valley, MN 55422
1-800-468-1502 66-1202EFS—02 M.S. Rev. 06-21 | Printed in United States
© 2020 Resideo Technologies, Inc. All rights reserved.
This product is manufactured by Resideo Technologies, Inc. and its affiliates.





















